Рисунок 6.6
Рисунок 6.5
Рисунок 6.4
Рисунок 6.3
Рисунок 6.1
Итак, согласно с теоремой, является целесообразной эквивалентная замена (рис.6.1б), причем
,
. По принципу эквивалентности внешние токи (напряжения) не изменяются: ток в нагрузке одинаковый для обеих схем
. Для второй схемы
. (6.1)
Рассмотренная теорема приходится в такой способ: для определения тока
первой схемы к ветки mn вводятся две равные и противоположно направленные ЭДС
, которые равняются напряжению холостого хода (рис.6.2а). Применение метода наложения согласно рис.6.2а приводит к выводу:
. Для схемы (рис.6.2б) по второму закону Кирхгофа составим уравнение
, из которого будем иметь значение первого частичного тока нагрузки, учитывая, что
:
;
.

а) б) в)
Рисунок 6.2
Для схемы (рис.6.2в) по закону Ома с учетом замены пассивного двуполюсника входным сопротивлением
, будем иметь
. Итак,
. (6.2)
Сравнивая (6.1) и (6.2) для любого значения тока, получаем значение параметров эквивалентного генератора напряжения:
;
. Теорема доказана.
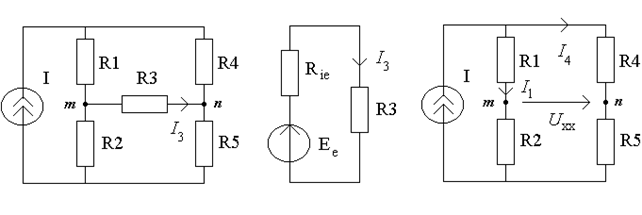
Пример 1. По теореме Тевенена определить ток в ребре
(рис.6.3а).

а) б) в)
Решение задачи состоит из таких этапов:
1) заменяем активный двуполюсник относительно узлов m, n эквивалентным источником напряжения с параметрами
,
(рис.6.3б);
2) определяем значение ЭДС
, как напряжение холостого хода при размыкании
для схемы (рис.6.3в):
;
;
;
;
3) рассчитываем входное сопротивление пассивного двуполюсника со стороны узлов m, n (напомним, что для перехода от активного к пассивному двуполюснику необходимо идеальные источники ЭДС разомкнуть, а идеальные источники тока сомкнуть):
;
;
4) рассчитываем искомый ток
по закону Ома по схеме (рис.6.3б):
.
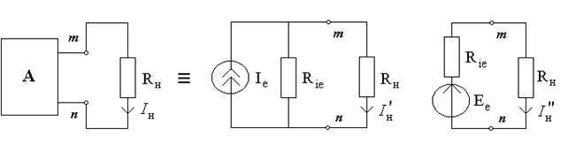
6.2 Теорема об эквивалентном источнике тока (теорема Нортона)
Любой линейный активный двуполюсник можно заменить эквивалентним источником тока, заданый ток которого равняется току короткого замыкания между зажимами двуполюсника, и внутренним сопротивлением, какое равняется входному сопротивлению пассивного двуполюсника.
Режим короткого замыкания (цепи или генератора) означает работу в ненагруженном состоянии, когда выходное напряжение равняется нулю, а выходные зажимы закорочены.
Итак, по теореме Нортона должны быть эквивалентными две схемы (рис.6.4а). При условии
,
соответственно с принципом эквивалентности должно выполняться равенство
.

а) б)
Доказательство. Воспользуемся результатами теоремы Тевенена. Для этого заменим источник тока источником напряжения (рис.6.4б). Пусть
;
. Тогда согласно с (3.7)
. (6.3)
Эта формула определяет не что другое, как ток, который проходит между выводами m и n, которые замкнуты накоротко (ток короткого замыкания):


.
Искомый ток
в цепи равняется:
. ИЗ доказательства теоремы значит, что величину входного сопротивления
можно определить, имея экспериментальные значения
,
:
.
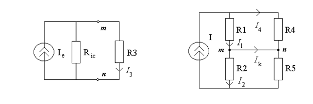
Пример 2. Для схемы (рис.6.3а) определить ток
, пользуясь теоремой Нортона.

а) б)
1. По схеме (рис.6.5б) ток короткого замыкания равняеться:
;
;
;
;
.
2. Входное сопротивление пассивного двуполюсника со стороны узлов m, будетпредставлять:
;
;
3. По схеме (рис.6.5а) находим
.
6.3 Энергетические соотношения в цепи постоянного тока
1. Баланс мощностей. Рассмотрим схему, которая состоит из последовательно соединенных реального источника напряжения E и сопротивления нагрузки (рис.3.4а). Согласно со вторым законом Кирхгофа
. Умножим это уравнение на I.
. (6.4)
Согласно с определением мгновенной мощности (лекцiя 1), запишем
.
Для постоянного тока выражение (6.4) можно записать:
, (6.5)
где
- Мощность энергии, которая производится источником;
- Мощность энергии, которая потребляется в резисторе
;
- Мощность энергии, которая потребляется в ребре
.
Итак, выражение (6.5) представляет собой уравнение баланса мощностей: алгебраическая сумма мощностей, которые отдают все источники энергии в цепи, равняется арифметической сумме мощностей, потраченых на сопротивлениях схемы.
Более развернутая форма записи баланса мощностей может быть представлена в таком виде:
, (6.6)
где
,
,
- количество источников ЭДС, источников тока и резисторов соответственно.
Знак мощности источника зависит от направления тока через источник ЭДС или напряжения на зажимах источника тока. Правило определения знака показано на рис.6.6.

2. Условие согласования источника с нагрузкой по активной мощности. Условие согласования должно обеспечить максимальную мощность
, которая потребляется в нагрузке.
Рассмотрим произвольный линейный двуполюсник. Заменим его по теореме Тевенена эквивалентным источником напряжения (рис.6.4б). Выясним, при котором значении сопротивления нагрузки
Мощность
, что тратится в нем, будет максимальной:
.
Чтобы найти экстремум, решим уравнения
:
.
Поскольку знаменатель является положительной величиной и не может равняться нулю, приравняем нулю числитель. Тогда
;
. (6.7)
Формула (6.7) соответствует условию согласования. При этом максимальная Мощность будет представлять:
. (6.8)
. (6.9)
При этом Мощность, которая генерируется источником, будет такой:
,
где
- ток нагрузки в режиме согласования.
Рассмотрим понятие Коэффициента полезного действия (КПД). КПД – это отношение полезной мощность к мощности источника P:
.
Если
, значение КПД будет таким:
.
При условии
, зависимость КПД и мощностей P,
от тока в нагрузке изображена на рис.6.7а, а зависимость
- на рис.6.7б.

а) б)






