Поскольку законы Ома и Кирхгофа в комплексной форме справедливы для электрических цепей синусоидного тока, все методы расчета электрических цепей (МКТ, МУН, теорема об эквивалентном генераторе и т.п.) также можно использовать, но для комплексных значений токов, напряжений и ребер.
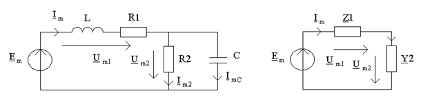
Сделаем качественный анализ электрической цепи синусоидного тока на примере схемы (рис.10.1а). Перейдем к эквивалентной схеме (рис.10.1б), где сделаны обозначения
;
. Тогда рассчетные формулы для решения задачи анализа будут такие:
;
;
;
;
;
;
.

а) б)






