Рисунок 11.5
Рисунок 11.4
Рисунок 11.3
Рисунок 11.2
Рисунок 11.1
Кривая, которая соединяет концы векторов
, носит название годографа передаточной функции (годографом амплитудно-фазовой характеристики). Годограф строят при изменении частоты от нуля к бесконечности.
Пример. Определить комплексный коэффициент передачи по напряжению
, АЧХ и ФЧХ для схемы (рис.11.2а).
Согласно с определением:
. Задача решается в такой последовательности: 1) задаемся
; 2) определяем комплексное значение выходного напряжения по закону Ома:
;
3) находим
;
4) подаем
в показательной форме, находим АЧХ и ФЧХ (рис.11.2б,в):
.

а) б) в)
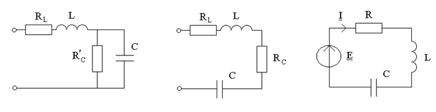
11.2 Последовательный резонансный контур. Определение и условия резонанса
Колебательный контур - электрический круг, в котором возможны колебание свободной составной тока. Резонансный контур - электрическая цепь, в которой имеет место явление резонанса (напряжений или токов).
Последовательный резонансный контур - резонансный контур, который состоит из индуктивного и емкостного элементов, соединенных последовательно (рис.11.3а,б). На схеме (рис.11.3в) R, L, C - первичные параметры контура, причем
, где
- активное сопротивление катушки индуктивности,
- сопротивление растекания конденсатора, перерасчитанное в последовательное соединение,
- сопротивление проводов (потерь). Чтобы дать определение резонанса, найдем ток в цепи (рис.11.3в):
,
где
- реактивное сопротивление контура.
Запишем комплексное действующее значение тока в показательной форме
,
где
- полное сопротивление контура.
Итак, резонанс - это явление в электрической цепи, которая имеет участки с индуктивными и емкостными элементами, по которому разница фаз напряжения и тока на входе цепи равняется нулю.
Из этого определения вытекает, что полное сопротивление контура должно быть активным. Тогда реактивное сопротивление или проводимость цепи, в которой наблюдается резонанс, равняются нулю.

а) б) в)
Итак, если в общем случае действительны соотношения
;
, то при резонансе:
1)
- это условие амплитудного резонанса;
2)
;
;
- условие возникновения фазового резонанса.
11.3 Вторичные параметры последовательного резонансного контура
1. Резонансная частота - частота тока (напряжения) во время резонанса в цепи. Обозначается
и определяется, исходя из условия резонанса X = 0;
:
;
.
Значению циклической частоты
соответствует резонансная длина волны:
, 
где c - скорость распространение электромагнитных волн.
2. Характеристическое (волновое) сопротивление контура - сопротивление каждого из реактивных элементов при резонансе:
.
3. Добротность - отношение характеристического сопротивления к активному сопротивлению контура:
, где d - затухание - величина, обратная к добротности, которая характеризует интенсивность затухания колебаний в контуре.
Добротность характеризует длительность собственных колебаний в контуре, ее можно определить также как коэффициент качества, который равняется отношению абсолютного значения реактивной мощности к активной мощности.
4. Полное сопротивление - модуль входного комплексного сопротивления контура Z.
,
где
- модуль Z;
- аргумент Z.
Частотные зависимости полного и реактивного сопротивления
,
изображены на рис.11.4. Из графика видно, что на резонансной частоте реактивное сопротивление контура равняется нулю, а
равняется сопротивлению потерь R.

а) б)
5. Фазовая характеристика - зависимость аргумента входного сопротивления последовательного контура от частоты (рис.11.5а):
.
6. Резонансная кривая тока - зависимость модуля комплексного действующего (амплитудного) значения тока от частоты (рис.11.5б):
.
Очевидно, что на частоте резонанса
, выполняются такие соотношение:
,
.
11.4 Векторная диаграмма напряжений при резонансе
Запишем для последовательного резонансного контура уравнения по второму закону Кирхгофа:
.
Если частота равняется резонансной частоте
, то
,
где
- напряжение на сопротивлении R при резонансе;
- напряжение на индуктивности при резонансе;
- напряжение на емкости при резонансе.
В соответствии с полученными выражениями на рис.11.5в изображена векторная диаграмма тока и напряжений при резонансе. Как видно из рисунка, при
выполняются такие соотношения:
1) напряжение на сопротивлении R совпадает по фазе с током I, а модуль
равняется значению E; напряжения на реактивных элементах равны между собой по модулю и противоположны по направлению;
2) по абсолютной величине напряжения на реактивных элементах последовательного резонансного контура в Q раз превышают значение ЭДС, которая действует на входе:
. Итак, в последовательном контуре наблюдается резонанс напряжений.
Резонанс напряжений - явление резонанса на участке электрической цепи, в которую входят последовательно соединенные индуктивный и емкостной элементы.

а) б) в)