Влияние сопротивления нагрузки (рис.12.7б).
Рисунок 12.7
Рисунок 12.6
Рисунок 12.5
Рисунок 12.4
Рисунок 12.3
Рисунок 12.2
Рисунок 12.1
При расчетах резонансных контуров в радиотехнических устройствах исследуют их поведение главным образом в области частот, близких к резонансной частоте
, т.е. когда частота генератора равняется:
;
,
где
- абсолютная расстройка, которая является малой величиной по сравнению с резонансной частотой. Расстройка может быть как положительной
, так и отрицательной (
,
).
Отношение
называется относительной расстройкой. Величина
называется обобщенной расстройкой. С учетом введенных обозначений формула (12.2) будет такой:
. (12.3)
Найдем формулы для расчета обобщенной расстройки:

Учитывая, что
, получаем точную формулу для вычисления
:
.
Но для частот, близких к резонансной частоте контура
, выполняются такие приблизительные соотношения:
;
.
Тогда
.
Итак, конечная приблизительная формула для нахождения
будет иметь вид
.
Резонансная кривая может быть представлена как функция абсолютных, так и функция относительных расстроек
(рис.12.2а):
. (12.4)
Если по оси абсциссс откладывать обобщенную расстройку
, получим обобщенную частотную характеристику (12.3), которая объединяет все возможные варианты контуров с любой величиной Q (рис.12.2б). Кривая (12.3) не зависит от добротности.
Фазовая характеристика контура также может быть выражена как функция относительной или обобщенной расстройки:
. (12.5)
Фазовые характеристики типа (12.5) изображены на рис.12.3.

а) б)

а) б)
12.2 Резонансные кривые напряжений
Резонансная кривая напряжения - это зависимость модуля комплексного действующего или амплитудного значения напряжения от частоты. Для последовательного резонансного контура согласно закону Ома выполняются такие соотношения для напряжений:
;
;
. Подставим сюда значение тока
.
Тогда будем иметь
;
;
.
Соответственно, модули полученных выражений являются резонансными кривыми напряжений последовательного резонансного контура:
; (12.6)
; (12.7)
. (12.8)
Анализируя графики, которые построены по этим формулам (рис.12.4), можно сделать такие выводы:
1. Кривая
совпадает с резонансной кривой тока с точностью до постоянного множителя. При
;
,
; при
;
,
.

2. Поскольку кривая I является симметричной, а кривая напряжения
получена умножениям кривой тока на емкостное сопротивление
, из рисунка видно, что максимум
перемещается в сторону частот, меньших по резонансу.
Можно показать, что
, где d - затухание.
При
напряжение
(рис.12.5а). При
напряжение
(рис.12.5б).
3. Поскольку кривая
получена умножением симметричной кривой тока I на индуктивное сопротивление
, то максимум
перемещается в сторону частот, больших по резонансной частоте
. Можно показать, что
.
Как видно из рис.12.5, значение напряжения на индуктивности для нулевой и бесконечной частот равняются:
;
.

а) б)
12.3 Виборочность резонансного контура. Полоса пропускания
Выборочность или селективность - это свойство контура из набора колебаний различных частот выделять (пропускать) колебание близкое к резонансной частоте.
То, насколько контур является выборочным, можно оценить по характеру резонансных кривых: чем "острее" резонансная кривая, тем более выборочным является контур. Формула (12.4) показывает, что чем больше добротность Q, тем выше выборочность.
Частотные характеристики резонансного контура по форме значительно отличаются от идеальной П-подобной характеристики. Поэтому частоты, которые пропускаются (выделяются) контуром, определяют условно, вводя понятие полосы пропускания.
Полоса пропускания (П) - это область частот близ резонансной частоты, в пределах которой ток (напряжение) уменьшаются не больше, чем в
раз по сравнению с резонансным значением (рис.12.6а). Иначе полоса пропускания - это полоса частот, в пределах которой затухание остается меньшим по определенному значению.
Чтобы определить полосу пропускания, воспользуемся формулой (12.3). По определению полосы пропускания
. Т.е.
,
откуда находим два значения обобщенной расстройки, которые соответствуют границам полосы пропускания:
(рис.12.6б).
Чтобы определить абсолютное значение полосы пропускания
(рис.12.6а), воспользуемся формулой
. Учитывая, что
, находим связь между полосой пропускания и добротностью:
;
.
Для низкодобротных кривых абсолютные расстройки
и
. Для высокодобротных кривых абсолютные расстройки приблизительно одинаковые, поэтому
.

а) б)
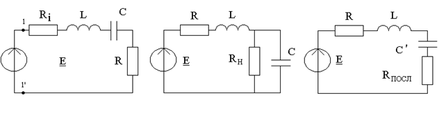
12.4 Влияние сопротивлений источника и нагрузки на выборочные свойства последовательного контура
1. Влияние сопротивления источника (генератора).
Резонансные кривые тока и напряжения в контуре были найдены из таких предположений: ЭДС источника E = const, внутреннее сопротивление
. Выясним, как влияет сопротивление
реального генератора на свойства контура.
Эквивалентную схему (рис.12.7а) можно рассматривать как резонансный контур, который имеет активное сопротивление
и питается в точках 1-1' постоянным напряжением. Для этого контура можно применить все установленные выше соотношения. В частности
. (12.9)
Итак, чем больше внутреннее сопротивление
, тем меньше эквивалентная добротность цепи и более широкая полоса пропускания. Итак, с увеличением сопротивления
выборочность системы ухудшается, т.е. с точки зрения выборочности последовательный резонансный контур следует применять в случае выполнения соотношения
.

а) б) в)
Преобразуем параллельное соединение элементов C и
(B и G) в последовательное по формулам (10.1):
;
.
С учетом соотношений
,
, будем иметь
.
На частоте, близькой к резонансной, получим:
.
Если
, тогда
, или
и единицей в знаменателе можно пренебречь:
;
. (12.10)
Зная параметры последовательной эквивалентной схемы (рис.12.8в),
,
, получаем
;
. (12.11)
Чем меньше сопротивление
, тем меньше эквивалентная добротность
и тем более широкая полоса пропускания. Итак, для улучшения выборочных свойств цепи необходимо выполнить условие:
;
.
Параллельный резонансный контур - резонансный контур, который состоит из индуктивного и емкостного элементов, соединенных параллельно (рис.13.1а). Сопротивление растекания конденсатора
может быть пересчитано в последовательно соединенное сопротивление
(рис.13.1б). Так же, как и для последовательного контура, параметры R, L, C считаются первичными параметрами параллельного контура, причем активное сопротивление равняется сумме ребер катушки и конденсатора при последовательном обходе:
.

а) б)
Рисунок 13.1
Обозначим сопротивления параллельных веток
,
и найдем эквивалентное сопротивление параллельного контура
.
Около резонансной частоты
, слагаемые
и
равняются характеристическому сопротивлению
. Поскольку для резонансного контура выполняется соотношение
,
, слагаемыми
и
в числителе можно пренебречь:
. (13.1)
По определению, резонанс в цепи наблюдается, если сопротивление цепи является чисто активным. Это становится возможным, если
.
Найдем вторичные параметры параллельного контура.
1. Резонансная частота:
.
2. Характеристическое сопротивление:
.
3. Добротность:
,
.
4. Эквивалентное резонансное сопротивление
;
;
.
13.1 Частотные характеристики полного сопротивления параллельного контура
Аналогично последовательному контуру полное сопротивление параллельного резонансного контура определяется как модуль комплексного входного сопротивления, которое обозначено выше
. Согласно формуле (13.1)
, (13.2)
где
- реактивное сопротивление,
- обобщенная расстройка.
Запишем
в показательной форме:
, (13.3)
где
- модуль
, или полное сопротивление контура;
- аргумент
,
- фазовая характеристика.
Найдем активную и реактивную составляющие сопротивления
:
,
откуда
;
. (13.4)
Графики частотных зависимостей, которые построены по (13.3) - (13.4), изображены на рис.13.2. Проанализируем эти графики. Вид кривых
,
и
непосредственно вытекает из аналитической записи.

а) б)