Для предварительных расчетов на 1 этапе проектирования, когда не выбраны еще основные агрегаты и не запроектированы водоводы, местные потери принимают 0,7-1,2 м при использовании осевых насосов и 1-1,5 м при использовании центробежных насосов.
Потери напора по длине определяются по формуле: 
| Максимальная подача НС, м3/с | Сопротивление на 1 км напорного трубопровода |
| До 3 | |
| 3-10 | 3-3,5 |
| Более 10 | 2,5-3 |
Верхним бьефом осушительных НС чаще всего служит река. Колебания уровней зависят от гидрологического режима ее, который при определении Нг.ср принимают по среднему гидрологическому году.
Три режима работы осушительной системы:
- НС обеспечивает откачку воды без подтопления осушаемой территории выше установленной максимальной отметки в подводящем к ней воду канале, колебания уровней в котором определяет режим нижнего бьефа станции;
- то же, но перед НС имеется регулирующий бассейн, колебания уровней в нижнем бьефе устанавливаются режимом наполнения и сработки регулирующего бассейна, увязанного с подачей НС;
|
|
|
- допускается заполнения осушаемой территории паводковыми водами; колебания уровней в нижнем бьефе зависит от площади и рельефа затопляемой территории, допустимой длительности затопления и подачи НС.
При проектировании осушительной системы, чтобы определить средневзвешенную высоту подъема и выбрать оборудование, необходимо рассчитать графики колебаний уровней и притока воды в нижнем бьефе станции для периода работы ее. Отметки нижнего бьефа осушительных НС, перекачивающих грунтовые воды, определяются уровнем воды, зависящим от забираемого расхода воды и удельного дебита (приток воды).
Дренажные станции могут иметь в нижнем бьефе каналы (открытые дрены), колодцы, к которым вода подводится закрытыми дренами, дренажные колодцы или скважины при глубоком дренаже. При глубоком дренаже территории и большом расстояния между скважинами вода от глубинных (артезианских насосов) отводится трубопроводами различной длины к сборным коллекторам-водоприемникам и может использоваться для повторного орошения.
Тема: Определение расчетной подачи и числа установленных насосов
Расчетная максимальная подача мелиоративной НС определяется:
1) при поверхностном поливе – максимальной ординатой укомплектованного графика водопотребления, умноженной на коэффициент форсировки:
,
где
= 1,2-1,3 при Q < 1м3/с
= 1,15-1,2 при Q = 1-10 м3/с
= 1,1-1,15 при Q > 10 м3/с
2) при дождевании – графиком полива с учетом числа одновременно работающих дождевальных машин и их параметров (форсированная подача НС для дождевальных систем не предусматривается);
3) при подаче воды в каналы рисовых оросительных систем – максимальной ординатой укомплектованного графика водопотребления, умноженной на коэффициент запаса 1,1;
|
|
|
4) при осушении – максимальной ординатой графика откачки с учетом использования регулирующей емкости системы (форсированная подача осушительных НС не предусматривается).
Как правило, число рабочих агрегатов НС определяют из условия лучшего покрытия графиков водопотребления (откачки) с учетом получения при этом максимальной экономической эффективности.
При этом график водопотребления, как правило, перестраивают в график водоподачи со ступенчатым характером изменения подачи во времени при сохранении общего объема подаваемой воды.
В практике проектирования оросительных НС встречается несколько способов выбора числа основных агрегатов:
1 способ: Число основных агрегатов n выбирают по максимальной Qmax и минимальной Qmin подачам НС (по максимальной и минимальной ординатам укомплектованного графика водопотребления): 
Для форсированной подачи и замены при аварии одного из насосов устанавливают дополнительно такой же агрегат или два на меньшую подачу, так называемые разменные агрегаты. Установка разменных агрегатов дает возможность сократить непроизводительные сбросы воды, хотя и создает некоторые неудобства из-за разнотипности оборудования.
2 способ: Число основных агрегатов n выбирают по форсированной Qф и минимальной Qmin подачам НС:
.
Для водохозяйственных организаций рекомендуют более универсальный способ выбора основных и резервных агрегатов:
- тип и число рабочих агрегатов следует выбирать по расчетной максимальной или по форсированной подаче (если она имеется);
- насосы должны обеспечивать безкавитационную работу во всем расчетном диапазоне подач;
- максимальный КПД установки желательно иметь при средневзвешенном напоре;
- по возможности на НС должно быть установлено однотипное оборудование;
- предпочтение отдается центробежным насосам горизонтального исполнения типа Д, при Q>2 м3/с – вертикальные центробежные насосы; на понтонах плавучих НС – горизонтальные агрегаты;
- минимальное число агрегатов на мелиоративных НС и НС систем водоснабжения:
при Q = 1м3/с – 2-4 агрегата;
при Q = 1-5 м3/с – 3-5 агрегатов;
при Q = 5-30 м3/с – 4-6 агрегатов;
при Q > 30 м3/с – 5-9 агрегатов;
на оросительной НС III категории надежности допускается установка 1 основного агрегата Q<400 л/с и N < 150кВт;
- разменные агрегаты устанавливают при расходе Q основных агрегатов более 1,5 м3/с;
- желательно, чтобы число основных агрегатов было кратным 2 или 3.
На мелиоративных НС должны быть установлены резервные агрегаты:
- на НС I категории надежности подачи при числе основных агрегатов 1-4 – 1шт.; > 4 – 2шт.;
- на НС II категории – при числе основных агрегатов 1-8 – 1 шт; > 8 – 2 шт;
- на НС III категории резервные агрегаты, как правило, не предусматривают.
На НС для подачи воды в закрытую сеть, как правило, устанавливают 2 группы насосов: бустерные и основные.
Бустерные насосы предназначены для заполнения водой закрытой сети и поддержания давления в ней на минимальном уровне, обеспечивающем пуск основных насосов.
Тема: Насосные станции для закрытой оросительной сети
Закрытая оросительная сеть – это система трубопроводов на оросительном участке, которая обеспечивает подачу воды от НС и распределяет ее между точками выделений, оборудованных гидрантами. Размеры участка, который обслуживается одной НС, составляет 1-1,5 тыс. га, подача такой НС – 0,8-1,2 м3/с.
Бустерные насосы дополняют истечение воды из сети.
На станции устанавливают водовоздушные баки, которые служат для пополнения расхода воды в сети при неработающих дождевальных машинах и сглаживания колебаний давления, которые вызывают увеличение или уменьшение отбора воды из сети.
|
|
|
Вода из НС подается к дождевальным машинам по трубопроводам, которые образуют закрытую оросительную сеть.
Подача насосной станции определяется по формуле:
,
где
- сумма расходов воды всех подключенных дождевальных машин;
- утечки в сети,
= (0,05-0,07)Qmax
Расчетный напор НС определяют для наиболее напряженного режима работы закрытой сети, то есть при максимальном количестве одновременно работающих дождевальных машин. Работу дождевальных машин на гидрантах обеспечивает свободный напор Нсв, который составляет для «Волжанки» Нсв=40м, «Фрегата» Нсв=49-65м, «Днепр» Нсв=45м.
Состав гидромеханического оборудования
Непрерывность подачи воды обеспечивается основными и бустерными насосами, а также водовоздушным баком объемом 6,3 м3 и 10м3. Применяют насосы марки Д и ЦН. Основные насосы подбирают по расчетному напору сети и подаче, соответствующей максимальной подаче сети, которая обеспечивается 2-6 агрегатами.
Бустерные насосы, их подача составляет половине подачи основного насоса. Рекомендуется устанавливать по 2 бустерных насоса на НС.
Пуск и остановка бустерных насосов выполняется «по давлению», пуск 1 основного насоса также «по давлению» после остановки бустерного насоса, а дальше пуск и остановка следующих основных насосов выполняется «по расходу» сети.
Напор бустерного насоса принимают равным необходимому минимальному напору основного насоса или превышающим его.
Водовоздушный бак автоматически поддерживает подачу и напор НС при малых нагрузках сети и кратковременных остановках насосных агрегатов.
Емкость водовоздушного бака определяется по необходимому регулирующему объему:
,
где
- напор, при котором включаются основные насосы;
- минимальный напор в сети;
- необходимый регулирующий объем для поддержания давления в сети при включении и выключении дождевальных машин:
,
где К=0,7 – коэффициент, учитывающий интенсивность роста подачи воды в дождевальную машину при открытии гидранта;
q – подача дождевальной машины
«Волжанка» q = 24-64 л/с
«Фрегат» q = 50-100 л/с
|
|
|
«Днепр» q = 120 л/с
t = 7-10 c – время прохождения сигнала при автоматическом пуске или остановке насоса.
Воздух в водовоздушном баке постепенно растворяется в воде. Для поддержания объема воздуха в заданных пределах предусматривается компрессор.
Тема: Расчет закрытой оросительной сети
Закрытую оросительную сеть проектируют, как правило, тупиковой.

Рис. 8. Схема закрытой оросительной сети:
Г1 – Г8 – гидранты;
1 – 5 – узлы расчетной трассы
В конце полевых трубопроводов устанавливают гидранты, к которым вода подводится по участкам трубопровода.
Расчет закрытой сети основывается на определении расчетного напора, который обеспечивает одновременную работу максимального количества дождевальных машин, наиболее отдаленных от насосной станции. Определяют диктующую точку (гидрант), подача воды в которую требует наибольшего напора.
Расчетный напор насосов определяют, как сумму геодезической высоты подъема воды от отметки воды в водоисточние до отметки поверхности земли в диктующей точке (Нг), потерь напора при движении воды от насосной станции до диктующей точки Sh, потерь напора во внутристанционных коммуникациях насосной станции hНС (1,5-2,5 м) и свободного напора в диктующей точке Нсв, в зависимости от типа и модификации дождевальной машины.
Нр = Нг + Нсв + Sh + hНС
Расходы в голове каждого участка определяются суммой расходов выше расположенных дождевальных машин с поправочным коэффициентом 1,05-1,07 на утечку воды.
График расхода по расчетной трассе имеет ступенчатую форму.

Рис. 9. График расхода по расчетной трассе
Гидравлические сопротивления трубопровода:
,
где А – удельное сопротивление трубопровода, с2/м6. Зависит от материала и диаметра трубопровода.
Скорость должна быть в пределах 1-1,5 м/с.
Потери напора определяют по формулам:
или
.
Тема: Лопастные насосы, применяемые в мелиорации
На мелиоративных НС обычно применяют насосы общего назначения с содержанием твердых включений не более 3г/л, размером не более 0,1-0,2 мм, из них абразивных не более 2%:
1) центробежные насосы типа К и КМ – горизонтальные, одноступенчатые, с рабочим колесом одностороннего входа, консольно расположенным на конце вала насоса. Q = 5-360 м3/час, Н = 10-90 м.
Моноблочные с электродвигателем типа КМ, рабочее колесо насажено непосредственно на вал электродвигателя, отсутствие опорной стойки.
К 45/85: 45 – Q,м3/час, 85 – Н, м
2) центробежные горизонтальные насосы типа Д – одноступенчатые с горизонтальным двухсторонним подводом воды к рабочему колесу: Q = 100-12500 м3/час, Н = 14-125 м. Насосы типа Д по сравнению с К, КМ имеют более высокий КПД h = 73-88%.
14НДс(н,в): насос двусторонний средненапорный (низко-, высоко-), 14 – диаметр напорного патрубка в 25 раз уменьшенный.
3) центробежные горизонтальные насосы типа ЦН и ЦНС:
ЦНСГ – 38-44: ц/б насос секционный горизонтальный, 38 - Q,м3/час, 44– Н,м.
Высоконапорные центробежные насосы типа ЦН – горизонтальные, многоступечатые, имеющие горизонтальный разъем с рабочими колесами одностороннего входа.
ЦНС – горизонтальные, многоступенчатые (от 2 до 10 рабочих колес), секционные, с рабочими колесами одностороннего входа: Q = 8-850 м3/час, Н = 40-1440 м, h = 67-77%.
4) центробежные вертикальные насосы типа В – одноступенчатые, с рабочим колесом одностороннего входа, консольно расположенным на конце вала насоса: Q = 1,6-25 м3/с, Н=25-100м. Марка: 600В – 1,6 (600 – диаметр напорного патрубка, 1,6 - Q,м3/с).
5) осевые насосы типа О и ОП – горизонтального и вертикального исполнения: Q = 0,5-40 м3/с, Н = 2,5-23 м, h = 84-86%.
Осевые насосы могут быть поставлены с жестко закрепленными лопастями во втулке рабочего колеса (тип О) и поворотными лопастями (тип ОП).
6) Погружные (консольные) насосы для оборудования временных НС и станций с малым периодом работы.
Насосы для подъема воды из скважин: ЭЦВ, А и АТН.
ЭЦВ – одно- и многоступенчатые погружные, центробежные, вертикальные, с рабочими колесами одностороннего входа: Q = 0,63-1200 м3/час, Н = 12-680 м.
А – центробежные, секционные, вертикальные с трансмиссионным валом Q= 30-1200 м3/час, Н = 30-125 м;
АТМ - центробежные, секционные, вертикальные.
Тема: Выбор основных насосов
Насосы для станций закрытой оросительной сети подбирают по расчетным Qp.max и Нр.min.
Тема: Выбор двигателей для привода насосов
В качестве привода к насосам на мелиоративных НС могут быть применены любые типы двигателей: электродвигатели, двигатели внутреннего сгорания, ветродвигатели, паровые.
Наибольшее распространение получили электродвигатели 3-х фазного переменного тока, синхронные и асинхронные, горизонтального и вертикального исполнения.
Насосы поставляют комплектно с электродвигателем:
- для насосов N до 250 кВт следует применять низковольтные асинхронные электродвигатели, при большей N и необходимости частых пусков – высоковольтные асинхронные двигатели;
- для насосов N ≥ 250 кВт – высоковольтные синхронные электродвигатели.
При подборе электродвигателя необходимо обеспечивать заданную для вала насоса частоту вращения и мощность Nдв ≥ Nвал.
Асинхронные электродвигатели: на мелиоративных НС наиболее часто применяют асинхронные электродвигатели с короткозамкнутым ротором серии А2, АО2, А3, АО3, АН, АВ и др.
Серия А3, АО3: мощность 45-315 кВт, частота вращения n=490-2970об/мин, напряжение U = 220/380 и 6000 В.
Конструкция: горизонтальное расположение вала на подшипниках качения с консистентной смазкой. А3 работают как в режиме самовентиляции, так и с принудительной вентиляцией.
АО3 – охлаждаются путем теплоотдачи с наружной поверхности ребристой станины.
Серия А2: мощность 200-1250кВт, n = 485-1450 об/мин, U=6000 В.
Конструкция: электродвигатель с горизонтальным и вертикальным расположением вала. Охлаждение – самовентиляция и с принудительной вентиляцией.
АН2: мощность 500-2000кВт, U=6000В, n = 367-970об/мин.
Конструкция: горизонтальная расположение вала, охлаждение – самовентиляция.
На мелиоративной НС применяют синхронные электродвигатели серий СД, СДн, СДН3, ВДС и ВСДн.
Серия СДН-2, СДН3-2: N=315-4000кВт, U=6000В, n = 300-1000об/мин.
Конструкция: горизонтальное расположение вала на 2-х подшипниках скольжения с кольцевой смазкой.
СДН-2 – охлаждение – самовентиляция,
СДН3-2 – принудительная вентиляция.
Мощность двигателя определяется по формуле:
Nдв ³ NвК,
где К – коэффициент запаса мощности;
при мощности на валу Nв £ 20кВт – К=1,25
при Nв =21-50 кВт – К=1,2;
при Nв =51-300 кВт – К=1,15;
при Nв более 300 кВт К=1,1.
Тема: Вакуум-системы
Заливка водой насосов, установленных выше уровня воды, может быть выполнена при помощи вакуум-насосов, эжекторов методом автоподсоса, при помощи всасывающих труб с приподнятым коленом или баков-аккумуляторов.
Заливку насосов с помощью роторных вакуум-насосов рекомендуется применять на НС любой мощности.
При частых пусках (несколько раз в сутки) используют вакуум-котлы в системе.
Эжектор используется при геометрической высоте всасывания Нs=2-2,5м.
Автоподсос – всасывающий патрубок работающего насоса подсоединен к всасывающему патрубку неработающего насоса.
Подачу вакуум-насосов рекомендуется определять по формуле:
, м3/мин
где На – напор, соответствующий атмосферному давлению, м;
W – объем всасывающего и напорного (до задвижки) трубопроводов и корпуса насоса, м3;
К – коэффициент запаса, К=1,05-1,1;
Т=7-10 мин, время пуска основного агрегата;
Нs – геометрическая высота всасывания при минимальном уровне воды в нижнем бьефе, м.
Вакуум-насосы
| Показатели | КВН-4 | КВН-8 | ВВН-0,75 | ВВН-1,5 | ВВН-3 | РМК-1 | РМК-2 | РМК-3 | РМК-4 |
| Подача, м3/мин Макс. вакуум, % Частота вращения, об/мин Мощность элдвигателя, кВт Ориентировочный расход воды, л/мин Габариты, мм: Длина Ширина Высота Диаметр патрубка, мм Входного Напорного Масса насоса, кг | 0,4 1,7 | 0,8 2,8 | 0,75 2,2 | 1,5 4,0 | 7,5 | 1,5 4,5 | 4,2 | 11,5 | 27,0 |
На НС, где установлено небольшое число (до 4 агрегатов) насосов, подлежащих заливке, рекомендуется предусматривать индивидуальный для каждого агрегата вакуум-насос без резерва.
При большем числе агрегатов и при использовании вакуум-котлов рекомендуется предусматривать не менее 2х вакуум-насосов (один резервный).
Тема: Система технического водоснабжения
Потребность в технически чистой воде для охлаждения и смазки технологического оборудования.
Виды систем технического водоснабжения:
1) централизованные – когда насосы обеспечивают подачу воды одновременно на все основные агрегаты;
2) групповые – где насосы обеспечивают подачу воды на группы насосов основных агрегатов;
3) блочные, в которых подача воды на каждый основной насосный агрегат обеспечивается отдельным насосом.
Можно использовать перекачивающую воду после соответствующей очистки и отстаивания.
Тема: Система маслоснабжения
Основные потребители масел – это масляные ванны электродвигателей, системы регулирования (при гидроприводе к дисковым затворам), гидроподъемники.
Тема: Механическое оборудование
К механическому оборудованию НС следует относить подвижные конструкции затворов и сороудерживающих решеток, их закладные части, решеткоочистные машины, подъемно-транспортные средства, тележки для транспортировки мусора.
Сороудерживающие решетки устанавливают на входных отверстиях всасывающих труб насосов или водоприемных камер. Очистку производят вручную (не реже 3 раз в сутки). Используют решеткоочистные машины.
Подъемно-транспортное оборудование машинных залов НС выбирают в зависимости от габаритов зданий и массы монтируемых агрегатов
При массе груза до 1 тонны устанавливают неподвижные балки с талями.
При массе груза до 5 т устанавливают краны подвесные ручные.
При массе более 5 т устанавливают краны мостовые ручные, краны с электроприводом, козловые краны, лебедки (автоматическое управление).
Тема: Оборудование хозяйственных и технических нужд станции
Хозяйственно-питьевая система канализации.
Тема: Автоматизация НС и оборудование их контрольно-измерительными приборами
Сооружение и оборудование НС должны быть снабжены контрольно-измерительными приборами, способными зафиксировать и подать сигнал о неисправности при отклонении от нормальной работы как оборудования, так и отдельных сооружений, в случае опасных перегрузок, которые могут вызвать аварию, отключить неисправные агрегаты или всю станцию.
Фиксируются:
- уровни воды в нижнем и верхнем бьефах;
- засорение сороудерживающих решеток;
- масло в ваннах;
- вода системы охлаждения.
Тема: Выбор гидромеханического оборудования для НС закрытых оросительных систем
НС закрытой сети должна обеспечивать подачу воды при любых комбинациях работы дождевальных машин.
Основное насосное оборудование выбирают на максимальный расход Q при минимальном напоре H.
Рекомендуемый метод пуска – на обратный клапан. Задвижки предусматриваются только для ремонта.
Основные агрегаты (кроме 1-го) могут включаться и отключаться по расходу, по давлению и по потребляемой НС электрической мощности, а бустерные насосы и 1-й основной насос – только по давлению.
Число основных насосов обычно применяется 2-4.
Пологая характеристика насоса – если включение и остановка по подаче.
Крутая характеристика насоса – по давлению.
Для восполнения потерь воды в сети при неработающих дождевальных машинах, сглаживания колебаний давления при неустановившихся режимах (включение и выключение дождевальных машин), а также для ослабления гидравлических ударов в непосредственной близости от здания НС устанавливают водовоздушные баки, оборудованные предохранительными клапанами, мерным стеклом, манометрами.
Тема: Здания НС и условия их применения
Существует 4 типа зданий НС:
1) наземный;
2) камерный;
3) блочный;
4) передвижной;
5) при большой высоте подземной части здания, которую применяют при значительных колебаниях уровней воды в источнике используют термины шахтно-блочный и шахтно-камерный тип зданий.
Наземный тип здания применяют при заборе из поверхностных источников с устойчивыми берегами и относительно небольшими колебаниями уровней воды в нижнем бьефе. Колебания уровней воды в источнике DН должны находиться в пределах допустимой высоты всасывания НS основных насосов: DН<НS.
Здания НС наземного типа оборудуют в основном центробежными и осевыми насосами горизонтального исполнения с Q < 2м3/с. Основные агрегаты наземного типа здания размещены на отдельно стоящих фундаментах, а пол здания расположен выше уровня земли пристанционной площадки.
Камерный тип здания применяют при водозаборе из поверхностных источников, колебания уровней воды в которых DН превышают допустимую высоту всасывания НS основных насосов DН>НS.
Насосное помещение здания такого типа расположено ниже уровня земли пристанционной площадки и имеет сплошную фундаментную плиту, где размещены основные насосные агрегаты.
В здании камерного типа основные насосы устанавливают ниже минимального уровня воды в источнике (под заливом).
В здании камерного типа используются горизонтальные центробежные и осевые насосы на любую подачу или вертикальные насосы типа В на подачу Q до 4 м3/с.
Разновидностью камерного типа являются здания, камеры которых заполнены водой и служат для установки вертикальных осевых, диагональных и реже центробежных насосов.
Максимальный уровень воды в источнике не должен затоплять перекрытие, на котором установлены основные электродвигатели.
Здания НС могут быть совмещенными с водоприемными сооружениями, так и стоящими отдельно. Предпочтительнее совмещенная компоновка.
Блочный тип здания применяют при водозаборе из поверхностных источников с любыми колебаниями уровней воды. Такие здания имеют в основном массивную железобетонную плиту, в которой размещены изогнутые всасывающие трубы. Оборудуют осевыми или центробежными насосами вертикального исполнения, а также осевыми насосами горизонтального исполнения с подводом воды по изогнутым всасывающим трубам.
Насосы устанавливают ниже минимального уровня воды в источнике и совмещают с водоприемными сооружениями. Здания НС блочного типа с низконапорными насосами могут быть совмещены и с водовыпускными сооружениями. При больших колебаниях уровней воды в источнике допускается применять русловые или береговые водозаборные сооружения.
Тема: Технические условия на проектирование зданий НС
1. Компоновочные решения.
При компоновке зданий НС необходимо руководствоваться следующими положениями:
- максимальная положительная высота всасывания не должна превышать 5м;
- габариты подземной части должны быть наименьшими и увязаны с габаритами верхнего строения.
Подземные части зданий выполняют из монолитного, сборного и сборно-монолитного железобетона, а верхнее строение – из кирпича или сборных панелей из бетона, железобетона.
В зданиях станций применяют, как правило, однорядную компоновку основных агрегатов, но при наличии на станции более 4-х центробежных насосов горизонтального исполнения допускается и двухрядная с насосами правого и левого вращения.

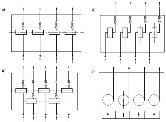
Рис. 10. Схема размещения агрегатов с горизонтальными центробежными насосами (а, б, в) и с вертикальными насосами (г)
а) однорядное размещение агрегатов параллельно продольной оси станции;
б) перпендикулярно продольной оси станции;
в) двухрядное размещение агрегатов в шахматном порядке;
г) однорядное размещение вертикальных насосов.
2. Высотная компоновка зданий НС.
Она зависит от допустимой высоты всасывания основных насосов.
Относительно небольшие (Q≤1,5 м3/с) центробежные и осевые горизонтальные насосы могут быть установлены с положительной, нулевой и отрицательной высотами всасывания. Все остальные устанавливают с отрицательной высотой всасывания, то есть под заливом.
На оросительных НС в настоящее время чаще всего применяют здания наземного типа.
3. Подземная часть зданий.
- объем подземной части должен быть минимально возможным;
- толщина стен и днища подземной части здания в первом приближении следует принимать 0,1Нст, где Нст – максимально возможный напор воды на конструкцию в рассматриваемом сечении;
- подземная часть здания длиной более 18 м должна иметь не менее двух видов;
- выполняется из сборного или монолитного железобетона.
4. Верхнее строение.
Для размещения основных электродвигателей (блочный тип), основных агрегатов (наземный тип), подъемно-транспортного оборудования и других служебных помещений служит верхнее строение станции.
Верхнее строение проектируют прямоугольной формы из сборного железобетона.
Высоту помещения Н (от отметки чистого пола до низа несущих конструкций на опоре) назначают равной 3; 3,6; 4,2; 4,8; 5,4; и 6. В зданиях с мостовыми кранами 8,4; 9,6; 10,8; 12,6; 14,4; 16,2 и 18.
Пролеты зданий Lпр назначают равными 6; 9; 12; 15; 18 и 24м при шаге колонн 6 и 12м.
В бескаркасных зданиях при пролете 6м длина здания может быть кратна 1,5м, в зданиях пролетом 12м – кратна 3м.
Привязка нулевая используется в зданиях без мостовых кранов и в зданиях, оборудованных мостовыми кранами, грузоподъемностью до 30т.
Длина верхнего строения здания НС должна быть кратной 6м при наличии каркаса и кратной 1,5м для бескаркасных зданий, в которых плиты покрытий опираются на продольные несущие стены.
Верхнее строение при оборудовании подвесными кранами грузоподъемностью не более 5т выполняют как бескаркасными, так и каркасными, а при установке мостовых кранов только каркасными.
Бескаркасные здания НС состоят из ленточных фундаментов, несущих стен и покрытий.
Несущие стены высотой до 6м могут быть выполнены из штучного кирпича.
Для покрытий зданий рекомендуется применять сборные железобетонные ребристые плиты размером 3×6 и 3×12м (доборные плиты 1,5×6 и 1,5×12м), устанавливаемые на сборной железобетонной балке покрытий или на несущие стены верхнего строения.
Начиная с 60-х годов подавляющее большинство зданий НС строят каркасного типа.
Каркас верхнего строения в большинстве случаев выполнен в виде рам, колонны (стойки) которых защемлены в отдельно стоящих фундаментах, а балки (ригели) шарнирно опираются на верх колонн.
5. Гидроизоляция – битумная, штукатурная цементная (торкрет), литая асфальтовая гидроизоляция.
6. Монтажная площадка – все виды ремонтов и разгрузку оборудования с транспортных платформ выполняют на монтажной площадке (монтажные люки).
7. Плита перекрытия
толщина не менее 10 см – при массе < 5т
12 – 15 см – при массе < 15т
15-20 см – при массе > 15т
8. Служебные мостики служат для перехода через трубопроводы, обслуживание верхних подшипников вертикальных насосов и приводов, задвижек, расположенных на высоте более 1,4м. Минимальная ширина мостика – 0,8м. Изготавливают из рифленой листовой стали.
9. Проход:
- между рядами агрегатов – 1-1,2м;
- высоту машинного зала, оборудованного подъемно-транспортными механизмами, определяют с запасом: при проносе груза над оборудованием с помощью гибких строп – 0,5-0,7м; жесткое крепление – 0,25-0,35м
- расстояние от стены до фланцевого соединения – 0,3-0,4м.
Во всех случаях расстояние между неподвижными выступающими частями оборудования должно быть не меньше 0,7м.
10. Ворота на монтажную площадку распашные (3×3; 3,6×3,6; 4×3; 4×4,2; 4,8×5,4; 4,7×5,6м).
11. Окна – ширина окна кратна 50см, высота – 60см.
Тема: Определение размеров и компоновка зданий НС
1. Здание НС наземного типа с горизонтальными насосами типа Д, К и ЦНС:
1) превышение уровня чистого пола над уровнем пристанционной площадки – 0,15-0,2м;
2) отметка пристанционной площадки должна находиться над максимальным уровнем воды в источнике:
- на 0,35м при водозаборе из магистрального канала;
- 0,8-1,0м при водозаборе из реки и водохранилища (с учетом наката волны на 0,5м больше);
3) всасывающие и напорные трубопроводы укладываются на ≥0,15-0,25м выше от пола (считается от низа трубы).
Пролет здания В определяется следующим образом:
В = 2b1 + bнас + l м.в + l обр.кл + l задв,
где b1 – минимально допустимое расстояние между стеной здания и насосным агрегатом b1 = 1м (для электродвигателей до 1000В), b1 = 1,2м (для электродвигателей более 1000В);
bнас – ширина насоса;
l м.в – длина монтажной вставки, 0,5-0,6м;
l обр.кл – длина обратного клапана;
l задв – длина задвижки.
Стандартный пролет здания 6,9, 12, 15, 18, 21, 24 с шагом колонн 6 или 12.
Высота наземной части здания определяют по формуле:
Ннч = h1 + hзап + hгаб.дет + hстр + hкр + hм + 0,2,
где h1 – расстояние от чистого пола до верха корпуса насоса (или двигателя), размер берут по чертежу;
hзап – запас на пронос детали над установленным оборудованием, hзап=0,5-0,7м;
hгаб.дет – размер самой габаритной монтажной единицы;
hстр – размер строп для захвата поднимаемой детали: hстр = 0,7-1 м;
hкр – высота крана при стянутой тали, принимают по данным каталога на краны;
hм – высота монорельса, принимают по каталогам на краны.
Полученную высоту здания округляют до ближайшей большей стандартной, значения которых изложены выше.
Длину машинного зала определяют по формуле:
Lзд = l 1 + m l агр + l 2(m-1) + l м.п.,
где l 1 – расстояние между торцом оборудования и стенкой, 1м;
m – количество установленных на станции агрегатов;
l агр – габаритные размеры насосного агрегата в сборке;
l 2 – расстояние между торцами оборудования;
l м.п. – длина монтажной площадки:
l м.п. = l габ.дет + 2,5 ≥ 1,5(l агр + l 2),
где l габ.дет – длина самой большой ремонтируемой детали.
Окончательную длину выбирают с учетом стандартного шага колонн 6 и 12м.
2. Здание НС камерного типа с горизонтальными насосами типа Д, К, ЦНС.
Расчетный пролет подземной части Вп.ч. равен:
Вп.ч. = b1 + l задв.в + l м.в + bнас + l м.в + l обр.кл + l задв + b2,
где b1 – минимально допустимое расстояние между стеной здания и насосным агрегатом b1 = 1м (для электродвигателей до 1000В), b1 = 1,2м (для электродвигателей более 1000В)
l задв.в – длина задвижки на всасывающей и напорной линиях, определяемая по чертежу;
b2 – расстояние между стеной и фланцевым соединением; если у стены предполагается устройство служебного мостика, то b2 ≥ 80см;
bнас – ширина насоса;
l м.в – длина монтажной вставки, 0,5-0,6м;
l обр.кл – длина обратного клапана;
Толщина стены подземной части здания dп.ч. зависит от ее высоты Нств и выбирается в таких пределах:
| Нств, м | dп.ч., см |
| до 4 4-6 6-10 |
Высоту подземной части выбирают по такой формуле:
Нп.ч. = hф + h1 + Dh + hзап – Нs,
где hф – толщина фундаментной плиты в основании hф = 100-120 см;
h1 – расстояние от чистого пола до оси рабочего колеса насоса (снимается по чертежу);
Dh – расстояние между максимальным и минимальным уровнями воды в водоисточнике;
hзап = 0,06-1,2 см – превышение верха фундамента над максимальным уровнем воды в водоисточнике;
Нs – геометрическая высота всасывания насоса.
Высота надземной части здания равна:
Нн.ч. = hогр + hзап + hгаб.д + hкр + hстр + 0,2,
где hогр – высота ограждения монтажной площадки, hогр = 1м;
hзап – запас на пронос детали над установленным оборудованием, hзап=0,5-0,7м;
hгаб.дет – размер самой габаритной монтажной единицы;
hстр – размер строп для захвата поднимаемой детали: hстр = 0,7-1 м;
hкр – высота крана при стянутой тали, принимают по данным каталога на краны;
Длина подземной части здания Lп.ч равна:
Lп.ч = l 1 + m l агр + l 2(m-1) + l м.п. + l зап,
где l зап = 20-50см;
l 1 – расстояние между торцом оборудования и стенкой, 1-1,2м;
m – количество установленных на станции агрегатов;
l агр – габаритные размеры насосного агрегата в сборке;
l 2 – расстояние между торцами оборудования, 1-1,2м;
l м.п. – длина монтажной площадки:
l м.п. = l габ.дет + 2,5 ≥ 1,5(l агр + l 2),
где l габ.дет – длина самой большой ремонтируемой детали.
Полученное значение Lп.ч увязывают с длиной надземной части с учетом стандартного шага колонн.
Если подъемно-транспортное оборудование размещать невозможно, то принимают полузаглубленный тип станции.
Насосный агрегат размещают на фундаментной плите (рис. 11)

Рис. 11. Схема установки насосного агрегата:
где h – высота от оси агрегата до фундаментной плиты
h = h1 + h2 + h3,
где h1 – высота от оси агрегата до низа трубопроводов;
h2 – расстояние от чистого пола до низа трубы, 0,15-0,25;
h3 = 0,15м (0,05 – чистый пол + 0,1) – бетонная подготовка для прокладки кабелей и водостоков.
3. Здание НС камерного типа при установке насосов типа В, О, ОП с вертикальным валом (ось насоса ниже минимального уровня воды).
Расчетный пролет подземной части Вп.ч. равен:
Вп.ч. = 0,8 + l задв.в + l м.в + bнас + l м.в + l задв + 1,2,
где l задв.в – длина задвижки на всасывающей линии, определяемая по чертежу;
bнас – ширина насоса;
l м.в – длина монтажной вставки, 0,5-0,6м.
Высоту подземной части определяют по формуле:
Нп.ч. = hф + h1 + DН + hзап + Нs,
где hф – толщина фундаментной плиты в основании hф = 100-120 см;
h1 – расстояние от чистого пола до оси рабочего колеса насоса (снимается по чертежу);
DН – расстояние между максимальным и минимальным уровнями воды в водоисточнике;
hзап = 0,06-1,2 см – превышение верха фундамента над максимальным уровнем воды в водоисточнике;
Нs – геометрическая высота всасывания насоса.
Высота надземной части здания равна:
Нн.ч. = h2 + hзап + hгаб.д + hкр + hстр + 0,2,
где h2 – высота электродвигателя;
hзап – запас на пронос детали над установленным оборудованием, hзап=0,5-0,7м;
hгаб.дет – размер самой габаритной монтажной единицы;
hстр – размер строп для захвата поднимаемой детали, hстр = 0,7-1 м;
hкр – высота крана при стянутой тали, принимают по данным каталога на краны;
Длина подземной части здания Lп.ч равна:
Lп.ч = l 1 + m l агр + l 2(m-1) + l м.п. + l зап,
где l зап = 20-50см;
l 1 – расстояние между торцом оборудования и стенкой, 1,5-2,5м в зависимости от подачи насоса (2-10 м3/с);
m – количество установленных на станции агрегатов;
l агр – габаритные размеры насосного агрегата в сборке;
l 2 – расстояние между торцами оборудования, 1,5-2,5м;
l м.п. – длина монтажной площадки:
l м.п. = l габ.дет + 2,5 ≥ 1,5(l агр + l 2),
где l габ.дет – длина самой большой ремонтируемой детали.
4. Здание НС блочного типа с насосами типа ОПВ.
В подземном блоке на массивной железобетонной плите размещают основные и вспомогательные насосные агрегаты, а в верхней части – машинный зал и электротехническое оборудование.
В потернах бетонной части здания размещают осушительные трубопроводы, канавки, иногда вспомогательное оборудование.
Расчетный пролет подземной части Вп.ч. равен:
Вп.ч. = b1 + bнас + l м.в + l задв + b2,
где b1 – минимально допустимое расстояние между стеной здания и насосным агрегатом b1 = 1м (для электродвигателей до 1000В), b1 = 1,2м (для электродвигателей более 1000В);
b2 – расстояние между стеной и фланцевым соединением; если у стены предполагается устройство служебного мостика, то b2 ≥ 80см;
bнас – ширина насоса;
l м.в – длина монтажной вставки, 0,5-0,6м;
l задв.в – длина задвижки на напорной линии, определяемая по чертежу;
b2 – расстояние между стеной и фланцевым соединением; если у стены предполагается устройство служебного мостика, то b2 ≥ 80см.
Высоту подземной части определяют по формуле:
Нп.ч. = hбл + h1 + DН + hзап + Нs,
где hбл – толщина массивного железобетонного блока;
h1 – расстояние от чистого пола до оси рабочего колеса насоса (снимается по чертежу);
DН – расстояние между максимальным и минимальным уровнями воды в водоисточнике;
hзап = 0,06-1,2 см – превышение верха фундамента над максимальным уровнем воды в водоисточнике;
Нs – геометрическая высота всасывания насоса.
Высота надземной части здания равна:
Нн.ч. = h2 + hзап + hгаб.д + hкр + hстр + 0,2,
где h2 – высота электродвигателя;
hзап – запас на пронос детали над установленным оборудованием, hзап=0,5-0,7м;
hгаб.дет – размер самой габаритной монтажной единицы;
hстр – размер строп для захвата поднимаемой детали, hстр = 0,7-1 м;
hкр – высота крана при стянутой тали, принимают по данным каталога на краны;
Длина подземной части здания Lп.ч равна:
Lп.ч = l 1 + m l агр + l 2(m-1) + l м.п. + l зап,
где l зап = 20-50см;
l 1 – расстояние между торцом оборудования и стенкой, 1,5-2,5м в зависимости от подачи насоса (2-10 м3/с);
m – количество установленных на станции агрегатов;
l агр – габаритные размеры насосного агрегата в сборке;
l 2 – расстояние между торцами оборудования, 1,5-2,5м;
l м.п. – длина монтажной площадки:
l м.п. = l габ.дет + 2,5 ≥ 1,5(l агр + l 2),
где l габ.дет – длина самой большой ремонтируемой детали.
Длина здания должна быть кратной 6м.
Подземная часть НС выполняется из монолитного железобетона, перекрытие – сборно-монолитное. Верхнее строение выполняется каркасно-панельное из сборных железобетонных элементов.
В наземной части НС размещают распределительное устройство (РУ).
В зданиях НС, оборудованных электродвигателями N≤250 кВт, проектируют одно помещение РУ напряжением 0,4 кВ.
При N>250 кВт – два и более помещения для РУ напряжением 6-10 кВ и 0,4кВ, щитов управления, трансформаторов собственных нужд.
- РУ напряжением 6-10 кВ может состоять из 1, 2, 4 секций. Каждая секция состоит из шкафов ввода, трансформатора собственных нужд, трансформаторов напряжения (ТН);
- РУ напряжением 0,4 кВ состоит из 1 или 2-х шкафов ввода, распределительных шкафов, шкафа секционного автомата, шкафов автоматики и управления основными насосными агрегатами;
- размеры щита управления вспомогательным оборудованием определяется числом агрегатов, имеющих электропривод;
- на трансформаторных подстанциях устанавливают 1 силовой трансформатор и только для потребителей I категории надежности подачи – 2 трансформатора;
- один ввод допускается принимать при наличии 1 силового трансформатора при условии, что сила тока будет меньше 1000А при электродвигателе N≤5 МВт и 3200А при электродвигателе N≥7,5 МВт.
Силу тока I (A) определяется по формуле:
,
где
- суммарная мощность агрегатов, кВт;
U – напряжение, кВ;
- коэффициент мощности, 0,8-0,92 – для асинхронных электродвигателей;
0,93-0,95 – для синхронных.
Тема: Оборудование электрического хозяйства НС
Для подачи, регулирования и остановки приводных электродвигателей насосов, а также для управления электрифицированными вспомогательными механизмами НС имеют электрическое хозяйство, основными элементами которого являются силовые трансформаторы, масляные выключатели.
Трансформатор представляет собой электромагнитный аппарат, в котором переменный ток одного напряжения преобразуется в переменный ток другого напряжения.
Трансформаторы, питающие энергией электродвигатели силовых установок, называются силовыми в отличие от трансформаторов тока и напряжения, применяемых для снижения измеряемых электрических величин до пределов измерения приборов и питания вспомогательных цепей пониженного напряжения. Трансформатор напряжение устанавливают при напряжении U в сети 380В и выше.
Основой силового трансформатора является его магнитная система, называемая сердечником.
Маркировка трансформаторов:
ТМ – трехфазный, масляное охлаждение;
ТД – трехфазный, масляное с дутьем – обдув охладителей вентиляторами;
ТДЦ – трехфазный, принудительная циркуляция масла через охладитель с обдувкой охладителей вентиляторами.
Если на станции установлено несколько трансформаторов, то при выходе из работы одного из них допускается перегрузка оставшихся в работе трансформаторов. Величина допустимой аварийной перегрузки не превышает 20-40% номинальной мощности трансформатора.
Расчетная мощность S, кВ×А, силового трансформатора определяется по формуле:
,
где
- коэффициент спроса, значение которого принимается 0,6-0,95;
- номинальная мощность приводного электродвигателя насоса, кВт;
- КПД соответствующего электродвигателя;
- коэффициент мощности, 0,8-0,92.
Помещение установки насосов дренажно-осушительной системы.
Дренажные насосные установки – эти насосные установки предназначены для откачки с подземной части НС грунтовых вод, которые фильтруются через стены здания, вытекающих через сальники насосов и воды, которая выливается при ремонте оборудования. Для сбора дренажных вод в машинном зале выполняется лоток и дренажный колодец. Объем колодца принимают равным подаче дренажного насоса на протяжении 10-15 мин. Вода к колодцу подводится дренажными лотками, размещенными возле стен. Пол выполняется с уклоном в сторону лотков 0,002-0,005. Дренажная вода подается обратно в водоем.
Подача дренажных насосов определяется по формуле:
,
где
- суммарные истечения через сальники, по 0,05-0,1л/с на 1 сальниковое уплотнение;
- фильтрационные расходы через стенки и пол здания, л/с
= 1,5 + 0,001W,
W – объем части машинного зала, размещенного ниже максимального уровня грунтовых вод.
Диаметры труб, по каким вода от дренажных насосов сбрасывается в водоем, принимают по Vдоп = 1,5-2,5м/с.
В качестве дренажных насосов используют вихревые консольные самовсасывающие насосы ВК или погружной центробежный моноблочный канализационный насос ЦМК 16/27, технические характеристики которых приведены в табл. 1. Дренажных насосов устанавливают не меньше двух (один резервный).
Таблица 1. Технические характеристики насосов ВК и ЦМК
| Марка | Подача, л/с | Напор, м | Мощность, кВт | Масса, кг | Габариты, мм | Нвакдоп, м |
| ВК 2/26 ВК 4/24 ВК 5/24 ВК 10/45 ЦМК 16/27 | 0,75-2,2 1,58-4,3 2,38-5,4 5,0-11,1 4,4 | 60-20 70-20 70-20 85-30 | 5,5 7,5 | 947×320 1005×360 1047×320 1197×430 2000×200 | - |
Напор дренажного насоса определяется по формуле:
Ндр = ÑmaxНБ - Ñmin.др.кол. + hw,
где ÑmaxНБ – максимальная отметка воды в нижнем бьефе;
Ñmin.др.кол. – минимальный уровень воды в дренажном колодце, принимают на 1м ниже пола;
hw – потери напора, 4-5м.
Подачу насосов системы осушения следует определять по суммарному объему воды, подлежащему удалению из проточной части основного насоса, всасывающей трубы, водозаборной камеры:
, л/с
где
- начальный объем воды, подлежащий удалению, л;
Т – время откачки: 2-4ч для насосов с Q<25 м3/с; 4-8ч - при Q =25-100 м3/с;
8-16час при Q>100 м3/с;
q – фильтрационный расход через неплотности затворов, 0,5-1,5 л/с – для резиновых уплотнений;
L – периметр затвора, по которому возможна фильтрация, м;
n - число осушаемых объектов.
Напор осушительного насоса определяется по формуле:
Ндр = ÑmaxНБ - Ñmin.кол. + hw,
где ÑmaxНБ – максимальная отметка воды в нижнем бьефе;
Ñmin.др.кол. – минимальный уровень воды в колодце;
hw – потери напора, 4-5м.
Для объединенной дренажно-осушительной системы подача насосов откачки должна быть не менее:
Q = SQ0 + Qд,
Систему осушения обслуживают не менее 2-х насосов (без резервного), дренаж – 2 насоса (1 резервный), а объединенную дренажно-осушительную систему – не менее 3-х насосов (1 резервный).
Вакуум-насосы
Подачу вакуум-насосов определяют по формуле:
, м3/мин
где На – напор воды, соответствующий атмосферному давлению;
W – объем всасывающего и напорного (до задвижки) трубопровода и корпуса насоса, м3;
К – коэффициент запаса, 1,05-1,1;
Т – время пуска основного агрегата, Т=7-10 мин;
Нs – геометрическая высота всасывания при минимальном уровне воды в нижнем бьефе.
Вакуум-система состоит с 2-х вакуум-насосов и циркуляционного бачка W=30-50 л. Вакуум-насосы сбрасывают воду в бачок и забирают из него для образования водяного кольца.
Тема: Всасывающие и подводящие трубопроводы, внутристанционные напорные коммуникации
Во всасывающих трубах давление может быть ниже атмосферного. Основное требование – воздухонепроницаемость.
При проектировании всасывающих трубопроводов необходимо соблюдать следующие условия:
1) всасывающие трубопроводы выполняют из стальных труб. Соединение вне здания НС осуществляется сваркой, соединения в пределах здания – сварные или на фланцах;
2) уклон должен быть не менее 0,005 к насосу с непрерывным подъемом во избежание образования воздушных мешков;
3) всасывающие трубопроводы устраивают по возможности короткими (до 50м) с минимальным числом стыков. Перед насосом должен быть прямолинейный участок длиной не менее 2Dвх;
4) для выбора диаметров труб руководствуются допустимыми скоростями:
при dвс до 250 мм – Vдоп = 0,6-1 м/с
при dвс =300-800 мм – Vдоп = 0,8-1,5 м/с
при dвс > 800 мм – Vдоп = 1,2-2 м/с
В любом случае диаметр всасывающего трубопровода не должен быть меньше диаметра входного патрубка насоса.
5)

Рис. 12. Схема размещения водовоздушного бака на всасывающем трубопроводе:
1,3 – подводящий и всасывающий трубопроводы;
2 – водовоздушный бак; 4 – насос
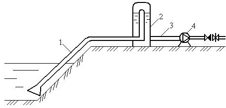
На начало оросительного сезона бак и всасывающий трубопровод заполняют водой. Включенный насос забирает воду из бака, снижает ее уровень и тем самым образует вакуум. Под действием атмосферного давления вода поступает из источника по подводящему трубопроводу в бак. Условием нормальной работы есть правильное соотношение между объемами водовоздушного бака, всасывающего Wвс и подводящего Wп трубопроводов.
Wвс = (2,5-3)Wп
Применяют при Q<0,45-0,5 м3/с, так как необходимы большие объемы водовоздушного бака.
6)

Рис. 13. Схема всасывающего трубопровода с приподнятым коленом:
1, 2 – восходящая и нисходящая нитка;
3 – горизонтальный участок всасывающего трубопровода;
4 – насос; 5 – напорная труба, подающая воду в эжектор; 6 – эжектор
До момента включения насоса нисходящая ветка и его корпус должны быть заполнены водой, которая подается со стороны внешнего источника. Восходящая ветка заполнена воздухом. При включении насоса вода, находящаяся во всасывающем трубопроводе, перекачивается в напорный. Посередине всасывающего трубопровода давление становится меньше атмосферного. В результате разницы давления вода начнет подниматься по восходящей нитке с источника. Затем вода переливается через гребень приподнятого колена и попадает в нисходящую ветку. Вода захватывает воздух, находящийся в верхней части всасывающего трубопровода. Для полного удаления воздуха предусмотрен эжектор.
Трубопровод полностью заполняется водой, то есть насос автоматически начинает работать в нормальном режиме.
После остановки насоса вода остается в нисходящей ветке всасывающего трубопровода на уровне приподнятого колена и каждый следующий пуск происходит без дополнительной заливки. Соотношение объема воды Ww в нисходящей ветке к объему воздуха Wa в восходящей ветке колена:
Ww/ Wa ≥ 2,5 при расходе Q ≤ 500 Hs ≤ 2м
7) число всасывающих трубопроводов должно быть равно числу насосов;
8) когда насос находится под заливом, устанавливаются задвижки на всасывающем трубопроводе для отключения насоса;
9) всасывающие трубопроводы устанавливаются на расстоянии 0,3м от земли.
Требования к герметичности подводящих трубопроводов не такие жесткие, как к всасывающим трубопроводам.
Подводящие трубопроводы могут быть выполнены из стальных и железобетонных труб (монолитных и сборных).
Подводящие трубопроводы в отличие от всасывающих трубопроводов могут быть проложены с понижением к насосу.
Трубопроводная арматура: вначале идет переход к диаметру всасывающего патрубка, затем задвижка и непосредственно у насоса монтажная вставка.






