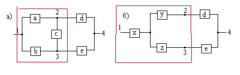
Исходную структуру типа «треугольник» (рис.25,а) необходимо преобразовать в «звезду» (рис.25,б).

Рис.25. Преобразование структуры типа «треугольник» (а) в структуру типа «звезда» (б).
Вероятности работоспособного состояния цепей 1-2,1-3 и 2-3 должны быть равны как для «треугольника», так и для «звезды».
Рассмотрим цепь 1-2. В «треугольнике» относительно точек 1 и 2 элементы b и с соединены последовательно, а элемент а по отношению к ним параллельно.
Вероятность безотказной работы цепи 1-2 в «треугольнике»
(114)
Вероятность безотказной работы цепи 1-2 в «звезде»
(115)
Приравнивая соотношения (114) и (115) получим первое уравнение
(116)
Аналогичным образом составляются уравнения для цепей 2-3 и 1-3.
Система уравнений имеет следующий вид:
(117)
Обратите внимание на способ составления левых и правых частей уравнений.
Решая эту систему уравнений, определяем вероятности Px, Py и Pz для структуры типа «звезда».
На рис.26 показан пример преобразования исходной структуры (рис.26,а) в более простую структуру (рис.26,б).
|
|
|

Рис.26. Преобразование мостиковой схемы в последовательно-параллельную структуру
Определив вероятности Px, Py и Pz, можно найти количественные характеристики надежности эквивалентной структуры показанной на (рис.26,б).
Способразложения сложной структуры по ключевым элементам.
Сложная структура заменяется двумя или более простыми структурами, такими, что сумма вероятностей работоспособных состояний этих структур была равна вероятности работоспособного состояния исходной структуры.
Рассмотрим мостиковую схему (рис.26,а) и покажем, как ее представить в виде двух структур.
Процесс разложения сводится к выполнению следующих действий:
1.В исходной структуре выбирается элемент с наибольшим числом связей с другими элементами. В рассматриваемом примере таким элементом является элемент С. (это ключевой элемент).
2.В месте расположения элемента С делается замыкание, т. е. мы учитываем гипотезу заключающуюся в том, что этот элемент будет замкнут. Получатся первая структура (рис.27,а).

Рис.27. Разложение мостиковой схемы на две составляющие схемы.
3.В месте расположения элемента С в исходной структуре делается обрыв, т. е. мы учитываем гипотезу заключающуюся в том, что этот элемент будет разомкнут. Получается вторая структура (рис.27,б).
4.Вероятность безотказной работы первой структуры умножается на вероятность безотказной работы элемента С (он сработал правильно). Получается значение вероятности Р1.
5.Вероятность безотказной работы второй структуры умножается на вероятность отказа элемента С (он сработал неправильно). Получается вероятность Р2.
6.Суммированием вероятностей Р1 и Р2 определяется вероятность безотказной работы исходной структуры.
|
|
|