6. ВОПРОСЫ ДЛЯ САМОКОНТРОЛЯ
1. С какой целью проводится измерение микротвердости?
2. Чем методика измерения микротвердости алюминия будет отличаться от измерения микротвердости титана?
3. Какой принцип положен в основу измерения микротвердости?
4. Какие существуют методы измерения микротвердости?
5. Что используется чаще всего в качестве индентора при измерении микротвердости?
6. Из каких основных частей состоит прибор для измерения микротвердости ПМТ-3?
7. В какой последовательности производится измерение микротвердости?
8. Что используется в качестве показателя твердости при измерении?
Основная литература
1. Справочник по пайке / под ред. И.Е. Петрунина. – 3-е изд., перераб. и доп. – М.: Машиностроение, 2003. – 480 с.
Дополнительная литература
1. Петрунин, И.Е. Металловедение пайки / И.Е. Петрунин, И.Ю. Маркова, А.С. Екатова. – М.: Металлургия, 1976. – 264 с.
РАЗДЕЛ 3. ОБОРУДОВАНИЕ И ТЕХНОЛОГИЯ ПРОИЗВОДСТВА
ПАЯНЫХ КОНСТРУКЦИЙ
Лабораторная работа № 1
БЕСФЛЮСОВАЯ АБРАЗИВНАЯ ПАЙКА АЛЮМИНИЯ
|
|
|
1. ЦЕЛЬ РАБОТЫ
Изучить особенности бесфлюсовой пайки алюминия легкоплавкими припоями.
2. ОСОБЕННОСТИ АБРАЗИВНОГО ЛУЖЕНИЯ И ПАЙКИ
Для удаления окисных пленок с поверхности металлов и предотвращения их образования в процессе пайки чаще всего применяют флюсы. Пайка с применением флюсов имеет ряд недостатков: невозможность удаления остатков флюса для некоторых конструкций, снижение коррозионной стойкости из-за неполного удаления остатков флюса и др.
В последнее время разработаны и широко применяются различные способы бесфлюсовой пайки: абразивная пайка слабоокисляющимися припоями, пайка самофлюсующими припоями, пайка в вакууме, ультразвуковая пайка, в среде инертных газов, в активных газовых средах.
Абразивная пайка заключается в абразивном лужении паяемых поверхностей легкоплавким слабоокисляющимся припоем и последующей пайке по облуженным поверхностям, нанесенным при лужении припоем без применения флюса. При абразивном лужении окисная пленка механически удаляется с поверхности под слоем жидкого припоя, защищающего очищенную поверхность от окисления, что обеспечивает смачивание и необходимое взаимодействие между наносимым припоем и облуживаемым металлом. В качестве абразива для удаления окисной пленки могут использоваться металлические щетки, измельченный асбест, пемза, ткань и т. п. В широкоинтервальных припоях, нагретых до твердо-жидкого состояния, абразивом могут служить первичные кристаллы (абразивно-кристаллическое лужение). Наиболее широкое применение абразивная пайка получила для алюминия и его сплавов при использовании слабоокисляющихся легкоплавких оловянно-цинковых и цинково-кадмиевых припоев П200А, П250А.
|
|
|
Однако, паяные соединения, выполненные легкоплавкими припоями, имеют низкую прочность и низкую коррозионную стойкость. Для повышения прочности и коррозионной стойкости паяных соединений используют сочетание абразивного лужения легкоплавким припоем с высокотемпературной пайкой силумином. В этом случае удобно применять алюминиевые листы, плакированные силумином (марка АПС). Плакированный слой, служащий собственно припоем, подвергают абразивному лужению. Пайку проводят с нагревом в печи без применения защитной среды и флюсов при температуре плавления плакированного слоя из силумина.
Такая технология обеспечивает получение высокопрочных паяных соединений с хорошей коррозионной стойкостью и применяется, в частности, для изготовления теплообменников, экранов и других ответственных деталей.
3. МАТЕРИАЛЫ И ОБОРУДОВАНИЕ
Материалы
1. Заготовки образцов из сплава АПС 60x15x1 и из сплава АМц 60x15x2.
2. Припой П200А.
3. Наждачная бумага.
4. Ацетон технический.
5. Вата техническая.
Оборудование
6. Муфельная печь МП-2УМ.
7. Приспособление для абразивного лужения.
8. Струбцины для сборки образцов.
9. Потенциометр группы ХА с термопарой.
10. Установка для электроконтактного нагрева.
11. Пинцеты.
12. Ключи гаечные рожковые 12x14 и 14x17.
13. Штангенциркуль.
4. ПРОГРАММА РАБОТЫ
1. Подготовить к пайке заготовки нахлесточных образцов из сплава АПС, снять заусенцы, обезжирить.
2. Определить величину нахлестки из условия равнопрочности паяного соединения и основного металла (b=2δ).
3. Провести абразивное лужение части поверхности образцов, соответствующей величине нахлестки: положить образцы на плиту, нагретую до температуры приблизительно равной 230 °С, и после того, как они прогреются, провести абразивное лужение припоем П200А с помощью бинта (рис. 3.1).
4. Собрать образцы в приспособление, обеспечив требуемую нахлестку и плотный прижим паяемых поверхностей.
5. Установить термопару на один из образцов вблизи места пайки.
6. Загрузить приспособление с образцами в печь, нагретую до температуры 580...590 °С (рис. 3.1), выдержать 5...7 минут после прогрева образцов до заданной температуры и осторожно вынуть. После охлаждения разобрать приспособление.
7. Проверить качество пайки внешним осмотром (наличие непропаев, галтелей и пр.).
8. Провести механические испытания образцов.

Рис. 3.1. Принципиальные схемы установок для абразивного лужения и пайки в электропечи:
1 – муфельная печь МП-2УМ; 2 – облуживаемый образец; 3 – бинт с припоем для лужения;
4 – пластина; 5 – электропечь СНОЛ; 6 – струбцина с образцами; 7 – потенциометр
5. СОДЕРЖАНИЕ ОТЧЕТА
1. Характеристики использованных материалов и припоев.
2. Эскизы образцов, приспособлений и описание использованного оборудования.
3. Описание технологии пайки с указанием температуры и других технологических параметров.
4. Результаты механических испытаний образцов и внешнего осмотра до и после механических испытаний, занесенных в табл. 3.1.
Таблица 3.1
| Материал образца и марка припоя | № образца | Ширина образца, мм | Длина нахлестки, мм | Площадь нахлестки, мм2 | Разрушающая нагрузка Р, Н | τср, МПа | Характер разрушения |
6. ВОПРОСЫ ДЛЯ САМОКОНТРОЛЯ
1. Каковы основные преимущества бесфлюсовых способов пайки?
2. Дать определение способу абразивного лужения.
3. Какова технология абразивной пайки, ее особенности?
4. Как осуществляется бесфлюсовая высокотемпературная пайка алюминиевых сплавов с использованием абразивного лужения? Ее преимущества перед абразивной пайкой низкотемпературными припоями.
Лабораторная работа № 2
БЕСФЛЮСОВАЯ ПАЙКА МЕДИ МЕДНО-ФОСФОРИСТЫМ ПРИПОЕМ
|
|
|
1. ЦЕЛЬ РАБОТЫ
Изучить особенности электроконтактной пайки меди самофлюсующимся припоем.
2. САМОФЛЮСУЮЩИЕ ПРИПОИ
Для удаления окисных пленок с поверхности металлов и предотвращения их образования в процессе пайки чаще всего применяют флюсы. Пайка с применением флюсов имеет ряд недостатков: невозможность удаления остатков флюса для некоторых конструкций, снижение коррозионной стойкости из-за неполного удаления остатков флюса и др.
В последнее время разработаны и широко применяются различные способы бесфлюсовой пайки: абразивная пайка слабоокисляющимися припоями, пайка самофлюсующими припоями, пайка в вакууме, ультразвуковая пайка, в среде инертных газов, в активных газовых средах.
Самофлюсующие припои сами выполняют функции флюсов, в их состав входят элементы-раскислители, вступающие во взаимодействие с окислами на паяемой поверхности, причем образующиеся продукты раскисления легко удаляются. Такими элементами-раскислителями являются литий, фосфор, бор. Два последних, кроме раскисляющего действия снижают температуру плавления многих металлов, образуя с ними легкоплавкие эвтектики. Фосфор вводится в припой на основе меди и серебра: МФ-3, ПСр71, ПСр25Ф, ПСрФ15-5, которые применяются только для бесфлюсовой пайки меди. При пайке латуней требуется флюс. Для пайки сталей фосфорсодержащие припои не пригодны из-за образования хрупких прослоек фосфида железа Fe3P. Бор обычно вводится в самофлюсующие припои одновременно с Li. Li или Li с В вводятся в припои на основе серебра или в припои системы Сu-Ni-Mn: ПСр72, ЛМН, ВПр2, ВПр4. Они применяются для бесфлюсовой пайки нержавеющих и конструкционных сталей. Пайку самофлюсующими припоями на воздухе необходимо проводить с быстрым нагревом (для предотвращения выгорания элементов-раскислителей и для снижения степени окисления паяемого металла). Это осуществляется применением индукционного, электроконтактного нагрева и т. п. При необходимости печного нагрева пайку проводят в среде инертных газов или в невысоком вакууме.
|
|
|
3. МАТЕРИАЛЫ И ОБОРУДОВАНИЕ
Материалы
1. Заготовки образцов из меди M1 60x15x2 мм.
2. Припой МФ-3.
3. Наждачная бумага.
4. Ацетон технический.
5. Вата техническая.
Оборудование
1. Установка для электроконтактного нагрева.
2. Пинцеты.
3. Штангенциркуль.
4. ПРОГРАММА РАБОТЫ
1. Подготовить к пайке заготовки для трех образцов из меди M1, снять заусенцы, обезжирить.
2. Установить величину нахлестки и поставить образцы между графитовыми электродами контактной машины, приложить давление (рис. 3.2).
3. Включить ток между электродами контактной машины, нагреть образцы до температуры 750 °С (красный цвет каления). Ввести пруток припоя рядом с паяемым нахлесточным соединением, выдержать до растекания и заполнения зазора припоем.
4. Выключить ток, не снимая давления до полной кристаллизации припоя. Снять давление и вынуть образец.
5. Проверить качество пайки внешним осмотром (наличие непропаев, галтелей).
6. Провести механические испытания образцов.

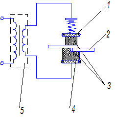
Рис. 3.2. Принципиальная схема установки для пайки с электроконтактным нагревом:
1 – трансформатор; 2,6 – водоохлаждаемые медные электроды; 3 – электроды из графита;
4 – припой прутковый МФ-3; 5 – паяемые образцы
5. СОДЕРЖАНИЕ ОТЧЕТА
1. Характеристики использованных материалов и припоев.
2. Эскизы образцов, приспособлений и описание использованного оборудования.
3. Описание технологии пайки с указанием температуры и других технологических параметров.
4. Результаты механических испытаний образцов и внешнего осмотра до и после механических испытаний, занесенных в табл. 3.2.
Таблица 3.2
| Материал образца и марка припоя | № образца | Ширина образца, мм | Длина нахлестки, мм | Площадь нахлестки, мм2 | Разрушающая нагрузка Р, Н | τср, МПа | Характер разрушения |
6. ВОПРОСЫ ДЛЯ САМОКОНТРОЛЯ
1. Каковы основные преимущества бесфлюсовых способов пайки?
2. Каков механизм удаления окислов при пайке самофлюсующими припоями?
3. Особенности технологии пайки самофлюсующими припоями.
Лабораторная работа № 3
БЕСФЛЮСОВАЯ ПАЙКА В ВАКУУМЕ
1. ЦЕЛЬ РАБОТЫ
Изучить особенности вакуумной пайки меди серебряным припоем.
2. АКТИВАЦИЯ ПОВЕРХНОСТИ ПРИ ВАКУУМНОЙ ПАЙКЕ
Для удаления окисных пленок с поверхности металлов и предотвращения их образования в процессе пайки чаще всего применяют флюсы. Пайка с применением флюсов имеет ряд недостатков: невозможность удаления остатков флюса для некоторых конструкций, снижение коррозионной стойкости из-за неполного удаления остатков флюса и др.
В последнее время разработаны и широко применяются различные способы бесфлюсовой пайки: абразивная пайка слабоокисляющимися припоями, пайка самофлюсующими припоями, пайка в вакууме, ультразвуковая пайка, в среде инертных газов, в активных газовых средах.
Бесфлюсовая пайка в вакууме возможна потому, что при высокотемпературном нагреве в вакууме, ввиду малого парциального давления кислорода, создаются условия для диссоциации окислов некоторых металлов. Аналогичные условия возникают при использовании чистых инертных газов, из которых наибольшее применение получил аргон. В общем виде реакцию диссоциации можно записать так:
, (3.1)
Константа равновесия этой реакции:
, (3.2)
Так как при постоянной температуре
,
величины постоянные, то константа равновесия, выраженная через парциальные давления компонентов реакции, будет определяться формулой:
(3.3)
где а – постоянная
– парциальное давление кислорода.
Значение
, при котором реакция (3.1) находится в равновесии, называется упругостью диссоциации окисла. Для заданной температуры при парциальном давлении кислорода меньше, чем упругость диссоциации рассматриваемого окисла, реакция протекает в направлении слева направо, т. е. в сторону диссоциации. Повышение температуры при постоянном парциальном давлении кислорода приводит к смещению в сторону диссоциации.
В условиях пайки в вакууме легко диссоциируют окислы меди, никеля, железа, а окислы хрома, кремния, титана, алюминия, магния не диссоциируют даже в высоком вакууме. Поэтому возможность и условия, необходимые для осуществления бесфлюсовой пайки в вакууме, зависят от упругости диссоциации окислов, имеющихся на поверхности паяемого металла.
Так, бесфлюсовая пайка меди и никеля высокотемпературными припоями возможна в низком вакууме при остаточном давлении порядка 1·10-1 мм рт. ст., углеродистых и малоуглеродистых сталей – при остаточном давлении 1·10-2...1·10-3 мм рт.ст., а для нержавеющих и жаропрочных сталей – только с применением самофлюсующих припоев или после предварительного никелирования паяемой поверхности.
Пайку в вакууме или в среде нейтральных газов проводят в специальных печах или в контейнерах (заварных и разборных) с использованием обычных электропечей.
3. МАТЕРИАЛЫ И ОБОРУДОВАНИЕ
Материалы
1. Заготовки образцов из меди M1 60x15x2 мм.
2. Припои ПСр72 или ПСр68.
3. Наждачная бумага.
4. Ацетон технический.
5. Вата техническая.
Оборудование
1. Электропечь СНОЛ.
2. Вакуумный насос типа ВН.
3. Вакуумный контейнер.
4. Струбцины для сборки образцов.
5. Потенциометр группы ХА с термопарой.
6. Вакуумметр ВТ-2.
7. Пинцеты.
8. Ключи гаечные рожковые 12x14 и 14x17.
9. Ножницы хозяйственные.
10. Штангенциркуль.
4. ПРОГРАММА РАБОТЫ
1. Подготовить к пайке два нахлесточных образца из меди Ml, снять заусенцы, обезжирить образцы и заготовки припоя, зачистить поверхности, подлежащие пайке. Подготовить припой ПСр72 (или ПСр68), вырезав заготовки фольги требуемого размера, определив величину нахлестки из условия равнопрочности.
2. Собрать образцы с припоем в приспособление, установить рядом с образцами термопару.
3. Установить приспособление с образцами в контейнер, закрыть крышку, включить вакуумный насос и откачать воздух до давления не выше 1·10-1 мм рт. ст. (рис. 3.3).
4. Загрузить контейнер с образцами в печь, нагретую до температуры 840…850 ºС, выдержать после нагрева образцов до указанной температуры в течение 5...7 минут и вынуть контейнер из печи.
5. Охладить контейнер до температуры на образцах 80...100 °С, выключить вакуумный насос, открыть контейнер и вынуть образцы.
6. Проверить качество пайки внешним осмотром, провести механические испытания образцов.
Рис. 3.3. Принципиальная схема установки для пайки в вакууме:
1 – электропечь СНОЛ; 2 – струбцина с образцами; 3 – вакуумный контейнер;
4 – вакуумный насос; 5 – вакуумная термопарная лампа; 6 – вакуумметр; 7 – потенциометр
5. СОДЕРЖАНИЕ ОТЧЕТА
1. Характеристики использованных материалов и припоев.
2. Эскизы образцов, приспособлений и описание использованного оборудования.
3. Описание технологии пайки с указанием температуры и других технологических параметров.
4. Результаты механических испытаний образцов и внешнего осмотра до и после механических испытаний, занесенных в табл. 3.3.
Таблица 3.3
| Материал образца и марка припоя | № образца | Ширина образца, мм | Длина нахлестки, мм | Площадь нахлестки, мм2 | Разрушающая нагрузка Р, Н | τср, МПа | Характер разрушения |
6. ВОПРОСЫ ДЛЯ САМОКОНТРОЛЯ
1. Каковы основные преимущества бесфлюсовых способов пайки?
2. Каков механизм удаления окислов при вакуумной пайке?
3. Чем определяется возможность осуществления вакуумной пайки для данного металла или сплава и степень необходимого вакуума? Привести примеры.
4. Описать использованные для вакуумной пайки оборудование и приборы.
Лабораторная работа № 4
УЛЬТРАЗВУКОВАЯ ПАЙКА АЛЮМИНИЯ
1. ЦЕЛЬ РАБОТЫ
Изучить оборудование и технологию ультразвуковой пайки алюминия низкотемпературным слабоокисляющимся припоем.
2. УЛЬТРАЗВУКОВАЯ ПАЙКА
Необходимым условием получения качественных паяных соединений является обеспечение физического контакта между паяемым металлом и припоем.
При пайке наличие окисных пленок на поверхности припоя и паяемого металла препятствует возникновению такого контакта. Структура, толщина и прочность связи окисных пленок с металлом зависит от свойств металла и от условий образования окислов. В обычных условиях на поверхности металлов образуются окисные пленки толщиной от нескольких десятков до сотен ангстрем. При нагреве под пайку без достаточной защиты происходит интенсивный рост слоя окислов. Для удаления окисных пленок и предотвращения их образования при пайке используют способы: механические, физические, химические и физико-химические. При двух первых способах удаление окисных пленок проводится непосредственным механическим или физическим воздействием под слоем жидкого припоя, который защищает очищенную поверхность паяемого металла от воздействия воздуха, смачивает и вступает с ним в физико-химическое взаимодействие. В этом случае сначала производят облуживание паяемой поверхности легкоплавким припоем, а затем осуществляют собственно пайку по облуженной поверхности путем прижима и нагрева до полного расплавления слоя полуды.
Использование для облуживания слабоокисляющихся припоев позволяет последующую пайку вести на воздухе без флюса. К способам с физическим удалением окисной пленки относится ультразвуковая пайка. Ультразвуковыми называются упругие колебания с частотой более 20 кГц. Получают их с помощью специальных генераторов, которые ток низкой частоты преобразуют в ток ультразвуковой частоты, последний подается на излучатель, являющийся источником упругих продольных ультразвуковых колебаний. В качестве таких источников используют магнитострикционные и электрострикционные (пьезоэлектрические) излучатели, в которых УЗК, возникают в результате способности некоторых веществ под действием магнитного (магнитострикционные) или электрического (электрострикционные) полей изменять свои размеры.
Магнитострикционным эффектом обладают некоторые сплавы на основе никеля и железа (инвар - 36% никеля, 64% железа; монель – 68% никеля, 32% кобальта; пермаллой – 45% никеля; 55% железа; пермендур – 50% никеля, 50% кобальта и др.).
Электрострикционным эффектом обладают кристаллы кварца, сегнетовой соли, титаната бария и др.
Для пайки обычно используют магнитострикционные излучатели, так как они могут работать при сравнительно высоких температурах. Так излучатели из пермендура могут работать при температуре до 400 °С. Удаление окисных пленок с помощью УЗК происходит благодаря явлению кавитации, возникающему в жидком припое. Под действием упругих ультразвуковых колебаний в жидкости возникают продольные волны, вызывающие в определенных точках переменное сжатие и растяжение. Если при растяжении жидкости гидростатическое давление в ней упадет ниже давления насыщенного пара, то в жидкости образуются разрывы или кавитационные пузырьки. Под действием сжимающего давления при изменении фазы колебания и под действием сил поверхностного натяжения разрывы или пузырьки захлопываются, что может сопровождаться явлениями, подобными взрыву. Местные давления в жидкости в этот момент достигают сотен атмосфер, образуются сильные ударные волны, способные разрушать поверхность твердых тел. Интенсивность разрушения возрастает с увеличением плотности жидкости и с уменьшением частоты колебаний. При пайке обычно применяют УЗК с частотой от 16 до 25 кГц. В настоящее время для ультразвуковой пайки применяют:
1) ультразвуковые паяльники, которые создают ультразвуковые колебания в расплаве припоя, нанесенного на основной металл;
2) ультразвуковые ванны, в которых облуживание производится погружением.
Применение ультразвукового лужения ограничено габаритами изделия и сравнительно низкой предельной температурой действия источников УЗК (Тmax=400 °С).
Этот способ нашел применение при пайке алюминия и его сплавов легкоплавкими припоями, для которых до сих пор нет достаточно эффективных способов химического удаления окисной пленки, а также для некоторых неметаллических материалов. Ультразвуковое лужение возможно также для низколегированных сталей и медных сплавов, но практически не используется из-за имеющихся более эффективных способов пайки.
3. МАТЕРИАЛЫ И ОБОРУДОВАНИЕ
Материалы
1. Образцы из сплава АМц.
2. Припой – олово.
3. Наждачная бумага.
4. Ацетон технический.
5. Вата техническая.
Оборудование
1. Ультразвуковой генератор УЗГ-3·0.4.
2. Ванна лужения.
3. Пинцеты.
4. Установка для электроконтактного нагрева.
5. Разрывная машина УММ-5.
4. ПРОГРАММА РАБОТЫ
1. Подготовить три пары заготовок для пайки листовых нахлесточных образцов из алюминиевого сплава АМц, удалить заусенцы на кромках, обезжирить.
2. Подготовить к работе генератор УЗГ-3·0.4 и ванну для лужения (рис. 3.4):
а) установить переключатель В4 в положение ВЛ;
б) ручки настройки напряжения и частоты установить в крайнее левое
положение;

Рис. 3.4. Принципиальная схема установки
для ультразвукового лужения:
1 – облуживаемый образец; 2 – потенциометр; 3 – ванна лужения;
4 – спираль нагревателя; 5 – трансформатор упругих колебаний;
6 – магнитостриктор; 7 – обмотка магнитостриктора;
8 – рубашка охлаждения магнитостриктора
в) оба выключателя на ванне лужения установить в нижнее положение;
г) проверить наличие припоя П200А в ванне для лужения;
д) включить воду охлаждения ванны лужения и убедиться, что вода
протекает через систему водяного охлаждения.
3. Включить в сеть генератор (включается вентилятор охлаждения генераторной лампы).
4. Включить нагреватель ванны, установив выключатель «нагрев» в верхнее положение (загорается сигнальная лампочка «сеть»).
5. После расплавления припоя тумблером B1 генератора включить напряжение накала генераторной лампы Л2 (загорается сигнальная лампочка «накал»).
6. Через 3...5 минут после включения напряжения накала включить колебания генератора, установив выключатель «колебания» в верхнее положение.
7. Отрегулировать частоту по наиболее интенсивной работе ванны.
8. Провести поочередное лужение образцов, погружая конец образца в ванну с припоем на глубину 10 мм и выдерживания в течение 20...30 с. После извлечения образцы слегка встряхнуть для удаления избытка припоя.
9. Выключить ванну и генератор, соблюдая следующую последовательность:
а) установить выключатель «колебания ванны» в нижнее положение и
накал (тумблером В1);
б) через 5 минут после этого отключить генератор от сети;
в) отключить ванну, установив выключатель «нагрев» в нижнее поло-
жение. Вода выключается не ранее чем через 5... 10 минут после отклю-
чения нагревателя.
10. Установить величину нахлестки (она зависит от толщины паяемых образцов и берется равной двум толщинам).
11. Собрать внахлестку облуженные образцы, поочередно помещая их между графитовыми электродами машины для электроконтактного нагрева, приложить давление (рис. 3.5).
12.
Провести пайку, пропуская ток между электродами контактной машины. Ток включать импульсами, длительность и частоту которых регулировать вручную. Процесс пайки контролируется визуально – по расплавлению припоя и формированию галтелей.
13.
Выключить ток и охладить образцы, не снимая давления, до полной кристаллизации припоя.
14. Снять давление, вынуть образцы, визуально проверить качество пайки.
15. Измерить ширину и длину нахлестки штангенциркулем, вычислить площадь паяного соединения.
16. Испытать образцы на разрывной машине, определить Рразр, кг, вычислить сопротивление срезу τср паяного соединения.
5. СОДЕРЖАНИЕ ОТЧЕТА
1. Цель работы.
2. Описание состава и свойства, использованных в работе материалов и припоя для ультразвукового лужения.
3. Схема установки для ультразвукового лужения и принцип ее работы.
4. Описание технологии УЗК – пайки образцов.
5. Результаты механических испытаний образцов и их оценка.
6. ВОПРОСЫ ДЛЯ САМОКОНТРОЛЯ
1. Перечислить применяемые способы удаления окисной пленки с паяемой поверхности.
2. Каковы область применения, преимущества и недостатки ультразвуковой пайки?
3. В чем заключается особенность технологии ультразвуковой пайки?
4. Объяснить принципиальную схему установки для ультразвукового лужения. Основные узлы, их назначение.
Лабораторная работа № 5
ПАЙКА ТВЕРДОСПЛАВНОГО ИНСТРУМЕНТА, ОПРЕДЕЛЕНИЕ
ОСТАТОЧНЫХ НАПРЯЖЕНИЙ В ПАЯНОМ СОЕДИНЕНИИ ТВЕРДОГО СПЛАВА СО СТАЛЬЮ
1. ЦЕЛЬ РАБОТЫ
Изучение особенностей пайки твердосплавного инструмента и определение остаточных напряжений, возникающих в паяном соединении твердого сплава со сталью.
2. ОСОБЕННОСТИ ПАЙКИ ТВЕРДОСПЛАВНОГО ИНСТРУМЕНТА
При изготовлении инструмента, оснащенного твердосплавными пластинами, пайка является основным способом крепления твердого сплава к стальному корпусу, что объясняется простотой конструкции паяного инструмента, простотой технологического процесса и его высокой производительностью.
Особенности пайки твердых сплавов со стальным корпусом обусловлены большими различиями в химическом составе и физико-механических свойствах соединяемых материалов. В табл. 3.4 приведены данные по химическому составу и физико-механическим свойствам некоторых марок твердых сплавов и сталей, применяемых для изготовления корпуса.
Таблица 3.4
Состав, физические и механические свойства сталей и твердых сплавов
| Назначение | Марка | Химический состав, % | Физико-механические свойства сталей | ||||||||||||||
| C | Mn | Si | Cr | V | W | σв, МПа | E·105, МПа | α·10-6, 1/°С | |||||||||
| Стали для изготовления корпусов инструмента | Сталь 45 | 0,42-0,5 | 0,5-0,8 | 0,17-0,37 | 0,25 | 6281 | 15,2 | ||||||||||
| Сталь 60 | 0,57-0,65 | 0,5-0,8 | 0,17-0,37 | 0,25 | 7062 | 14,6 | |||||||||||
| У8 | 0,75-0,84 | 0,17-,033 | 0,17-0,33 | 0,12-0,4 | 6503 | 13,6 | |||||||||||
| 9ХС | 0,85-0,95 | 0,3-0,6 | 1,2-1,6 | 0,95-1,25 | 12,5 | ||||||||||||
| 30ХГСА | 0,28-0,34 | 0,8-1,1 | 0,9-1,2 | 0,8-1,1 | 10494 | ||||||||||||
| Р18 | 0,73-0,83 | 0,2-0,5 | 0,2-0,5 | 3,8-4,4 | 1-1,4 | 17-18,5 | 2600-30005 | 12,7 | |||||||||
| Физико-механические свойства твердых сплавов | |||||||||||||||||
| σи, МПа | HRA | E·105, МПа | α·10-6, 1/°С | ||||||||||||||
| WC | TiC | TaC | Co | ||||||||||||||
| Твердосплавные пластинки | ВК3 | 89,5 | - | ||||||||||||||
| ВК6 | 88,5 | 3,6 | |||||||||||||||
| ВК8 | 3,8 | ||||||||||||||||
| ВК10 | 87,5 | 4,6 | |||||||||||||||
| ВК20 | 5,7 | ||||||||||||||||
| Т15К6 | - | ||||||||||||||||
| Т5К10 | 88,5 | 5,5 | |||||||||||||||
| ТТ10К8Б | 5,0 | ||||||||||||||||
1 – нормализация 850 °С, отпуск 650 °С;
2 – улучшение, 0,6% Cu, 0,6% Mn;
3 – ГОСТ 1435-99, термически обработанная металлоконструкция, сечение ≤5 мм;
4 – закалка 880 °С, масло. Отпуск 560 °С;
5 – данные ЦНИИТМАШ, закалка 1270-1290 °С, масло; отпуск (3-х кратный по 1 ч) 560 °С, воздух.
Остаточные напряжения
Большое различие коэффициентов линейного расширения твердых сплавов и сталей является причиной возникновения в паяных соединениях значительных внутренних напряжений. На рис. 3.6 приведена схема распределения нормальных (σ) и касательных (τ) напряжении в твердосплавной пластинке, напаянной на сталь. Вблизи концов паяного соединения (у режущей кромки) возникают большие касательные напряжения, которые могут привести к образованию трещин в галтельных участках паяного шва или даже к полному разрушению. Нормальные напряжения вызывают изгиб биметаллического тела и могут вызвать разрушение твердосплавной пластинки в процессе заточки и эксплуатации инструмента.

Рис.3.6. Схема распределения напряжений
Нормальные напряжения имеют максимум на границе твердосплавной пластинки с паяным швом. Определив экспериментально радиус кривизны паяного биметаллического образца, можно по формуле (3.4) определить величину максимальных нормальных напряжений в твердосплавной пластинке:
, (3.4)
,
где Е т, Еc – модули упругости твердого сплава и стали;
h т, hc – толщины твердосплавной и стальной пластинок;
r – радиус кривизны поверхности спая.
При выводе формулы (3.4) сделано допущение, что изгиб паяного биметаллического образца характеризует только его упругую деформацию. При более точном определении величины остаточных напряжений доля упругой деформации в изгибе паяного образца определяется путем разделения пластин вытравливанием припоя и определением стрелы прогиба пластины, соответствующей пластической деформации.
На практике проще замерять не радиус кривизны, а стрелу прогиба. Тогда радиус кривизны определяется по формуле (3.5):
, (3.5)
где а – длина образца;
b – стрела прогиба.
Для паяного образца с короткой твердосплавной пластинкой и длинной стальной (рис. 3.7) (при отсутствии длинной твердосплавной пластинки, точнее замеряется стрела прогиба) радиус кривизны определяется по формуле (3.6):
(3.6)

Рис. 3.7. Разрез паяного образца с короткой твердосплавной пластиной
Методы снижения остаточных напряжений
Существует несколько технологических способов снижения остаточных напряжений в паяном твердосплавном инструменте. Один из них основан на использовании объемных изменений стали, сопровождающих мартенситное превращение. Увеличение объема стали при мартенситном превращении компенсирует различие в изменении размеров твердосплавной и стальной части при охлаждении в процессе пайки, обусловленное различными коэффициентами линейного расширения, что позволяет получить соединения с очень малыми остаточными напряжениями. Этого можно достичь закалкой корпуса, совмещенной с охлаждением в процессе пайки или изготовлением корпуса из сталей, закаливающихся на воздухе (35ХГС, Р18, 18ХВА). На практике используется закалка корпуса, так как стали, закаливающиеся на воздухе не отвечают требованиям, предъявляемым к материалу корпуса, или являются слишком дорогими.
Для снижения остаточных напряжений применяют:
а) компенсационные прокладки между корпусом и твердосплавной пластинкой, имеющие коэффициент линейного расширения промежуточный между коэффициентами стали и твердого сплава;
б) релаксационный отпуск после пайки.
Технология пайки твердосплавного инструмента
Для пайки твердосплавного инструмента применяют специальные припои ПрАНМц0,6-4-2 и ПрМНМц68-4-2, имеющие высокую прочность и пластичность и обеспечивающие работоспособность инструмента в условиях высоких нагрузок и температур порядка 400…600 °С (например, при скоростном точении). Для пайки инструмента, работающего в более мягких условиях, применяется латунь Л62 или медь.
Флюсом могут служить обезвоженная бура (Na2B4O7), борный ангидрид (В2О3) или их смеси.
При пайке твердых сплавов группы ТК и ТТК для удаления стойких окислов титана в состав указанных флюсов обязательно добавляются фториды кальция, натрия, калия или лития.
Нагрев под пайку может проводиться следующими способами: газовой горелкой, в очковых пламенных печах, в печах с восстановительной газовой средой, погружением в соляные ванны и в ванны с расплавленным припоем, на установках с электроконтактным нагревом и с нагревом ТВЧ. Наиболее прогрессивными и распространенными являются два последних способа.
3. МАТЕРИАЛЫ И ОБОРУДОВАНИЕ
Материалы
1. Образцы из стали Ст 45 или У8 и стали 30ХГСА, Р18 или 18ХНВА и твердосплавные пластины группы ВК.
2. Наждачная бумага.
3. Ацетон технический.
4. Вата техническая.
5. Припой Л62.
6. Прокаленная бура.
7. Асбест шнуровой.
8. Асбест листовой.
Оборудование
1. Муфельная печь МП-2УМ.
2. Приспособление для установки образцов в печь.
3. Щипцы.
4. Пинцеты.
5. Потенциометр группы ХА или ПП.
6. Щетка металлическая.
7. Штангенциркуль.
8. Термопара ХА.
4. ПРОГРАММА РАБОТЫ
1. Подготовить четыре стальные (две из стали марки Ст45 или У8 и две из стали 36ХГС, Р18 или 18ХНВА) и четыре твердосплавные пластинки группы ВК под пайку: стальные зачистить наждачной шкуркой и обезжирить.
2. Подготовить полосы припоя Л62 – вырезать из фольги по размеру паяемых пластин, обезжирить.
3. Собрать образцы, поместив в зазор вместе с припоем тонкий слой прокаленной буры, зафиксировать, обвязав шнуровым асбестом. Если твердосплавная пластинка короче стальной, она устанавливается строго симметрично относительно концов стальной пластины. Нанести буру на поверхность пластин, особенно вблизи галтельных участков.
4. Уложить образцы в приспособление и загрузить в печь, нагретую до температуры 1000±10 °C. Образцы в печи должны находиться в горизонтальном положении (рис. 3.8).
5. Выдержать образцы в печи в течение 5 минут и осторожно вынуть. Для равномерного охлаждения приспособление с образцами поместить на асбест.
6. Промыть образцы после охлаждения горячей водой, очистить от окалины металлической щеткой и замерить стрелу прогиба.
7. Определить по формулам (3.4), (3.5) или (3.6) максимальную величину нормальных напряжений каждого из 4-х образцов.

Рис. 3.8. Принципиальная схема для пайки образцов в электропечи:
1 – образцы из стали; 2 – приспособление-подставка;
3 – электропечь СНОЛ; 4 – пластины из твердого сплава;
5 – потенциометр
5. СОДЕРЖАНИЕ ОТЧЕТА
1. Цель работы.
2. Описание состава, области применения и свойств, использованных в работе сталей, твердого сплава, припоя и флюса.
3. Эскизы образцов, схема проведения эксперимента, режим пайки.
4. Данные о величине нормальных остаточных напряжений в твердосплавной пластине.
5. Анализ и объяснение полученных результатов.
6. ВОПРОСЫ ДЛЯ САМОКОНТРОЛЯ
1. Каковы особенности пайки твердосплавного инструмента?
2. Перечислить способы снижения остаточных напряжений при пайке твердосплавного инструмента.
3. Какие припои и флюсы применяются для пайки твердосплавного инструмента?
4. Назвать источники нагрева под пайку твердосплавного инструмента.
Лабораторная работа № 6
ГАЗОПЛАМЕННАЯ ПАЙКА С ПРИМЕНЕНИЕМ
ЭЛЕКРОЛИЗНО-ВОДНОГО ГЕНЕРАТОРА
1. ЦЕЛЬ РАБОТЫ
Изучить оборудование и технологию газопламенной пайки с применением водородно-кислородного пламени, получаемого при сжигании продуктов электролиза воды.
2. НАГРЕВ ГАЗОВЫМ ПЛАМЕНЕМ И ОСОБЕННОСТИ
ПРИМЕНЕНИЯ ЭЛЕКТРОЛИЗА ВОДЫ В ГАЗОПЛАМЕННОЙ
ОБРАБОТКЕ
Несмотря на развитие новых способов сварки, резки и пайки, газопламенные методы сохраняют свое значение в производственных процессах вследствие их технологической гибкости. Нагрев газовым пламенем отличается большой универсальностью, позволяет осуществлять местный нагрев в ограниченной зоне изделия, применим при пайке изделий любых форм и размеров, не требует сложного оборудования, допускает механизацию и автоматизацию процесса.
Нагрев осуществляется за счет теплоты, выделяемой при сгорании смесей газообразного или парообразного топлива с воздухом или кислородом. В качестве жидкого топлива применяют бензин, керосин и др., в качестве газообразного – ацетилен, водород, городской газ, пропан, бутан и др.
Газовое углеродно-кислородное пламя состоит из трех зон (рис. 3.9), имеющих неодинаковую температуру и окислительно-восстановительные свойства. Первая зона «А» – ядро пламени с ярко светящейся оболочкой. В этой зоне нормального пламени (при сгорании смеси стехиометрического состава) окислитель расходуется практически полностью, а температура пламени достигает максимального значения вблизи кончика ядра (для водородно-кислородного пламени 2100…2800 °С). Вторая зона «В» – область неполного сгорания горючего, или восстановительная. Нагрев в этой зоне может приводить к раскислению поверхности паяемого металла. Третья зона «С» – зона полного сгорания (или факел пламени), представляющая собой видимый объем светящихся газов. В этой зоне происходит полное сгорание продуктов горения за счет кислорода окружающей среды.
Газовое пламя нагревает поверхность металла вследствие процессов теплообмена - вынужденной конвекции и излучения, интенсивность которых зависит от температуры пламени и часового расхода горючей смеси с оптимальным соотношением топлива и окислителя в газовой смеси.
Высокотемпературная пайка производится обычно газовым пламенем нормального состава с небольшим избытком горючего. Часовой расход горючей смеси на 1 мм толщины паяемой детали для водородно-кислородного пламени, нагрев до 800 ºС - 500 л/ч·мм (для ацетиленокислородного племени - 100 л/ч·мм). Детали нагревают факелом пламени - зоной, находящейся на расстоянии по оси пламени от сопла горелки, равном 2,5…3,5 l, где l - длина зоны «А». Пламя преимущественно направляют на деталь, имеющую наибольшую толщину и теплопроводность (при пайке разнородных или разнотолщинных деталей). Выбор диаметра прутка или ширины полоски припоя производится из расчета, что его диаметр или сечение должны быть равны 1...3 толщинам наиболее тонкого элемента паяемых изделий. Припой вводят в зону пайки только тогда, когда всё соединение или значительная его часть достигла температуры, при которой припой может растекаться. Нельзя расплавлять припой в пламени, а также укладывать его на холодные поверхности изделия. Горелку при пайке лучше держать в левой руке, а припой - в правой.

Рис. 3.9. Зоны газового пламени:
А – ядро; В – зона неполного сгорания; С – зона полного сгорания
Сравнительно новым источником газового пламени, пригодным для различных процессов газопламенной обработки материалов, является водородно-кислородное пламя, получаемое при сжигании продуктов электролиза воды (т.н. гремучего газа):
2H2O→2H2↑+O2↑
Поскольку объем газовой смеси, образующейся при электролизе воды, в 1868 раз превышает объем разлагаемой воды, появляется возможность получать газовое пламя, не имея больших запасов взрывоопасных газов, не пользуясь баллонным хозяйством.
Получают горючую смесь в специальных устройствах – электролизно-водных генераторах, производительностью 10…1500 л/ч гремучего газа. Все типы генераторов выполнены по следующей блок-схеме: источник питания с регулированием величины выпрямленного тока – электролизер – водяной затвор (смеситель) – горелка. Основные отличия газогенераторов состоят в схеме электролизера, конструкции ячеек и электродов, применении вспомогательной аппаратуры.
Используется в данной работе электролизно-водный генератор AC-1, с максимальной производительностью 150 л/ч.
ЗАПРЕЩАЕТСЯ ПОДЖИГАТЬ ГАЗОВУЮ СМЕСЬ, выходящую из горелки, при отсутствии игл указанного диаметра, так как при этом пламя может втянуться внутрь горелки и вызвать тепловой взрыв гремучей смеси внутри установки.
Электролизно-водные генераторы позволяют осуществлять низко- и высокотемпературную пайку малогабаритных изделий, сварку и резку проводов, фольги, пластмасс, стекла, керамики, изготовление термопар, выжигание отверстий в кварце и т.п. Продуктами горения иглообразного пламени являются в основном пары воды.
3. МАТЕРИАЛЫ И ОБОРУДОВАНИЕ
Материалы
1. Пластина из меди М1.
2. Трубка из меди М1.
3. Припой ПМФС-6-0,15.
4. Ацетон.
5. Вата.
6. Наждачная бумага.
7. Вода.
9. Бензин «Калоша».
Оборудование
1. Ножовка по металлу.
2. Ножницы по металлу.
3. Аппарат сварочный АС-1.
4. Подставка из шамота.
5. Пинцет медицинский или щипцы химические.
4. ПРОГРАММА РАБОТЫ
1. Изучить устройство электролизно-водного генератора АС-1.
2. Подготовить к пайке пробные образцы и паяемое изделие (удалить заусенцы, обезжирить ацетоном).
3. Ознакомиться с принципом работы аппарата АС-1.
4. Зажечь пламя от горящей спички, подводя спичку к наконечнику горелки вдоль оси последней.
5. Направить пламя на собранное под пайку изделие, установленное на теплоизолирующей подставке. Нагреть изделие до температуры пайки (при высокотемпературной пайке – до красного каления).
6. Ввести пруток или полоску припоя в зону пайки и произвести заполнение паяемых зазоров. При флюсовой пайке необходимо предварительно ввести флюс в зону пайки или офлюсовать расплавляемый конец заготовки припоя.
7. Отвести горелку от изделия. Выключить аппарат согласно инструкции.
8. Произвести визуальный осмотр и при возможности инструментальный контроль качества пайки.
9. Оформить отчет.
5. СОДЕРЖАНИЕ ОТЧЕТА
1. Цель работы.
2. Краткие сведения и схема устройства электролизно-водного генератора.
3. Основные операции технологии пайки с указанием применяемых материалов и их свойств.
4. Эскиз паяемого изделия.
5. Результаты контроля качества пайки.
6. Выводы (достоинства и недостатки данной технологии, возможная область применения).
6. ВОПРОСЫ ДЛЯ САМОКОНТРОЛЯ
1. Какова сущность и основные параметры газопламенного нагрева?
2. Особенности газопламенной пайки.
3. Опишите устройство и принцип работы электролизно-водного генератора.
4. Что такое обратный удар?
5. Как можно регулировать нагрев?
Лабораторная работа № 7
АКТИВНАЯ ПАЙКА АЛЮМООКСИДНОЙ КЕРАМИКИ С ТИТАНОМ АЛЮМИНИЕВЫМИ ПРИПОЯМИ
1. ЦЕЛЬ РАБОТЫ
Изучить технологические возможности пайки и приобрести навыки по выполнению активной пайки в вакууме соединений металла с керамикой.
2. ОСОБЕННОСТИ ПАЙКИ НЕМЕТАЛЛИЧЕСКИХ МАТЕРИАЛОВ
С МЕТАЛЛАМИ
Одно из достоинств пайки – возможность получать прочные и вакуумноплотные соединения металлов с неметаллическими материалами (керамика, стекло, графит, полупроводники и т.д.).
Вследствие различия состава и физико-химических свойств металлов и неметаллических материалов природа связи в паяных швах, обеспечивающая их соединение, иная, более сложная, чем в соединениях между металлами. Керамика, стекла, кварц, ситаллы, ферриты состоят в основном из оксидов (Al2O3, SiO2, MgO, Li2O и др.) и практически не смачиваются обычными металлическими припоями.
Различия температурных коэффициентов линейного расширения (ТКЛР) металлов и неметаллов в (3…7 раз), в большинстве случаев приводит к образованию остаточных напряжений как после пайки, так и при нагревах в процессе эксплуатации паяных изделий. Напряжения могут быть большими и приводить к разрушению спаев. Поэтому TKЛР металла и неметаллического материала должны бать весьма близкими, например, в так называемых «согласованных» спаях разница в ТКЛР в интервале температур от комнатной до температуры пайки должна быть не более 1,5·10-6 1/°С, что практически трудно обеспечить. Однако механические напряжения могут возникать и в согласованных спаях из-за неравномерности охлаждения паяемых деталей.
При конструировании металлокерамических спаев разрабатывают конструкцию паяного соединения, обеспечивающую релаксацию напряжений (рис. 3.10). Для этого необходимо выполнение следующих условий: максимальная симметрия соединения, наличие тонких переходных элементов от металла к керамике, учет ограничений по габаритам соединений.
Все конструкции металлокерамических спаев независимо от их габаритов и формы можно разделять на охватывающие и торцевые.
Охватывающие спаи могут быть цилиндрические и конусные. Цилиндрические спаи можно разделить на наружные (металл охватывает керамику) и внутренние (керамика охватывает металл).
Охватывающая наружные цилиндрические спаи для согласованных по ТКЛР пар керамика-металл применяют при диаметрах зоны спая до 50...60 мм. При этом наиболее надежные спаи получают путем уменьшения жесткости металлической детали в зоне соединения: ее делают в виде тонкостенной манжеты или гофры с толщиной стенки 0,4…1 мм. Ширина зоны спая должна быть не менее 2…3 мм. В качестве металла обычно применяют ковар (железоникелькобальтовый сплав с αТКЛР = 7,8·10-6 1/°С), медь, титан. Иногда дополнительно применяют бандажи, например, из молибдена, для обжатия металлической детали, с целью предотвращения увеличения паяемого зазора при нагреве из-за разницы ТКЛР металла манжеты и керамики. При неполном согласовании по ТКЛР, например, в сочетаниях керамика BK-94-1 (αТКЛР = 3,5…8·10-6 1/°С) - титан BT1-0 (αТКЛР = 8,6·10-6 1/°С), можно осуществлять пайку напрямую, без переходов тонкостенных элементов – манжет до величины диаметра соединения 25 мм, однако необходимо паять пластичными припоями.
Охватывающие наружные спаи позволяют использовать высокие прочностные свойства керамических деталей на сжатие, так как αТКЛР большинства металлов больше, чем керамики, и такие спаи обладают сравнительно высокой механической прочностью, особенно при прямой пайке, без переходников.
Внутренние соединения керамики с металлами применяют сравнительно редко. При этом толщина манжет в зоне соединения 0,15…0,4 мм, а диаметр соединений 5...40 мм. При пайке электрических вводов диаметр металлических проводников 0,1…2 мм.
Конусные соединения занимают промежуточное положение между охватывающими цилиндрическими и торцовыми. Они проще в сборке под пайку, чем цилиндрические спаи. По характеру напряжений, возникающих в них, они идентичны охватывающим соединениям, поэтому для них приемлемы рекомендации, изложенные выше.
Торцевые спаи являются более простыми в изготовлении, универсальными и надежными, чем цилиндрические и конусные. Торцовые соединения могут быть некомпенсированные и компенсированные, где металл запаян между двумя керамическими деталями (одна из них компенсатор остаточных напряжений). Торцевые компенсированные соединения более надежны, чем некомпенсированные. В компенсированном конструктивном оформлении возможно сочетание с керамикой любого металла, однако обычно используют медь и ковар.
Диаметр соединений 10…150 мм и более. Для этих спаев необходимо утонение металла в зоне соединения до 0,3…1 мм. Ширина зоны спая 1,5...10 мм. Надежные торцовые некомпенсированные спаи алюмооксидной керамики с коваром можно получать для соединений с диаметрами до 100 мм и толщиной манжеты 0,3..0,8 мм. Механическая прочность торцовых соединений определяется в основном прочностью тонкостенной манжеты в зоне соединения. Менее жесткие требования к толщине переходных элементов от массивных металлических деталей узла к керамике в конструкциях торцовых лезвийных соединений. В них взамен специальных арматуры, спаиваемой с керамикой, требуется лишь соответствующая заточка металлического элемента в месте соединения. При этом возможно изготовление соединений произвольной геометрической формы (овальной, прямоугольной и т.п.).
По способу получения соединения керамики с металлами применяют в основном два метода: пайка предварительно металлизированной керамики (осуществляется аналогично пайке металлов) и активная пайка без нанесения металлопокрытий.

Рис. 3.10. Типы соединений керамики с металлами:
а) – торцовое компенсированное; б) – торцовое некомпенсированное; в) – лезвийное; г) – конусное; д) – охватывающее; е) – охватывающее с бандажом; ж) – цилиндрическое внутреннее и наружное (охватывающее); з) – внутреннее
По первому методу на поверхность керамики наносят пасту из порошков тугоплавких металлов, обычно 80% вес. молибдена и 20% вес. марганца, которую затем вжигают в поверхность керамики в атмосфере влажного водорода в течение 7 часов при температурах 1400…1500 °С. При этом происходит частичное окисление входящих в пасту металлов. Алюмооксидная керамика состоит из зерен тугоплавких оксидов алюминия, которые соединены между собой стеклофазой, включающей более легкоплавкие примесные оксиды, поэтому стеклофаза имеет более низкую температуру размягчения, чем основа (в керамике ВК-94-1 с 900 °С). При длительной выдержке происходит химическое взаимодействие оксидов металлизационного слоя с оксидами керамики, а также диффузионная миграция размягченной стеклофазы из керамики в металлизационный слой, которая скрепляет частички тугоплавкого порошка между собой и прочно соединяет весь слой с керамической деталью.
После закрепления первого слоя толщиной 30…85 мкм часто наносят гальваническим или химическим способом слой никеля 2…5 мкм, который улучшает растекание припоев по металлизированной поверхности. Для увеличения прочности сцепления этого слоя, производят термическую обработку в атмосфере сухого водорода при температурах 950-1200 °С. Затем осуществляют пайку в среде сухого водорода припоями на основе меди, золота, серебра, причем наиболее надежные соединения обеспечивает припой – ПСр72.
Пайка по металлизированному покрытию хорошо освоена в промышленности для соединения керамики с деталями, изготовленными из сплавов типа ковара или меди. Однако этот процесс длительный, многоступенчатый и требует тщательного выполнения множества операций.
Пайка по активной технологии (одноступенчатый процесс) основана на том, что при высокой температуре такие металлы, как титан, цирконий и др., образуют с припоями расплавы высокой реакционной способности – активные сплавы, которые растекаются по керамике и металлу, обеспечивая прочные спаи.
Активные металлы (обычно титан) при контакте с керамическими оксидами в условиях безокислительного нагрева и повышенных температур частично их восстанавливают с образованием в пограничной зоне переходных слоев, включающих интерметаллидные и химические соединения восстановленного металла с титаном или другим активным металлом, а также растворы кислорода и восстановленного металла в активном расплаве. Такие слои толщиной от долей до нескольких микрометров имеют промежуточные физико-химические свойства между металлами и неметаллами, смягчают различия между веществами с разным типом межатомной связи и физико-химическими свойствами, а в результате увеличивают смачивание, адгезию расплава припоя к паяемой поверхности. Роль припоя при этом заключается в переносе активного металла к керамике и заполнении зазора между керамической и металлической деталями.
Пайку металлокерамических узлов по этой технологии можно выполнить различными способами: непосредственно с металлическими деталями из титана, припоями, содержащими титан; с предварительным нанесением порошка активного металла или его гидрида на керамику в зоне образования спая.
ТКЛР сплавов на основе титана близок к ТКЛР алюмооксидной керамики типа ВК-94-1, что позволяет при правильном конструировании получать для данного сочетания материалов прочные, вакуумноплотные и термостойкие металлокерамические спаи различной конструкции, в том числе без использования компенсирующих переходников. Пайку осуществляют с нагревом в вакууме или в среде тщательно очищенного аргона, используя проволоку или фольгу из готовых припоев (ПСр72), а также фольгу или гальванические покрытия на титане из меди, никеля или их сплавов. Эти припои, фольги или покрытия, образуют активную жидкую фазу в результате контактно - реактивного плавления или растворения титана в расплаве готовых припоев. Металлокерамические узлы, спаянные при 820 ºС припоем ПСр72, можно нагреть до температуры 700 ºС, не опасаясь разрушения спаев.
В ряде случаев возникает необходимость в осуществлении пайки более легкоплавкими припоями. Чистый алюминий и его сплавы, например, с кремнием, являются более легкоплавким и более дешевыми припоями, имеющими наиболее близкие к серебряным припоям эксплуатационные свойства. Их применение целесообразно для получения вакуумноплотных спаев с нормальными условиями эксплуатации (–20…+50 ºС), без резких теплосмен.
Качественная пайка алюминиевыми припоями требует решения двух основных проблем: обеспечения смачивания при температуре пайки одновременно титана и керамики и предотвращения чрезмерного роста в шве со стороны титана хрупких сплошных прослоек алюминида титана TiAl3. Одним из путей снижения скорости роста алюминида титана является снижение температуры пайки вплоть до минимально допустимой с точки зрения условий смачивания и условий растворения титана в расплаве припоя.
Применение в процессе печной пайки в основном вакуумируемом контейнере вспомогательного контейнера с затвором, уплотняемым измельченной титановой губкой (рис. 3.11), позволяет снизить температуру начала стабильного смачивания титана расплавом алюминия практически до температуры его плавления без существенного увеличения времени выдержки и с откачкой объема пайки механическими форвакуумными насосами. Уплотнение вспомогательного контейнера пористым металлическим геттером – титановой губкой позволяет ограничить объем газовой среды, непосредственно взаимодействующей с паяемыми поверхностями, удалить из вспомогательного контейнера газы, находящиеся под избыточным давлением относительно всего вакуумируемого объема, изменить состав газов, натекающих во вспомогательный контейнер через уплотнение из губки в благоприятном для самоочистки паяемой поверхности титана направлении. При температурах выше 550 ºС происходит растворение кислорода в титане и своеобразная самоочистка поверхности от оксидной пленки. Чем выше температура, тем быстрее происходит самоочистка поверхности титана и стабильнее условия, обеспечивающие смачивание. Однако при температурах пайки выше 690…700 ºС и выдержках более 15 минут происходит резкое возрастание скорости роста интерметаллидной прослойки в контакте титан-алюминий и снижение работоспособности паяных соединений. Улучшить условия смачивания титана припоями на основе алюминия можно дополнительным введением в зону пайки источника паров свинца (3 г/л объема вспомогательного контейнера). Свинец не является активным геттером по отношению к титану и алюминию, не вступает с ними в контактное твердогазовое плавление, однако пары его, адсорбируясь на поверхности титана, инициируют контактное взаимодействие при смачивании титана алюминиевыми припоями.
С началом растекания припоя начинается и процесс растворения титана в припое. Так, чистый алюминий растворяет титан при температуре плавления 660 ºС до 1,2% вес. В результате становится возможным процесс смачивания и пайки неметаллизированной керамики с малыми сборочными зазорами (<0,05 мм) без дополнительного введения активного металла в зону спая. Однако из-за плохого течения расплавов на основе алюминия в узкие зазоры более надежной является технология пайки с предварительным нанесением порошка титана (с укладкой частиц титана в один слой) на паяемую поверхность керамики и с величиной сборочных зазоров 0,1…0,2 мм при укладке припоя около зазора. Подъем температуры при нагреве под пайку должен производиться со скоростью не более 10…20 ºС/мин. Максимальная температура пайки на 20…40 ºС выше температуры ликвидуса припоя, но не выше 680 ºС; выдер






