Рассмотрим брус длины l, нагруженный внешними силами F1, F2,… Для простоты рассмотрим случай, когда силы действуют лишь в плоскости yz (в плоскости листа).
Главный способ анализа напряженного состояния бруса в интересующем нас сечении заключается в том, что тело считается состоящим из двух частей.
|
|
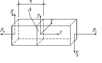
Рис.3.1.
Разделим брус, изображенный на рис. 3.1, сечением A на две части. Напомним, что систему координат связывают с этим сечением и вводят по следующим правилам.
1) Система координат вводится в рассматриваемом сечении, а начало координат располагается в центре тяжести сечения.
2) Ось z направляется вдоль оси бруса, оси x и y располагают в плоскости сечения по правилу правого винта.
3) Положение сечения может определяться каким-либо параметром (например, расстоянием s на рис.3.1).
Для простоты будем использовать термин «правая часть бруса». Согласно рис.3.1, это та часть, которая находится со стороны конца оси z, (другую часть будем называть «левой частью бруса»). На эту правую часть бруса воздействует левая часть бруса через внутреннее сечение А силами F3, F4 и моментом F3 s относительно оси x. Эти воздействия (т.е. силы и момент) называются внутренними силовыми факторами.
Таким образом, воздействие одной части бруса на другую называется внутренним силовым фактором. Это определение можно записать как правила вычисления ВСФ (они имеют следующие специальные названия и обозначения).






