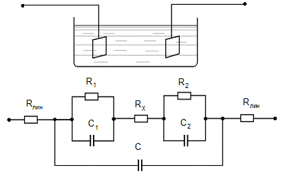
Ячейка для измерения электропроводности состоит из двух инертных (платиновых) электродов, опущенных в раствор электролита. Эквивалентная электрическая схема ячейки приведена на рис. 2.9.

Рис. 2.9. Ячейка для измерения электропроводности растворов и ее эквивалентная электрическая схема
На схеме R1 и R2 – фарадеевские сопротивления, т.е. электрические эквиваленты электродных реакций; С1 и С2 – емкости двойного электри-ческого слоя (ДЭС) электродов; Rх – сопротивление раствора между электродами; С – емкость двух электродов. Для того чтобы измерить Rх, необходимо, чтобы через R1 и R2 ток не протекал, т.е. не начинались электрохимические процессы на электродах. Поэтому при измерениях через ячейку пропускают переменный ток с частотой около 1 кГц. Емкости С1 и С2 не оказывают препятствия протеканию переменного тока, если их величина достаточно велика. С целью увеличения С1 и С2 электроды платинируют, увеличивая во много раз их поверхность. Если электроды расположены на достаточно большом расстоянии (~1 см), то величина ем-кости С мала. В этом случае сопротивление ячейки зависит только от величины сопротивления раствора Rх.
|
|
|
Сопротивление проводника любого вида R пропорционально его длине l и обратно пропорционально площади его сечения s:
R =
,
где r – удельное сопротивление проводника. Электрическая проводимость – величина, обратная сопротивлению:
ω =
.
Измеряется в сименсах (1 См = 1 Ом–1). Величина k, обратная удельному сопротивлению, называется удельной электрической проводимостью и представляет собой электропроводность раствора объемом 1 см3, помещен-ного между параллельными электродами площадью 1 см2 на расстоянии 1 см. Удельная проводимость измеряется в Ом–1×см–1.
Согласно закону Ома
I =

следовательно,
(U / l), (2.4)
где j – плотность тока (А/см2); U / l – градиент потенциала или напряжен-ность поля (В/см). Ионы в растворе находятся в состоянии хаотического теплового движения. Под влиянием электрического поля ионы приобре-тают направленное движение: катионы движутся к катоду, анионы – к аноду. Скорость этого движения пропорциональна градиенту потенциала:
v напр = u · (U / l),
где u – коэффициент пропорциональности, называемый подвижностью иона. Подвижность равна скорости движения иона при единичном гради-енте потенциала.
Плотность тока, переносимого ионами, пропорциональна их заряду z, концентрации с (моль/см3) и скорости направленного движения v напр (F – постоянная Фарадея):
j + = z + · c + · u + · (U / l) · F,
j – = z – · c – · u – · (U / l) · F.
Суммарная плотность тока
j = j + + j – = zi · ci · (U / l) · F ·(u + + u –),
поскольку из условия электронейтральности раствора z + · c + = z – · c –= zi · ci. Подставим полученное выражение в (2.4) и найдем удельную электрическую проводимость:
|
|
|
zi · ci · F ·(u + + u –). (2.5)
Сильные электролиты диссоциированы в растворах полностью, поэтому концентрацию любого иона можно выразить через молярную концентрацию электролита C:
ci =
(2.6)
где ni – число ионов данного знака в формульной единице электролита. Подставим в (2.5):
(2.7)
где z = zi · ni – число эквивалентов на 1 формульную единицу электролита.
Из уравнения следует, что удельная электропроводность сильных электролитов зависит от концентрации и подвижности ионов. При малых концентрациях расстояние между ионами велико, электростатическое взаимодействие незначительно, удельная электрическая проводимость увеличивается с ростом концентрации. При больших концентрациях вследствие электростатического взаимодействия ионов их подвижность снижается и на изотерме удельной проводимости появляется максимум.
Концентрация ионов в растворах слабых электролитов зависит от степени диссоциации α:
Ci =
(2.8)
Подставим (2.8) в (2.7):
(2.9)
На рис. 2.10 приведена зависимость удельной электрической прово-димости от концентрации для некоторых сильных и слабых электролитов.

Рис. 2.10. Зависимость удельной электрической проводимости
от концентрации для некоторых сильных и слабых электролитов:
1 – CH3COOH; 2 – КОН; 3 – HCl
Молярная и эквивалентная электрические проводимости. Отношение удельной электрической проводимости к концентрации электролита, выраженной в молях на 1 см3, называют молярной электри-ческой проводимостью (См – молярность раствора):
μ = 1000 · κ / См [См × см2/моль].
Часто пользуются эквивалентной электрической проводимостью:
λ = 1000 · κ / Сн [См × см2/моль].
Поскольку См и Сн связаны уравнением Сн = См × z, где z – число молей эквивалентов в 1 моле вещества, то:
μ = z · λ.
Зависимость эквивалентной электрической проводимости сильных электролитов от концентрации определяется силами межионного взаимодействия. Для разбавленных растворов эта зависимость имеет вид
λ = λ0 – a
,
где а – постоянная, зависящая от природы растворителя, природы электро-лита и температуры; λ0 – предельная эквивалентная электрическая проводи-мость при Сн → 0.
Закон Кольрауша о независимости движения ионов можно записать
λ0 = λ0(+) + λ0(–),
где λ0(+) и λ0(–) – предельные эквивалентные электрические проводимости ионов. Эти величины при 25 оС приведены в специальных таблицах и для большинства ионов лежат в пределах 35 – 80 См×см2/моль. Электрические проводимости ионов Н+ и ОН– значительно выше и равны соответственно 349,8 и 198,3 См×см2/моль. Бόльшая подвижность этих ионов объясняется эстафетным механизмом переноса заряда. Ион гидроксония Н3О+ способен передавать протон ближайшей молекуле воды по схеме:

В отсутствии внешнего электрического поля перескоки равновероятны в любом направлении. При наложении поля повышается вероятность перескоков в направлении поля. То же относится и к гидроксид-иону:
