Однофазный сварочный трансформатор
В рабочем режиме трансформатор находится близко к короткому замыканию. Чтобы величина тока не возрастала сверх допустимого значения, последовательно к нему включается реактивная катушка РК с раздвижным сердечником, в результате чего характеристика трансформатора становится круто падающей (рисунок, справа).
Трансформатор для дуговой сварки
Изменяя зазор δ, можно плавно менять сварочный ток. Максимальное значение тока будет при δмах. Для безопасного обслуживания вторичная обмотка сварочного трансформатора заземляется.
Автотрансформаторы применяются в высоковольтных линиях электропередач для пуска асинхронных и синхронных двигателей в лабораторной практике и при испытаниях. Автотрансформаторы могут быть повышенными и пониженными, однофазными и трехфазными.
В автотрансформаторе часть витков в обмотке ВН используется в качестве обмотки НН, то есть в автотрансформаторе имеется всего лишь одна обмотка, часть которой (а Х) принадлежит одновременно сторонам ВН и НН.
|
|
|
Схема автотрансформатора

На участке аХ протекает ток i12 = i2 — i1, или переходя к действующим значениям, учитывая, что I1 и I2 находятся в противофазе, можно записать:
I12= I2— I1
Таким образом, величина тока в общей части обмоток равна разности токов I1 и I2. Если коэффициент трансформации близок к единице, то I1 и I2мало отличаются друг от друга, разность между ними будет также небольшой. Это позволит выполнять часть обмотки аХ проводом меньшего поперечного сечения.
Измерительные трансформаторы тока и напряжения применяются совместно с измерительными приборами для расширения их пределов измерения.
Измерительные трансформаторы напряжения
Измерительный трансформатор напряжения представляет собой понижающий трансформатор с таким отношением витков w1/w2, чтобы при U1 = Uсети; U2 = 100 В.
Во вторичную цепь включаются вольтметры, частотомеры, обмотки напряжения ваттметров, счетчиков и фазометров. Так как электрическое сопротивление этих приборов велико (порядка 1000 Ом), то трансформаторы напряжения работают в режиме, близком к холостому ходу. Такой режим связан с большими магнитными потерями, а это, в свою очередь, приводит к увеличению размеров магнитопровода и устройству специального масляного охлаждения.
Измерительные трансформаторы тока и напряжения

Измерительные трансформаторы тока
Измерительные трансформаторы тока применяются для включения в сеть амперметров, обмоток тока ваттметров, счетчиков и фазометров.
Первичная обмотка трансформатора тока выполняется из провода большого поперечного сечения и включается в цепь последовательно.
|
|
|
Вторичная обмотка выполняется всегда на ток I2 = 5А. Рабочий режим трансформатора тока близок к короткому замыканию, поэтому размеры магнитопровода у него значительно меньше, чем у трансформатора напряжения.
Печной трансформатор служит для преобразовании электроэнергии высокого напряжения в энергию низкого напряжения. Трансформаторы, предназначенные для питания дуговых электрических печей, во многом сходны с обычными силовыми трансформаторами. Их конструктивные отличия обусловлены специфическими особенностями работы электрических печей.
ОСОБЕННОСТИ ПЕЧНОГО ТРАНСФОРМАТОРА
Большая величина номинального тока на стороне низкого напряжения, составляющая десятки тысяч ампер
Повышенное индуктивное сопротивление обмоток, необходимое для ограничения токов короткого замыкания до 2,5-3,5-кратной величины по отношению к номинальному току, так как сталеплавильные печи работают с частыми замыканиями электродов на шихту при зажигании дуги и обвале шихты в период расплавления
Повышенная механическая прочность крепления обмоток и отводов, рассчитанных на частые толчки токов и короткие замыкания
Возможность регулирования напряжения под нагрузкой в широких пределах.
Выпрямительные устройства чаще всего получают питание от трансформаторов, параметры которых подобраны под выпрямительное устройство.
Такие трансформаторы работают в крайне сложных условиях. Их вторичные токи содержат обширный спектр высших гармоник. Качественный и количественный состав гармоник тока зависит от схемы выпрямления, в которой работает трансформатор. В выпрямительных системах с нейтральным проводом ток во вторичной обмотке трансформатора приобретает вид однонаправленных прямоугольных импульсов. Это вызывает подмагничивание сердечника магнитным потоком, содержащим постоянную составляющую. С энергетической точки зрения этот эффект носит неблагоприятный характер.
Такие трансформаторы, как правило, имеют большие размеры и весят больше, чем обычные силовые трансформаторы. Причина такого различия состоит в преднамеренном снижении магнитной индукции в сердечнике трансформатора уже на этапе проектирования Ступенчатое регулирование осуществляется переключением звезда – треугольник, что приводит к изменению тока в 3 раза. (больший ток при схеме треугольник – треугольник, чем звезда – звезда.)
В зависимости от схемы выпрямления трёхфазные трансформаторы производятся в различных модификациях. Одна из самых простых конструкций – трансформатор для систем трехпульсных выпрямителей. Первичная обмотка такого трансформатора чаще всего соединена в треугольник, а вторичная - в звезду с выведенным нейтральным зажимом (группа Dyn):
Схема 3-пульсного выпрямителя с нейтральным проводом
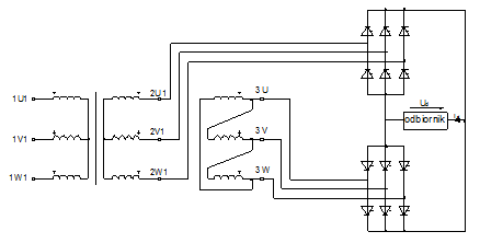
Более широко применяются трансформаторы, изготовленные для шестипульсных выпрямителей. Такая система получает питание от трансформатора или от сетевых дросселей. Трансформатор используется тогда, когда необходимо привести выходное напряжение выпрямителя в соответствие с напряжением нагрузки. Мостовая схема выпрямителя не требует вывода нейтрального провода во вторичной обмотке трансформатора, а его обмотки могут быть выполнены с использованием следующих схем соединений: Yy, Yd,Dy, Dd.
Еще одно возможное конструктивное решение – специальный трансформатор для питания шестифазного выпрямителя. Первичная обмотка такого трансформатора соединена в треугольник, а вторичная создаёт шестифазную схему с выведенным нейтральным зажимом:
Схема 6-пульсного преобразователя с выведенным нейтральным проводом
Многочисленную группу составляют трансформаторы, которые работают в составе систем сложных многопульсных выпрямителей.
|
|
|
Схема 12-пульсного выпрямителя






