Поскольку при прямом методе ЧМ к контуру автогенератора подключается частотный модулятор, то это приводит к снижению стабильности частоты автоколебаний. Для нейтрализации этого явления используют три способа:
– модуляцию осуществляют в кварцевом автогенераторе;
– применяют косвенный метод модуляции, т.е. преобразование ФМ в ЧМ согласно схеме на рис. 21.4, в;
– стабилизируют частоту автогенератора, к которому подключен частотный модулятор, с помощью системы АПЧ.
Два первых способа обеспечивают получение сравнительно малой девиации частоты, и поэтому они применяются в основном при узкополосной ЧМ, когда девиация частоты не превышает нескольких килогерц.
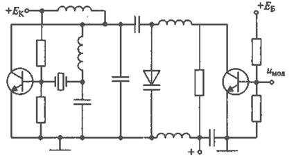
Пример схемы кварцевого автогенератора с частотным модулятором на варикапе приведен на рис. 21.7. В ней Dfдев=2…3 кГц при частоте несущей 10…20 МГц.

Рис. 21.7 схемы кварцевого автогенератора с частотным
модулятором на варикапе
Третий метод позволяет обеспечить малую нестабильность частоты, требуемое, в том числе большое, значение девиации частоты. Структурная схема устройства автоматической подстройки частоты автогенератора с подключенным к нему частотным модулятором приведена на рис. 21.8. В схеме на рис. 21.8 частотный модулятор подключен к стабилизируемому автогенератору (рис. 21.6,а). Следует установить такое быстродействие системы авторегулирования, чтобы она реагировала на относительно медленные изменения частоты автогенератора под действием дестабилизирующих факторов (например, изменения температуры) и не откликалась бы на относительно быстрые изменения частоты под действием модулирующего сигнала.

Рис. 21.8. Структурная схема АПЧ автогенератора с подключенным к нему частотным модулятором
Для реализации данного условия АЧХ замкнутого кольца АПЧ должна иметь вид согласно рис. 21.9, на котором W1-W2 спектр частот модулирующего сигнала.
Рис. 21.9. АЧХ замкнутого кольца АПЧ
Выводы по главе
1. Методы осуществления угловой модуляции можно разделить на прямые и косвенные. Прямой метод при ЧМ означает непосредственное воздействие на колебательную систему автогенератора, определяющую частоту колебаний. Косвенный метод состоит в преобразовании ФМ в ЧМ.
Вопросы для самоконтроля:
1. Каким соотношением связаны частота с фазой сигнала?
2. Как меняется частота и фаза сигнала при частотной модуляции?
3. Как меняется частота и фаза сигнала при фазовой модуляции?
4. Какой спектр имеет сигнал при частотной и фазовой модуляции?
5. Как отличить частотную модуляцию от фазовой?
6. Как осуществляется прямая и косвенная частотная и фазовая модуляция?
Изучив материал главы, ответьте на вопросы. При возникновении трудностей обратитесь к материалам для закрепления знаний в конце пособия. Для углубленного изучения воспользуйтесь литературой: основной: 1 – 4; дополнительной: 5 - 6 и повторите основные определения, приведенные в конце пособия.