ВВЕДЕНИЕ
В данном учебно-методическом пособии рассматриваются схемы гидравлические и пневматические принципиальные. Использование специфики такой конструкторской документации требуется при проектировании и эксплуатации гидравлических и пневматических объектов различного назначения.
Учебно-методическое пособие направлено на формирование у студентов, обучающихся по специальности 151024 Техническая эксплуатация гидравлических машин, гидроприводов и гидропневмоавтоматики, при изучении профессионального модуля ПМ.02 «Проектирование гидравлических и пневматических приводов изделий» таких компетенций, как:
- участвовать в проектировании гидравлических и пневматических приводов по заданным условиям и разрабатывать принципиальные схемы (ПК.01);
- использовать прикладные программы при оформлении конструкторской и технологической (ПК.02);
- понимать сущность и социальную значимость своей будущей профессии, проявлять к ней устойчивый интерес (ОК.1);
- организовывать собственную деятельность, выбирать типовые методы и способы выполнения профессиональных задач, оценивать их эффективность и качество (ОК.2);
- принимать решения в стандартных и нестандартных ситуациях и нести за них ответственность способность к познавательной деятельности (ОК.3);
- осуществлять поиск и использование информации, необходимой для эффективного выполнения профессиональных задач, профессионального и личностного развития (ОК.4);
- использовать информационно-коммуникационные технологии в профессиональной деятельности (ОК.5)
- самостоятельно определять задачи профессионального и личностного развития, заниматься самообразованием, осознанно планировать повышение квалификации (ОК.8).
1. Определения, термины
Схема – графический конструкторский документ, на котором показаны в виде условных изображений или обозначений составные части изделия и связи между ними.
При выполнении схемы используют следующие термины:
Элемент схемы – составная часть схемы, которая выполняет определенную функцию в изделии и не может быть разделена на части, имеющие самостоятельное функциональное назначение (форсунка, дроссель и т.п.).
Устройство – совокупность элементов, представляющих единую конструкцию. Устройство может не иметь в изделии определенного функционального назначения.
Функциональная группа – совокупность элементов, выполняющих в изделии определенную функцию и не объединенных в единую конструкцию.
Функциональная часть – элемент, функциональная группа и устройства, выполняющие определенную функцию.
Функциональная цепь – линия, канал определенного функционального назначения.
Линия взаимосвязи (или связи) – отрезок линии, указывающий на наличие связи между функциональными частями изделия.
Установка – условное наименование объекта в гидравлических и пневматических системах, на которые выпускается схема.
2. Виды и типы схем
Правила выполнения схем, условные графические изображения и обозначения их элементов установлены стандартами седьмой классификационной группы ЕСКД)
Классификация схем изделий всех отраслей промышленности, согласно ГОСТ 2.704-2011 Схемы. Виды и типы. Общие требования к выполнению.
Таблица 1
Классификация схем
| Признак классификации | Схемы | Обозначения |
| Виды схем в зависимости от видов элементов и связей | Вакуумные Гидравлические Деления Кинематические Оптические Пневматические Комбинированные Энергетические Газовые Электрические | В Г Е К Л П С Р Х Э |
| Типы схем в зависимости от основного назначения | Структурные Функциональные Принципиальные Соединений (монтажные) Подключения Общие Расположения Прочие Объединенные |
Наименование схемы определяется ее видом и типом. Примеры кодов:
· схема электрическая принципиальная – Э3,
· схема гидравлическая соединений – Г4,
· схема электрическая соединений и подключений – ЭО.
Структурная схемаопределяет основные функциональные части изделия, их назначения и взаимосвязи. Функциональные части изображают на схеме в виде прямоугольников или иных плоских фигур с вписанными в них обозначениями типов элементов. Ход рабочего процесса поясняют линиями взаимосвязи со стрелками.
Функциональная схемаопределяет определенные процессы, протекающие в отдельных цепях изделия или изделии в целом. Используются для изучения принципа работы изделия, а так же при наладке, регулировке, контроле и ремонте изделия.
Принципиальная схема (полная) определяет полный состав элементов и связей между ними и дает представление о принципах работы изделия. Служит для разработки других конструкторских документов, например, чертежей печатных плат, монтажных схем, а также изучения принципов работы изделия при его наладке и эксплуатации.
Схема соединений (монтажная) показывает порядок соединения составных частей изделия, состав элементов соединений (приводов, жгутов, трубопроводов), места присоединений, ввода и выводы.
Схема подключенияпоказывает правило внешнего подключения изделия. Ею пользуются при разработке других конструкторских документов, а также для осуществления подключений изделий и при их эксплуатации.
Общая схемаопределяет составные части комплекса и соединения их между собой на месте эксплуатации. Ею пользуются при ознакомлении с комплексами, а так же при их контроле и эксплуатации.
Схема расположенияопределяет относительное расположение составных частей изделия, а при необходимости также проводов, жгутов, кабелей, трубопроводов и т.п. Ее используют при разработке других конструкторских документов, а также при изготовлении и эксплуатации изделий.
Правила выполнения схем
Общие требования к выполнению схем
Комплектность схем (номенклатура) на изделие определяется разработчиком в зависимости от особенностей изделия. При этом количество типов схем на изделии определяется минимальным количеством, но в совокупности они должны содержать сведения в объеме, достаточном для проектирования, изготовления и ремонта изделия.
Выбранный формат должен обеспечивать компактное выполнение схемы, не нарушая ее наглядности и удобства пользования ею. Наименование схемы вписывают в графу основной надписи после наименования изделия, для которого выполняется схема, шрифтом меньшего размера, чем наименование изделия.
Каждой схеме присваивают код, состоящий из буквы, определяющей вид схемы, и цифры, обозначающей тип схемы (таблица 1).
ГОСТ 2.704-11 предусматривает следующие основные требования к выполнению схем:
· схема выполняется без соблюдения масштаба и действительного расположения составных частей изделия (установки);
· допускается располагать условные графически обозначения элементов на схеме в том же порядке, в котором они расположены в изделии, при условии, что это не затруднит чтение схемы;
· графические обозначения элементов и соединяющие их линии располагают на схеме таким образом, чтобы обеспечить наилучшее представление о структуре изделия и взаимодействия его составных частей.
Каждая схема сопровождается перечнем элементов, которые помещают на первом листе схемы или выполняют в виде самостоятельного документа. На схеме допускается приводить различные технические данные, характер которых определяется видом и типом схемы.
Линии схем
Линии связи должны состоять из вертикальных и горизонтальных отрезков с минимальным количеством изломов и взаимных пересечений. В отдельных случаях допускается применять наклонные отрезки линий связи, ограничивая, по возможности их длину.
Расстояние между соседними параллельными линиями связи должно быть не менее 3 мм.
Линии связи показывают, как правило, полностью. Можно обрывать линии связи, если они затрудняют чтение чертежа. Обрывы линий связи заканчивают стрелками. Линии связи, проходящие с одного листа на другой, обрывают за пределами изображения схемы. Рядом с местом обрыва линии указывают обозначение или наименование, присвоенное этой линии (например, номер трубопровода), и в круглых скобках (номер листа схемы) или обозначение документа (при выполнении схемы самостоятельными документами), на который переходят линии связи.
Если на схеме таких обозначений нет, то места обрыва условно обозначают буквами, цифрами или буквами и цифрами. Элементы, составляющие устройство, имеющие самостоятельную принципиальную схему, выделяют на принципиальной схеме сплошной линией, равной по толщине линии связи.
Соединения линий связи в местах их пересечения отмечают точкой.
Согласно ГОСТ 2.704-11 толщина линий гидравлической связи должна быть в пределах 0,2-1,0 мм в зависимости от форматов схем и размеров графических обозначений. Рекомендуемая толщина линии от 0,3 до 0,4 мм.
Элементы, составляющие функциональную группу или устройство, можно выделять на схеме штрихпунктирными линиями, указывают при этом наименование. Толщину штрихпунктирной линии принимают равной толщине линии связи.
Схему можно выполнять в пределах условного контура, упрощенно изображающего конструкцию изделия. В этих случаях условные контуры выполняют сплошными тонкими линиями.
Условные графические обозначения элементов
Все элементы на схеме изображаются условными графическими обозначениями, начертание и размеры которых установлены в стандартах ЕСКД
В схемах, насыщенными условными графическими обозначениями, допускается все обозначения пропорционально уменьшать или увеличивать, при этом расстояние (просвет) между двумя соседними линиями условного графического обозначения должно быть не менее 1,0 мм. Условные графические обозначения элементов, используемых как составные части обозначений других элементов, можно изображать уменьшенными по сравнению с остальными элементами.
Графически обозначения выполняют линиями той же толщины, что и линии связи (рекомендуемая толщина линий от 0,3 до 0,4 мм.). Размеры условных графических обозначений, а также толщина их линий должны быть одинаковыми на всех схемах данного изделия (установки). Расстояние между отдельными условными графическими обозначениями должно быть не менее 2,0 мм.
В подразделе 5.3 приведены сведения из стандартов на условные графические обозначения в гидравлических схемах. Изображения элементов вычерчиваются на схемах в положении, установленном соответствующим стандартом, либо повернутые на угол кратный 90°, по отношению к этому положению. В отдельных случаях допускается условные графические обозначения поворачивать на угол, кратный 45°, или изображать вертикально повернутыми.
Условные графические обозначения, содержащие буквенные, цифровые, или буквено-цифровые обозначения, можно поворачивать против часовой стрелки только на угол 90° или 45°.
Позиционные обозначения элементов
Гидравлическому элементу и устройству, изображенному на схеме, должно быть присвоено буквенно-цифровое позиционное обозначение, которое записывается без разделительных знаков и пробелов. Каждое позиционное обозначение состоит из буквенного кода элемента (например, КМ, Н) и порядкового номера элемента, начиная с единицы (арабские цифры) и в пределах группы элементов с одним буквенным кодом, например, Н1, Н2, Н15 и т.д.
Позиционные обозначения выполняются шрифтом №3,5 или №5 (высота букв и цифр в одном обозначении должна быть одинаковой) и наносят на схеме справа от условного графического изображения или над ним. Буквенно-цифровое обозначение записывается в одну строку без пробелов. Для установления единого порядка обозначений в соответствии с требованиями международных стандартов в позиционном обозначении элемента принимаются прописные буквы только латинского алфавита.
В подразделе 5.2. приведены буквенные коды некоторых видов элементов. Порядковые номера присваиваются согласно последовательности расположения элементов на схеме в целом.
Перечень элементов
Каждая схема должна быть снабжена перечнем элементов. Его помещают на первом листе схемы или выполняют в виде самостоятельного документа в форме таблицы, заполненной сверху вниз. Если таблицу помещать на первом листе схемы, то ее располагают, как правило, над основной надписью на расстоянии не менее 12 мм. Продолжение перечня продолжают слева от основной надписи, в этом случае заголовок таблицы повторяют.
В графах перечня (рис.2) указывают следующие данные:
· в графе «Поз. обозначение» - позиционное обозначение элемента. Таблицу заполняют по группам в алфавитном порядке буквенных позиционных обозначений (латинский алфавит). В пределах каждой группы элементы располагают по возрастанию порядковых номеров;
· элементы одного типа с одинаковыми гидравлическими параметрами, имеющие на схеме последовательные порядковые номера, допускается записывать в одну строку. При этом в графу «Поз. обозначение» вписывают только обозначение с наименьшим и наибольшим порядковыми номерами, например Н2-Н5, а в графе «Кол.» - общее количество этих элементов;
· в графе «Наименование» - наименование элемента схемы;
· при записи элементов, имеющих одинаковые буквенные коды, для упрощения заполнения перечня элементов допускается не повторять наименование элементов, а записывать эти наименования в виде заголовка;
· в графе «Кол.» - количество одинаковых элементов;
· в графе «Примечание» - при необходимости технические данные элемента, не содержащиеся в его наименовании.
Рекомендации по выполнению и составлению схем
Принципиальные схемы
1. На принципиальной схеме изображают все гидравлические и пневматические элементы или устройства, необходимые для осуществления и контроля в изделии заданных гидравлических (пневматических) процессов, и все гидравлические (пневматические) связи между ними.
2. Элементы и устройства на схеме изображают в виде условных графических обозначений.
3. Все элементы и устройства изображают на схемах, как правило, в исходном положении: пружины — в состоянии предварительного сжатия, электромагниты — обесточенными и т. п.
В технически обоснованных случаях допускается отдельные элементы схемы или всю схему вычерчивать в выбранном рабочем положении с указанием на поле схемы положения, для которого изображены эти элементы или вся схема.
4. Условные графические обозначения баков под атмосферным давлением и места удаления воздуха из гидросети изображают на схеме только в положении, в котором они приведены в соответствующих стандартах.
5. Каждый элемент или устройство, входящее в изделие и изображенные на схеме, должны иметь буквенно-цифровое позиционное обозначение, состоящее из буквенного обозначения и порядкового номера, проставленного после буквенного обозначения.
6. Буквенное обозначение должно представлять собой сокращенное наименование элемента, составленное из его начальных или характерных букв; например: клапан — К, дроссель — ДР.
При отсутствии обозначений в перечне или в отраслевых документах на поле схемы должны быть приведены соответствующие пояснения.
7. Порядковые номера элементам (устройствам) следует присваивать, начиная с единиц, в пределах группы элементов (устройств), которым на схеме присвоено одинаковое буквенное позиционное обозначение, например, P1, P2, Р3 и т. д., K1, K2, К3 и т. д.
8. Буквы и цифры в позиционных обозначениях на схеме следует выполнять одним размером шрифта.
9. Порядковые номера должны быть присвоены в соответствии с последовательностью расположения элементов или устройств на схеме сверху вниз в направлении слева направо.
При необходимости допускается изменять последовательность присвоения порядковых номеров в зависимости от размещения элементов в изделии или от направления потока рабочей среды.
При внесении изменений в схему последовательность присвоения порядковых номеров может быть нарушена.
10. Позиционные обозначения элементам (устройствам) следует присваивать в пределах изделия (установки).
11. Допускается позиционные обозначения элементам присваивать в пределах каждого устройства.
Если в состав изделия входит несколько одинаковых устройств, то позиционные обозначения элементам следует присваивать в пределах этих устройств (рис. 1).

Рис. 1. Позиционные обозначения элементов схемы
Элементам, не входящим в устройства, позиционные обозначения присваивают после элементов, входящих в устройства.
12. Позиционные обозначения проставляют на схеме рядом с условными графическими обозначениями элементов или над ними.
13. На принципиальной схеме должны быть однозначно определены все элементы, входящие в состав изделия и изображенные на схеме.
Данные об элементах должны быть записаны в перечень элементов. При этом связь перечня с условными графическими обозначениями элементов должна осуществляться через позиционные обозначения.
Допускается в отдельных случаях, установленных в государственных или отраслевых стандартах, все сведения об элементах помещать рядом с условными графическими обозначениями.
14. Перечень элементов помещают на первом листе схемы или выполняют в виде самостоятельного документа.
15. Перечень элементов оформляют в виде таблицы (рис. 2). Если перечень элементов помещают на первом листе схемы, то его располагают, как правило, над основной надписью.
Расстояние между перечнем элементов и основной надписью должно быть не менее 12 мм.
Продолжение перечня элементов помещают слева от основной надписи, повторяя головку таблицы.
В графах перечня указывают следующие данные:
- в графе «Поз. обозначение» - позиционное обозначение элемента, устройства или обозначение функциональной группы;
- в графе «Наименование» — наименование элемента (устройства) в соответствии с документом, на основании которого этот элемент (устройство) применен, и обозначение этого документа (основной конструкторский документ, государственный стандарт, отраслевой стандарт, технические условия, каталог и т. д.).
При необходимости указания технических данных элемента, не содержащихся в его наименовании, эти данные рекомендуется указывать в графе «Примечание».

Рис.2. Спецификация (перечень элементов)
16. Элементы в перечень записывают группами в алфавитном порядке буквенных позиционных обозначений. В пределах каждой группы, имеющей одинаковые буквенные позиционные обозначения, элементы располагают по возрастанию порядковых номеров.
Для облегчения внесения изменений допускается оставлять несколько незаполненных строк между отдельными группами элементов, а при большом количестве элементов внутри групп — и между элементами.
17. Элементы одного типа с одинаковыми гидравлическими (пневматическими) параметрами, имеющие на схеме последовательные порядковые номера, допускается записывать в перечень в одну строку. В этом случае в графу «Поз. обозначение» вписывают только позиционные обозначения с наименьшим и наибольшим порядковыми номерами, например: К7; К8; Р7; P12, а в графу «Кол.» — общее количество таких элементов.
18. При записи элементов, имеющих одинаковую первую часть позиционных обозначений, допускается:
- записывать наименование элементов в графе «Наименование» в виде общего наименования (заголовка) один раз на каждом листе перечня элементов;
- записывать в общем наименовании (заголовке) обозначения документов, на основании которых эти элементы применены (рис. 3).
| Поз. обозначение | Наименование | Кол | Примечание |
| A1, A2 | Устройство предохранительное | ||
| АБВГ. ХХХХХХ. 004 | 2 | ||
| ДР1 | 1 | См. п. 5 | |
| К01 | Гидроклапан обратный | ; Р = 20 МПа | |
| Гидроклапаны предохранительные | |||
| КП1 | Клапан 10-100-1к-11 | 1 | |
| КП2...КП4 | Клапан 10-320-1к-11 | 3 | |
| НП1 | Насос пластинчатый | 1 | ; Р = 12,5 МПа |
Рис.3. Запись элементов, входящих в гидравлическую схему
19. Если позиционные обозначения элементам присвоены в пределах устройств или в изделие входят одинаковые функциональные группы, то в перечень элементы, относящиеся к устройствам и функциональным группам, записывают отдельно.
Запись элементов, входящих в каждое устройство (функциональную группу), начинают с соответствующего заголовка. Заголовок записывают в графе «Наименование» и подчеркивают.
Если в изделии имеются элементы, не входящие в устройства (функциональные группы), то при заполнении перечня сначала записывают эти элементы без заголовка. Общее количество одинаковых устройств (функциональных групп) указывают в графе «Кол.» на одной строке с заголовком (рис. 3).
20. Если в изделии имеются элементы, не являющиеся самостоятельными конструкциями, то при записи их в перечень графу «Наименование» не заполняют, а в графе «Примечание» помещают поясняющую надпись или ссылку на поясняющую надпись на поле схемы (рис. 3).
| Структурные схемы 1. На структурной схеме изображают все основные функциональные части изделия (элементы, устройства и функциональные группы) и основные взаимосвязи между ними. 2. Функциональные части на схеме изображают сплошными основными линиями в виде прямоугольников или условных графических обозначений. 3. Графическое построение схемы должно давать наиболее наглядное представление о последовательности взаимодействия функциональных частей в изделии. На линиях взаимосвязей рекомендуется указывать направление потоков рабочей среды. 4. На схеме должны быть указаны наименования каждой функциональной части изделия, если для ее обозначения применен прямоугольник. При изображении функциональных частей в виде прямоугольников наименования, типы, обозначения и функциональные зависимости рекомендуется вписывать внутрь прямоугольников. 5. При большом количестве функциональных частей допускается взамен наименований, типов и обозначений проставлять порядковые номера справа от изображения или над ним, как правило, сверху вниз в направлении слева направо. В этом случае наименования, типы и обозначения указывают в таблице, помещаемой на поле схемы. Схемы соединений 1. На схеме соединений изображают все гидравлические и пневматические элементы и устройства, входящие в состав изделия, а также трубопроводы и элементы соединений трубопроводов. 2. Элементы, устройства и соединения трубопроводов изображают в виде упрощенных внешних очертаний. Элементы и устройства допускается изображать в виде прямоугольников. Соединения трубопроводов допускается изображать в виде условных графических обозначений. Трубопроводы изображают сплошными основными линиями. 3. Расположение графических обозначений элементов и устройств на схеме должно примерно соответствовать действительному размещению элементов и устройств в изделии. Допускается на схеме не отражать расположение элементов и устройств в изделии, если схему выполняют на нескольких листах или размещение элементов и устройств на месте эксплуатации неизвестно. 4. На схеме около графических обозначений элементов и устройств указывают позиционные обозначения, присвоенные им на принципиальной схеме. Рядом или внутри графического обозначения устройства и около графического обозначения элемента допускается указывать его наименование и тип и (или) обозначение документа, на основании которого устройство применено, номинальные значения основных параметров (давление, подача, расход и т. п.). 5. На схеме около условных графических обозначений элементов, требующих пояснения в условиях эксплуатации, помещают соответствующие надписи, знаки или графические обозначения. Надписи, знаки или графические обозначения, предназначенные для нанесения на изделие, на схеме заключают в кавычки. Если на изделие должна быть нанесена надпись в кавычках, то на поле схемы приводят соответствующее указание. Рекомендации по составлению принципиальных схем В ходе разработки гидравлической схемы решают такие принципиальные вопросы, как число потоков гидросистемы, (одно- двух- или многопоточная), характер циркуляции рабочей жидкости (замкнутая или разомкнутая), регулирование скорости привода(нерегулируемый, дроссельный или машинный), способ управления (ручной, дистанционный или автоматический), вопросы размещения и компоновки элементов гидропривода. При выборе гидравлической схемы с питанием гидроцилиндров и гидромоторов от общего насоса следует иметь ввиду, что давление перед гидроцилиндрами должно мало отличаться от давления перед гидромотором. Если применение высокого давления в системе питания гидроцилиндров при малом давлении перед гидромоторами, почему-либо неизбежно, то следует перейти к двухпоточной схеме и для питания каждой группы гидродвигателей предусмотреть свой автономный насос. В противном случае для снижения давления в магистрали гидромотора придется использовать редукционный клапан, что увеличит гидравлические потери и снизит к.п.д. гидропривода. Дроссельное регулирование менее экономично, чем объемное и может применяться в гидроприводах малой мощности и в случаях кратковременного регулирования, т.е. в гидроприводах, для которых вопросы экономичности не имеют решающего значения. В гидросистемах мобильных строительных и дорожных машин применяется в основном управление от оператора ручное и дистанционное. Автоматическое управление гидроприводом применяют в случае необходимости точного выполнения, например, планировочных работ на автогрейдерах, каналокопателях, бульдозерах. Составление принципиальной гидравлической схемы целесообразно начинать с составления схемы “от двигателей”, т.е. нанести на схему места расположения выбранных исполнительных гидродвигателей, затем на их рабочих гидролиниях – регулирующие и исполнительные аппараты в соответствии с режимом работы и друг требованиями к работе каждого двигателя. После этого объединить линии нагнетателя, слива и дренажа отдельных участков схемы; при необходимости определить места установки редукционных клапанов, дросселей с обратным клапаном (для пропускания потока в одном направлении и ограничения потока в обратном) и других гидроаппаратов. Последним этапом является разработка гидросхемы насосной установки, размещение фильтров и других вспомогательных элементов. Составленную гидравлическую схему необходимо анализировать на безаварийность работы, т.е. оценить поведение рабочих органов при возможных нарушениях в работе гидроаппаратов. При необходимости в схему вводят дополнительные блокирующие устройства, гидрозамки, исключающие возможность возникновения аварийных ситуаций. Графическое оформление принципиальной схемы - Общие сведения о задании Выполнить схему гидравлическую (пневматическую), руководствуясь правилами оформления принципиальных схем, изложенными в настоящем учебном пособии. Пример выполнения представлен на рис.1. Исходным материалом служат варианты заданий. Позиции, данные в задание, заменить буквенно-цифровым позиционным обозначением. Составить перечень элементов. Исследовать соединения и способы управления движением исполнительного механизма Схема выполняется на листе формата А4 с основной надписью. Пример выполнения схемы гидравлической - Буквенные позиционные обозначения основных элементов Устройство (общее обозначение) А Гидроаккумулятор (пневмоаккумулятор) АК Аппарат теплообменный AT Гидробак Б Влагоотделитель ВД Вентиль ВН Гидровытеснитель ВТ Пневмоглушитель Г Гидродвигатель (пневмодвигатель) поворотный. Д Делитель потока. ДП Гидродроссель (пневмодроссель) ДР Гидрозамок (пневмозамок) ЗМ Гидроклапан (пневмоклапан) К Гидроклапан (пневмоклапан) выдержки времени КВ Гидроклапан (пневмоклапан) давления КД Гидроклапан (пневмоклапан) обратный КО Гидроклапан (пневмоклапан) предохранительный КП Гидроклапан (пневмоклапан) редукционный КР Компрессор КМ Гидромотор (пневмомотор) М Манометр МН Гидродинамическая передача МП Маслораспылитель МР Масленка МС Гидродинамическая муфта МФ Насос Н Насос аксиально-поршневой НА Насос-мотор НМ Насос пластинчатый НП Насос радиально-поршневой.HP ПневмогидропреобразовательПГ Гидропреобразователь ПР Гидрораспределитель (пневмораспределитель) Р Реле давления РД Гидроаппарат (пневмоаппарат) золотниковыйРЗ Гидроаппарат (пневмоаппарат) клапанный РК Регулятор потока РП Ресивер PC Сепаратор С Сумматор потока СП Термометр Т Гидродинамический трансформатор ТР Устройство воздухоспускное УВ Гидроусилитель. УС Фильтр Ф Гидроцилиндр (пневмоцилиндр) Ц Условные графические обозначения в схемах Для изображения на схемах различных элементов и устройств применяют условные и графические обозначения. Все размеры условных графических обозначений, указанные в стандартах допускается пропорционально изменять. Кроме того можно применять другие графические обозначения. Графические обозначения выполняют линиями той же толщины, что и линии связи. Для упрощения рисунка схемы (сокращения изломов и пересечений линий связи) условные графические обозначения допускается изображать повернутыми на угол кратный 90 или 45 градусам, а также зеркально повернутыми. Элементы и устройства гидравлических, пневматических и тепловых схем показывают в исходном положений (обратный затвор закрытым, пружины в состоянии сжатия). На схемах допускается помещатьразличные технические данные,характер которых определяются назначением схемы. Рядом с графическими обозначениями элементов указывают их буквенно-цифровые позиционные обозначения, а на свободном поле таблицы, диаграммы, текстовые указания. Буквенно-позиционное цифровое обозначение состоит из буквенного обозначения (БО) и порядкового номера, проставленного после БО. Для обозначений используют заглавные буквы алфавита, являющиеся начальными или характерными для наименования элемента. Буквы и цифры в позиционных обозначениях на схеме выполняются шрифтом одного размера. Порядковые номера должны быть присвоены в соответствии с последовательностью расположения элементов или устройств на схеме сверху вниз в направлении слева направо. Технические данные об элементах схем должны быть записаны в перечень элементов. При этом связь перечня с условными графическими обозначениями элементов следует осуществлять через позиционные обозначения. Для простых схем допускается все сведения об элементах помещать около условных графических обозначении на полках линий-выносок. Перечень элементов оформляют в виде таблицы и размещают на первом листе схемы над основной надписью, расстояние между ними должно быть не менее 12 мм. Также перечень можно выполнить в виде самостоятельного документа на формате А4. На схеме допускается указывать параметры потоков в линиях связи: давление, расход, температуру и др., а также параметры, подлежащие измерению на контрольных отводах. Обозначения в гидравлических и пневматических схемах. Для гидравлических схем дополнительно к вышеуказанным условиям и обозначениям применяются следующие символы и знаки:
Насосы и компрессоры. Условные обозначения на гидравлических схемах.
Управление давлением. Элементы управления давлением. Условные обозначения. Обозначение различных видов клапанов, управляющих давлением в гидравлике, на гидравлических схемах. Обозначение гидравлических двигателей.
Клапаны. Обозначение клапанов на гидравлических схемах.
Кроме того, в гидравлических и пневматических схемах применяются следующие символы (табл.2): Таблица 2.
1 — общее обозначение нерегулируемого насоса без указания вида и типа; 2 — общее обозначение регулируемого насоса без указания вида и типа; 3 — насос лопастной (роторно-пластннчатый) двойного действия нерегулируемый типов Г12-2, 714-2; 4 — насосы лопастные (роторно-пластинчатые) сдвоенные с различной производительностью; 5 — насос шестеренный нерегулируемый типа Г11-1; 6 — насос радиально-поршневой нерегулируемый; 7 — насос радиально-поршневой регулируемый типов: 11Р, НПМ, НПЧМ, НПД и НПС; 8 — насос и гидродвигатель аксиально-поршневые (с наклонной шайбой) нерегулируемые; 9 — насос и гидродвигатель аксидно-поршневые (с наклонной шайбой) регулируемые типов: 11Д и 11P; 10 — общее обозначение нерегулируемого гидродвигателя без указания типа; 11 — общее обозначение регулируемого гидродвигателя без указания типа; 12 — гидроцилиндр плунжерный; 13 — гидроцилиндр телескопический; 14 — гидроцилиндр одностороннего действия; 15 — гидроцилиндр двустороннего действия; 16 — гидроцилиндр с двусторонним штоком; 17 — гидроцилиндр с дифференциальным штоком; 18 — гидроцилиндр одностороннего действия с возвратом поршня со штоком пружиной; 19 — серводвигатель (моментный гидроцилиндр); 20 — аппарат (основной символ); 21 — золотник типов Г73-2, БГ73-5 с управлением от электромагнита; 22 — золотник с ручным управлением типа Г74-1; 23 — золотник с управлениями от кулачка типа Г74-2; 24 — клапан обратный типа Г51-2; 25 — напорный золотник типа Г54-1; 26 — напорный золотник типа Г66-2 с обратным клапаном; 27 — двухходовой золотник типа Г74-3 с обратным клапаном; 28 — клапан предохранительный типа Г52-1 с переливным золотником; 29 — клапан редукционный типа Г57-1 с регулятором; 30 — кран четырехходовой типа Г71-21; 31 — кран четырехходовой трехпозиционный типа 2Г71-21; 32 — кран трехходовой (трехканальный); 33 — кран двухходовой (проходной); 34 — демпфер (нерегулируемое сопротивление); 35 — дроссель (нерегулируемое сопротивление) типов Г77-1, Г77-3; 36 — дроссель с регулятором типов Г55-2, Г55-3; 37 — общее обозначение фильтра; 38 — фильтр пластинчатый; 39 — фильтр сетчатый; 40 — реле давления; 41 — гидроаккумулятор пневматический; 42 — манометр; 43 — соединение труб; 44 — пересечения труб без соединения; 45 — заглушка в трубопроводе; 46 — резервуар (бак); 47 — слив; 48 — дренаж. | |||||||||||||||||||||||||||||||||||||||||||||||||||||||||||||||||||||||
Приложение.ИНДИВИДУАЛЬНЫЕ ЗАДАНИЯ ВЫПОЛНЕНИЯ ПРИНЦИПИАЛЬНЫХ СХЕМ Задание 1 ![]() | |||||||||||||||||||||||||||||||||||||||||||||||||||||||||||||||||||||||
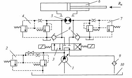
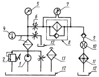
| 1- насос; 2 - предохранительный клапан непрямого действия; 3 - гидрароспределитель; 4,7 - вторичные предохранительные клапаны непрямого действия; 5 - гидромотор; 6 - гидроцилиндр; 8 - обратный клапан; 9 - фильтр; 10 - гидробак. Задание 2 1 - насос; 2 - предохранительный гидроклапан; 3 - технологический фильтр; 4 - термометр; 5 - манометр; 6 - дроссель; 7 - манометр дифференциальный; 8 - фильтр испытуемый; 9 - обратный клапан; 10 - расходомер; 11 - теплообменный аппарат; 12 - гидробак; 13 - сапун. Задание 3
|
; Р = 20 МПа
; Р = 12,5 МПа





































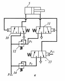
5 - пневматический цилиндр; 10, 11, 13 - пневмораспределители типа 3/2; 12,14 - редукционные пневмоклапаны давления Задание 4
3 - пневматический цилиндр; 4 - пневматический мотор; 7,8, 9 - пневматические распределители; Задание 5
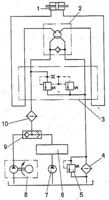
1 - исполнительные гидроцилиндры; 2 - гидравлический рулевой механизм; 3 -
Задание 6 1 – гидронасос нерегулируемый; 2 - клапан напорный; 3 – фильтр; 4 – гидрораспределитель четырехлинейный; 5 – дроссель регулируемый; 6 – гидроцилиндр поршневой; 7 – клапан обратный. Задание 7
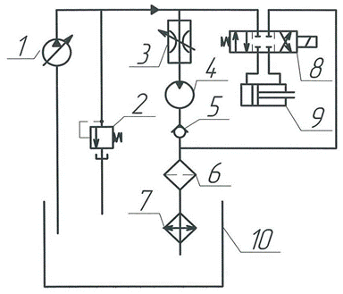
1- пневматический цилиндр; 2- клапан быстрого выхлопа; 3- дроссель регулируемый; 4- обратный клапан; 13- пневматический распределитель Задание 8 1 – насос; 2 – клапан предохранительный; 3 – дроссель; 4 – гидромотор; 5 – клапан обратный; 6 – фильтр; 7 – радиатор; 8 – гидрораспределитель; 9 – гидроцилиндр;
10 – бак открытый Список рекомендуемой литературы





