1 – силовой трансформатор, 2 – симисторы, 3 – нагреватель, 4,5 – центральная и краевая секции,
6,7 – термопары и блок стабилизации их холодных концов, 8,9 – потенциометры-задатчики, 10 – регулятор температуры, 11 – задатчик температуры, 12,18 – блоки программного управления и ограничения температуры, 13 – реле времени, 14 – усилитель постоянного тока, 15 – функциональный усилитель мощности, 16 – цепь задержек, 17 – коммутирующее устройство, 19 – сигнальная лампа
В термической установке применена трехканальная независимая система регулирования температуры. На примере центральной секции 4 нагревателя 3 рассмотрим схему автоматического регулирования. При работе установки в горячих концах термопар 6 возникает термо-эдс, которая через блок стабилизации холодных концов (термостат) 7 поступает на регулятор температуры 10 и сравнивается с заданным задатчиком 11 сигналом. Это устройство имеет прецизионный источник постоянного напряжения и десятиоборотный потенциометр-задатчик 9, позволяющий очень точно устанавливать требуемое напряжение, соответствующее заданной томпературе рабочего канала. Разность между заданным напряжением и действительным значением термо-эдс в виде постоянного напряжения рассогласования (сигнала) поступает на высокочувствительный усилитель постоянного тока 14, усиливается, далее ещё раз усиливается функциональным усилителем мощности 15 и дважды преобразуется сначала в сигнал управления по пропорционально-интегральному закону, а затем в фазоимпульсный сигнал управления. В зависимости от этого сигнала изменяется приоткрытие кремниевых управляемых симметричных вентилей (симисторов) 2, включенных во вторичную обмотку силового трансформатора 1, и в результате уменьшается или увеличивается мощность, подаваемая в центральную секцию 4 нагревателя 3. Для защиты нагревателя от перегрева в схему управления введен блок 18 ограничения температуры, срабатывающий от суммарного сигнала двух термопар с градуировкой ПР30/6, установленных в краевых секциях 5 нагревателя 3. При превышении предельной температуры коммутирующее устройство 17 отключает подачу сигнала управления симисторами и включает лампу 19, сигнализирующую о сложившейся ситуации. В каждой нагревательной камере установлено по восемь термопар. В центральной секции используется четыре термопары, две из которых – средние с градуировкой ПР30/6 – соединены последовательно, а две крайние с градуировкой ПП1 – встречно с двумя термопарами крайних секций нагревателя. Холодные концы двух крайних термопар этих секций, как и других, подключены через блоки стабилизации холодных концов к регулятору температуры. Такое соединение повышает чувствительность сигнала темо-эдс и, кроме того, каждая пара термопар показывает отклонение температуры в любой крайней секции нагревателя по отношению к действительной температуре в центральной секции. В системе автоматического регулирования температуры крайние секции подчинены центральной и все возможные температурные возмущения компенсируются изменением их нагрева.
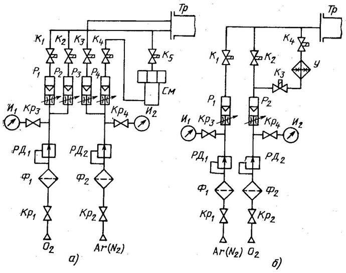
Схема системы газораспределения диффузионной установки
Система газораспределения включает блоки диффузии (рисунок а) и окисления (рисунок б), формирующие ПГС заданного состава и подающие их в каждую реакционную трубу установки. На входы системы подаются тщательно очищенные и осушенные (точка росы -65С) кислород и аргон (азот). Каналы для технологических газов включают ручные запорные краны Кр, фильтры Ф, очищающие газы от пылевых частиц, регулятор давления РД, электромагнитные клапаны К, открывающиеся на время работы канала, ротаметры Р, контролирующие расходы газов, и манометры И. при загонке примесей из жидких диффузантов на первой стадии диффузионного процесса аргон проходит через смеситель См (рисунок а), помещенный в микрохолодильник для стабилизации параметров получаемой ПГС. На этапе окисления подложек в реакционную камеру подается сухой или влажный кислород; для увлажнения кислород пропускается через термостатированный увлажнитель У (рисунок б). Система автоматического регулирования устройства газораспределения осуществляет контроль температуры холодильника смесителя и термостата увлажнителя, а также программное управление каждым из рабочих каналов установки. Система обеспечивает поддержание температуры в испарителе и увлажнителе с погрешностью ±0,5 С, ее структура аналогична автоматической системе терморегулирования печи.
