Отпуск и поездное положение. (рис.32.) При отпущенном состоянии ЭПТ (1 и 2 положения РКМ) — ток от преобразователя А17 в провода № 1 и 2- рельсы не поступает. При этом ОВ и ТВ ЭВЭ обесточены. В контрольные цепи и реле КР блока управления подается ~ ток от А17.
Рис. 32.
На пульте горит лампа О, это отпуск ЭПТ. При этих положениях РКМ с контроллером КМ ~ ток от А17 поступает через вывод А17, ОР1 и ТР1 в провод №1. Протекая через МС и перемычку КЗ рукава хвостового вагона поезда, ~ ток из рабочего провода № 1 поступает № 2. Затем ток возвращается на локомотив и через выпрямительный мост ВК, реле КР блока управления и заземленный корпус локомотива уходит в рельсы. Из рельсов через переключающие контакты ТР2 и ОР2 ~ ток проходит к выводу А17. Кроме того, происходят утечки тока из провода № 1 в рельсы через диод ВС, ТВ и ОВ на каждом вагоне поезда. Однако благодаря высокому индуктивному сопротивлению катушки вентилей не реагируют на ~ и пульсирующий ток и ЭВР находятся в отпущенном состоянии. ~ ток через ТВ и ОВ не проходит. ТР, ОР и сильноточное К реле ~ током не питаются. Лампы П и Т не горят, так как контакты ОР5 и ТР5 разомкнуты. При прохождении через мост ВК ~ ток выпрямляется, КР возбуждается, его контакты КР1 и КР2 замыкаются. Создается цепь –тока от вывода +А17, R3, контакт КР2, лампу О, ГВ1 на вывод –А17. При этом загорается лампа О указывая, что ЭПТ подготовлен к действию. При таких положениях РКМ происходит питание воздухом ЗР 5 из ТМ 2 через ВР усл. № 292. В то же время воздух из ТЦ 4 через усл. № 305 выходит в АТ.
|
|
|

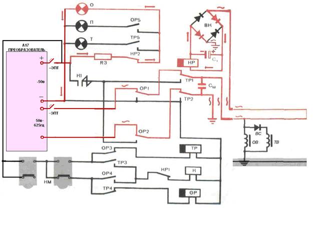
Рис. 33.
Перекрыша без питания и с питанием ТМ. (рис.33) При 3-4 положениях ~ток не поступает, протекает –ток с полярностью – в рабочем, + на рельсах. Возбуждены –током только ОВ на каждом вагоне. Возбуждению ТВ препятствуют ВС, в контрольных цепях также протекает –ток, горят сигнальные лампы О и П. Лампа Т не горит, так как контакт ТР5 разомкнут.
При переводе РКМ в 3 или IV положение –ток от вывода А17 через контакты контроллера КМ идет в блок управления. Через замкнутый контакт ТР4 ТР ток протекает в катушку ОР и возвращается на вывод –А17. ОР при этом возбуждается и все его контакты ОР1,ОР2,ОР3,ОР4,ОР5 занимают противоположное положение показанное по схеме. Первая цепь: от + А17-КМ- ОР4 и КР1-К на -Г. Вторая цепь — от вывода +А17 через контакт Kl, OP2, ТР2 и заземляющий зажим блока управления в рельсы, затем через ОВ, рабочий провод № 1, контакты ТР1, ОР1, на вывод А17. При такой полярности –тока ("+" в рельсах, "—" в рабочем проводе) ОВ оказываются под напряжением, а возбуждению ТВ препятствуют диоды ВС, которые –ток указанной полярности не пропускают. Кроме цепей управления образуется также цепь для прохождения –тока в контрольные устройства: от вывода +А17, через контакты K1, OP2, ТР2, рельсы, ВК, КР, контрольный провод № 2, МС, перемычку в рукаве хвостового вагона, рабочий провод № 1, контакты ТР1 и ОР1 ГВ1 на вывод –А17. КР питается теперь –током, который протекает в контрольном проводе № 2. Благодаря имеющемуся у реле КР замедлению на отпадание якоря и наличию конденсатора замедления Сз контакты КР1 и КР2 во время переключении реле КР не размыкаются, что дает возможность осуществлять электрическое управление тормозами при помощи контакторного реле К через контакт КР1 и контролировать исправность электрических цепей тормоза через контакт КР2. В случае повреждения проводов № 1 или 2 на каком-либо вагоне (например, при коротком замыкании или обрыве) КР обесточивается, его контакт КР2 размыкается и сигнальные лампы О и П гаснут, что свидетельствует о неисправности тормоза. Одновременно размыкается контакт КР1, благодаря чему предотвращается подача –тока в неисправные цепи управления или отключаются цепи, если ток был уже подан в них. Питание сигнальной лампы П (лампа О также горит) происходит по цепи: вывод +А17, R3, контакты КР2 и ОР5, лампа П, вывод —А17. Горение лампы П говорит о том, что ЭПТ находится в положении перекрыши.
|
|
|
Рис. 34.






