Метод начальных параметров предполагает определение только двух постоянных (при решении задач этим методом необходимо решать систему максимум двух уравнений с двумя неизвестными).
Метод базируется на следующих положениях:
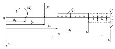
1. Начало координат размещается на левом краю балки и выражения для изгибающих моментов при выводе формул метода записывается только по левым силам.
2. Если распределенная нагрузка заканчивается не на правом краю балки, то она продлевается до этого края, а для того, чтобы условия нагружения не изменялись, вводится компенсирующая нагрузка той же интенсивности противоположного направления.

Рис.4.38
Рассмотрим консольную балку при плоском изгибе, на которую действуют все наиболее распространенные типы нагрузок: сосредоточенная сила F, сосредоточенный момент M и равномерно распределенная нагрузка с интенсивностью q (рис.4.38). Полагаем, что изгибная жесткость сечения балки по длине не изменяется (EIz = const). Согласно принятым положениям, введем систему координат с началом на левом краю балки. Поскольку распределенная нагрузка заканчивается не на правом краю, продлеваем ее до края и вводим компенсирующую нагрузку (изображена штриховыми линиями).
|
|
|
Дифференциальное уравнение изогнутой оси балки в произвольном ее сечении х (при d < x < l) имеет вид
.
Запишем в этом сечении изгибающий момент (по левым силам)

и подставим его в уравнение изогнутой оси балки
.
Умножим полученное дифференциальное уравнение на dx и проинтегрируем его в пределах от 0 до х. В результате интегрирования получим:
1. Интеграл от левой части уравнения
.
Здесь:
- угол поворота сечения на расстоянии х от начала координат, т.е. угол поворота рассматриваемого произвольного сечения;
- угол поворота сечения в начале координат, т.е. угол поворота крайнего левого сечения балки.
2. Интеграл от правой части уравнения
.
Этот интеграл представляет собой площадь эпюры изгибающего момента, при определении которой используем принцип независимости действия сил, т.е. будем суммировать площади эпюр от каждого силового фактора в пределах действия этого фактора. В результате такого интегрирования будем иметь

Приравняем результаты интегрирования правой и левой частей уравнения, разделим полученное соотношение на
и перенесем
в правую часть, получим
.
Интегрируя аналогично, в тех же пределах, полученное выражение (заметим, что это можно делать без раскрытия скобок – интегрирование по А.Клебшу), в результате будем иметь
.
Здесь:
- прогиб балки на расстоянии х от начала координат, т.е. прогиб балки в рассматриваемом произвольном сечении;
- прогиб в начале координат, т.е. прогиб в крайнем левом сечении балки.
|
|
|
В случае действия нескольких (n) однотипных нагрузок, согласно принципу независимости действия сил, будем иметь
, (4.19)
(4.20)
Эти соотношения являются формулами метода начальных параметров для угла поворота произвольного сечения балки (4.19) и прогиба в этом сечении (4.20). Последнюю формулу называют также универсальным уравнением упругой линии балки.
Здесь: θ 0,
- начальные параметры (угол поворота и прогиб в начале координат, т.е. на левом краю балки);
,
- расстояния от начала координат до сечений, в которых приложены соответственно сосредоточенные моменты
и силы
(как активные, так и реактивные);
,
- расстояния от начала координат до начала и конца распределенной нагрузки.
Правило знаков:
- прогиб
– положителен, если направлен вниз;
- угол поворота сечения θ – положителен, если направлен по часовой стрелке;
- нагрузки
и
– положительны, если направлены вниз;
- момент
– положителен, если направлен против движения часовой стрелки.
В формулы (4.19), (4.20) подставляются только те активные и реактивные нагрузки, которые расположены слева от сечения, где определяются угол поворота сечения и прогиб.
Начальные параметры θ 0, и
, необходимые для проведения расчета по формулам (4.19), (4.20), определяются по этим же формулам из условий закрепления балок.