Модулированные сигнала.
Чаще всего в качестве несущей используют гармоническое колебание:

Воздействуя на соответствующий параметр амплитуду, частоту или фазу, получаем соответственно амплитудную, частотную или фазовую модуляцию
Рассмотрим данные виды модуляции с точки зрения их применимости в технике передачи данных.
Рассмотрим связь ширины спектра и скорости модуляции.

Известно, что если на вход идеального фильтра (с прямоугольной АЧХ и линейной ФЧХ) подать ступенчатую функцию, то на выходе будет присутствовать переходной процесс, длительность которого обратно пропорциональна граничной частоте ФНЧ.


Длительность импульса передаваемого через такую систему не может быть менее чем время нарастания.
Значит, минимальная длительность сигнала равна
.
Учитывая, что
получим для ФНЧ
.
Так как АМ сигнал в общем случае содержит и верхнюю и нижнюю боковые полосы частот, то ширина спектра АМ сигнала в 2 раза больше исходного - модулирующего.

Если задана полоса пропускания канала
, то необходимо выбирать
так, что бы
.
|
|
|
Оценим предельный случай
, тогда
.
Значит предельная скорость передачи по каналу при АМ
.
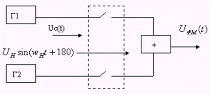
АМ - модулятор в простейшем случае:

При передаче двоичных сигналов в канал посылаются две частоты f1 (для обозначения 1) и f2 (для 0). Причём по рекомбинациям МСЭ - Т f2 > f1.
Спектр сигнала в этом случае выглядит так

Можно записать
,
Проведем оценку предельной скорости модуляции при ЧМ
Пусть задана полоса канала 
При максимальном использовании полосы канала
.
Определим ширину полосы канала постоянного тока
или

Учитывая что
.
Так как
получим 
Таким образом, при заданном значении
максимальная скорость модуляции при ЧМ меньше, чем при АМ, но помехоустойчивость при частотной модуляции выше, поэтому она находит ограниченно применение в системах передачи дискретных сообщений.
Рекомендация V.21.
R=B=300 [Бод] [Бит/с]. КТЧ делится на две полосы.
нижняя полоса для вызывающего модема 1 - 980 Гц, 0 - 1180 Гц
верхняя полоса (отвечающий) 1 - 1650 Гц, 0 - 1850 Гц
Протокол V.21 - является ’’ аварийным ’’
Рекомендация V.23 R=B=600 или 1200
КТЧ делится на основной и обратный канал.
основной при 1200 бит/с fср=1700,
Гц
при 600 бит/с fср=1500,
Гц
Обратный R=75 бит/с для передачи сигналов подтверждения качества приёма.
Простейший модулятор

Фазовая модуляция.
В данном случае амплитуда и частоты постоянны, изменяется фаза в соответствии с модулирующим сигналом.
Если модулирующий сигнал двоичный “1” или “0”, то значение фазы модулирующего сигнала тоже две. Это значение отсчитывается от фазы несущей.
Обычно, при передачи “1” модулятор формирует синусоидальный сигнал, фаза которого совпадает с фазой несущей. При 
|
|
|

Спектр ФМ - сигнала.
Из диаграммы видно, что ФМ состоит, как бы, из двух АМ сигналов несущие которых имеют одинаковую частоту, а фазы сдвинуты на 180°

Поэтому спектр ФМ сигнала будет таким же, как у АМ по ширине, а несущая подавляется из-за противофазности. Но все составляющие увеличатся в 2 раза. Так как амплитуды составляющих больше, то у ФМ выше помехоустойчивость.
Для ФМ можно записать
.
Структурные схемы ФМ – сигнала


Дискретный канал с ФМ

На приемной стороне при демодуляции принятый сигнал сравнивается с опорным сигналом, при этом если фазы совпадают, то была 1, нет – 0.
Если фаза опорного сигнала изменится на 180°, то 1 будет воспринята как 0, а 0
1. Такой эффект называется “ОБРАТНОЙ РАБОТОЙ”.
“Обратная работа” - это основной недостаток абсолютной фазовой модуляции, именно по этой причине фазовая модуляция не нашла широкого применения в технике ПДС.
Относительная фазовая модуляция.
Исключение явление “обратной работы” обеспечивается относительной фазовой модуляции ОФМ.
При ОФМ отсчет фазы передаваемого сигнала производится не относительно несущей, а относительно предыдущего элемента.

При модуляции единицы, фаза элементов такая же, как у предыдущего, при нуле меняется на противоположную.
Следует отметить, что фаза первого элемента неопределенна, так как для него нет предыдущего. Прием начинается со второго элемента.
Для получения ОФМ используют те же модуляторы, что для АФМ, но перед подачей на модулятор исходную последовательность перекодируют.

Правила перекодирования:
Если в исходной последовательности 0, то соответствующий элемент выходной последовательности изменяется на противоположный относительно предыдущего. Если “1”, то текущий элемент такой же, как предыдущий.
Прием ОФМ сигналов.
Прием ОФМ сигналов возможен двумя способами.
1. способом сравнения фаз (некогерентный прием);

Полосовой фильтр отсекает помехи вне полосы сигнала. Элемент памяти задерживает сигнал на один единичный интервал. ФД - сравнивает сигнал с предыдущим - задержанным. Если фазы совпадают, то принята “1”, если нет то “0”.
2. способом сравнения полярностей (когерентный).

В данном случае схема устройства выделения опорного сигнала формирует его из рабочей последовательности. Далее идет сравнение фазы каждого единичного элемента с фазой опорного, как у АФМ. Полученная в результате последовательность поступает в ПКУ, где перекодируется, и на выходе получаем исходную последовательность, так как информация заложена в изменении фазы относительно предыдущего. “Обратной работы” не будет. Однако при ошибке в одном элементе вылетают два, этот и последующий, который с ним сравнивается.
Правила перекодирования ПКУ приема: Если во входной последовательности изменилась значащая позиция, то в выходной последовательности – 0, если нет – 1.
Сравнение способов приема:
В “сравнении фаз” при принятии решения используют два зашумленного сигнала.
В “сравнении полярностей” один зашумленный и один “чистый” - опорный.
Поэтому “полярный” достовернее.
Следует заметить, что один ошибочный элемент до ПКУ вызывает две ошибки после ПКУ.
ОФМ используется в модемах разработанных по рекомендации V.26 на скорости 1200 бит / сек.
Многопозиционная фазовая модуляция.
Как было показано ранее, скорость модуляции в канале определяется шириной спектра канала:
Канал ТЧ имеет спектр 0,3 - 3,4 к Гц. D Fтч =3,1 к Гц.
Таким образом, максимальная скорость модуляции, которую теоретически можно достичь в кТЧ 6,2 Бод (передача одной боковой) 3,1 кБод (при передаче двух боковых).
Реально же в модемах используются скорости модуляции обычно 1200 и 2400 Бод.
Если для передачи использовать двухпозиционный сигнал, то скорость передачи информации будет такой же низкой R=B=2400 Бит/сек.
|
|
|
Такие скорости сегодня не устраивают потребителя.
Выходом в данном случае является использование сигналов переносящих более чем 1 бит информации (то есть многопозиционных сигналов).
Многопозиционный сигнал имеет более чем две значащих позиции
| Число значащих позиций | информационная емкость элемента |
| 1 бит | |
| 2 бит | |
| 3 бит |
Применение данного принципа к относительно фазовой модуляции называется многопозиционной ОФМ.
Рассмотрим простейший случай Двукратная ОФМ.
двукратная или четырехпозиционная.
При ДОФМ два соседних сигнала могут отличаться по фазе на одно из четырех возможных значений.
| Дибит | ||||
|
Первоначально исходная последовательность разбивается на дибиты (по 2 элемента), а затем каждый дибит кодируется на единичном интервале в соответствии с модуляционным кодом.
В данном случае обеспечивается R=2B.
Диаграмма ДОФМ на сигнальной плоскости выглядит так.

Протокол V. 22.
B = 600 Бод. В режиме ОФМ - 600 бит/с. В режиме ДОФМ - 1200 бит/с.
Еще более повысить скорость R можно используя:
трехкратную (восьмипозиционную) или
четырехкратную (шестнадцати позиционную) модуляции.
Однако при увеличении числа разрешенных сдвигов фаз резко уменьшается помехоустойчивость ОФМ.
Уменьшается расстояние между разрешенными сигналами в пространстве. Вследствие этого, ОФМ кратностью более трех не используется.
Для большего увеличения скорости передачи используют амплитудно-фазовую или так называемую квадратурную - амплитудную модуляцию КАМ.
В КАМ изменяется не только фаза, но и амплитуда. На рисунке показана диаграмма КАМ – 16.

Использование КАМ - 16 позволяет при скорости модуляции 2400 Бод,
получать скорость передачи информации 2400 ´ 4 = 9600 бит/с.
Такая модуляция используется в протоколе
V. 32, R до 9600 в.p.s.
Квадратурная модуляция имеет большую помехоустойчивость в сравнении с многократной ОФМ. Но при увеличении числа позиций свыше 16 и ее помехоустойчивость оказывается недостаточно для качественной передачи.
|
|
|
Поэтому во всех современных высокоскоростных протоколах КАМ используется, в совокупности с помехоустойчивым кодированием.
В качестве ПУ кодирования используется один из видов сверточных кодов - решетчатый код. Такое совместное кодирование получило название “Треллис - модуляции” (ТСМ).
При применении Треллис - модуляции число сигнальных точек увеличивается вдвое за счет добавления к информационным битам одного избыточного, образованного путем сверточного кодирования.
Треллис - модуляция используется уже в протоколе V. 32, как альтернатива КАМ - 16. В этом случае к 4 информационным добавлениям 1 проверочный разряд. Получается 32 точки из которых выбирается 16 разрешенных. Треллис – модуляция обеспечивает большую помехоустойчивость.
Треллис - модуляции используется в более поздних протоколах
V. 32 bis - 14.4 b p.s.
V.34 bis - 28.8 b p.s.
Синхронизация – это процедура установления и поддержания определенных временных соотношений между двумя и более процессами.
Различают поэлементную, групповую и цикловую синхронизацию.
При поэлементной синхронизации устанавливаются и поддерживаются требуемые фазовые соотношения между значащими моментами переданных и принятых единичных элементов цифровых сигналов данных. Поэлементная синхронизация позволяет на приеме правильно отделить один единичный элемент от другого и обеспечить наилучшие условия для его регистрации.
Групповая синхронизация – обеспечивает правильное разделение принятой последовательности на кодовые комбинации.
Цикловая синхронизация – обеспечивает правильное разделение циклов временного объединения.
7.1 Синхронизация по элементам
Требования к устройствам синхронизации по элементам.
1. Высокая точность синхронизации. (Максимальное отклонение синхроимпульсов от идеального ЗМ ± 3%.)
2. Малое время вхождения в синхронизацию как при включении так и после перерыва связи.
3. Сохранение синхронизации при наличии помех и кратковеременных перерывов связи.
4. Независимость точности синхронизации от статической структуры передаваемого сообщения.
Оценка времени поддержания синхронизма в системе с автономным генератором (без принудительной подстройки).
Есть два генератора (на передаче и на приеме) с частотой fном и коэффициентом нестабильности 
Пусть в некоторый момент t0 оба генератора начали работу в одинаковой фазе.
В следствие различия частот (или периодов), рассматриваемых генераторов, между ними появятся расхождения по фазе. С течением времени эти расхождения будут увеличиваться.

Задача. Определим время tе, за которое уход по фазе относительно длительности единичного импульса составит Е, если нестабильность генераторов приема и передачи k
Под относительным уходом фазы будем понимать
– отношение интервала времени между идеальными и действительными ЗМ, отнесенное к длительности единичного интервала.
Если частоты генераторов равны f, а k одинаковы, то в худшем случае произойдет отклонение частот вследствие нестабильности в разные стороны.

Период 1-ого увеличивается на D T, второго уменьшается на D T.
Значит, за каждый период фазовый сдвиг будет возрастать на 2D T.
Зададимся некоторым абсолютным смещением значащих моментов по времени D t, ему будет соответствовать относительный уход фазы Е, причем, учитывая связь
, получим D t =Еt 0
При этом количество периодов, за которое абсолютное смещение достигнет заданного равно
, а время, за которое это произойдет равно
. (**)
Выражая D Т через k и Т, получим 
Учитывая, что в реальных системах k<<1, то 1-k @ 1.
Тогда D Т@ kT – подставим этот результат в (**), получим

Используя полученное выражение можно найти требуемое k при заданных B, te и E.
Итак: при равных условиях время поддержания синхронизации зависит от скорости модуляции в канале! Невозможно долго сохранять синхронизацию без подстройки фазы.
Устройство синхронизации с добавлением и вычитанием импульса.
Устройство относится к классу без непосредственного воздействия на частоту генератора и является 3-х позиционным.
При работающей системе синхронизации возможны три случая:
1. Импульсы генератора без изменения проходят на вход делителя частоты.
2. К последовательности импульсов добавляется 1 импульс.
3. Из последовательности импульсов вычитается 1 импульс.
Структурная схема устройства.

Задающий генератор вырабатывает относительно высокочастотную последовательность импульсов. Данная последовательность проходит через делитель с заданным коэффициентом деления. Тактовые импульсы с выхода делителя обеспечивают работу блоков системы передачи и также поступают в фазовый дискриминатор для ставнения.
Фазовый дискриминатор определяет знак расхождения по фазе ЗМ и ТИ задающего генератора.
Если частота ЗГ приема больше, то ФД формирует сигнал вычитания импульса для УДВИ, по которому запрещается прохождение одного импульса.
Если частота ЗГ приема меньше, то импульс добавляется.
В результате тактовая последовательность на выходе Dk сдвигается на D.
Следующий рисунок иллюстрирует изменение положения тактового импульса в результате добавления и исключения импульсов.
ТИ2 – в результате добавления, ТИ3 – в результате вычитания.

Роль реверсивного счетчика:
В реальной ситуации принимаемые элементы имеют краевые искажения, которые изменяются случайным образом положение значащих моментов в разные стороны от идеального ЗМ. Это может вызвать ложную подстройку синхронизации.
· При действии КИ смещения ЗМ как в сторону опережения, так и в сторону отставания равновероятны.
· При смещении ЗМ по вине устройства синхронизации фаза стабильно смещается в одну сторону.
Поэтому для уменьшения влияния КИ на погрешность синхронизации ставят реверсивный счетчик емкости S. Если подряд придет S сигналов на добавление импульса, говорящих об отставании генератора приема, то импульс добавится и следующий ТИ появится раньше на D.
Если сначала придет S-1 сигнал об опережении, потом S-1 об отставании, то добавления и вычитания не будет.
Расчет параметров поэлементной синхронизации
К основным параметрам системы синхронизации относятся:
1. Погрешность синхронизации
-максимальное отклонение синхросигналов от их идеального положения, которое может произойти при работе устройства синхронизации с заданной вероятностью. (выражается в долях единичного интервала).
Погрешность синхронизации – складывается из статической
, определяемой нестабильностью генераторов
и шагом коррекции
и динамической
, определенной краевыми искажениями.
-коэффициент деления, где
- длительность единичного элемента,
- шаг коррекции
В силу конечности шага коррекции возникает погрешность: 
Вследствие нестабильности генераторов, между двумя подстройками накапливается погрешность равная

где
– среднее число принимаемых подряд элементов одного знака
Период корректирования – время между двумя подстройками, в общем случае определяется так:
,
однако нужно понимать, что
– случайная величина и определяется структурой сообщения.
Таким образом, общее выражение для статической погрешности:
.
Динамическая погрешность синхронизации
Динамическая погрешность вызывается краевыми искажениями единичных элементов.
Краевые искажения имеют случайный характер со среднеквадратичным значением
. Следовательно, динамическая погрешность также случайная величина. Она подчиняется нормальному закону и имеет свое среднеквадратическое значение
.
.
Окончательно погрешность синхронизации определяется выражением:
.
2. Время синхронизации(или вхождения в синхронизм) 
- время необходимое для корректирования первоначального отклонения синхроимпульсов относительно границ единичных принимаемых элементов.
В момент включения расхождение по фазе между тактовыми импульсами передачи и приема – случайно и имеет в пределах от 0 до
.
Выбирая наихудший случай, когда сдвиг фаз равен
получим время синхронизации равное
. Так как

, то окончательно:

3. Время поддержания синхронизма
-
- время, в течение которого отклонение синхроимпульсов от границ единичных элементов не превысит допустимый предел (
) при прекращении работы устройства синхронизации по подстройке фазы.
Эта задача аналогична задаче об автономных генераторах, рассмотренной нами выше, поэтому можно записать

В качестве
- выбирают теоретическую исправляющую способность приемника
уменьшенную на погрешность синхронизации. Поэтому окончательно:

4. Вероятность срыва синхронизма
-
- вероятность того, что под действием помех отклонение синхроимпульсов от границ единичных элементов превысит половину единичного интервала
.
-можно уменьшить увеличив время усреднения сигналов коррекции фазы. Т.е. увеличив емкость реверсивного счетчика.
Особенности синхронизации при старт-стопной передаче.
Каждая кодовая комбинация начинается со ”старта” и оканчивается ”стопом”. Генератор приема (приемный распределитель) запускается при поступлении каждого сигнала ”старт” и останавливается по сигналу ”стоп”
Накопившееся за время кодовой комбинации расхождения фазы каждый раз ликвидируется.
+ Высокая стабильность генераторов не требуется
+ Быстрое вхождение в синхронизм.
7.2 Групповая и цикловая синхронизация
Групповая – обеспечивает правильное разделение принятой последовательности на кодовой комбинацией.
Цикловая – циклов временного объединения.
В устройствах групповой синхронизации информацию о фазе можно извлеч только при наличии избыточности в передаваемой последовательности.
· можно использовать избыточность, введенную при помехоустойчивом кодировании, (по резкому возрастанию ошибок).
· или вводить специальные символы.
Безмаркерный и маркерный методы групповой синхронизации.
Безмаркерный.
Используется когда передача ведется сравнительно короткое время и используется только при синхроной передаче и равномерном кодировании.
В этом случае достаточно обозначить лишь начало передачи. Далее ведется передача информации. Разделение на кодовые комбинации производится по известной длине.
Принцип БМС.
1. Сначала передается фазирующая комбинация (ФК).
2. На приеме идет подстройка распределителя пока приемник ФК не получит ФК.
3. Далее идет передача информации, пока не произойдет срыв синхронизации. (О чем можно судить по большому количеству ошибок).
4. После чего, по обратному каналу передается сигнал о необходимости фазирования. И все повторяется.

Достоинства: фазирование без существенного снижения скорости
Недостатки:
· отсутствие постоянного контроля синхронизма;
· наличие обратного канала;
· необходимость прекращения передачи после любого нарушения групповой синхронизации.
Маркерный – в течении всего сеанса посылаются специальные сигналы.

1. К кодовой комбинации добавляется 1 элемент (n+1). На приеме (n+1) разряд поступает в приемник маркера.
2. При расхождении распределителей по фазе, маркер не поступает в приемник и щетки распределителя приема смещаются на один шаг и так до тех пор, пока не будет принят маркер.
3. После установления синхронизма выдача информации получателю возобновляется.
Тоже происходит при потере синхронизма.
Частным случаем маркерного метода синхронизации является стартстопный.
В данном случае маркер = старт + стоп = 2 сигнала.
Плюсы: постоянный контроль за синхронизмом
Минусы: большее снижение скорости передачи информации за счет введения элементов синхронизации
Большинство реальных каналов связи являются нестационарными. Состояние и качество таких каналов изменяется с течением времени.
В каждом состоянии канал может характеризоваться своей величиной вероятности ошибки PLош.
При известной PLош, для обеспечения заданной верности передачи можно подобрать способ ПУ кодирования. Но PLош будет изменяться. Тогда возникает противоречие:
– если выбирать код, исходя из средней величины PLош, то заданная верность будет обеспечиваться не на всех интервалах стационарности.
– если выбирать код по наихудшему состоянию (PLош max), то на других интервалах вносимая избыточность будет неоправданно большой, а скорость передачи информации (R) – маленькой.
Очевидно, что для наилучшего использования канала необходимо менять вносимую избыточность (алгоритмы кодирования, декодирования, сигналы и т. п.) в зависимости от состояния канала.
Системы, в которых осуществляется процессе целенаправленного изменения параметров, структуры или свойств системы в зависимости от условий передачи сообщения, с целью достижения оптимального функционирования – называются адаптивными.
Для реализации адаптивной системы необходимо обеспечить контроль за состоянием канала. По результатам контроля принимается решение на изменение параметров СПДС.

Структурную схему адаптивной системы СПДС, в общем виде, можно представить так:
Может контролироваться: искажения формы сигналов, помеховая обстановка в сети электропитания и окружающем пространстве, коэффициент ошибок….
По результатам контроля могут изменяться (параметры УЗО и УПС)
| параметры сигналов (форма, уровень, …) | на передаче |
| способ кодирования (избыточность) | |
| предискажения | |
| способ демодуляции (когерентн., некогерентн.) | на приёме |
| способ декодирования (исправление или обнаружения ошибок) | |
| … и другие. |
Адаптивные системы предполагают использование обратных связей.
Системы с обратной связью
В зависимости от назначения ОС различают системы:
· с решающей ОС (РОС)
· с информационной (ИОС)
Общее в алгоритме работы систем с ОС в простейшем случае, то что после передачи некоторой порции информации передатчик прямого канала ожидает сигнала, либо на выдачу следующей порции, либо на повторную передачу предыдущей.
Принципиальное отличие систем РОС и ИОС состоит в том, где принимается решение о дальнейшем поведении системы.
В системах с РОС решение принимается на приёме, а в системах с ИОС – на передаче.
Для организации обратной связи и в тех и в других системах используется обратный канал.
Рассмотрим структуру системы ПДС с ИОС

Алгоритм. Кодовые комбинации, поступающие в приёмник передаются по обратному каналу в передатчик. На передающей стороне сравниваются комбинации, которые передавались – с возвращёнными. Если они совпадают, то решающее устройство формирует сигнал на продолжение передачи и в прямой канал выдаются новые данные, а приёмник выдаёт принятые кодовые комбинации получателю. Если при сравнении обнаруживаются отличия, то передатчик вновь повторяет переданные ранее КК.
Информация передаваемая по каналу с ОС – называется квитанцией.
Системы с ИОС в которых осуществляется полная передача принятых кодовых комбинаций по обратному каналу называются ретрансляционные.
Чаще приёмник формирует специальные сигналы, имеющие меньший объём, чем полезная информация переданная по прямому каналу т. е. квитанция меньше – укороченная ИОС.
Большее применение находят системы с РОС.
Системы передачи с РОС
Наиболее распространёнными среди систем с РОС являются:
· системы с ожиданием (РОС - ОЖ);
· с непрерывной передачей информации и блокировкой
· с адресным переспросом
Рассмотрим более подробно систему (РОС - ОЖ)
В данной системе после передачи кодовой комбинации система ожидает сигнала подтверждения, и только после этого происходит передача следующей КК.

Структурная схема СПД с РОС – ОЖ
Алгоритм работы:
КК выдаваемая ИС поступает в кодер, и одновременно в накопитель передачи Н пер. Кодер добавляет проверочные разряды в соответствии с алгоритмом ПУ кодирования. Далее КК модулируется (УПС) и выдаётся в прямой канал связи. Спустя некоторое время, необходимое для передачи по каналу tp , КК поступает в приёмник.
После УПС приёма информационная часть КК записываются в накопитель приёма, и одновременно с этим вся КК поступает в ПУ декодер.
Если декодер не обнаружил ошибку, то РУ принимает решение о качестве приёма и выдаёт соответствующий сигнал на УУ.
УУ – формирует сигнал для выдачи принятой порции информации получателю и команду для формирования сигнала ''подтверждения''.
Данный сигнал пройдя через ОК дешифруется ДСОС и поступает в УУ пер. По его приходу УУ передачи стирает старую комбинацию из Н пер и сигнализирует ИС о выдачи следующей порции информации (КК).
Если в результате декодирования обнаружена ошибка, то решающее устройство выдаёт соответствующий сигнал в УУ приёма. УУ стирает принятую КК из Н пр и даёт команду на формирование сигнала ''переспрос''.
После получения сигнала ''переспрос'' УУ пер запрещает ИС выдавать следующую КК, и подаёт сигнал накопителю, который посылает записанную в нём КК в декодер – повторно.
В системах РОС – ОЖ всегда присутствует задержка на время ожидания tож. Это время складывается из нескольких интервалов:

tpпк – время распространения сигнала в прямом канале
tан –– время анализа правильности приёма
toc – длительность сигнала ОС
tpoc – распространение сигнала ОС
taoc – анализ сигнала ОС
Следует отметить, что в системах с ОС появляются специфические искажения, в следствии ошибок в канале обратной связи. Такие искажения называют ''вставками'' и ''выпадениями''.
Причины и их возникновения:
· если в результате действия помех в ОК сигнал ''подтверждения'' трансформировался в сигнал ''переспроса'', то уже принятая КК выдаётся получателю, а в канал повторно отправится этаже комбинация. Таким образом ПС получит две последовательно идущие одинаковые комбинации – ''вставка''.
· если произойдёт переход ''переспрос''
''подтверждение'', то ошибочно принятая комбинация будет стёрта, но в канал пойдёт следующая. Значит ПС не получит данной комбинации - произойдёт ''выпадение''.
Явления ''вставки'' и выпадения получили общее название ''сдвига''. Ниже изобразим временные диаграммы рассмотренных процессов.

Борьба с явлением ''сдвига'' в системах с РОС - ОЖ
1. Повышение помехоустойчивости обратного канала.
2. Циклическая нумерация передаваемых КК.
Каждой КК присваивается циклический номер например: 1,2,3,4, 1,2,3,4, 1,2,3,..
Приёмник системы контролирует номера принимаемых комбинаций. И знает комбинация с каким номером должна быть получена следующей. То есть ожидаемый номер КК – известен.
Таким образом:
· если номер полученной КК предшествует ожидаемому, то в обратный канал посылается сигнал подтверждения, что инициирует передачу следующей по номеру КК.
· если номер принятой КК оказывается следующим за ожидаемой, то приёмник формирует сигнал ''выпадения''.
По этому сигналу передача либо прекращается, либо производится запрос на повторение предыдущей комбинации.
Методика расчёта вероятности неправильного приёма (без учёта искажений в Канале ОС)
Приём каждой КК имеет три исхода:
1. – КК принята верно и ошибок в ней нет (Рппр)
2. – КК принята и в ней обнаружена ошибка (Роо)
3. – КК с ошибкой, но ошибка не обнаружена (Рнпр)
Для наглядности анализе нарисуем граф состояний рассматриваемой системы с РОС – ОЖ.

Комбинацию можно сразу принять правильно или не правильно (такие вероятности можно получить – легко), однако при обнаружении ошибок после переспросов ситуация повторяется и так далее.
Вопрос? Какова же вероятность неправильного приёма P*нп при неограниченном числе циклов переспроса?
P*нп - будет включать в себя вероятность НП в первом цикле, вероятность НП после первого, второго и т. д. переспросов.

получили бесконечную геометрическую прогрессию.
Сумма членов бесконечно убывающей геометрической прогрессии:
где i – число членов Þ 
т. к. Pоо
1 то P iоо→ 0 окончательно получим. 
Скорость передачи информации в системах с РОС и ОЖ
К основным недостаткам систем РОС – ОЖ относится значительное снижение скорости R.
Причины снижения R следующие:
1. введение избыточных (проверочных) элементов (
);
2. наличие tож – сигнала решения о качестве приёма (
);
3. повторные передачи KК (
);
Учитывая все три фактора, для двоичного кода можно записать



найдём эти коэффициенты.
1. коэффициенты уменьшения скорости за счёт введения проверочных элементов, очевиден

2. для определения 
проведём следующие рассуждения.
При передачи без избыточности, при длительности ед. эл.
необходимо время k
.
В системе с РОС – ОЖ n
+ tож. Таким образом учитывая и избыточность и ожидание получим:

таким образом получим

3.
где Poo вероятность обнаружения ошибок в КК.
Анализируя
и
- видим, что для ↑R (или снижения потерь скорости) необходимо увеличивать длину блока n.
Увеличение длины блока n
· снижает относительное количество избыточных элементов необходимых для обеспечения заданной верности.
· снижает относительные потери на ожидание решения о качестве приёма.
Эти причины диктуют необходимость наращивания n.
Однако, при увеличении длины блока возрастает вероятность его поражения ошибкой (Kош↑), а значит увеличивается вероятность переспроса и увеличивается время необходимое для повторения длинной комбинации.

Вывод: для получения максимальной скорости R в системах с РОС и ОЖ требуется оптимизация длины блока
Рассмотрим методы коммутации в соответствии с структурой показанной на рисунке

Известны два основных принципа коммутации:
· непосредственное соединение;
· соединение с накоплением информации.
Непосредственное соединение предполагает физическое соединение входящих в УК каналов с соответствующими адресу исходящими каналами. Принцип непосредственного соединения реализуется в системе коммутации каналов (КК).
Под коммутацией каналов понимается совокупность операций по соединению каналов для получения сквозного канала, связывающего через узлы коммутации один оконечный пункт с другим.
Таким образом, при коммутации каналов сначала организуется сквозной канал передачи сообщений между взаимодействующими абонентами через узлы коммутации, а затем осуществляется передача сообщений. До тех пор пока взаимосвязанные абоненты не сообщат о своем решении ликвидировать установленное соединение, выделенные ресурсы сети находятся в их монопольном владении, независимо от того, используются ли они в данный момент или нет.
Достоинства КК
после организации соединения абоненты могут вести передачу в любое время независимо от нагрузки, поступающей от других абонентов;
передачи осуществляются с фиксированной задержкой, т.е. может быть реализован режим передачи в реальном масштабе времени, что особенно важно при передаче мультимедийного трафика.
Недостатки КК
– плохое использование ресурсов сети, в частности каналов, если взаимодействующие абоненты недостаточно активны и между передачами сообщений наблюдаются длительные паузы.
В реальных системах передачи сообщений доля пауз может быть достаточно большой. Даже в телефонных каналах речь занимает менее половины времени, а при передаче данных при диалоговом обмене человека и компьютера полезная нагрузка составляет единицы процентов от выделенной пропускной способности.
Коммутация с накоплением
совокупность операций приема на узлах коммутации (УК) сообщения или его части, накопления и последующей передачи сообщения или его части в соответствии с содержащимся в нем (ней) адресом.
В момент прихода сигнала по входящему в УК каналу, требуемый исходящий канал может оказаться занятым передачей информации от другого источника. В таком случае возникают альтернативные решения:
первое – уведомить источник сообщений о невозможности установления требуемого соединения в данный момент (системы с отказами),
второе – запомнить входящее сообщение и передать его в исходящий канал после освобождения последнего от передачи предыдущего сообщения (системы с ожиданием). Такой подход реализуется в системе коммутации с накоплением.
При коммутации с накоплением пропускная способность сети не закрепляется на все время сеанса связи двух абонентов, а представляется им лишь по мере необходимости при появлении у них сообщений для передачи. Такой подход позволяет значительно повысить эффективность использования пропускной способности трактов сети.
При системе коммутации с накоплением (КН) ОП имеет постоянную прямую связь со своим УК (иногда с несколькими) и передает на него информацию, а затем эта информация поэтапно передается через узлы коммутации другим абонентам, причем в случае занятости исходящих каналов информации запоминается в узлах и передается по мере освобождения каналов в нужном направлении.
Известны две разновидности системы с накоплением:
1. система коммутации сообщений (КС)
2. система коммутации пакетов (КП).
Процесс передачи в сети с КС следующий:
- вызывающий абонент Абn передает в узел коммутации подлежащее передаче сообщение вместе с условным адресом абонента Абm;
- в узле КС сообщение запоминается и по его адресу определяется канал, по которому оно должно быть передано;
- если канал к соседнему узлу КС свободен, то сообщение немедленно передается на соседний узел КС, в котором повторяется та же операция;
- если канал к соседнему узлу КС занят, то сообщение хранится в устройствах памяти вплоть до освобождения канала;
- хранящиеся сообщения устанавливаются в очередь по направлениям передачи с учетом категории срочности.
Такой способ обслуживания, при котором заявка, поступившая в момент отсутствия свободных линий или приборов, ожидает их освобождения, называется обслуживанием с ожиданием.
Метод КС нашел применение на телеграфных сетях общего пользования.
Метод коммутации пакетов по своей идеологии совпадает с методом КС и отличается лишь тем, что длинные сообщения передаются не целиком, а разбиваются на относительно короткие части – пакеты.
Способы передачи пакетов
Различают два способа (режима) передачи пакетов:
· режим виртуальных соединений и
· дейтаграммный режим.
Виртуальные соединения
По сути, это коммутация каналов, но не напрямую, а через память управляющих компьютеров в центрах коммутации пакетов
В виртуальной сети, прежде чем начать передачу пакетов, абоненту-получателю направляется служебный пакет, прокладывающий виртуальное соединение. В каждом узле этот пакет оставляет распоряжение вида:
пакеты k-го виртуального соединения, пришедшие из i-го канала, следует направлять в j-й канал.
Таким образом, виртуальное (условное) соединение существует только в памяти управляющего компьютера.
Дойдя до абонента-получателя, служебный пакет запрашивает у него разрешение на передачу, сообщив, какой объем памяти понадобиться для приема. Если его компьютер располагает такой памятью и свободен, то посылается согласие абоненту-отправителю (также в виде специального служебного пакета) на передачу сообщения.
Получив подтверждение, абонент-отправитель приступает к передаче сообщения обычными пакетами. Пакеты беспрепятственно проходят друг за другом по виртуальному соединению (в каждом узле их ждет инструкция, которая обрабатывается управляющим компьютером) и в том же порядке попадают абоненту-получателю, где, освободившись от концевиков и заголовков, образуют исходное передаваемое сообщение.
Виртуальное соединение может существовать до тех пор, пока отправленный одним из абонентов, специальный служебный пакет не сотрет инструкции в узлах.
Режим виртуальных соединений эффективен при передаче больших массивов информации и обладает всеми преимуществами методов коммутации каналов и пакетов.
Постоянный и коммутируемый виртуальный канал
В стандартных международных протоколах предусматривается два типа виртуальных канала: постоянный и коммутируемый.
PVC – Permanent Virtual Circuits
SVC – Switched Virtual Circuits.
Коммутируемый виртуальный канал предполагает установление и ликвидацию канала при каждом соединении, по рассмотренному выше алгоритму.
Постоянный – закрепляется между двумя абонентами на длительный период времени, по согласованию с администрацией сети. Отпадает необходимость организации и ликвидации канала при каждой передаче.
Постоянный виртуальный канал не означает наличие физической линии между двумя абонентами. Он представляет собой лишь хранящуюся в сети процедуру передачи сообщения через переприемные пункты между данными абонентами.
Дейтаграммы.
Для коротких сообщений более эффективен датаграммный режим, не требующий довольно громоздкой процедуры установления виртуального соединения между абонентами.
Термин "датаграмма" применяют для обозначения самостоятельного пакета, движущегося по сети независимо от других пакетов.
Получив датаграмму, узел коммутации направляет ее в сторону смежного узла, максимально приближенного к адресату. Когда смежный узел подтверждает получение пакета, узел коммутации стирает его в своей памяти. Если подтверждение не получено, узел коммутации отправляет пакет в другой смежный узел и т.д., до тех пор, пока пакет не будет принят.
Все узлы, окружающие данный, ранжируются по близости к адресату. Первый ранг получает ближайший к адресату узел, второй - ближайший из остальных и т.д. Пакет посылается сначала в узел первого ранга, при неудаче - в узел второго ранга и т.д.
Датаграмный режим используется, в частности, Internet, протоколы UDP (User Datagram Protocol) и TFTP (Trivial File Transfer Protocol).
Каждый из рассмотренных методов коммутации имеет свою область применения, обусловленную его особенностями. Поэтому целесообразно сочетать разные методы коммутации на сетях, объединяющих большое число абонентов с отличающимися друг от друга величинами нагрузки, характером ее распределения во времени, объемами сообщений, используемой оконечной аппаратурой.
Выбор методов коммутации является достаточно сложной оптимизационной задачей. Она решается исходя из требований к транспортной сети, которые в свою очередь определяются особенностями трафика, классом пользователей и показателями качества их обслуживания.
Архитектура связи. Понятие связь включает в себя совокупность сетей и служб.
Служба связи – это комплекс средств, обеспечивающий представления пользователям определенных услуг.
Под комплексом средств следует понимать совокупность программных и аппаратных средств, методов обработки, распределения и передачи данных, в том числе оконечное оборудование (данных) расположенное у пользователя.
Каждая служба может иметь ряд применений, которые с позиции пользователя классифицируется как услуги.
Например: Телефонная служба помимо основной услуги – телефонной связи, может представлять ряд сервисных услуг (будильник, переадресация вызова…). Кроме того, если ПК подключен через модем к телефонной сети, можно обмениваться данными. Таким образом телефонная служба может предоставлять услуги по передаче данных.
В то же время служба передачи данных может предоставлять разные услуги, в том числе и услуги телефонной связи (передачи речи).
Для транспортировки и коммутации сигналов в службах электросвязи используются вторичные сети электросвязи:
· телеграфные;
· передачи данных;
· факсимильной связи;
· автоматическая сеть телефонной связи.
Следует отметить, что вторичные сети не всегда являются независимыми друг от друга. Различные вторичные сети могут использовать общие каналы связи, коммутационные устройства и т.д.
Первичная сеть связи обеспечивает вторичные сети каналами связи.
Рассмотрим службы документальной электросвязи (ДЭС) обеспечивающие обмен различной не телефонной информацией (см. рисунок).
Телеграфные службы. Сети телеграфной связи
Телеграфная сеть России состоит из следующих трех коммутируемых сетей:
1 - сети общего пользования (ОП), по которой передаются телеграммы, принятые в городских отделениях связи (ГОС), районных узлах связи (РУС) или непосредственно на телеграфных узлах, и доставляемые адресатам (учреждениям, предприятиям, частным лицам);
2 - сети абонентского телеграфирования (АТ), по которой передаются телеграммы или организуются телеграфные переговоры между установленными у абонентов этой сети оконечными абонентскими установками;
3 - сети международного абонентского телеграфирования “Телекс”, по которой передаются телеграммы или организуются телеграфные переговоры между оконечными установками абонентов этой сети, находящихся в нашей стране и за ее рубежом.
Кроме перечисленных, в состав телеграфной сети страны входит сеть некоммутируемых (арендованных) каналов.
Сеть общего пользования. Сеть общего пользования предусматривает организацию по всей стране отделений связи, куда отправители сдают телеграммы и которые обеспечивают доставку телеграмм непосредственно получателю. Телеграмма может быть адресована в любой населенный пункт страны, где имеется отделение или узел связи.
Сеть абонентского телеграфирования обеспечивает передачу телеграмм или организацию телеграфных переговоров между установленными у абонентов этой сети оконечными телеграфными аппаратами (непосредственно в предприятиях и учреждениях).
Предприятие, имеющее такой аппарат, включенный через соединительную линию в коммутационные станции сети АТ, становится абонентом этой сети, которому предоставляются возможности:
– получения немедленного соединения с любым другим абонентом этой сети и ведения с ним телеграфного переговора в режиме поочередной двухсторонней связи;
– передачи телеграмм другим абонентам сети АТ независимо от присутствия обслуживающего персонала у приемного аппарата;
– соединения со станционным аппаратом своего узла коммутации для передачи сообщения абонентам, не включенным в сеть АТ (например, абонентам сети ПС);
– прием информации, поступившей от абонента другой сети через местный узел коммутации.
В качестве оконечной телеграфной аппаратуры ранее применялись рулонные аппараты, а в последнее время ПК с адаптерами.
Международный абонентский телеграф “Телекс” является разновидностью абонентского телеграфа. Он предназначен для обеспечения документальной связью посольств, торгпредств, иностранных корреспондентов и других абонентов, передающих сообщения в другие страны.
Направления развития телеграфной связи
До начала 90-х годов телеграфная связь являлась практически единственным видом документальной связи, который был доступен широкому кругу потребителей нашей страны. В настоящее время в телеграфии имеются кризисные явления, которые проявляются в постоянном снижении спроса на телеграфные услуги. Этот кризис начался в 1992 году.
Основные причины кризиса, кроме экономической ситуации в стране,
1 – отставание возможностей телеграфной связи от уровня современных требований к услугам документальной электросвязи.
2 – конкуренцией со стороны интенсивно развивающихся в нашей стране современных видов документальной связи таких как передача данных, электронная почта, факсимильная связь.
Снижение спроса на услуги телеграфной связи и рост потребностей на современные услуги документальной электросвязи является общемировой тенденцией, которая будет иметь место в нашей стране и в дальнейшем. Тем не менее, потребность в услугах телеграфной связи в нашей стране, хотя и в меньших размерах, сохранится в обозримом будущем.
Главными направлениями технического развития документальной электросвязи, включая телеграфную связь, являются:
1 – поддержание функционирования существующих телеграфных сетей и служб на уровне, необходимом для удовлетворения спроса на телеграфные услуги;
2 – объединение сетей абонентского телеграфирования АТ-50 и Телекс;
3 – частичная модернизация и замена коммутационного оборудования телеграфных сетей.
4 – создание и развитие новых общероссийских служб документальной электросвязи, обеспечивающих существенное расширение номенклатуры и объемов предоставляемых услуг и распространение этих услуг по всей территории страны, аналогично существующим телеграфным службам; (таких как электронная почта, комфакс, служба доступа к информационным ресурсам и других).
5 – интеграция услуг документальной электросвязи.
6 – использование сетей передачи данных с коммутацией пакетов в качестве транспортной среды.
Факсимильные службы.
Область электросвязи, которая занимается передачей неподвижных изображений по каналам электрической связи, называется факсимильной связью.
Организация факсимильной связи
По принципам предоставления услуг организация служб факсимильной связи осуществляется по двум, традиционным для телеграфной подотрасли направлениям – клиентские и абонентские.
К клиентской службе относится служба "Бюрофакс", к наиболее ярким представителям абонентской службы относится служба "Телефакс".
Традиционные абонентские установки (телефаксы) имеют ряд серьезных недостатков:
- подверженность значительному механическому износу. При частом использовании сканер телефакса забивается пылью и грязью, попадающими со считываемых документов. Пластиковые шестерни изнашиваются. Все это приводит к перекосам и неравномерной подаче как считываемых документов в сканер, так и термобумаги в записывающее устройство;
- сложность отправления документов большому числу адресатов;
- неэффективное использование термобумаги. Большинство факсимильных аппаратов распечатывает все получаемые сообщения (в том числе и не несущие никакой полезной информации на специальной дорогой термобумаге. Кроме высокой цены, у этой бумаги есть еще один существенный недостаток - изображение на ней неизбежно выцветает со временем. Таким образом, все важные сообщения необходимо для хранения копировать.
Поэтому в настоящее время в качестве абонентских установок используют ПК с факс-модемным адаптером и соответствующим программным обеспечением. Специальные факсимильные платы, способны передавать различную информацию со скоростью 14400 бит/с одновременно по 12 телефонным линиям. Системы на базе ПК с применением таких плат обладают рядом преимуществ перед обычными факсимильными аппаратами:
· удобство использования. Интеграция ПК с телефонной сетью и наделение его возможностями телефакса позволяет пользователям получать, обрабатывать и отправлять факсимильные сообщения, не отрываясь от своих компьютеров;
· эффективное использование телефонных линий. Факсимильная система, строящаяся на базе ПК, обеспечивает эффективный обмен информацией по малому числу телефонных линий, заменяя собой множество автономных телефаксов, для каждого из которых требуется отдельная линия;
· высокое качество передаваемого изображения. Любой документ текстового или графического редактора может быть передан в виде факсимильного сообщения высокого качества. Для этого с помощью специального программного обеспечения он преобразуется в формат, используемый факсимильной платой для передачи сообщений. Таким образом, гарантируется высокое качество изображения, поскольку документ не может быть "испорчен" ни низким качеством печати печатающего устройства, ни загрязнением сканера телефакса, ни неполадками в механизме подачи бумаги;
· сохранение конфиденциальности принимаемых сообщений. В отличие от обычных телефаксов, распечатывающих все поступающие сообщения на едином рулоне бумаги, рассматриваемые системы принимают и сохраняют их в персональных директориях пользователей, доступ к которым ограничивается паролем. Таким образом, полностью исключается просмотр важных документов посторонними людьми.
Кроме того, применение ПК для управления работой факсимильных карт позволяет реализовать множество полезных и удобных приложений. Наибольшее распространение получили такие приложения (службы) как:
– факс-сервер;
– факс по запросу;
– факс-рассылка.
Факс-сервер представляет собой компьютер, оборудованный несколькими специальными факсимильными платами (или одной многоканальной картой) и интегрированный с локальной вычислительной сетью (ЛВС). Факс-сервер позволяет каждому пользователю ЛВС передавать и принимать факсимильные сообщения с помощью своего рабочего ПК.

Факс-сервер в ЛВС
Передача. На каждом ПК локальной сети устанавливается специальная программа. Она дает возможность пользователю отправлять документы со своего компьютера. Достаточно указать документ, подлежащий отправке, и телефонный номер адресата. Все остальное факс-сервер сделает сам, оповестив пользователя об успешной передаче документа адресату. Причем все несрочные сообщения могут быть сохранены на диске факс-сервера и отправлены в ночное время по более низким тарифам. Некоторые факсимильные серверы также позволяют рассылать документы большому числу адресатов.
Прием. Факс-сервер принимает каждое поступающее факсимильное сообщение и сохраняет его в общей директории либо в персональной директории пользователя, извещая об этом в первом случае секретаря, а во втором - конкретного пользователя. Права доступа к обеим директориям для каждого пользователя могут быть ограничены. Этим обеспечивается сохранение конфиденциальности принимаемой информации.
Факс по запросу. Системы факс по запросу (ФПЗ) позволяют автоматизировать обработку запросов абонентов с предоставлением им факсимильных сообщений.
Как показывает практика, при обработке запросов вручную обычно выполняется следующая последовательность действий. Абонент звонит по номеру, на котором не установлен телефакс, и запрашивает какой-либо документ. Сотруднику нужно найти необходимый документ, дойти до телефакса, установить с абонентом новое соединение (известно, что 75% вызовов не достигают цели с первой попытки - занято, не отвечает, и т.д.) и отправить документ. Данный процесс обычно отнимает много времени.
Системы ФПЗ позволяют в цепочке абонент-сотрудник-документ полностью исключить звено "сотрудник".
Системы ФПЗ можно разделить на три вида:
– простого ответа;
– вещательные;
– интерактивные.
Работа систем простого ответа.
Организация, имеющая в своем распоряжении систему ФПЗ, указывает в рекламе рядом с каждым коммерческим предложением его индекс. Клиент, позвонив с телефакса по номеру системы ФПЗ, вводит один из этих индексов, используя функцию тонального набора, доступную на любом современном телефаксе. В ответ система автоматически высылает соответствующий индексу документ. Все документы хранятся в системе в виде файлов специального формата.

Рисунок.14.3. Обработка запросов аб
на передаче 





