Для управления полетом, т.е. для изменения траектории движения, необходимо приложить к центру масс ракеты, кроме силы тяжести, дополнительные, так называемые управляющие силы.
Для изменения величины управляющих сил необходимы органы управления, для создания крутящих моментов относительно центра масс, под действием которых происходит отклонение ракеты на некоторый угол по отношению к направлению полета.
Такими органами управления являются рули, поворот которых на требуемые углы осуществляется рулевым приводом. В качестве приводов рулевых поверхностей ракеты в зависимости от источника энергии используются три типа приводов:
- пневматический;
- гидравлический;
- электрический.
В настоящее время в области создания приводов для управления рулевых поверхностей ракет наблюдается тенденция к замене традиционных пневмо- и гидроприводов на приводы электрического типа.
В первую очередь это объясняется высокими эксплуатационными качествами электропривода, возможностью длительного хранения, наличие только одного вида энергии – электрической, которая используется как на борту ракеты в автономном полете, так и в промышленной сети при отладке и плановых проверках работоспособности привода.
Конструктивно рулевой привод объединяет все четыре канала управления и выполнен в виде единого блока рулевых приводов (БРП), куда входит механическая часть и электронный блок управления приводом (БУП).
Механическая часть включает четыре исполнительных механизма, состоящих в свою очередь из электродвигателя и редуктора.
В качестве исполнительного двигателя в приводе используются электродвигатели типа ДПР и ДП, основные характеристики которых приведены в Таблице 7.1.
Таблица 7.1
| Наименование параметра, единица измерения | |
| Номинальное напряжение питания, В Номинальная мощность, Вт | |
| Частота вращения, об/мин | |
| Потребляемый ток, А | |
| Пусковой момент, Нм | |
| Сопротивление якоря RЯ, Ом | |
| Длина L, мм | |
| Диаметр D, мм |
| Параметры | |||
| ДП32-25 | ДП40-60 | ДПР 62 | ДПР 72 |
| 1,8 | 4,4 | 1,080 | 1,59 |
| 0,408 | 1,02 | 1,162 | 0,346 |
| 1,2 | 1,2 | 5,30 | 3,10 |
| 74,2 | 84,2 | ||
Крепление двигателя к редуктору осуществляется винтами через отверстия во фланце, а центрирование по цилиндрическому выступу на передней торце Вал двигателя цилиндрический с креплением на нем шестерни с помощью шпонки (рис.7.1). Кинематическая схема редуктора приведена на рис.7.2.
![]() |
Рис. 7,1.

Рис.7.2. Кинематическая схема редуктора привода
с зубчатыми колесами.
В зависимости от объема, выделенного под исполнительный механизм, при одной и той же кинематической схеме, конструкция редуктора может быть выполнена в виде отдельного агрегата или может быть встроена в силовой корпус блока приводов. Каждая из конструкций имеет свои достоинства и недостатки.
Первая отличается простотой при сборке и отладке, но содержит больше деталей; вторая – несколько сложна в изготовлении, но имеет меньшее количество деталей и более жесткую конструкцию.
На рис. 7.3 приведено сечение корпуса редуктора являющегося самосточтельной сборочной единицей, агрегатом.
Степень точности зубчатой передачи выбирается из расчета массового изготовления в серийном производстве и, как правило, назначается 7 или 8 степень. Класс сопряжения зубчатых колес в передаче выбирается из расчета обеспечения плавности хода передачи при максимальном угловом люфте (8-12 угловых минут) с учетом наличия боковых зазоров во всем интервале температур окружающей среды в эксплуатации (для ракет класса «воздух-воздух» этот интервал от -55ºС до 65ºС). С учетом этих требований тепень сопряжения зубчатых колес соответствует полям допусков Е, D или F.
![]() |
Рис. 7.3.
В отличии от редукторов общего машиностроения и редукторов применяемых в установках АрВ, редуктора приводов ракет имеют существенно меньшие габариты.
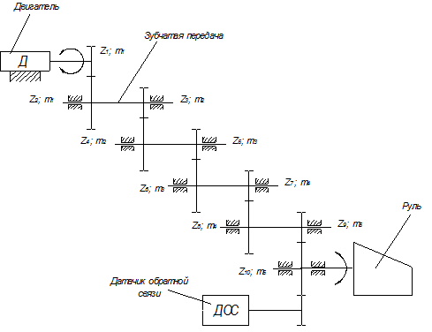
Привод состоит из основания, крышки, блоков зубчатых колёс, подшипников, исполнительного электро двигателя и датчика обратной связи (ДОС).
В качестве датчика обратной связи по углу отклонения выходного вала используется переменный резистор типа «СП», пленочный (СП-4-8) или проволочный (СП-5-21). Связь с выходным валом привода осуществляется одноступенчатым зубчатым зацеплением с передаточным отношением, обеспечивающим использование всего рабочего угла поворота вала потенциометра. Для обеспечения точности передача выполнена безлюфтовой. Это обеспечивается установкой на вал потенциометра шестерни, которая состоит из двух половинок, между которыми расположена пружина кручения для сдвига шестерен относительно друг друга на 1-2 зуба. Конструкция датчика обратной связи показана на рис.7.4.

Рис.7.4. Датчик обратной связи.
Вращение вала исполнительного двигателя (ИД) преобразуется в перемещение управляемого элемента или выходного вала (ВВ), руля ракеты. Положение выходного вала определяется положением вала потенциометра или датчика обратной связи (ДОС) являющимся элементом системы управления ракетой.
Кинематическая цепь привода состоит из силовой и следящей цепей. Силовая цепь включает в себя зацепление между шестернёй вала исполнительного двигателя и зубчатым сектором вала рулей. Следящая цепь включает зацепления между шестернёй
ДОС и зубчатым сектором.
К точности изготовления кинематических цепей предъявляются определённые требования, так как они по-разному влияют на параметры статической и динамической характеристик системы. Увеличение зазора или свободного хода в цепи ВВ – ДОС приводит к увеличению статической ошибки рассогласования, а в цепи ИД – ДОС к увеличению длительности переходного процесса и возникновению автоколебаний. Поэтому зазор в цепях ВВ – ДОС, ИД – ДОС строго регламентируется, и после сборки величина его контролируется.
Уменьшение зазора в цепи ВВ – ИД приводит к увеличению потерь на трение., а при малом управляющем сигнале нарушается плавность вращения и увеличивается зона нечувствительности. Одним из параметров, влияющим на кинематическую точность редуктора, является мертвый ход, или суммарная величина люфта. Величина мертвого хода зависит от допусков на: толщину зубьев; межосевого расстояния; эксцентриситета сопрягаемых колёс и радиальных зазоров в опорах; допуска на шаг между зубьями.
Отсутствие люфтов приводит к заклиниванию системы, малая величина люфта снижает КПД редуктора. Поэтому величина бокового зазора между зубьями должна быть оптимальной, чтобы обеспечить плавность хода и минимальную величину мертвого хода.
Как правило, в силовых цепях редукторов зубчатые колёса изготавливают по 7…8 степеням точности, а в цепях измерителей рассогласования предусматривается безлюфтовое зацепление.(см. конструкцию ДОС).

