Построение и содержание технологического процесса обработки заготовки корпусной детали, в основном, определяется выбором баз и размерными связями между различными поверхностями.
Маршрут механической обработки корпусных деталей включает следующие основные этапы:
1) обработку поверхностей, используемых в качестве технологических баз при последующей обработке;
2) обработку взаимосвязанных плоских поверхностей;
3) обработку основных и крепежных отверстий;
4) отделочную обработку плоских поверхностей;
5) отделку основных отверстий (требуется всегда).
Каждый из этапов состоит из нескольких операций в зависимости от вида обрабатываемых поверхностей и требований по точности. В некоторых случаях в маршрут включают старение между черновой и чистовой обработкой.
В условиях единичного и мелкосерийного производства, а также при обработке крупных заготовок обработку корпусных деталей ведут по разметке. Посредством разметки определяют положение осей основных отверстий и других поверхностей детали. Установку и выдержку заготовки на станке осуществляют по рискам.
|
|
|
Необходимо отметить, что разработка маршрута механической обработки корпусных деталей зависит от типа производства.
Рассмотрим типовые маршруты механической обработки корпусных деталей для различных типов производства.
В мелкосерийном и серийном производствах обработка заготовок корпусных деталей осуществляется в такой последовательности:
1) разметка основных плоскостей с нанесением горизонтальных и вертикальных рисок;
2) черновое фрезерование основных плоскостей;
3) разметка отверстий;
5) чистовое фрезерование основных плоскостей;
6) координатное растачивание конструкторских базовых отверстий;
7) фрезерование второстепенных плоскостей;
8) обработка крепежных отверстий;
9) финишная обработка точных конструкторских базовых отверстий.
В массовом и крупносерийном производствах обработка заготовок корпусных деталей производится в следующей последовательности:
1) обработка установочной базовой плоскости и изготовление 2-х технологических отверстий по 7-му квалитету;
2) черновая и чистовая обработка основных плоскостей;
3) черновая и чистовая обработка взаимосвязанных базовых конструкторских отверстий;
4) фрезерование второстепенных плоскостей;
5) обработка крепежных отверстий;
6) финишная обработка конструкторских базовых отверстий.
Для обработки корпусных деталей применяют строгание, фрезерование, точение, шлифование, протягивание. В единичном и мелкосерийном производствах используют строгание на продольно-строгальных станках. Однако производительность строгания низкая. Наибольшее распространение при обработке плоскостей корпусных деталей имеет фрезерование. В зависимости от характера и расположения обрабатываемых поверхностей, масштаба выпуска используют консольно-фрезерные, продольно-фрезерные, карусельно-фрезерные, барабанно-фрезерные и другие станки. В автоматических линиях применяют агрегатно-фрезерные станки. Продольно-фрезерные станки общего назначения используют для чернового и чистового фрезерования в мелкосерийном производстве. В среднесерийном и крупносерийном производстве обработку ведут набором фасонных или стандартных фрез на специализированных многошпиндельных продольно-фрезерных станках. На барабанно-фрезерных станках обрабатывают одновременно две параллельные плоские поверхности предварительно и окончательно. Плоскости фрезеруют на карусельно-фрезерных станках при непрерывном вращении стола с перекладыванием деталей попарно. Черновая и чистовая обработка выполняется последовательно двумя фрезами. На автоматических линиях плоские поверхности обрабатывают торцовыми фрезами с использованием агрегатных продольно-фрезерных автоматов с одной или двух сторон одновременно.
|
|
|
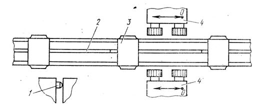
Рассмотрим пример. Двухшпиндельные фрезерные головки 4 (рис. 3) перемещаются влево до упора 1, осуществляя последовательно черновую и чистовую обработку заготовки 3, которая зафиксирована в рабочей позиции. Конвейер 2 подает следующую заготовку, при этом головки перемещаются в исходное положение. Затем цикл обработки повторяется. Фрезерованием в два перехода (черновой и чистовой) достигают точности 10-го квалитета, шероховатости Rа = 3,2…1,6 мкм. В серийном производстве обработку ведут с использованием всей рабочей поверхности стола, устанавливая несколько заготовок. Шлифование производят на плоскошлифовальных станках периферией круга, торцом чашечного круга, торцом сборного сегментного круга. Плоское силовое шлифование малочувствительно к литейным коркам и прерывистым поверхностям, поэтому заготовки можно шлифовать без предварительной обработки фрезерованием или строганием при сравнительно малых припусках (3-5 мм). В массовом производстве широко используют протягивание наружных поверхностей жестких деталей. Его применяют для черновой и чистовой обработки, а также для зачистки и калибрования. Протягивание высокопроизводительно. Его выполняют на специальных мощных, быстроходных протяжных станках протяжками из твердых сплавов со скоростью резания до 60 м/мин (чугун). Протяжные станки горизонтального и вертикального типов, однопозиционные и многопозиционные встраивают в автоматические линии. При высоких требованиях к точности и шероховатости поверхностей вводят отделочную операцию, тонкое шлифование или фрезерование. В мелкосерийном производстве базовые поверхности шабрят.

Рис. 3. Схема обработки корпусной детали на
автоматической линии
Обработка основных отверстий является ответственной и трудоемкой частью технического процесса изготовления корпусных деталей. Обработка делится на черновую, чистовую и отделочную.
Для обработки основных отверстий применяют сверла, резцы, зенкера, расточные головки, развертки. Для отделочной обработки используют также шариковые или роликовые раскатки. Сверла применяют для предварительного сверления отверстий в сплошном материале. Отверстия более 30 мм, как правило, получают литьем. При сверлении по кондуктору достигают точности диаметрального размера по квалитету Н11…Н12. Отверстия в отливках единичного и мелкосерийного производства растачивают резцами. Эта обработка обеспечивает правильное положение оси отверстия. Резцы применяют в резцовых головках и резцовых блоках для обработки отверстий большого диаметра. Зенкеры используют для черновой обработки литых отверстий, для получистовой обработки отверстий после сверления или растачивания резцом. Для отверстий, точность которых не выше квалитета Н10, зенкер можно использовать для окончательной обработки. Шероховатость поверхности Rа = 1,6 мкм обеспечивается зенкерованием.
|
|
|
Основные отверстия большого диаметра (100 мм и более) обрабатывают многорезцовыми расточными головками, оснащенными пластинками твердого сплава. Они позволяют при повышенных режимах снимать большой припуск за минимальное количество проходов и являются самым производительным инструментом. Чистовую обработку по квалитетам Н6…Н10, диаметром до 400 мм осуществляют в большинстве случаев развертыванием. Используют развертки, оснащенные пластинами твердого сплава. Отверстия квалитетов Н8…Н9 получают путем однократного развертывания, а отверстия квалитета Н7 – путем двукратного развертывания. Обработку отверстий квалитета Н6 развертыванием осуществляют при соблюдении условий: развертывают вручную, разверткой с доведенными режущими кромками со смазочно-охлаждающей жидкостью. При этом достигают шероховатость поверхности Rа = 0,8 мкм. Припуски под черновое развертывание оставляют до 0,5 мм на диаметр, под чистовое – 0,07…0,15 мм. Для установки разверток используют специальные плавающие патроны. В серийном и массовом производстве широко используют расточные блоки и плавающие пластины для обработки отверстий диаметром до 600 мм. Их применяют для чернового и чистового растачивания. По сравнению с однорезцовым растачиванием при обработке расточными блоками или пластинами радиальные составляющие сил резания уравновешены, что исключает изгиб оправки. Точность обработки обеспечивается по квалитету точности Н7 и шероховатости поверхности Rа = 0,63 мкм. Торцовые поверхности отверстий обрабатывают подрезными резцами и торцовыми зенкерами. Подрезку торцов осуществляют также резцом, установленным в летучем суппорте расточного станка, с радиальной подачей или фрезой. На автоматических линиях используют стандартный и нормализованный инструменты, а также специальные режущие инструменты.
|
|
|
Для обработки основных отверстий корпусных деталей используют горизонтально-расточные, координатно-расточные, вертикально-расточные, радиально-сверлильные, карусельные, агрегатные и др. станки. Точность межосевых расстояний, параллельность и перпендикулярность осей, соосность отверстий обеспечивают их обработкой с одного установа.
Точность межосевых расстояний и точность положения отверстий относительно баз достигают различными методами. В единичном и мелкосерийном производстве растачивание производят по разметке. Координатное –растачивание на горизонтально-расточных станках производят за один установ заготовки. При растачивании совмещения оси шпинделя станка с осью каждого из обрабатываемых отверстий осуществляют перемещением шпиндельной бабки в вертикальном, а стола - в горизонтальном направлениях в соответствии с заранее рассчитанными координатами.
Достигаемая точность межосевых расстояний в пределах ±0,02 мм. Растачивание отверстий координатным методом выполняют также на координатно-расточных станках. Эти станки отличаются повышенной точностью. Точность межосевых расстояний отверстий в пределах 0,001…0,008 мм.
В серийном производстве широко используют растачивание в специальных приспособлениях–кондукторах. Точность расположения отверстий достигают с помощью направляющих втулок приспособления.
Обработка крепежных и других отверстий выполняется, в основном, на вертикально-сверлильных, радиально-сверлильных и агрегатных станках. В зависимости от размеров и конструктивных форм корпусных деталей, серийности выпуска используют различные кондукторы коробчатого типа, накладные поворотные или выполняют обработку по разметке. Обработка крепежных и других отверстий небольшого диаметра включает сверление, зенкерование, цековку, снятие фасок, развертывание, нарезание резьб. В индивидуальном и мелкосерийном производстве на универсальных станках обработку ведут по разметке. В среднесерийном производстве применяют многошпиндельные и резьбонарезные головки, а также ведут обработку на агрегатных станках. Агрегатные станки позволяют одновременно обрабатывать отверстия, расположенные в нескольких стенках заготовки.
Отделка основных отверстий. Отделочными операциями являются тонкое растачивание, планетарное шлифование, хонингование, раскатка роликами. Точное растачивание на алмазно-расточных станках применяют для получения высокой точности размеров отверстий по квалитетам Н6…Н7, их геометрической формы (допуск овальности, конусообразности 3…4 мкм) и прямолинейности оси отверстия. Шероховатость поверхности Ra = 1,25…0,63 мкм. Эту обработку применяют для точных гладких отверстий небольших диаметров в деталях средних и небольших размеров. Растачивание ведут однолезвийными резцами с пластинками из твердых сплавов, а также алмазными резцами и резцами, оснащенными сверхтвердыми режущими материалами. Для обработки отверстий диаметром более 150 мм применяют внутреннее планетарное шлифование. Шлифовальный круг вращается относительно оси шпинделя, совершая планетарное движение, т.е. вращение относительно оси отверстия. Продольную подачу осуществляют поступательно-возвратным движением заготовки, поперечную – перемещением шлифовального круга. Достигают – точности отверстия по квалитету Н6, шероховатости Ra = 0,32 мкм. Однако этот процесс мало производителен. Хонингование выполняют на специальных хонинговальных станках – одно- и многошпиндельных. Обработку ведут с охлаждением хонинговальными головками, на которых установлены абразивные бруски. Головка вращается и совершает поступательно-возвратное движение. Хонингованием обрабатывают отверстия диаметром 15…200 мм и достигают точности по квалитету Н6, шероховатости Ra = 0,08 ¸ 0,04 мкм. Хонингование является производительной отделочной операцией и применяется после развертывания и шлифования.
Раскатыванием отверстий в стальных корпусных деталях достигают шероховатости Ra = 0,08 ¸ 0,04 мкм, при этом твердость поверхностного слоя возрастает на 20…25 %. Производительность выше по сравнению с хонингованием в 5 раз. В единичном и мелкосерийном производстве для обеспечения минимальной шероховатости отверстий используют притирку с применением мягких и твердых абразивных материалов.
Особенности обработки разъемных корпусов. В маршрут обработки заготовок разъемных корпусов дополнительно к вышеприведенным операциям включают:
- обработку поверхности разъема у основания;
- обработку поверхности разъема у крышки;
- обработку крепежных отверстий на поверхности разъема основания;
- обработку крепежных отверстий на поверхности разъема крышки;
- сборку корпуса промежуточную (слесарно-сборочная операция);
- обработку двух точных отверстий (обычно сверлением и развертыванием) под цилиндрические или конические штифты в плоскости разъема сборочного корпуса.
Пример типового маршрута изготовления кронштейна.
Кронштейн (рис. 4) изготавливается литьем в разовые формы с машинной формовкой по деревянным моделям. Материал – серый чугун.
05 Вертикально-фрезерная (рис. 5).
Вертикально-фрезерный станок 6М12П. Приспособление специальное. Фрезеровать плоскость 1 под шлифование.
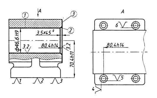
10 Радиально-сверлильная (рис. 6).

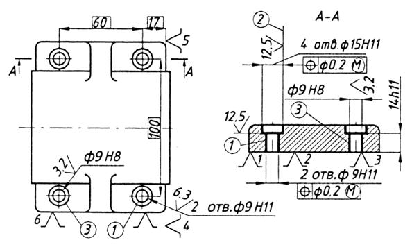
Рис. 4. Кронштейн

Рис. 5. Операционный эскиз операции 05

Рис. 6. Операционный эскиз операции 10
Радиально-сверлильный станок 2Н53, приспособление – кондуктор. Сверлить четыре отверстия 1 и 2. Зенкеровать четыре отверстия 2 и 3. Развернуть отверстия 3.
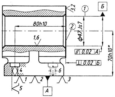
15 Токарная (рис. 7).
Токарный станок 16К20. Приспособление – типа «угольник». Расточить отверстие 1, фаску 2, подрезать торец 3 под тонкое растачивание и обтачивание (обработка противоположного торца не показана).

Рис. 7. Операционный эскиз операции 15
25 Радиально-сверлильная (рис. 8).
Станок радиально-сверлильный 2Н53. Приспособление – кондуктор. Сверлить, зенкеровать, нарезать резьбу в четырех отверстиях 1 (обработка отверстий на противоположном торце не показана).

Рис. 8. Операционный эскиз операции 25
35 Плоскошлифовальная (рис. 9).
Станок плоскошлифовальный 3Б722. Приспособление специальное. Шлифовать плоскость основания начисто.

Рис. 9. Операционный эскиз операции 35
40 Алмазно-расточная (рис. 10).
Станок для тонкой расточки. Приспособление специальное установочное. Расточить отверстие 1 и подрезать торец 2 начисто.

Рис. 10. Операционный эскиз операции 40
45 Алмазно-расточная (рис. 11).
Станок для алмазной расточки. Приспособление специальное установочное. Подрезать торец 1.

Рис. 11. Операционный эскиз операции 45