
Существуют два принципиально различных метода изготовления зубчатых колес - метод копирования и метод обкатки (огибания).
При методе копирования профиль инструмента точно совпадает с профилем впадины изготовляемого колеса. В качестве инструмента используются модульная дисковая (рис.13.6) или пальцевая фреза, фасонный резец и др. После обработки каждой впадины заготовка поворачивается на один угловой шаг:
.
Процесс повторяется до тех пор, пока не будут нарезаны все зубья (
- центральный угол). Так как форма эвольвенты зависит от радиуса основной окружности, то колеса одного модуля, но с разным числом зубьев должны нарезаться фрезами с различной кривизной эвольвенты. Но бесконечное количество фрез иметь невозможно, поэтому промышленностьюизготавливаются комплекты, состоящие из 8 фрез. Это приводит к неточности изготовления колес. Вторым существенным недостатком метода копирования является низкая производительность труда.
При методе обкатки инструмент и заготовка имеют такое же относительное движение, как два зубчатых колеса в зацеплении. Поэтому инструмент представляет собой колесо с зубьями эвольвентного профиля, заточенными для осуществления резания. Такое инструментальное колесо называется долбяком (рис. 13.7).
Кроме долбяка используется зуборезная рейка с прямолинейными профилями зубьев или червячная фреза, которая в нормальном сечении витков имеет профиль рейки. Преимущества метода обкатки – высокая производительность, большая точность, возможность нарезания колес одного модуля с различными числами зубьев одним и тем же инструментом.
13.3. Кинематика зубчатых механизмов с неподвижными осями вращения
Для получения больших передаточных отношений применяются многоступенчатые передачи, составленные из нескольких простых зубчатых передач. Рассмотрим трехступенчатую передачу.

Передаточное отношение всего механизма равно
(13.2)
апередаточное отношение отдельных ступеней –


Перемножим эти отношения:
(13.3)
Сравнивая выражения (13.2) и (13.З), получим

т.е. передаточное отношение многоступенчатой передачи равно произведению передаточных отношений отдельных ступеней.
Колеса 1 и 4 вращаются в одну сторону. Таким образом,

Если все ступени являются цилиндрическими передачами, то в общем случае
(13.4)
где n – число внешних зацеплений.
Частным случаем многоступенчатой передачи является ступенчатый ряд с промежуточными (паразитными) колесами (рис.13.9).

Промежуточные колеса не влияют на величину общего передаточного отношения, но могут изменять его знак. Такие передачи применяются для изменения направления вращения ведомого звена, а также в случае передачи вращения между удаленными валами. В общем случае
(13.5)
13.4. Кинематика зубчатых механизмов с подвижными осями вращения
К механизмам с подвижными осями относятся механизмы, в составе которых имеется хотя бы одно колесо с перемещающейся в пространстве осью вращения (сателлит). Различают три вида таких механизмов:
1) дифференциальные
2) планетарные
3) замкнутые дифференциальные
Рассмотрим один из простейших дифференциальных механизмов (рис.13.10).Звенья 1 и 3 – центральные колеса, 2 – сателлит, Н – водило. Водило Н и соосные с ним центральные колеса 1 и 3 называются основными звеньями.


Получим формулу, связывающую угловые скорости звеньев в дифференциальном механизме. Используем метод обращения движения. Сообщаем всем звеньям механизма дополнительную угловую скорость, равную угловой скорости водила Н, но противоположно направленную, т.е. (
). При этом относительное движение звеньев не изменится, а угловые скорости в обращенном движении будут следующими:

Таким образом, так как
то дифференциальный механизм превратился в зубчатый механизм с неподвижными осями. Для такого обращенного механизма
(13.6)
где
– передаточное отношение обращенного механизма, определяемое через число зубьев колес:

Полученное выражение(13.6) называется формулой Виллиса. В общем случае формула Виллиса имеет вид

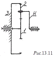
Если в дифференциальном механизме одно из центральных колес сделать неподвижным, то получится планетарный механизм (рис. 13.11).
Так как
то из формулы
получим:


(13.7)
Выражение(13.7) называется формулой Виллиса для планетарных механизмов. В общем случае она имеет вид
(13.8)
где индекс в соответствует неподвижному центральному колесу.
Планетарные механизмы часто называются планетарными передачами. Они позволяют получать большие передаточные отношения при малых габаритах.
Пример. Определить
если 

(рис.13.12).

На основании формулы (13.7) находим
