
Рис.4.7.Схема коронного разряда.
Коронный разряд является самостоятельным. Однако в отличие от других самостоятельных разрядов сила тока в нем ограничивается не сопротивлением внешней цепи, а ограниченной проводимостью внешней области разряда. Поэтому вольт-амперная характеристика коронного разряда положительна, т. е. сила тока растет при увеличении напряжения. Коронный разряд используется в электровольтных стабилитронах, а также в газоразрядных счетчиках.
Кроме описанных форм разряда существует еще несколько характерных разновидностей, а также переходных форм. Кроме стационарных бывают нестационарные формы разрядов: искровой, высокочастотный, скользящий и пр.
Особой формой разряда является дуговой разряд в приборах с накаливаемым катодом. В них дуговой разряд возникает при небольших напряжениях на электродах, так как катод разогревается не ионами, а посторонним источником напряжения. Такой разряд, называемый низковольтной дугой, используется в газотронах и тиратронах.
Низковольтная дуга может возникать при потенциале анода, меньшем потенциала ионизации или даже потенциала возбуждения. В первом случае низковольтную дугу называют нормальной, а во втором случае — аномальной.
В ионных приборах используется также высокочастотный разряд, вызываемый действием высокочастотного электромагнитного поля. Если электроды прибора отключить от батареи Е и использовать как обкладки конденсатора в высокочастотном колебательном контуре, то в разрядном промежутке возникнет высокочастотный разряд. Малоподвижные ионы не успевают изменять направление своего движения при быстрой перемене знаков потенциала на электродах и образуют объемный положительный заряд. Высокочастотный разряд возможен при низких значениях разности потенциалов на электродах.
Этот вид разряда используется в радиолокационных резонансных разрядниках.
Высокочастотные разряды
Электрические разряды в газах могут питаться не только от источников постоянного тока, но и от источников переменного тока. Принципиальных различий между ними нет до тех пор пока частота тока не слишком велика. В этих условиях в течение каждого полупериода приложенного напряжения, по мере его повышения сверх напряжения зажигания, разряд последовательно проходит все формы, начиная от зажигания и кончая той формой, которую ограничивает мощность источника питания. С понижением напряжения развитие процессов идет в обратном направлении и заканчивается погасанием разряда при некотором конечном напряжении, обычно несколько меньшем напряжения зажигания. В следующем полупериоде разряд вновь возникает при соответствующем напряжении зажигания, и все повторяется снова.
Важно, что существует перерыв в прохождении тока между моментом погасания разряда в предыдущем полупериоде и моментом зажигания в последующем. В период паузы плазма в разрядном промежутке практически отсутствует. Исчезновение плазмы происходит в течение короткого промежутка времени, порядка 10-3–10-5 с. Рассасывание плазменного образования происходит тем быстрее, чем выше подвижность ионов газа. Этот процесс называется деионизацией газа в разрядном промежутке.
В первом приближении но характеру происходящих явлений возникающий разряд не отличается от разряда при постоянном источнике тока. Однако появляется некоторая разница фаз между током и напряжением, приводящая к искажению вольтамперной характеристики и появлению гистерезиса. По мере повышения частоты питающего напряжения промежутки времени между погасанием и повторным зажиганием разряда уменьшаются и, наконец, становятся соизмеримыми с временем деионизации. Именно в этих условиях происходит переход к высокочастотному разряду, когда полная деионизация разрядного промежутка отсутствует и плазма существует непрерывно. Граничная частота перехода к высокочастотному разряду различна для разных случаев и может находиться в пределах от нескольких десятков килогерц до нескольких мегагерц, в зависимости от конструкции разрядного промежутка, материала электродов, природы газа и его давления.
Существует много разновидностей высокочастотного разряда, однако важнейшими являются две основные формы: разряд Е-типа, наблюдаемый при преобладании электрического поля, и разряд Н-типа, наблюдаемый при преобладании магнитного поля.
Важно, что высокочастотные разряды могут существовать даже тогда, когда электроды изолированы от соприкосновения с газом.
В высокочастотном разряде заряженные частицы находятся в существенно неравновесных условиях. При преобладании электрического поля легкие подвижные электроны совершают колебательное движение вдоль поля, тогда как гораздо более массивные ионы газа в колебательном движении практически не участвуют, совершая только тепловой дрейф. По этой причине положительные ионы можно считать условно неподвижными, как и нейтральные атомы. Всю работу по ионизации газа разрядного промежутка совершают электроны.
Рассмотрим случай, когда плотность газа мала. Здесь можно пренебречь столкновениями электрона с частицами газа. Пусть напряженность поля меняется по синусоидальному закону E=E0sinωt. Уравнение движения электрона имеет вид:
(4.3)
интегрирование которого дает:
(4.4)
Предположим, что свободный электрон появляется вследствие ионизации и начинает свое движение под действием поля в момент t=t0, когда фаза колебания поля
равна ωt0. Тогда
(4.5)
Если начало координат для отсчета выбрать удобно, то можно принять C2=0: C1 –принимает разные значения при различных начальных фазах:







Следовательно, если электрон начинает свое движение в такой момент, когда ωt0=π/2 или 3π/2, то его движение представляет собой простое гармоническое колебание около некоторого положения равновесия. При всех других значениях ωt0 на гармоническое колебание электрона накладывается поступательное движение в ту или другую сторону. Скорость этого движения наибольшая при ωt0=0 или при ωt0=π.
Большая длина пути, пробегаемого электроном в газе, приводит к большой вероятности соударений электрона с частицами газа и к интенсивной ионизации. Начинается повышение концентрации заряженных частиц в плазме. Замыкание электрической цепи происходит за счет емкостных токов смещения в диэлектрической стенке трубки.
Потенциал зажигания высокочастотного разряда т. е. амплитуда быстропеременной, наложенной на электроды разности потенциалов, при которой возникает разряд, при прочих равных условиях подчиняется закону Пашена. При большой частоте колебаний эта амплитуда может быть ниже потенциала зажигания разряда при постоянном токе.
Разряды H - типа можно наблюдать, если поместить газ в высокочастотное магнитное поле, например, в поле контурной катушки высокочастотного генератора. Механизм развития такого разряда в общих чертах выглядит следующим образом: электрон, возникший в газе под действием внешнего ионизатора и движущийся поступательно в пределах свободного пробега, в магнитном поле начинает закручиваться по ларморовским окружностям. Так как магнитное поле переменно, то отклонение электрона от прямолинейной траектории сопровождается ею ускорением. Ускоряющая сила, действующая на электрон, зависит от скорости изменения магнитной индукции и от напряженности магнитного поля, влияющей на радиус кривизны траектории.
Если ускорение достаточно, то электрон становится способным ионизировать газ. В разрядной трубке разрядные процессы сосредоточены там, где напряженность магнитного поля высока, т.е. в непосредственной близости от витков катушки генератора. Между витками и газом находится диэлектрическая стенка разрядной трубки, поэтому разряд приобретает форму кольцевого стоя, расположенного вдоль стенки трубки. В непосредственной близости от стенки разрядные процессы не протекают вследствие потерь ионов на ней. Вот почему в этой области наблюдается отчетливая темповая область.
По электрической природе разряды Е- и Н- типов различны. Например, разряды Е- типа могут возбуждаться при относительно малых мощностях, начиная от единиц ватт, тогда как на создание разряда Н - типа требуется мощность на несколько порядков большая. Это связано с уже упомянутыми выше особенностями разряда Н- типа. Действительно, магнитное поле с малой индукцией не обеспечивает необходимое ускорения электронов. Попытка увеличить ускорение за счет снижения давления газа при неизменной амплитуде индукции (т. е. при неизменной мощности) к положительным результатам не приводит, ибо с уменьшением давления падает концентрация частиц и, следовательно, вероятность ионизации.
4.5. Конструкция отдельных классов ионных приборов
Стабилитроны тлеющего разряда
В стабилитронах тлеющего разряда используется свойство нормального тлеющего разряда сохранять величину катодного падения потенциала постоянной при изменении тока, протекающего через прибор.
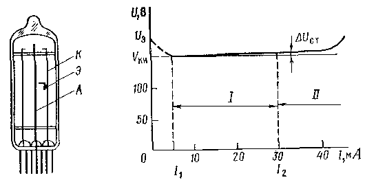
Стабилитрон выполняют в виде стеклянного баллона, в котором помещены на слюдяных или керамических изоляторах два металлических электрода в виде коаксиальных цилиндров (рис.4.8): внешний цилиндр — холодный катод К и тонкая проволока внутри него — анод А. Катод выполняется из никеля, покрытого цезием или редкоземельными элементами (Се, Рr, La, Nd и др.), или из молибдена. Для понижения напряжения возникновения разряда Uз на внутренней поверхности катода часто прикрепляют небольшой электрод Э. Прибор наполняется смесью инертных газов (чаще всего —Ne или Не+1%Аr) до давления от десятых паскалей до нескольких кПа.

Рис.4.8.Внешний вид ВАХ стабилитрона.
Вольт-амперная характеристика прибора и схема его включения приведены на рис.4.8 и 4.9. При увеличении напряжения между электродами в момент, когда оно становится равным Uз, в приборе возникает тлеющий разряд и при дальнейшем увеличении напряжения источника питания увеличивается ток через прибор, а падение напряжения между его электродами остается почти постоянным, равным Vки. Область I характеристики соответствует нормальному тлеющему разряду, область II —аномальному. Комбинируя газы (смеси) и материалы катода, можно получать Vки в довольно широком диапазоне, от 35 до нескольких сотен вольт. Зависимость Vки от давления и формы электродов очень невелика. Интервал изменения токов от I1 до I2, в пределах которого остается почти неизменным напряжение Uст на приборе, определяется размерами катода.

Рис.4.9.Схема включения стабилитрона
Дифференциальное сопротивление стабилитрона Ri=dU/df определяется на рабочем участке наклоном вольт-амперной характеристики, статическое сопротивление прибора равно Rc=U/I.
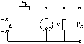
Стабилитроны могут работать в режимах непосредственной стабилизации и опорного элемента. В режиме непосредственной стабилизации (рис.4.9), в соответствии с уравнением Кирхгофа, напряжение источника питания E=U+IRб, а величина тока через прибор I=(E-U)/Rб. При изменении напряжения E ток I изменяется:
(4.6)
Откуда:
(4.7)
Если относительные колебания напряжения источника dE/E=∆1 и стабилизированного напряжения dU/U=∆2, то коэффициент стабилизации k=∆1/∆2 и должен быть возможно большим.
Используя вышеприведенные соотношения, можно записать:
(4.8)
При наличии нагрузки Rн, включаемой параллельно стабилитрону, выражение для k приобретает вид:
или
(4.9)
Из формулы видно, что большое значение k получается при возможно больших Rб,Rс,Rн и при малых Ri. Коэффициент стабилизации всегда больше единицы, обычно k=5÷100, а в специальных схемах доходит до нескольких тысяч.
Стабилитроны тлеющего разряда разработаны на напряжения до 150 В. При необходимости стабилизации более высоких напряжении используют последовательное соединение нескольких однотипных приборов или применяют высоковольтные стабилитроны коронного разряда.
Основными параметрами стабилитронов являются напряжение стабилизации Uст=Vки, напряжение возникновения разряда Uз, минимальный I1 и максимальный I2 токи режима стабилизации, дифференциальное Ri и статическое Rc сопротивления, а также максимальное изменение Uст в рабочем диапазоне токов ∆Uст, диапазон рабочих температур и долговечность.
В настоящее время стабилитроны чаще всего используют в режиме опорного элемента. Для таких стабилитронов указывают, кроме того, дрейф напряжения во времени (бывает не более 0,1 В за 100 ч) и температурный коэффициент напряжения стабилизации αст (обычно несколько милливольт на градус).
Приборы отличаются большой устойчивостью к влиянию внешних температур, долговечностью (несколько тысяч часов), обладают практически мгновенной готовностью к действию, просты по конструкции и эксплуатации.
Газотроны дугового разряда
Газотрон — двухэлектродный газоразрядный прибор с накаленным катодом, наполненный инертным газом (около 10 Па) или ртутными парами (0,1 — 1,0 Па), в котором происходит несамостоятельный дуговой разряд. Применяют газотроны для работы в выпрямительных устройствах. Вследствие малого катодного падения и взаимной компенсации положительных и отрицательных пространственных зарядов в приборе, общее падение напряжения в газотроне оказывается очень незначительным (десятки вольт) при весьма больших токах (до 1000 А).
Распределение потенциала между электродами газотрона состоит из катодного падения Vк (основная часть), падения потенциала в положительном столбе дуги и анодного падения потенциала Vа.
Анодная характеристика газотрона (рис.4.10) может быть разделена на несколько участков. На участке 1 электроны не имеют еще скоростей, необходимых для ионизации газа и анодный ток мал. При напряжении Uз наиболее быстрые электроны приобретают достаточную энергию и между электродами газотрона зажигается дуга. Напряжение при этом несколько снижается (участок 2), так как оно перераспределяется между газотроном и ограничительным резистором, когда в анодной цепи возникает большой разрядный ток. На участке 3 напряжение на газотроне остается почти неизменным при значительном увеличении тока. Между электродами в этом режиме существует газоразрядная плазма, характеризующаяся высокой степенью ионизации газа, при которой концентрация положительных ионов и электронов одинакова, вследствие чего плазма электрически нейтральна и обладает большой электропроводностью. Так же, как и в вакуумном диоде, около накаленного катода газотрона образуется отрицательный пространственный заряд, под действием которого часть электронов, эмиттируемых катодом, возвращается обратно к катоду. Отрицательный пространственный заряд притягивает к себе из плазмы положительные ионы, вследствие чего на границе плазмы образуется слой положительных ионов. Разность потенциалов между отрицательным пространственным зарядом и слоем положительных ионов определяет величину катодного падения. При увеличении тока в газотроне число электронов, переходящих в плазму, растет. При этом электронная оболочка постепенно уменьшается, а ионная приближается к катоду до тех пор, пока анодный ток не сделается равным току эмиссии катода. Дальнейшее увеличение анодного тока возможно лишь за счет увеличения эмиссии при бомбардировке катода ионами. Для этого необходимо увеличение катодного падения, а следовательно, и общего падения напряжения на газотроне (участок 4). Усиленная бомбардировка катода ведет к его быстрому разрушению, поэтому работа газотрона в этом режиме недопустима.

Рис.4.10. Внешний вид и ВАХ газотрона.
При снижении напряжения накала катода Uн<Uн ном рабочий участок характеристики сокращается, так как уменьшается ток эмиссии катода. При этом также снижается давление газа или пара, ухудшаются условия ионизации, снижается число создаваемых электронами положительных ионов и повышается падение напряжения на газотроне. Поэтому работа газотрона при недокале также совершенно недопустима, и перед включением анодного напряжения необходимо вначале прогреть катод.
Максимальная величина допустимого тока через газотрон определяется током эмиссии катода (Iа макс =Iэ) и является важным параметром прибора. Ток в рабочем режиме часто называют ионным в отличие от чисто электронного тока, проходящего в газотроне до возникновения разряда. Роль ионов как непосредственных переносчиков электрических зарядов от анода к катоду весьма мала. Основная их задача в разряде — компенсация отрицательного пространственного заряда электронов.
Важным параметром газотрона является также величина максимального обратного напряжения Uобр, которое газотрон может выдержать без зажигания дуги при отрицательном потенциале анода в выпрямительных схемах. Газотроны, наполненные парами ртути, выдерживают обратное напряжение до 20 кВ, а наполненные инертным газом — до 30 кВ.
В качестве параметров газотрона указывают также напряжение накала катода Uн, напряжение возникновения разряда Uз, время разогрева катода перед включением анодного напряжения и долговечность.
Катоды газотронов, как правило, имеют низкое напряжение накала (2,5 или 5 В), так как при больших Uн зажигается дуга между концами катода. Выполняют катоды из толстой проволоки. или ленты, свертываемых обычно в бифилярную спираль. В мощных газотронах применяют подогревные оксидные катоды, снабженные специальными тепловыми экранами.
Материал анода должен обладать большой работой выхода для уменьшения опасности зажигания обратной дуги. Аноды в газотронах выполняются из никеля в виде плоских дисков, в мощных изготовляются из железа или графита в виде полусферы или закрытого сверху цилиндра, прикрывающего катод.
Радиолокационные разрядники
Высокочастотный разряд используется в резонансных радиолокационных разрядниках (рис.4.11).
Коаксиальный разрядник имеет два конусообразных электрода, расстояние между вершинами которых служит разрядным промежутком 4. Дисковые выводы электродов крепятся к объемному резонатору 2 и образуют его емкость.
Волноводный разрядник представляет собой параллелепипед, размеры которого соответствуют размерам волновода. Окна 5 со впаянными стеклами в стенках разрядника связывают разрядник с волноводом. Внутри параллелепипед разделен перегородками 6 с резонансными диафрагмами. Таким образом, весь разрядник представляет собой систему связанных колебательных контуров и его полоса пропускания достаточно широка. Чтобы облегчить возникновение разряда, иногда используют дополнительные поджигающие электроды, вызывающие начальную ионизацию газа.

1 — стеклянный баллон; 2 — объемный резонатор; 3 — петля связи; 4— раз- рядный промежуток; 5 — окно связи разрядника с волноводом; 6 — перегородки с диафрагмами.
Рис.4.11. Устройство коаксиального узкополосного (а) и волноводного широкополосного (б) резонансных разрядников.
В большинстве радиолокационных станций для излучения и приема сигналов используется одна и та же антенна. Отраженные от объекта сигналы принимаются в паузах между излучением импульсных сигналов передатчиком. Мощность излучаемых импульсных сигналов достигает нескольких мегаватт. Понятно, что если этот сигнал будет воздействовать непосредственно на полупроводниковый смеситель приемника, то смеситель выйдет из строя. Поэтому на вход приемника включается ионный резонансный разрядник (рис.4.12).
В интервалах между излучениями мощных импульсов разрядник служит частью объемного резонатора, настроенного на частоту принимаемого сигнала. В момент излучения передатчиком мощного импульса в резонаторе возбуждаются мощные колебания. На емкости, которую образуют электроды разрядника, развивается большое напряжение. Возникает высокочастотный разряд. Так как сопротивление прибора при разряде очень мало, то разрядник практически закорачивает контур. Длина фидера от разрядника до антенны кратна четверти длины волны. Входное сопротивление приемного фидера в точке подключения к антенному фидеру оказывается близким к бесконечности, и импульс передатчика, просачивающийся к смесителю приемника, ослабляется примерно в 107 раз.

1 — антенна; 2 — передатчик; 3 — антенно-фидерный тракт; 4 — разрядник: 5 — объемный резонатор; 6 — штырь связи; 7 — полупроводниковый диод-смеситель; 8 — усилитель промежуточной частоты; 9 — петли связи.
Рис. 4.12. Схема включения резонансного разрядника.
Стабилитроны коронного разряда
Коронный разряд является специфическим видом газового разряда, наблюдаемым при повышенных давлениях газа — (104–5·105) Па (от нескольких десятков миллиметров ртутного столба до давлений, превышающих атмосферное). Необходимым условием для возникновения коронного разряда является сильная неоднородность электрического поля около одного или обоих электродов. Например, коронный разряд возникает в коаксиальной цилиндрической системе электродов около электрода с малым радиусом кривизны. Если этот электрод служит анодом, то корона называется положительной, а если катодом — то отрицательной.
Когда на электродную систему подаётся разность потенциалов, тогда в слое газа, прилегающем к электроду с малым радиусом кривизны, образуются неоднородные электрические поля большой напряжённости. Следствием этого является возбуждение и ионизация атомов газа. Происходящие одновременно процессы рекомбинации и переходы электронов с уровней возбуждения на нормальные энергетические уровни вызывают характерное свечение этого слоя, названное короной. Остальное пространство между электродами обычно остаётся тёмным, так как напряжённость поля здесь недостаточна для возбуждения и ионизации атомов газа.
При положительной короне ионы, образовавшиеся в светящемся слое, движутся в область пространства, не охваченную свечением, и переносят ток к катоду.
Коронный разряд является разрядом самостоятельным. Для него характерны высокие напряжения на электродах (до 30 кВ и более) и малые токи (в ионных приборах—доли миллиампера). С ростом тока коронный разряд переходит в тлеющий (в разреженном газе) или в искровой (при давлениях порядка атмосферного). Ток коронного разряда в отличие от тока тлеющего и дугового разряда ограничивается самим разрядом, а не внешним добавочным сопротивлением, так как электропроводность тёмного слоя коронного разряда очень мала и плазма здесь не образуется. Вольтамперная характеристика коронного разряда в общем случае является возрастающей (рис.4.13) и потому малопригодна для стабилизации напряжения. Но при определённом выборе газа и геометрии электродов она на значительном участке может быть близка к горизонтальной. На рис. 4.13 характеристики коронного разряда (1) и (2) сняты соответственно для аргона и водорода при отношении радиусов катода и анода
, а характеристики (3) и (4) — при
. Наличие почти горизонтальных участков характеристик (3) и (4) позволяет применить коронный разряд в газоразрядных стабилизаторах напряжения.
В стабилитроне коронного разряда (рис. 4.14) катодом служит цилиндр большего радиуса, а анодом — металлический стержень меньшего радиуса. Корона, следовательно, является положительной. Прибор наполняется водородом.
Стабилитроны коронного разряда изготовляют на напряжения от 300 В до 30 кВ с пределами стабилизации по току от нескольких микроампер до 1000 мкА.

Рис.4.13.ВАХ коронного разряда.

Рис.4.14. Внешний вид стабилитрона коронного разряда.
Контрольные вопросы
1.Какой тип соударений частиц является ионизирующим?
2.Какие факторы создают условия возникновения разряда?
3.Какое уравнение является условием самостоятельности разряда?
4.Как можно объяснить ход кривой Пашена?
5.Какие основные зависимости определяют нормальный тлеющий разряд?
6.Какое свойство тлеющего разряда используется в стабилитронах тлеющего разряда
7.Какое назначение газотронов?
ТЕМА 5.ЭЛЕКТРОННО-ЛУЧЕВЫЕ ПРИБОРЫ
Электронно-лучевой прибор —электровакуумный прибор, действие которого основано на формировании и управлении по интенсивности и положению одним или более электронными пучками.
В любом электронно-лучевом приборе содержится три основных конструктивных элемента: электронный прожектор—устройство, предназначенное для формирования электронного луча, отклоняющая система — для перемещения луча в пространстве и люминесцирующий экран или мишень. Элементы прибора размещены в колбе, в которой обеспечивается вакуум порядка 10-5–10-4 Па.
Электронный луч, созданный электронным прожектором, перемещается в пространстве отклоняющими системами и попадает на экран или мишень, вызывая определенный эффект. Практическая безынерционность луча позволяет анализировать быстро протекающие процессы, передавать или принимать телевизионное изображение, записывать или считывать различную информацию и т. д.
Управление этим электронным лучом по его плотности (интенсивности) и пространственному положению осуществляется с помощью электрических и магнитных нолей различной конфигурации.
Электроннолучевая трубка с электростатическим управлением (рис.5.1, а) — прибор, в котором формирование электронного луча и управление им осуществляются с помощью электростатических полей. В трубке, изображенной на рис.5.1, б, для этих же целей исполь-зуются не только электростатические, но и магнитные поля. Такие трубки называют приборами с магнитным управлением.

а— с электростатическим управлением; б — с магнитным управлением; 1 — катод;
2 — модулятор; 3 — первый анод; 4 — второй анод; 5 — отклоняющие пластины;
6 — аквадаг; 7 — экран; 8 — фокусирующая катушка; 9 — отклоняющие катушки.
Рис.5.1. Устройство электронно-лучевой трубки.
5.1 Принцип работы электроннолучевой трубки
В торце узкой части стеклянного баллона расположен катод 1 в виде небольшого цилиндра, внутри которого помещена спираль для подогрева. Дно цилиндра с внешней стороны покрыто оксидным слоем; с его поверхности при подогреве эмиттируются электроны. Вблизи катода расположен полый цилиндр 2 с небольшим круглым отверстием — диафрагмой в его дне. Этот цилиндр называется управляющим электродом или модулятором и служит главным образом для изменения плотности тока электронного луча. К модулятору подводится небольшой отрицательный потенциал, регулируемый в пределах от нуля до —30 в. Электронный поток формируется только за счет электронов, прошедших через диафрагму диаметром около 1 мм. Таким образом, электроны, вектор начальной скорости которых значительно отклоняется от нормали к поверхности катода, не проходят через диафрагму и в формировании электронного луча не участвуют. Предварительной фокусировке электронного потока способствует небольшой отрицательный потенциал, подводимый к управляющему электроду. Изменение этого потенциала приводит к изменению траекторий, электронов, и при более отрицательном потенциале электроны, ранее проходившие по периферии диафрагмы, отражаются, а плотность электронного потока уменьшается.






