1. Определяем требуемую мощность электродвигателя, Pдв, кВт:
Pдв =(F t· v)/ η общ
η общ = η рем· η зуб· η пк2 η цеп· η м η пк2,
где ηi — КПД каждой кинематической пары, выбираем по табл. 3.
Таблица 3. Некоторые характеристики кинематических пар
| Тип передачи | Коэффициент полезного действия (КПД), η |
| Закрытая зубчатая цилиндрическая | 0,96…0,98 |
| Ременная (все типы) | 0,94…0,96 |
| Цепная (все типы) | 0.92…0,95 |
| Муфта соединительная | 0,98 |
| Подшипники качения (одна пара) | 0,99…0,995 |
2. Определяем частоту вращения ведомого вала привода конвейера, n Б, об/мин: n Б =60000· v /(π · D Б)
3. Подбираем электродвигатель из соотношения Pдв ≤ P д,[1]
где P д — табличное значение мощности двигателя, кВт, выбираем табл. 4.
Таблица 4. Электродвигатели асинхронные серии 4А, (см. рис. 2).
Синхронная частота вращения вала двигателя – n д,=1000 об/мин
| Тип двигателя | Мощность P д, кВт | Основные размеры двигателя, мм | ||||
| l 30 | h 30 | d 30 | d 1 | l 1 | ||
| 4А112МА6У3 | ||||||
| 4А112МВ6У3 | ||||||
| 4А132S6У3 | 5,5 | |||||
| 4А132М6У3 | 7,5 | |||||
| 4А160S6У3 | ||||||
| 4А160М6У3 | ||||||
| 4А180М6У3 | 18,5 | |||||
| 4А200М6У3 | ||||||
| 4А200L6У3 |
Таблица 5. Параметрывыбранного электродвигателя
|
|
|
| Тип двигателя | Мощность, P д кВт | Синхронная частота вращения, n д, об/мин | Диаметр вала двигателя, d 1 ,мм | Габаритные размеры, мм | ||
| l 30 | h 30 | d 30 | ||||
4. Определяем общее передаточное число привода, и общ:
и общ = n д/ n Б
5. Определяем передаточное число ременной передачи привода конвейера, и рем:
и рем = и общ /(и зуб· и цеп),
где и зуб и и цеп — передаточные числа зубчатой и цепной передач (см. табл. 2).
6. Определяем частоту вращения быстроходного вала редуктора, n 1, об/мин:
n 1 = n д/ и рем
7. Определяем частоту вращения тихоходного вала редуктора, n 2, об/мин:
n 2 = n 1/ и зуб
8. Определяем вращающий момент на валу двигателя привода, М д, Н·м:
М д =9550· Р д/ n д
9. Определяем вращающий момент на быстроходном валу редуктора, М 1, Н·м:
М 1 = М д· и рем· η рем
10. Определяем вращающий момент на тихоходном валу редуктора, М 2, Н·м:
М 2 = М 1 · и зуб · η зуб · η пк2
11. Определяем вращающий момент на ведомом валу привода, М Б, Н·м:
М Б = М 2 · и цеп· η цеп · η м · η пк2
Рассчитанные параметры привода заносим в контрольную таблицу 6.
Таблица 6. Кинематические параметры привода конвейера
| Кинемати- ческая пара | Мощность, Рi,кВт | Передаточное число, иi | КПД, η | Частота вращения, ni, об/мин | Угловые скорости валов, ωi, с-1 | Вращающий момент, Mi, Н·м |
| Двигатель | P д | ― | ― | n д | ω= | М д |
| Ременная передача | P д | и рем | η рем | n д | ω= | М д |
| Зубчатая передача | Р 1= P д· η рем | и зуб | η зуб | n 1 | ω= | М 1 |
| Цепная передача | Р 2= P 1· η зуб | и цеп | η цеп | n 2 | ω= | М 2 |
| Барабан конвейера | Р Б= Р 2· η цеп | и общ | η общ | n Б | ω= | М Б |
Примечания:
|
|
|
1. Определить мощность отдельных последовательно соединенных передач можно по формуле:
Р ведом= Р ведущ· ηi,
где Р ведом – мощность на ведомом валу передачи, кВт; Р ведущ - мощность на ведущем валу передачи, кВт; ηi – КПД передачи (см. табл. 3).
Например: быстроходный вал редуктора является для зубчатой передачи ведущим валом, а для ременной - ведомым.
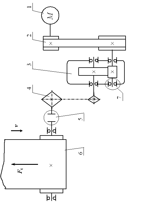
2. Чертеж схемы привода конвейера вычерчивается в соответствии с рис. 3. Для вычерчивания элементов кинематических пар привода используется ГОСТ 2.770-68 «ЕСКД. Элементы кинематики».
3. На чертеже схемы привода конвейера указать наименование кинематических пар.
ЗАДАЧА II. РАСЧЕТ ЗУБЧАТОЙ ПЕРЕДАЧИ