Те каскады,которые непосредственно соединяются с внешней нагрузкой –
и работают на ней-оконечные каскады.Оконечные каскады в литературе-усилители мощности.Он должен обладать минимальным коэффициентом гармо-
ник при максимальном КПД.
Могут быть усилители:
-по току:выполняются в виде схемы с ОК.такой усилитель удобен для работы
на кабель(потому что RВЫХ ОК близко к сопротивлению кабеля-очень маленькое)
От одного усилителя можно посылать сигналы по многим кабелям.
-по напряжению:напр.дифференциальный каскад.Осциллограф имеет дифф.
каскад на выходе усилителя(для перемещения луча осциллографа.
Выходной трансформаторный каскад на одном транзисторе

Транзистор в режиме А
По треугольникам определяют мощность нагрузки.На трансформаторном каскаде
в определённый момент времени напряж.на
нагрузке может быть в 2 раза больше напряжения источника питания.
Недостаток:через обмотку трансформатора течёт постоянный ток и намагничи- вает сердечник,следовательно кривая гистерезиса смещается и появляется
нелинейные искажения сигнала(какая-то половина синусоиды искажается).
|
|
|

Делают следующее: 
Убираем подмагничивание сердечника.Постоянный ток течёт через дроссель Др,
а переменный через трансформатор.XL =wL можно рассчитать сопротивление дросселя,сопротивление нагрузки XДР>>RН
Режим В (на примере трансформаторного каскада).

Транзисторы одной проводимости. Смешение между базой и эмитором равно 0. Первый трансформатор превращает однофазный сигнал в двухфазный сигнал. Так как на транзисторы одной и той же проводимости поступили сигналы разной полярности – один транзистор закрывается, другой отрывается.



Разностный ток:

Суммарный ток (между источником питания и землей):


Средний ток: 
Потребляемая мощность: Po=EYср
Линейная зависимость от входного напряжения у потребляемой мощности. Квадратичная зависимость у полезной мощности:


Мощность рассеянья: 
КПД зависит от мощности сигнала (наилучьший-78%).
Особенности: Потребляемая мощность зависит от того, какой сигнал. КПД в реальном устройстве отличается от теоретического. В режиме В больше экономичность (так как в паузах потребление снижается).
В режиме В форма сигнала сильно искажается(так как нет смещения)


Эти искажения нельзя устранить с помощью ОС. Искажения возникают в выделенном участке, где крутизна стремится 0, поэтому ОС не играет роли. Решают вопрос следующем образом, дают некоторое смещение: проводят касательную и получают напряжение смещения.

Смещение приблизительно равно 0,7в. Это режим АВ (он ближе к режиму В).
Оконечный каскад без трансформатора.

Трансформатор не удобен размерами, фазовым сдвигом и магнитным полем, поэтому его устранили. Диоды создают смешение. Вместо трансформатора разделительный конденсатор.
|
|
|
Принято считать, что не линейные искажения определяются последними транзисторами, но не в этой схеме. В этой схеме V2 и V3 включены по схеме ОК следовательно V1 должен развивать напряжение немного больше чем в нагрузке, от V1 требуется большая амплитуда сигнала следовательно он буде давать нелинейные искажения.
Делают следующее:

Оконечный каскад с двухполярным питанием.

В этой схеме не нужен разделительный конденсатор. Здесь есть мостик. Нагрузка в дистанции. Если все в плечах одинаково, то через нагрузку ток не течет (нет сигнала, ет тока). По череде открываются транзисторы- текут токи. ОУ обычно заканчивается такой схемой. Если мы хотим получить большую мощность в нагрузке, тогда используем составные транзисторы. Это схема Дарлингтона и схема Нортона. Также можно взять две микросхемы и соединить их вместе(мостовое включение).
Мостовое включение усилителей.

Напряжение на нагрузке в два раза больше чем в первой микросхеме, а мощность в 4 раза.

Сигнал поступает на разные входы микросхем, по этому полярности сигналов по разные стороны противоположны.
Две схемы, увеличивающие мощность ОУ.
В нормальных микросхемах ОУ, выходной ток не превышает 50 мА, поэтому добавляют на выход ОУ двухтактные бестрансформаторные каскады.
1.

R используется чтобы подать сигнал на оконечный каскад. Требуется новая нагрузка и два дополнительных мощных транзистора(более мощных чем в ОУ).
1) Токи транзисторов внешних больше токов внутренних. Мощность растет.
2) Мощность можно повысить за счет повышения напряжения питания.
2.

Выходы ОУ не используются. Последовательно с выходами источника питания включены дополнительные сопротивления и с них снимаем сигналы на внешние транзисторы(они включены по схеме ОЭ).
ОУ - усилитель постоянного тока.

Работает от сколь угодно низких частот. Усилители постоянного тока(УПТ).
Появляются новые параметры
-на входе 0 на выходе тоже 0.

Реальная характеристика будет обязательно смещена, причем не известно в какую сторону(на входе 0,на выходе Uoвых).
Uсм – то напряжение которое нужно подать на один из входов ОУ, чтобы сместить характеристику в начало координат – напряжение смещения.

R2 переменный резистор, так что можно использовать любой вход и установить 0 на выходе.
В последнее время специально делаются выводы для установки 0:

Этот способ лучше так как подключаем потенциометр на выход а не на вход.
-входной ток:

Входы микросхемы связаны с входами транзисторов (каких то). Без токов они работать не будут, поэтому оба входа будут связанны с какими-то токами. Ток инверсного входа встречает сопротивления R1 и R2 следовательно на нем(входе) будет напряжение, а ток прямого входа ничего не встречает поэтому на нем напряжение равно 0. На входе разность потенциалов – смещение характеристики относительно 0.
Несмотря на то, что ОУ скорректирован, он может самовозбуждаться.
1)
Работа ОУ на нагрузку с большой ёмкостью.
Ёмкость кабеля вместе с выходным сопротивлением создают лишний полюс, возникает самовозбуждение. Чтобы это убрать включают небольшое сопротивление R (не больше 100 Ом). Ещё включают ёмкость С (единицы пФ). С – ёмкость обхода. Эта ёмкость создаёт ноль в функции передачи, но она даёт и полюс, но он находится далеко в области ВЧ, а ноль компенсирует полюс от нагрузки.
Т.е получим сумматор, который поворачивает фазу. Можно построить сумматор без поворота фазы:

Такая схема применяется значительно реже. Также можно подавать сигналы и на инверсный вход, и на прямой(получается несколько сумматоров). В данном случае входное сопротивление большое, и каждый вход влияет на другие ->усложняется расчет цепи.
|
|
|
Усилитель разности

По инверсному входу коэф. усиления:
Кин=-R2/R1
По прямому:
Кни=(1+(R2/R1))* R4/(R3+ R4)
Усилитель разности на выходе должен давать усиленный разностный сигнал/ синфазный не давать/.Нужно сделать все резисторы одинаковыми.Ослабление синфазной составляющей осуществляется с помощью R4
Недостаток: --- Rвх ин=R1; Rвхни= R3+R4, т.е. входные сопротивления по разным входам отличаются. Чтобы избежать этого существует другая схема:
ИНСТРУМЕНТАЛЬНЫЙ УСИЛИТЕЛЬ(ИЗМЕРИТЕЛЬНЫЙ УСИЛИТЕЛЬ)

Это тоже разностный усилитель(на входе 2-х опер. повторителя). В этом варианте используется просто повторитель и устраняется недостаток(входящее сопротивления) одинаковы, и они больше)
В действительности, присутствует еще регулировка усиления и доп ОУ для сервиса. Это не очень широкополосные усилстели.
Операционные усилители с частотно-зависимой ОС
Активные RC-фильтры относятся к этим усил.
Рассмотрим интегратор и дифференциатор.
Интегратор:

KF=(K1AK2/(1+AB))+k0
K2=1; k0=0 тогда: KF= K1(р)/В(р)





Теперь сложим К и 1/В (зеркальное отражение В)

В области ВЧ коэф усиления очень маленький

Пока короткие импульсы,результат хороший. А в случае длительных импульсов в конечном счете искажение - заряд конденсатора.
- ОУ может работать буфером между 2-мя схемами(т.к. Rвх большое, Rвых малое),следовательно можно подключаться к интегратору, не нарушая его работу.
- Емкость в цепи ОС пересчитывается на вход с умножением на коэфф. Усиления (эффект Миллера). Конструктивно это важно, т.к. конденсатор малой емкости лучше.
ОС будет только на переменном токе. Ноль на выходе поддерживаться не будет. Можно параллельно конденсатору включать резистор(R2) c, большим номинальным сопротивлением(2-10 МОм).
ДИФФЕРЕНЦИАТОР:

ОС на постоянном токе в отличие интегратора
АЧХ:

ОУ ограничит идеальную характеристику в области ВЧ, Желательно,чтобы ОУ был широкополосный.
В точке излома фазовая характеристика может достигать 180о и схема самовозбуждается. Значит вместо характеристики надо построить
|
|
|
Реализация:
R1 порядка 100 ОМ

1) Использование ОУ в качестве буфера
2) Пересчет сопротивления ко входу
С
, а R
,т.е. можно получать сопротивления меньше
1 Ом.
Операционные усилители при нелинейной обратной связи
Нелинейные ОС получаются с помощью диодов


Такой усилитель использовался в радиолокации.Сигнал изменяется в больших пределах, следовательно нужна возможность сравнивать сигналы(логарифмические усилители). Сейчас схема с диодом применяется редко.Вместо диода используют транзистор.

В качестве диода используется переход БЭ.
Схема,выполняющая обратное преобразование:

В действительности схемы сложнее(2 диода) – один следит за температурой.
Берут 2 транзистора, получают некоторое подобие моста(1 используют как основной,второй – как вспомогательный,поддерживающий нужную температуру)
Другие схемы с диодами:
Детектор на ОУ

Детектор выпрямляет напряжение(простой выпрямитель)
Чтобы он работал,нужно.чтобы напряжение на входе было больше 0,7.В
Если надо выпрямлять малые сигналы,то пользуются сложным детектором.

Напряжение на диоде повышается во столько раз, во сколько усиливает ОУ.Если разорвем петлю ОС, то получим достаточно большой коэффициент усиления. При такой полярности (-) (+) диод пропускает сигнал в нагрузку. При обратной полярности диод закрыт,цепь ОС обрывается, ОУ выходит из режима. Чтобы этого избежать включают дополнительный диод,который работает,когда петля ОС разрывается.
D1---- для детектирования
D2 -----чтобы петля ОС не разрывалась при «+» полярности на входе.
Чтобы получить на выходе постоянный ток, на выходе нужен простейший RC-фильтр:

Чтобы пульсации были меньше, используется двухполупериодное выпрямление:

Схема:

На Вых.1 и Вых 2 нужно включить усилитель разности.

Еще одна схема детектора: (выполняется с мостиком)

На вых.(-) диоды открыты ---- ток течет через сопротивление. На вых.(+) следует добавить еще пару диодов D3 и D4. нагрузка в диагонали моста(не заземляется).
Эта схема может применяться,если нагрузкой является стрелочный прибор. Входное сопротивление большое.
Детектор нуля
Когда сигнал переходит через 0? Нужна отметка о том,.что сигнал изменил полярность.
Выполним на диоде и стабилитроне:

На входе (+), на выходе (-) -- открывается диод. Поменяем полярность—диод закроется, стабилитрон откроется. При переходе через 0 напряжение будет меняться. Такая схема работает надежно. По ней можно определить переключения.
Используя детектор нуля.можно построить фазометр:

Эту последовательность(на выходе СМ) считают счетчиком,который выводит на табло число, соотв. фазе.
Пиковый детектор.

Нагрузка детектора- конденсатор.Он будет заряжаться до напряжения на выходе.
Сигнал:

Когда U повышается, конденсатор заряжается, а когда U понижается, конденсатор поддерживает уровень напряжения.
Поэтому на выходе после конденсатора включают повторитель на ОУ(большое входное сопротивление повторителя дает конденсатору поддерживать заряд).
Если нужно,параллельно конденсатору включают ключ. Так процесс измерения можно начать сначала.
Выборка хранения(в/х)
В ней есть управляющий элемент.

Полевой транзистор используется как выключатель. Он управляется логическим устройством. Когда полевой транзистор открыт,конденсатор заряжается,напряжение на конденсаторе сохраняется.

Для переоборудования аналогого сигнала в цифровой.
ПЕРЕМНОЖИТЕЛИ


В реальных схемах: 
Т.к. схемы не идеальны. То с каким-то коэффициентом проходят на выход сигналы X и Y, а K0 – разбалансирует схемы(аналогично дрейфу О в ОУ)
Перед XY появился коэффициент К. Микросхема питается от напряжения + 12-15 В. На входы пришло напряжение по 10 В, на выходе 100 В быть не может --- для этого нужен коэффициент К= 0,1 1/В (чаще всего).

Т.о. получают произведение. Идеальная характеристика – такие прямые линии.На практике—искажения. Будет погрешность для больших сигналов.
Схема:

Принципиально перемножитель можно строить на любом произведении.
Перемножитель на основе закона Ома

Сопротивление между стоком и истоком: 
Подбирают два одинаковых полевых транзистора

Т.к.
,то 
Есть возможность перемножения и деления.


Перемножитель на основе переменной крутизны
Это дифференциальный каскад:

На базу нижнего транзистора можно подавать сигнал.
Сложная схема перемножителя: 
Между Э6 иЭ5 и общей точкой(а) включаются резисторы,чтобы характеристика
Была более линейная. По входу У система линейная в широком диапазоне сигналов.
На вход Х можно подавать напряжение до 

После 2U/// появляются нелинейные искажения(вместо синусоиды на выходе получили прямоугольные импульсы)
Такого типа микросхемы выпускают.
Есть микросхемы с улучшенными параметрами(+ дифференциальный каскад --)
На входе У делают точно такую же структуру, как и на входе Х (V7 V8) --- это микросхема 174ПС1. В микросхеме диоды могут быть транзисторами, включенными диодами.
Диоды-нагрузка транзисторов V7 и V8. Они нелинейные элементы, поэтому будет предискажение сигнала до поступления на вход Х/. Эти диоды имеют нелинейность,противоположную нелинейности переходов V1,V2,V3,V4.
В итоге мы получили достаточно динейную схему.
Перемножители отличаются тем, в каких квадрантах они работают: в 1 квадранте, в 2-х квадрантах, в 4-х квадрантах.
Графическое изображение этой микросхемы:

С помощью подстройки коэффициенты К1,К2,Ко можно свести к 0, тогда останется только КХУ
В этой микросхеме между перемножителем и выходом выходом микросхемы есть ОУ (-)
Есть дополнительный специальный вывод Rос. В нормальных условиях Rос соединяется с выходом. Можно разорвать это соединение и включить дополнительный резистор, чтобы получить нужный коэффициент усиления.
Перемножение синусоидальных сигналов.



Uн=5В Um=5В к=0.1
Uвых=
Нет несущей частоты (есть разность и сумма частоты)


Форма сигнала:
То, что модулированное колебание меняет полярность, отражается изменением фазы перемноженного колебания на 180 ̊
Такое преобразование сигнала называется балансной модуляцией.
Микросхема перемножителя может оказаться не достаточной высокочастотной.
При балансной модуляции огибающие сверху и снизу одинаковые, при АМ только верхняя огибающая повторяет модулируемый сигнал, а у отрицательной полуволны огибающая имеет очень маленький сигнал.
Можно модулировать и демодулировать сигнал. С помощью демодулятора восстанавливают модулирующие колебания.
Измерения фазы с помощью перемножителя



Оба сигнала одной частоты, но отличаются по фазе.

Чтобы измерить фазу, нужно убрать первое слагаемое. Для этого требуется ФНЧ.

Теперь нужно проградуировать прибор согласно косинусу. Строим шкалу с фазовым сдвигом.
С помощью перемножителя выполнить операцию удвоения частоты.




Выходной сигнал колеблется относительно постоянной составляющей. При желании её можно убрать разделительным коденсатором.
В качестве несущей можно использовать последовательность прямоугольных импульсов:

C помощью перемножителя можно осуществить перенос спектра частот (сдвиг).

На один вход -> fн, fн+ fм, fн- fм
На другой вход -> сумма несущей и промежуточной частоты fпч (усиление сигнала происходит на промежуточной частоте) В радиоприемниках fпч=465 кГц (имеется договоренность, что радиостанции на такой частоте не работают)

fн=1000кГц fм=5 кГц
fo=1000кГц+465кГц
Ux=5В
Выбирают область НЧ, далее сигнал усиливают, детектируют и воспроизводят информацию.
| fн,fн+fм,fн-fм | Uy | Uвых | частоты | |
| 1005кГц | 1В | | 1465+1005 | 2470 |
| 1465-1005 | 460 | |||
| 1000кГц | 4В | | 1465+1000 | 2465 |
| 1465-1000 | 465 | |||
| 995кГц | 1В | | 1465+995 | 2460 |
| 1465-995 | 470 |
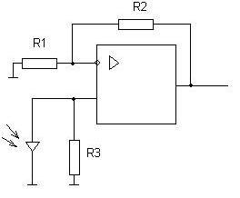
Фотоприемник на ОУ
Схема 1:
Прием фотосигнала на приемном входе

На фотодиод попадает свет и пропорционально его яркости возникает ток фотодиода Iфд
Uвх= IфдR3 напряжение на входе
K=1+
коэф. Усиления
Напряжение на входе:

Ачх:
Фотодиод на эквивалентной схеме изображают источником тока с очень большим внутренним сопротивлением и емкостью диода:
R3 нужно делать большим (но получим НЧ полюс)
Fрфд=
Общая АЧХ – произведение 2-х характерист
Такой способ преобразования световой энергии в электрическую дает достаточно узкополосное устройство
Схема 2:
Подача сигнала на инверсный вход

В этих схемах диод нужно включать через разделительный конденсатор:

Коэффициент передачи Кf = 
-постоянная времен фотодиода

-постоянная времен первого полюса ОУ
Так как глубина ОС велика, то уравнение Kа будет иметь комплементарные сопряженные корни.
АЧХ:

Входное сопротивление мало, следовательно Стд шунтируется малым сопротивлением и усилитель будет широкополосным. Но есть подъем(сильная неравномерность). Этот подъем можно убрать, включив емкость.
Эта схема широкополосная (значительно больше, чем первая). Такие же схемы можно выполнять на транзисторах. Эта схема – трансим-педансная.
Компаратор
Компаратор – устройство, которое сравнивает сигналы по их уровню.
Схема без ОС работает как устройство переключения.
Пока сигнал меньше Uоп - на выходе плюс, когда больше Uоп – на выходе минус.
Пока Uсигн<Uоп на инверсном входе минус, на выходе плюс и наоборот.
Обычный ОУ переключается медленно, поэтому строятся специальные схемы – компараторы, в которых скорость переключения max.
На выходе компаратора уровни не∓ питание, а рассчитаны специально на какую-то согику(на выходе логическая схема)
ДК – дифференциальный каскад
ЛУ – логическое устройство
УС- устройство смещения
<- структурная схема
Обозначения компаратора:
Микросхема обозначается буквами
СА(компаратор аналоговый)

Выходу С соответствует вход, на него подают сигнал, управляющий компаратором.
Некоторые компараторы реагируют на сам импульс, а некоторые на фронт импульса(передний или задний)
Из 2-х компараторов можно построить схему: компаратор с окном
Опорные напряжения снимают с делителя на 3-х резисторов.

Если сигнал меньше первого опорного напряжения то на выходе 1 плюс полярность. Между 1 и 2 уровнем оба диода закрыты(окно). Только когда сигнал больше 2 опорного напряжения. Когда сигнал находится в пределах окна на выходе напряжения нет. Когда сигнал вышел за пределы окна, мы получаем об этом информацию. С помощью этой схемы можно измерить параметры транзисторов. Скорость переключения может быть недостаточной. Чтобы её увеличить надо ввести в цепь положительную ОС.
Компаратор с положительной ОС:
Напряжение на выходе и прямом входе одной полярности. Напряжение на R1:

Ur1 – опорное напряжение для конденсатора.
Если сигнал малый, то Uоп положительно до тех пор, пока сигнал на входе не превысит этот Uоп.
Тогда напряжение на выходе отрицательное и Uоп тоже станет отрицательным.

Когда напряжение на входе равно нулю, на выходе есть напряжение и оно не меняется до Uвх=+Uоп. Когда Uвых отрицательное, возникает отрицательное Uоп.
Получим явление гистерезиса.
Недостатком является часть сигнала, меньше Uоп мы теряем (внутри гистерезиса компаратор не чувствителен). Но есть хороший выигрыш по скорости пеерключения.
Такая схема – триггер Шмитта.
Достоинствами является то, что уменьшается влияние шумов.
У обычного компаратора есть ложные срабатывания. В случае гистерезиса такого не будет(так как опорным напряжением будет нижнее)
На базе триггера Шмитта можно построить мультивибратор:


Если поменять местами С и R, то мы снова получим мультивибратор. (конденсатор заряжаем, уменьшая напряжение)
Опорное напряжение на инверсном входе. В первый момент С не заряжен поэтому напряжение на первом входе больше, чем на инвертном. Конденсатор заряжается, напряжение на k1 падает, пока не сравняется с опорным, тогда произойдет переключение.
Простейший АЦП:
Все инверсные входы подключены к делителю. Все прямые объединяются, и на них подают сигнал.
Когда нет сигнала, то на выходах напряжение равно нулю. При увеличение Uсигн до 1 опорного и срабатывает первый компаратор и т.д.






