Зад.
Рис. 13. Двойной Т-образный мост, используемый как форсирующее звено
Рис. 12. Дифференцирующее звено для коррекции на постоянном токе
Рис, 10. Схемы форсиру- Рис. 11. Мостовые схемы корректи-
Рис. 8. Амплитудная и фазовая характеристики корректирующего (форсирующего) звена, работающего на переменном токе
Рис. 6. Система на несущей частоте
1 -измеритель рассогласования (он же модулятор); 2, 3, 5, 6 - звенья системы; 4 - дифференциальное звено; 7-объект (он же демодулятор); 8- ТГ
xвх = U(t)sinΩ t (6.4)
где Ω - несущая частота в системе; U(t) - модулирующее напряжение (полезный сигнал).
Тогда при идеальном дифференцировании будем иметь
xвых=dxвых /dt= U ’ (t)sinΩ t + U(t)ΩcosΩ t
Следовательно, на выходе наряду с полезным сигналом, пропорциональным производной от входного воздействия, появится квадратурная составляющая, смещенная по фазе на угол π/2. При этом ее амплитуда может быть намного больше амплитуды полезного сигнала, так как в качестве сомножителя в ее величину входит несущая частота Ω. В итоге квадратурная составляющая может забить полезный сигнал.
|
|
|
Представим сигнал на входе корректирующего звена как
xвх= U (t)e -jΩt
Для неискаженного преобразования необходимо, чтобы корректирующее звено преобразовало лишь огибающую, не влияя на функцию e -jΩt.
В связи с изложенным в системах переменного тока должны использоваться специальные корректирующие средства, которые могут работать на несущей частоте, однако их применение связано с рядом технических трудностей, рассмотренных ниже. Поэтому весьма часто внутри системы используется блок, состоящий из демодулятора и модулятора (рис. 7), между которыми после соответствующего фильтра включаются обычные корректирующие звенья постоянного тока. Наличие фильтра отрицательно влияет на динамику системы, так как вызывает дополнительный фазовый сдвиг. Однако он, безусловно, необходим, причем его роль особенно существенна при частоте питания 
Рис. 7. Система переменного тока с блоком демодулятор – модулятор (блок А)
2 - усилитель; 3 - демодулятор; 4 - фильтр; 6 - корректирующее звено; 7 - модулятор; 8 -усилитель; 9-двигатель; 10- тахогенератор; 11 -демодулятор; 12- фильтр; 13 - корректирующее звено в цепи обратной связи
400 Гц. Гармонические составляющие после дифференцирования могут создавать существенные помехи. Высокие требования предъявляются также к синусоидальности питающего напряжения. Гармонические составляющие в напряжении питания тоже генерируют помехи, которые после дифференцирования могут быть весьма значительными. Если в цепи обратной связи используется асинхронный тахогенератор, то последовательно в его цепь до корректирующего звена тоже должен быть включен демодулятор.
|
|
|
Расчет корректирующих звеньев и синтез систем с блоками демодулятор - модулятор практически не отличается от соответствующего расчета для системы постоянного тока.
Рассмотрим теперь принципы построения корректирующих звеньев, работающих непосредственно на несущей частоте Ω.. Положим, что полезный сигнал изменяется по периодическому закону с частотой
с т. е.
U(t) = Umaxsin ωc t (6.6)
Тогда на входе корректирующего звена будем иметь напряжение
u вх = Umax sin ωc t · sin Ω t (6.7)
или
u вх = Umax /2 [cos (Ω - ωc) t – cos(Ω + ωc) t ] (6.8)
т. е. входной сигнал может быть представлен двумя гармоническими составляющими с частотами, равными сумме и разности несущей частоты и частоты полезного сигнала. Запишем передаточную функцию корректирующего звена как
W(j ω) = W(ω) e jψ (6.9)
где W(ω) - амплитудная частотная характеристика;
ψ(ω) - фазовая характеристика.
Для нормальной неискаженной работы корректирующего
звена необходимо, чтобы эти характеристики были симметричны относительно точки, соответствующей несущей частоте Ω и вертикальной оси, проходящей через эту точку (рис.8). Условие симметрии амплитудной характеристики (четная
характеристика) относительно оси, проходящей через точку Ω,
может быть представлена как
W(Ω – ωc) = W(Ω + ωc) (6.10)
Для фазовой характеристики (нечетной) соответствующее условие центральной симметрии будет
ψ(Ω – ωc) = – ψ(Ω + ωc). (6.11)
При отсутствии симметрии появится квадратурная составляющая, искажающая преобразование сигнала.

Характеристики W(Ω + ωc) и ψ(Ω + ωc), перенесенные в начало координат, одновременно являются зависимостями для амплитуды и фазы модулирующего сигнала W(ωc) и ψ(ωc). Следовательно, в системе на несущей частоте характеристики корректирующего звена постоянного тока как бы смещаются по оси частот в точку, соответствующую несущей частоте. Таким образом, если синтезировано корректирующее звено для работы в системе постоянного тока, то для того, чтобы перейти к звену, работающему на несущей частоте, достаточно в выражении для передаточной функции W(ωc) заменить ωc на Ω + ωc.
Рассмотрим некоторые частные примеры синтеза корректирующих звеньев переменного тока. Форсирующее звено, используемое в системах постоянного тока, обычно строится по схеме рис. 9, а. При этом его передаточная функция имеет вид
W(p) = ρ(1 + T p)/(1+ρT p)
(6.12)
где T = r1C; ρ = r 2 / (r 1 + r 2)
При работе на несущей частоте контур должен представлять собой полосовой фильтр, настроенный на несущую частоту, при этом конденсатор заменяется параллельным соединением индуктивности и емкости (рис. 9, б ). Передаточная функция такого звена будет
W(p) = r 2/(r 2 + (r 1L p)/(r 1 + L p + r 1LC p 2)) =
= (r 2[T1T2 p 2 + T1 p + 1])/(r 2[ r 2[T1T2 p 2 + T1 p + 1] + r 1T1 p) =
= (r 2/ r 1 + r 2) · (T1T2 p 2 + T1 p + 1)/((r 2/ r 1 + r 2)[ T1T2 p 2 + 1] + T1 p) (6.13)
где T1 = L / r 1; T2 = r 1C

Рис. 9. Схемы форсирующих звеньев (1-й вариант): а - на постоянном токе; б –на несущей частоте
Соответственно при резонансе
LC=T1T2 = 1/Ω2
где Ω- несущая частота.
Обозначив дополнительно r 2 / (r 1 + r 2) = ρ, получим
W(p) = (ρ((1/Ω2) p 2 + T1 p 1)) / (ρ((1/Ω2) p 2 + 1) + T1 p) (6.14)
Перейдем теперь к частотным характеристикам. Заменив
p = j ω = j (Ω + ωc), (6.15)
Получим
W(j ω) = (ρ((ω2/Ω2) + j ωT1 + 1)) / (ρ((–ω2/Ω2) + 1) + j ωT1)) =
= (ρ((Ω2 – (Ω + ωc)2 + j (Ω + ωc) ΩT1)) / (ρ[Ω2 – (Ω + ωc)2 ] + j (Ω + ωc) ΩT1) =
= (ρ(–(2Ω + ωc)ωc + j (Ω + ωc)Ω2T1)) / (–ρ(2Ω + ωc)ωc + j (Ω + ωc)Ω2T1), (6.16)
Так как Ω» ωс, то без большой погрешности ωс в круглых скобках можно не учитывать и соответственно можем написать
W(j ω) = (ρ(2ωc – j Ω2T1)) / (ρ · 2ωc – j Ω2T1) (6.17)
Умножив числитель и знаменатель на j, получим
W(j ω) = (ρ(2Ω2T1 + j · 2ωc)) / (2Ω2T1 + j · 2ρωc) =
|
|
|
= (ρ(1 + (2ωc / Ω2T1)) / (1 + jρ(2ρωc / Ω2T1)) (6.18)
Если обозначить 2/ Ω2T1 = Т, то окончательно получим
W(j ω) = (ρ(1 + j ωcT))/ (1 + j ωcρT) (6.19)
Найденное выражение адекватно аналогичному выражению для реального форсирующего звена, широко используемого в следящих системах постоянного тока.
Так как Ω2 = 1 / LC, то также можем написать
Т=Тп = 2 r 1LC/L = 2 r 1C = 2Tн (6.20)
или Tн = Тп/2. Здесь индекс "п" соответствует корректирующему звену, работающему на постоянном токе (для моделирующего сигнала); "н" -тоже на несущей частоте. Следовательно, емкость в звене, работающем на несущей частоте, должна быть в два раза меньше, чем в звене, работающем на постоянном токе, т. е. Сн = С/2, а индуктивность Lн = 2/Ω2C = 2L. Резисторы остаются неизменными.
Следует отметить, что схема рис. 9, б практически не используется, так как для нее необходима катушка индуктивности с весьма большой добротностью. Практически применяется корректирующее звено (рис. 10, б), аналогичное корректирующему звену (рис. 10, а). В системах постоянного тока последнее используется редко, так как введение в схему катушки индуктивности вообще нежелательно (большие габариты, нелинейность характеристики, нагрев и т. п.). В цепях переменного тока применение катушек индуктивности становится необходимым, а требование по ее добротности для схемы (рис. 10, 6) ниже, чем для схемы (рис. 9, 6).
Частотная передаточная функция рассматриваемого второго варианта корректирующего звена описывается выражением (20), причем в этом случае
Lн = L/2, а Сн = 2/ Ω2C
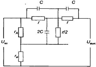
Трудности изготовления катушек индуктивности с высокой добротностью и линейными характеристиками обусловили отказ от простейших схем корректирующих звеньев, аналогичных схемам, используемым на постоянном токе, и переход к мостовым схемам, построенным целиком на элементах rC(рис. 10).
Передаточная функция Т-образной мостовой схемы имеет тот же вид (19). При этом
ρ = 2 r 2/(2 r 2 + r 1) = r 2/(r 2 + (r 1/2)), T = Tп = 1/ r 2CΩ2

ющих звеньев (2-й вариант) рующих звеньев: а - Т-образная
схема; б - двойной Т-образный мост
|
|
|
и соответственно
ρT = 1/((r 2 + (r 1 / r 2))CΩ2)
Та же передаточная функция относится и к двойному Т- образному мосту, но в этом случае
ρ = (2 – γ)/(2 + γ + γ2); T = 2γ/((2 – γ)Ω); ρT = 2γ/(2 + γ + γ2)Ω
Если имеем настроенный мост, т. е. γ = 2, то ρ → 0, а T → ∞,
при этом постоянная ρТприобретает фиксированное значение ρT= 1/2Ω.
В передаточной функции звена в этом случае можно пренебречь единицей по сравнению с j ωcT. Обозначив ρT = Tд,получим
W(j ω) = (ρ j ωcT)/(1 + j ωc ρT) = (j ωc Tд)/(1 + j ωc Tд) (6.21)
т. е. этот фильтр не пропускает составляющую, пропорциональную входному воздействию и превращается в дифференцирующее звено с отставанием. Ему соответствует на постоянном токе звено, схема которого представлена на рис. 12. В связи с этим, если звено вводится последовательно в основную цепь, то его приходится видоизменять и использовать дополнительно делитель напряжения (рис.13).


Корректирующие звенья переменного тока весьма чувствительны как к уходу несущей частоты, так и к нестабильности параметров самого звена. В обоих случаях на выходе появляется квадратурная составляющая, которая по величине может быть больше полезной. Следует иметь в виду, что более жесткие требования к стабильности частоты предъявляются в системах, работающих на частоте 400 Гц (по сравнению с 50 Гц), так как здесь важно не относительное изменение частоты, а абсолютное значение его отклонения, сопоставимое с частотой полезного модулирующего сигнала.
Для систем на промышленной частоте 50 Гц отклонение частоты не должно превышать 1-2%. Параметры корректирующих цепей подбираются с погрешностью, не превышающей 0,5-1% относительно расчетных значений.
Приведенные соображения в отдельных случаях приводят к необходимости применения адаптивных корректирующих цепей. При этом используется то обстоятельство, что при изменении знака ухода частоты фаза квадратурной составляющей изменяется на я.
Сложность настройки корректирующих звеньев, работающих на несущей частоте, вынуждает использовать корректирующие звенья постоянного тока, применяя схему демодулятор -фильтр - корректирующее звено - модулятор. В качестве модулятора обычно используется сам исполнительный двигатель.
Лекция 9
ПРОЕКТИРОВАНИЕ СЛЕДЯЩИХ СИСТЕМ
Пример выполнения СС.
В современных АСУ широко применяются следящие системы. Следящие системы являются разновидностью систем автоматического управления, и обеспечивает автоматическое слежение за управляющим воздействием, которое изменяется по произвольному, заранее неизвестному закону. Управляющее воздействие может быть пропорционально линейному и угловому положению объекта, скорости или ускорения объекта, частоте или фазе колебаний и тд. Следящие системы предназначены для автоматического управления пространственным положением объектов или состоянием регулируемой величины и широко используются в станках, автоматических линиях, работах и манипуляторах, в навигационных системах, в системах радиоавтоматики и многих других.
В качестве примера, иллюстрирующего устройство и принцип действий простейшей следящей системы, рассмотрим схему следящей системы для управления положением шпинделя сверлильного станка. Основное назначение данной системы – точное согласование положение командной оси, приводимой в движение человеком – оператором, и шпинделя станка (командная ось и шпиндель механически не связаны между собой). Главными функциональными элементами системы являются:
- измеритель рассогласования, состоящий из двух потенциометров R1 и R2;
- усилитель мощности (магнитный или тиристорный);
- электродвигатель привода подачи;
- понижающий редуктор;
Объектом управления (нагрузкой) является шпиндель станка, перемещающийся в вертикальной плоскости с помощью реечного механизма и вращающегося вокруг своей оси двигателем привода шпинделя. Работа данной следящей системы происходит следующим образом.
Измеритель рассогласования (ИР) предназначен для определения величины и знака рассогласования в системе, т.е. определения угловых положений командной оси и выходной оси системы и преобразования этого углового рассогласования в напряжение постоянного тока. ИР состоит из двух проволочных потенциометров R1 и R2, включённых по мостовой схеме с биполярным питанием U1 и U2. При согласованном положении щёток потенциометров R1 и R2, напряжение рассогласования, равно нулю, и механизм подачи находится в состоянии покоя. Человек-оператор, вращая с помощью рукоятки управления командную ось, задаёт положение щётки потенциометра R1. При этом возникает угол рассогласования между положениями щёток потенциометра R1. При этом возникает угол рассогласования между положениями щёток потенциометров R1 и R2 и, как следствие, появляется напряжение рассогласования Ud пропорциональное этому углу рассогласования. Напряжение рассогласования поступает на ПУ и усилитель мощности в которых за счёт энергии источника питания и

Рис.3.1 Упрощенная схема следящей системы для управления подачей шпинделя
Сверлильного станка
работе активных элементов усилителей происходит усиление этого напряжения рассогласования по напряжению и по току. Выход усилителя мощности подключен к якорю исполнительного электродвигателя привода и подачи шпинделя станка. Следовательно, при появлении напряжения рассогласования якорь двигателя начнёт вращаться и через понижающий редуктор вращать выходную ось следящей системы с которой соединён реечный механизм, позволяющий преобразовать вращательного движение выходной оси в поступательное движение шпинделя станка. С выходной осью системы механически связана щётка потенциометра обратной связана щётка потенциометра обратной связи R2, которая, при движения шпинделя будет перемещаться в направлении уменьшения угла рассогласования. Когда щётка потенциометра обратной связи R2 достигнет согласованного положения со щёткой задающего потенциометра R1 и θ входа = θ выхода напряжение рассогласования Vd станет равным нулю и якорь двигателя Привод подачи остановится, а шпиндель станка займёт новоё положение, т.е. переместится вверх на величину, пропорциональную углу рассогласования. Для движения шпинделя вниз необходимо вращать рукоятку управления в противоположную сторону. При этом возникнет напряжение рассогласования другой полярности и якорь двигателя будет вращаться в противоположном направлении, перемещая шпиндель вниз. Плавность и скорость подачи шпинделя зависит от плавности и скорости вращения щётки задающего потенциометра R2. Рассмотренную следящую систему можно представить в виде структурной схеме, на которой все основные элементы представлены по их функциональному назначению с соответствующими операторами, показаны их связи, по которым передаётся рабочая информация, и указана физическая природа сигналов, циркулирующих в контуре управления. Измеритель согласования условно показан в виде псевдо звена - элемента сравнения, выявляющего угол рассогласования Δ φ = φ входа – φ выхода и преобразующего этот угол в электрический сигнал. Передача угла поворота выходного вала системы на элемент сравнения происходит за счёт действия главной отрицательной обратной связи (Г.О.О.С.)
В качестве наиболее характерных особенностей рассмотренный следящей системы можно отметить следующее:
1. Наличие замкнутого контура управления (с отрицательной обратной связью), благодаря чему происходит сравнение командного (задающего) воздействия с сигналом, поступающим по каналу Г.О.О.С. с выхода системы.
2. Обязательное наличие сигнала рассогласования, используемого для управления исполнительным двигателем системы (принцип управления по отклонению).
3. Непрямое управление, так как для усиления сигнала рассогласования применяется усилитель мощности, позволяющий существенно облегчить труд человека в процессе обработки детали. Следовательно, следующую систему можно рассматривать как усилитель мощности, точно преобразующий произвольно меняющееся управляющее воздействие в соответствующее ему состояние объекта управления.
4. Возможность дистанционного управления. Задающей потенциометр R 1 может быть удалён от станка на определённое расстояние, определяемое в основном, параметрами трехпроводной линии связи. Использование радиоканала связи позволяет удалять задающий потенциометр на весьма значительные расстояния.
5. Применение вместо задающего потенциометра R 1, электронного устройства, формирующего аналогичное напряжение рассогласования позволяет использовать эту систему в режиме программного управления, широко применяемого в автоматических линиях, работах и манипуляторах.
Основные соотношения в линейных СС.
Рассмотрим работу и свойства следующей системы с пропорциональным управлением, т.е. такой системы, у которой входной сигнал, а следовательно, и восстанавливающий вращающий момент исполнительного двигателя пропорциональны рассогласованию. Упрощенная принципиальная электрическая и структурная схема имеет вид:
θвх UP У Д Р θвых.
от δ Uδ Uд ωд к нагрузке
(-)
Узел измерения выполнен на потенциометрах: ЗП – задающий, ПП – приёмный потенциометр. Uδ пропорционально углу рассогласования (ошибке системы) называют сигналом ошибки. Это сигнал поступает на знакочувствительнный усилитель (безинерционный). Усиленный сигнал Uд поступает на якорь ИУ, который через редуктор приводит в движение ОУ (нагрузку). Передача угла поворота выходного вала на ИР – элемент сравнения - осуществляется с помощью главной обратной отрицательной связи.
Для того, чтобы оценить основные свойства системы и рассмотреть её поведение в различных регионах, необходимо получить дифферинциальное уравнение этой системы.
Запишем уравнение отдельных элементов системы:






