ТЕМА 2
В СООРУЖЕНИЯХ ЗАЩИЩЁННОГО ГРУНТА (СЗГ)
1. НАЗНАЧЕНИЕ И ВИДЫ ЗАЩИЩЕННОГО ГРУНТА
Согласно научно обоснованным нормам питания человек должен равномерно в течение всего года потребить 130...150 кг овощей и 120 кг картофеля. Однако суровые климатические условия не позволяют получать овощи из открытого грунта равномерно в течение круглого года. Так, в первой половине года населению поступает менее 10% овощей, а в июле-сентябре – более 90% огурцов и 70 % томатов. С целью равномерного потребления населением овощей в течение года около 25 % всего их количества должно выращиваться в сооружениях защищенного грунта (теплицах, парниках, утепленном грунте и т. п.).
Теплицы, особенно зимние, представляют собой весьма сложные, дорогостоящие и энергоемкие технические объекты с разветвленными системами электро-, тепло- и водоснабжения и канализации.
На производство 1 кг тепличных овощей в средней полосе расходуется до 200 МДж тепловой и 2,3 кВт·ч электрической энергии. Для обогрева 1 га площади зимних теплиц требуется за сезон более 2 тыс. т условного топлива, т. е. на порядок больше, чем для обогрева такой же плошали жилых помещений.
Механизация и автоматизация ТП в сооружениях защищенного грунта резко сокращают затраты труда и себестоимость продукции, повышают энерговооруженность труда и на 10... 15 % урожайность овощей, затраты труда на 1 га защищенного грунта достигают 180 тыс. чел·ч в год.
Сооружения защищенного грунта разделяют на утепленный грунт, парники и теплицы.
Утепленный грунт – это необогреваемые и обогреваемые земельные участки, предназначенные для выращивания рассады и ранних овощей. Необогреваемый грунт характеризуется малогабаритными пленочными укрытиями или переносными укрытиями из матов, рогож, пленок, используемых для укрытия огородных грядок на ночь и на период резких похолоданий. В необогреваемом грунте в качестве источника теплоты используется солнечная энергия. В обогреваемом грунте источником теплоты служит солнечная энергия, биотопливо (свежий навоз, растительные отходы), горячая вода или электрическая энергия.
Парники – это полностью или частично заглубленные в почву каркасные сооружения со съемным светопрозрачным покрытием на небольшой земельной площади, обслуживаемой снаружи. Парники предназначены для выращивания рассады для открытого грунта и получения ранних овощей. Парники, заглубленные на 0,4...0,8 м, шириной до 1,4 м любой длины изготовляют из деревянных или железобетонных стен и закрывают стеклянными и пленочными рамами стандартного размера 1,06 х 1,60 м, а на ночь и на период похолодания —дополнительно соломенными матами размером 1,2 х 2 м при толщине 50...60 мм. Почва в парниках обогревается солнечной энергией, биотопливом, горячей водой или электроэнергией. Наиболее совершенны парники с техническими видами обогрева, позволяющими легче управлять температурой воздуха и почвы в парниках.
Теплицы – это наиболее совершенный и технически оснащенный вид сооружений защищенного грунта. Теплица позволяет при помощи технических средств выращивать растения в любое время года. В отличие от парников все работы по выращиванию овощей в теплице ведут внутри культивационного сооружения. Теплицы предназначены для выращивания ранних и внесезонных овощей, а также рассады для открытого и защищенного грунта.
По виду профиля поперечного сечения зимние теплицы делят на ангарные (однопролетные) и блочные (многопролетные).
Ангарные теплицы представляют собой сооружения площадью 600...3000 м2 с двухскатной арочной светопроницаемой кровлей без внутренних опорных стоек. Несущими опорами для крыши служат металлические или деревянные арки, закрепленные непосредственно на фундаменте или опорных стойках стен теплицы.
Блочные теплицы представляют собой объединение нескольких ангарных теплиц с заменой примыкающих одна к другой боковых стен опорными стойками. Стыки крыши смежных секций шириной 6,4 м соединяют желобами, которые являются опорой для элементов кровли и служат для отвода дождевой воды. В целом все секции образуют единое помещение площадью от 1 до 3 га. Благодаря такой компоновке металлические конструкции блочных теплиц изготовляют на заводах. Эти теплицы самые экономичные при строительстве, так как расход металла составляет 7..,9кг/м2. Оптимальная площадь блочной теплицы 1 га, а тепличного комплекса, состоящего из 3...12 отдельных блоков, — 18...60 га.
Преимущества ангарных теплиц – лучшая освещенность, возможность применения почвообрабатывающих и транспортных машин. Но из-за большой высоты и ширины ангарной теплицы площадь светопроницаемых ограждений ее завышена, что увеличивает теплопотери. Эти теплицы на 30...35 % дороже, но зато выдерживают большие снеговые нагрузки, не требуют специальных устройств для стаивания снега зимой и хорошо вентилируются летом. Ограждения теплиц выполняют из листового стекла толщиной 4 мм, укладываемого внахлест по металлическим направляющим.
Применяют также двойное остекление и полимерные покрытия достаточной прочности и высокой теплоизолирующей способности. С целью уменьшения теплопотерь используют трансформирующиеся (свертывающе-развертывающиеся) экраны из полимерных материалов (акрил), след., экономия теплоты достигает 30-40 %.
По срокам использования теплицы делят на зимние (работающие круглогодично) и весенние (функционирующие с февраля по октябрь). Зимние теплицы в 2...3 раза дороже весенних из-за массивных строительных конструкций и большей насыщенности теплотехническими установками.
Башенные гидропонные теплицы – это многоэтажные стеклянные или светонепроницаемые сооружения высотой 20…40 м при экономном использовании земли. По высоте теплицы сооружен непрерывный конвейер со стеллажами для растений и питательного раствора. При движении конвейера растения на стеллажах в нижнем положении получают минеральную подкормку и увлажнение. Такую теплицу можно строить в любом месте: на бросовых землях или как пристройку к многоэтажному дому в городе.
2. ХАРАКТЕРИСТИКИ СООРУЖЕНИЙ ЗАЩИЩЕННОГО ГРУНТА СЗГ
Для сравнительной оценки СЗГ используют ряд показателей, характеризующих световой, тепловой, водный, воздушно-газовый и питательный режимы.
Световой режим определяется степенью использования солнечной энергии, которая характеризуется интегральным коэффициентом проницаемости световой и инфракрасной солнечной энергии через светопроницаемые ограждения ЗГ.
Коэффициент проницаемости kП равен отношению потока солнечной энергии ФT, прошедшего через ограждения, к потоку энергии ФП, поступившему от солнца: kП = ФT / ФП. Его значение зависит от коэффициентов пропускания kМ, затенения kЗ и загрязнения kГ светопроницаемого материала и к-та kУ, зависящего от угла падения светового потока на плоскость светопроницаемого материала:
kП=kМ(1–kЗ)(1–kГ)kУ.
Коэффициент пропускания kМ характеризует светопроницаемость материала (например, для стекла kМ = 0,8...0,85, для синтетических пленок kМ = 0,85…0,9, для стеклопластика kМ = 0,75...0,85. Коэффициент затенения характеризует площадь светонепроницаемых ограждений. Он равен отношению площади тени от светонепроницаемых ограждений SН, закрывающей защищенный грунт, к общей плошали защищенного грунта ST: kЗ = SН/SТ. Коэффициент затенения для современных теплиц составляет 0,03...0,1, а для воздухонаполненных приближается к нулю.
В процессе эксплуатации поверхность ограждения может загрязняться, вследствие чего светопроницаемость снижается до 50% (kГ ≤ 0,5). Для уменьшения значения проникающего потока солнечной энергии на летний период остекленные ограждения забеливают 10%-м раствором мела.
В теплицах (на Севере России) овощи выращивают при искусственном свете (электросветокультура). Для этого применяют электрические лампы накаливания и люминесцентные лампы с установочной мощностью для огурцов до 700 Вт и для томатов до 900 Вт на 1 м2, стремясь создать освещенность растений не менее 5...8 тыс. лк. В центральной климатической зоне России электродосвечиванние применяют только в рассадном отделении с удельной мощностью до 200 Вт/м2.
Тепловой режим сооружений должен обеспечивать оптимальные температуры воздуха и почвы в соответствии с фазами роста и типом растений, способом выращивания и освещенности. Оптимальная температура воздуха для теплолюбивых культур (томат, огурец, баклажан, перец) при солнечной погоде равна 24±4°С, в пасмурную погоду 22°С, ночью 15...20°С, для умеренно требовательных к теплоте культур (редис, салат, сельдерей, укроп и т. п.) 16±4°С. Оптимальное значение среднесуточной температуры почвы для первых культур должно быть 22...26°С, для вторых – на 3...4°С ниже. При прорастании семян всех культур температуру почвы поддерживают на уровне 20...25°С, а после появления всходов снижают до 18...20 °С для теплолюбивых и до 6...8 °С для умеренно требовательных к теплоте растений.
Тепловой режим культивационных сооружений поддерживают при помощи технических средств обогрева и вентиляции. Он определяется коэффициентами теплопроводности и теплопередачи ограждений, а также конструктивными особенностями сооружений.
Коэффициент теплопроводности зависит от материала ограждения: для стекла – 0,34 Вт/(м·К), для синтетических пленок – 0,26...0,29, для стеклопластика – 0,24 Вт/(м·К).
Коэффициент теплопередачи зависит не только от материала ограждения, но и от условий теплообмена. В существующей практике для теплиц с ограждением из стекла толщиной 4 мм его принимают равным 6,38 Вт/(м2·К), для однослойных пленочных ограждений – 9,1…1,6, для двухслойных пленочных ограждений – 4,72...6,94 Вт/(м2·К).
Конструктивные особенности сооружений характеризуются коэффициентами ограждения k0 и объема kV. Коэффициент ограждения k0 равен отношению площади светопроницаемого ограждения SC к инвентарной площади SП теплиц: k0 = SC / SП. Для ангарных теплиц k0 = 2...2,5, а для блочных теплиц – 1,15.
Коэффициент объема kV определяют как отношение объема теплицы к инвентарной ее площади. Этот коэффициент численно равен средней высоте сооружения. При вычислении коэффициента объема исходят из возможности создания оптимальных условий для роста растений и механизации технологических процессов.
Однако с увеличением высоты теплицы повышаются коэффициент ограждения и соответственно затраты на обогрев.
Водный режим. Урожайность в культивационных сооружениях существенно зависит от влажности почвы и относительной влажности воздуха.
Влажность почвы необходимо поддерживать на уровне 75...90% полной полевой влажности (ППВ), а относительную влажность воздуха для рассады огурцов и баклажанов — 65...75 %, томата и перца — 55...65, салата и капусты — 60...70 %. В послерассадный период относительная влажность воздуха для огурцов и баклажанов должна быть 85...95%, томата и перца — 55...65, салата и капусты — 75...85 %.
Влажностью почвы и воздуха управляют при помощи различных устройств орошения (дождевание, полив из шлангов, подпочвенный полив, капельный полив). Температура воды для полива должна быть на уровне температуры почвы и воздуха в теплице (20...25°С).
Воздушно-газовый режим в значительной мере определяет продуктивность фотосинтеза и конечную урожайность овощных культур.
Растениям необходим кислород для дыхания и диоксид углерода (углекислый газ) для фотосинтеза. Наибольшее значение имеет диоксид углерода (С02), оптимальное значение которого в воздухе для огурцов должно составлять 0,25...0,35%, для томата — 0,1...0,15%, т. е. в 3...12 раз больше, чем в открытой воздушной среде. Содержание С02 в теплицах повышают, сжигая природный газ в специальных горелках или используя газы из котельных.
Для нормального роста растений и предохранения их от заболеваний необходима постепенная смена воздуха в надземной части растений. Оптимальный воздушно-газовый режим обеспечивает повышение урожая до 20 %.
Режим питания. Интенсивное использование почвы в теплицах под две-три культуры за сезон предъявляет повышенные требования к составу субстратов и минеральному питанию.
Почвенные смеси для теплиц и парников приготавливают легкими, плодородными, структурными. Для приготовления таких смесей используют дерновую и полевую землю, перегной, торф, песок, древесные опилки, навоз, соломенную резку и т. п. с оптимальным содержанием азота, фосфора, калия, магния и других минеральных удобрений. На основе агрохимических анализов почвенных смесей применяют корневые и внекорневые подкормки растворами минеральных макро- и микроэлементов.
Большую роль в жизнедеятельности растений играет реакция среды, которая определяется значением рН. Необходимость управления величиной рН возникает при подготовке и внесении в почву жидких минеральных удобрений.
Выращивание овощей без почвы на питательных растворах называется гидропонным методом (гидропоника в переводе с греческого означает «работа водой»).
При использовании гидропонного метода в качестве заменителя почвы используют твердые инертные субстраты (щебень, гравий, керамзит), органические субстраты (древесные опилки, мох, верховой торф) и ионитные смолы. Заменители почвы засыпают в стеллажи, в которые затем высаживают рассаду и по соединительным каналам из резервуара подают специальный питательный раствор.
Стоимость таких теплиц в два раза выше, чем почвенных, из-за необходимости оснащения гидропонных теплиц стеллажами для размещения субстрата, растворным узлом с резервуарами для хранения отдельных видов жидких концентрированных удобрений и приготовления растворов минерального удобрения, системой распределительных трубопроводов питательного раствора. Технология использования раствора предусматривает периодическое (через два-три дня) регулирование значения рН, проведение еженедельного агрохимического анализа на содержание основных элементов питания и через месяц – полную замену питательного раствора.
В связи с уменьшением затрат из-за отсутствия обработки почвы удельные затраты труда в них в два раза ниже, а урожайность, по многолетним наблюдениям, выше на 20...50 %. Кроме того, сокращается период от посева до плодоношения овощей. Гидропонный способ незаменим там, где невозможно использовать грунтовые теплицы.
3. СПОСОБЫ ОБОГРЕВА ЗАЩИЩЕННОГО ГРУНТА
В практике СЗГ обогревают за счет солнечного излучения, биологического топлива (биотоплива), горячей водой или паром от котельных, отходами теплоты промышленных предприятий, а также электронагревательными установками.
Солнечный обогрев используют в сооружениях защищенного грунта наряду с другими дополнительными видами обогрева. Солнечные лучи, проникая через светопрозрачные ограждения, нагревают почву, воздух, растения. Нагретые тела испускают инфракрасные тепловые излучения, которые через светопрозрачные ограждения обратно практически не проникают. Поэтому внутри сооружений происходит накопление теплоты. Однако при солнечном обогреве сильно колеблются значения суточной температуры: днем – повышается, ночью – резко снижается.
Солнечный обогрев в утепленном грунте и парниках широко распространен в южных районах России, а также на Крайнем Севере в период полярного дня.
Биологический обогрев осуществляют за счет теплоты, выделяемой органическими материалами в процессе их разложения микроорганизмами. В качестве биотоплива используют навоз животных, городские отбросы и органические отходы промышленных предприятий.
После заправки защищенного грунта биотопливом температура его постепенно за одну-три недели повышается до 60...70 °С, затем снижается до 20...30 °С и держится на этом уровне до двух месяцев. Биологический обогрев наиболее удобен в парниках и весенних небольших теплицах, где постепенное снижение температуры биотоплива компенсируется увеличением солнечного излучения. Однако на заправку биотопливом требуются большие затраты труда, и в то же время практически невозможно управлять температурой его разложения.
Водяной обогрев – самый распространенный вид обогрева благодаря высоким эксплуатационным и экономическим показателям. Он характеризуется простотой устройства и низкой трудоемкостью, легкостью управления и безвредностью для растений и обслуживающего персонала, доступностью и высоким процентом использования теплоты (65...70%).
Зимние теплицы обогревают водой при t-ре 70...90°С, парники - 50...70°С, утепленный грунт - 40°С.
Для водяного обогрева почвы в парниках на глубине 60...65 см в песчаной подушке укладывают асбоцементные трубы диаметром 50...100 мм, а для обогрева воздуха вдоль стен под рамами прокладывают металлические трубы диаметром 50 мм с уклоном 0,003. Циркуляцию горячей воды создают принудительно при помощи электронасоса.
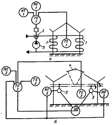
В блочных теплицах трубы для циркуляции горячей воды укладывают внутри и по поверхности почвы, а также вдоль стен и под стеклянной кровлей (рисунок 1).

Рисунок 1 – Расположение нагревательных элементов в многопролетной (а)
и ангарной (б) теплицах: 1 – кровельных; 2 – подлотковых; 3 – шатровых;
4 – надпочвенных; 5 – подпочвенных; 6 – калориферного
Основные потребители теплоты в защищенном грунте — системы обогрева воздуха и почвы в теплице. Еще примерно 14% ее суммарного количества расходуется на обогрев коридора и служебных помещений, нагрев поливной воды и т.д.
Суммарная мощность систем обогрева зимних теплиц в средней полосе России составляет около 7 МВт на 1 га.
Важнейшая характеристика теплицы – конструкция системы обогрева. В большинстве зимних теплиц применяют трубный водопой обогрев с использованием гладкотрубных регистров, размещение которых в теплицах разного типа (рисунок 1).
Основа системы обогрева — регистры обогрева шатра, лотков и кровли, требующие почти 80 % суммарной мощности системы. Остальной обогрев обеспечивается надпочвенными 4 (14%) и подпочвенными 5 (6%) регистрами.
Высокую экономическую эффективность обогрева защищенного грунта дает использование отходов теплоты промышленных предприятий. Так, в себестоимости тепличных овощей около 60 % затрат приходится на стоимость обогрева. В то же время, используя теплоту, получаемую только от тепловых электростанций, можно обогревать около 120 тыс. га теплиц, т. е. на порядок больше имеющихся площадей теплиц. Построены теплицы, которые обогреваются низкотемпературными тепловыми отходами промышленных предприятий или геотермальными водами. Они позволяют снизить себестоимость продукции на 5...10 % и сократить расход топлива в 3...10 раз.
Электрический обогрев (ЭО) используют в основном в парниках. Бывает почвенный, воздушный, комбинированный (почвенно-воздушный). Для ЭО применяют специальные нагревательные провода, трубчатые, оголенные проволочные, асфальтобетонные, электродные и другие нагревательные элементы.
В качестве трубчатых нагревательных элементов используют оцинкованную проволоку диаметром 2,5…3 мм, протянутую внутри керамических или асбоцементных труб диаметром 75...100 мм. Трубы прокладывают в слое песка на глубине не менее 200 мм от поверхности почвы на теплоизоляционной подложке из шлака и гравия.
Средняя удельная мощность нагревательных элементов в теплицах для южных зон России должна составлять 150...180 Вт/м2, а для остальных зон России 180…200 Вт/м2.
Оголенные проволочные нагревательные элементы выполняют из стальной оцинкованной проволоки диаметром 3...4 мм, которую укладывают в теплоаккумулирующем слое песка петлями под обогреваемой почвой и закрепляют на натяжных планках в торцах обогреваемого участка. При этом используют сниженное напряжение питания элементов (12...50 В) от специальных понижающих трансформаторов.
Электропромышленность выпускает специальные нагревательные провода ПОСХВ, ПОСХП, ПОСХВТ (провод обогревательный сельскохозяйственный с изоляцией соответственно из поливинилхлорида, полиэтилена или поливинилхлоридного пластика). Длительно допустимая температура нагрева изоляции не должна превышать 90 °С, что соответствует удельной мощности 8...11 Вт на 1 м длины провода. Провода заливают теплоаккумулирующим слоем, состоящим из цементно-песочной смеси (1:10), а сверху насыпают слой почвы. Провод подключают к напряжению 380/220 В.
Асфальтобетонные нагревательные элементы выполняют в виде плит толщиной 6...7 см на все дно площади парников. В плиту закладывают зигзагом стальную оцинкованную проволоку диаметром 2...3 мм, и подключают к напряжению 380/220 В.
Электродный способ обогрева заключается в том, что в почву закладывают металлические электроды и при их помощи через почву пропускают ток, нагревающий ее. Однако этот способ не используют в практике из-за большого расхода металла (8...9 кг на 1 кВт установленной мощности обогрева), непостоянства сопротивления почвы и большой неравномерности распределения температуры по площади почвы. Как правило, установленная мощность 1 м длины электронагревателя для парника составляет 100...230 Вт, а для пленочной весенней теплицы — 100... 120 Вт.
4. ТП (ОПЕРАЦИИ), МЕХАНИЗИРУЕМЫЕ И АВТОМАТИЗИРУЕМЫЕ В СЗГ
Защищенный грунт характеризуется ежегодными затратами труда ~18 чел.ч на 1 м2 площади. Растения хорошо развиваются и плодоносят только при оптимальных значениях параметров микроклимата теплиц. Степень механизации и автоматизации технологических процессов в теплицах достаточно высокая.
Около 40% общих затрат труда приходится на подготовительные работы, которые выполняют при помощи машин: приготовление почвенных смесей; замена, стерилизация и предпосевная обработка почвы; дезинфекция конструкций теплиц; текущий ремонт; предпосевная обработка семян: изготовление питательных кубиков; предпосевное внесение удобрений и т. д. В процессе выращивания и сбора урожая средства механизации и автоматизации используют при посеве семян и уходе за рассадой, поливе и подкормке растений, опылении растений и их защите от болезней, сборе и транспортировке овощей и растительных остатков, а также для управления параметрами микроклимата.
Для механизации подготовительных работ используют как специальные, так и сельскохозяйственные и строительные машины общего назначения. Дерн для почвенных смесей вскрывают тракторным плугом, сгребают бульдозером, погружают на транспортные средства погрузчиком-бульдозером или экскаватором. Аналогичным образом механизирована доставка навоза, рыхлящих материалов и минеральных удобрений. При составлении почвенных смесей применяют различные экскаваторы, бульдозеры, погрузчики и специальные машины для приготовления почвенных грунтов.
В СЗГ почву рыхлят на глубину 10...12 см перед каждым посевом, а перед пропариванием и при заделке навоза – на глубину не менее 22 см с оборотом пласта. Для этого используют, если позволяют конструкции культивационных сооружений, почвообрабатывающие машины общего назначения, а также специальные ротационные плуги и самоходные электрофрезы. Для междурядной обработки почвы в теплицах в непосредственной близости от растений и сплошной обработки почвы в парниках используют ручные электромотыги.
В малых теплицах почвосмеси при сильном заражении их болезнями и вредителями меняют один раз в 2…4 года, а в тепличных комбинатах ежегодно дезинфицируют и затем промывают почвосмеси без их замены. Из многих способов дезинфекции наиболее эффективно пропаривание. При этом почву покрывают термостойкой пленкой и подводят под нее пар температурой 110...120 °С при давлении до 50 кПа. Расход пара 45...50 кг/м2, длительность пропаривания 8...10 ч. После пропаривания почвосмеси для уменьшения концентрации солей промывают дождеванием в 3…5 приемов с общим расходом воды 200...400 л/м2.
Для борьбы с вредителями и болезнями используют также химические методы протравливания семян, обрабатывают конструкции сооружений и опрыскивают растения. Стоимость обработки почвы пестицидами составляет 20...70% паровой, но при этом в почву вносят токсические вещества. Торфоперегнойные питательные кубики (горшочки) изготовляют на специальных станках конвейерного типа, станок который состоит из бункера, конвейера и штампа с электроприводом, а принцип работы: при подъеме штампа лента конвейера загружается из бункера ровным слоем торфоперегнойной массы и перемешается под штамп. Когда штамп идет вниз, лента останавливается, происходит прессовка и нарезка нескольких сот кубиков размером до 100 x100 мм.
В защищенном грунте должен быть точный высев, благодаря чему экономится до 40 % дорогостоящих семян овощных культур и снижаются затраты на последующее прореживание. Для посева применяют специальные парниковые сеялки. Для полива и подкормки растений минеральными удобрениями в крупных тепличных комбинатах используют стационарную систему дождевания, а в малых теплицах и парниках -передвижные насосные станции.
При подвязке растений к шпалерам, обрезке побегов и листьев, уборке и перевозке урожая применяют передвижные платформы, стремянки и ручные тележки. Готовую продукцию и оборудование перевозят с помощью электрокаров и самоходных шасси, снабженных для облегчения труда тепличными специальными поддонами и подъемниками. Для перевозки рассады из блока в блок теплиц по открытому холодному воздуху применяют крытые фургоны. Автоматизация технологических операций в СЗГ дает существенный эффект: увеличивается производительность и улучшаются условия труда, экономится топливо и электроэнергия, снижается заболеваемость посадочного материала и взрослых растений, повышается урожайность и сокращаются сроки созревания растений и овощей. Условия труда и быта рабочих на автоматизированных тепличных комплексах не хуже, а иногда лучше, чем на промышленных предприятиях.
В малых теплицах и парниках уровень автоматизации по контролю и управлению микроклиматом пока невысокий и ограничивается в основном одним параметром - t°С.
На тепличных комплексах промышленного типа площадью от 3 га используют СА контроля и управления многими параметрами (температурой и влажностью почвы и воздуха, содержанием диоксида углерода, степенью освещенности, температурой воды для полива почвы, влажностью воздуха, вентиляцией и скоростью перемещения воздуха в теплице, концентрацией растворов минеральных удобрений почвы, значением рН и др.)
Для выбора оптимального режима в соответствии с внешними погодными условиями предусмотрено автоматическое слежение за ними (температурой, скоростью ветра и освещенностью) и соответствующее изменение внутренних параметров микроклимата. Средства автоматики также широко используют на вспомогательных установках тепло-, энерго-, водоснабжения и др.
Проектный объем автоматизации ТП в зимних теплицах на примере блока многопролетной теплицы площадью 6 га показан на рисунке 2.

Рисунок 2 - Схема автоматизации ТП в блоке многопролетной теплицы:
1 - подогреватель поливной воды; 2 - насосы-дозаторы; 3 - растворные баки с мешалками; 4 - клапаны полива; 5 - насосы; 6 - клапан сброса; 7 - генератор С02;
8 - регистры обогрева; 9 – 3Хходовой смесительный клапан; 10 –подмешивающий
насос; 11-циркуляционный насос
Допустимые отклонения температуры воздуха в теплице от уровня, заданного агротехническими требованиями, составляют ±1 °С, относительной влажности воздуха ±5 %, температуры воды в системе надпочвенного обогрева ±2 °С и т.д.
5. АВТОМАТИЧЕСКОЕ УПРАВЛЕНИЕ ТЕМПЕРАТУРОЙ ВОЗДУХА И ПОЧВЫ
Важнейшие факторы, определяющие рост растений: температура, освещенность, влажность воздуха и газовый состав окружающей среды.
На Земле существует равновесие между теплотой, поступающей за счет солнечного излучения, и ее потерей. В теплице это равновесие менее устойчиво, ибо ограждение задерживает часть теплоты солнечного излучения, отраженного от почвы. Это явление называется «парниковым эффектом». Равновесие, конечно, наступает. Однако важно, чтобы это произошло при той температуре, которая нужна растению. Следует также иметь в виду, что температура самого растения может значительно (иногда на 5...10 °С) отличаться от температуры почвы и окружающего воздуха.
Регламентации подлежит не только температура окружающего воздуха, но и скорость изменения, поскольку массивные части растения прогреваются медленнее и на них возможна конденсация влаги, приводящая к заболеваниям растений.
Задача системы управления микроклиматом состоит в обеспечении условий для максимальной интенсивности фотосинтеза, который зависит от температуры, так как при высоких ее значениях дыхание (обратный фотосинтезу процесс) начинает превалировать над фотосинтезом. Оптимальное значение внутренней температуры зависит от вида и фазы развития растения.
Внутренняя температура должна возрастать при увеличении освещенности. Нарушение этого условия зимой, когда температура в теплице может быть высокой, а освещенность недостаточной, вызывает дефицит углеводов и истощение растений.
Известно, что структура и параметры любой САУ определяют в соответствии с характеристиками объекта автоматизации и требованиями к качеству стабилизации параметра.
Теплицы, как ОУ температурным режимом, относятся к наиболее сложным объектам автоматизации. Определение их характеристик сопряжено с известными трудностями, обусловленными особенностями объектов и условиями их функционирования.
Основные управляющие воздействия в холодное время года — изменения температуры и расхода теплоносителя в системе обогрева теплицы, режима работы калориферов, в теплое время года — открытие вентиляционных форточек.
Основные контролируемые возмущающие воздействия — изменения наружной температуры, скорости ветра и уровня естественной освещенности. Кроме перечисленных параметров, на температурный режим теплицы влияют также влажность наружного воздуха, осадки и другие метеорологические факторы.
Статические и динамические характеристики объекта зависят от начальных значений расхода и средней температуры воды в системе трубного обогрева. Эта зависимость слабеет только при больших расходах теплоносителя, что объясняется стабилизацией коэффициента теплоотдачи от воды к внутренней поверхности труб при скоростях движения воды, превышающих 0,1 м/с.
Постоянная времени теплицы по каналам управляющих воздействий определяется тепловой емкостью системы трубного обогрева и собственно теплицы. Запаздывание изменения температуры воздуха в теплице при изменении мощности системы трубного обогрева зависит от конструкции самой теплицы и ее системы обогрева, направления движения теплоносителя в трубах и места расположения измерительных преобразователей. Время запаздывания для различных каналов управления неодинаково.
Наличие зеленой массы растений в значительной степени определяет нестационарность теплицы как ОУ температурным режимом. За время от высадки рассады до начала сбора урожая из-за увеличения зеленой массы в объеме теплицы постоянная времени объекта увеличивается в 1,1...1,3 раза, коэффициент теплопередачи уменьшается в 1,5 раза, а время запаздывания, зависящее от скорости распространения воздушных потоков, увеличивается на 300...400 с.
Т. о., если инерционность объекта оценивать по отношению τ/Т, то теплица относится к числу наиболее сложных объектов. Кроме того, решение задачи автоматизации осложняется большими абсолютными значениями τ и Т, очень малой инерционностью объекта по каналам передачи возмущающих воздействий и достаточно жестким требованием к точности стабилизации температуры (± 1 °С).
В теплый период года температурный режим в теплице поддерживается системой естественной вентиляции, образованной многочисленными поворотными форточками (фрамугами), приводимыми в движение специальными исполнительными механизмами.

Рисунок 3 - Схема механизма открытия форточек в теплице:
1 - форточка; 2 - рейка; 3 – вал; 4 - редуктор
Суммарная площадь поднимающейся кровли составляет 25...50 % в зависимости от зоны размещения тепличного комбината. Технические решения по автоматизации управления температурным режимом в многопролетных блочных и ангарных теплицах различаются, а потому далее рассмотрены самостоятельно.
6. САУ ТЕМПЕРАТУРНЫМ РЕЖИМОМ В БЛОЧНЫХ ТЕПЛИЦАХ
СУ температурным режимом для холодного (режимом обогрева) и теплого (режимом вентиляции) времени года существенно различаются.
СУ режимом обогрева. В холодное время года управление температурным режимом в теплице может быть обеспечено за счет изменения температуры t (качество) или расхода G (количество) теплоносителя.
Температуру теплоносителя изменяют с помощью трехходового смесительного клапана 9 (см. рисунок 2), сконструированного таким образом, что при перемещении плунжера h (рисунок 4, а) расходы горячей G1 и охлажденной G2 воды изменяются в равных долях, но с разным знаком.

Рисунок 4 - Трёхходовой смесительный клапан (а) и
кривые разгона [1,2,3] для теплицы по каналу h→ tВН (б)
Поэтому суммарный расход воды через клапан GT от положения плунжера не зависит, но температура tТ ее изменяется. Заметим, что это положение выполняется только при стабильном и одинаковом давлении в обоих входных патрубках (р1 = р2).
Типовой вариант САУ – одноконтурная СУ отклонением температуры tВН внутри теплицы (рисунок 5).

Рисунок 5 - Функциональная схема САУ температурой в блочной теплице в режиме обогрева (а) и в режиме вентиляции (б): 1 - системы трубного обогрева; 2 - трехходовой смесительный клапан; 3 - насос; 4 - форточки; 5 - ИМ привода форточек
Горячая вода из тепловой сети поступает во входной горизонтальный патрубок трехходового смесительного клапана 2. Одновременно насос 3 подает во входной вертикальный патрубок определенное количество охлажденной воды, прошедшей уже по трубам системы обогрева теплицы 1. Образующаяся в результате смешивания потоков вода с температурой tТ поступает в систему обогрева теплицы. Температура в средней точке теплицы (измерительный преобразователь ТЕ1) поддерживается ПИ-регулятором ТС1, управляющим клапаном 2.
В ночные часы, когда фотосинтеза нет, температура в теплице д.б. понижена на 4...6°С. Операция понижения температуры называется технологическим переходом «день—ночь» и выполняется по команде реле времени KT1 (рисунок 5, а). Это реле д.б. настроено т.о., чтобы к восходу солнца теплица была уже разогрета.
В дневные часы температура воздуха в теплице автоматически корректируется в зависимости от уровня естественной освещенности, измеряемой преобразователем NE1. В корпусе преобразователя объединены фотодиод и усилитель. Корпус накрыт рассеивателем света шарообразной формы.
Кривая 3 разгона для теплицы (рис. 4, б) представляет собой результирующую двух кривых: 1 — по каналу tТ→ tВН и 2 — по каналу GТ→ tВН.
СУ режимом вентиляции. В теплое время года управление температурным режимом в теплице может быть обеспечено за счет изменения степени открытия форточек или за счет действия системы испарительного охлаждения.
Требуемая степень открытия форточек обеспечивается работой самостоятельной одноконтурной САУ отклонением температуры в средней точке теплицы (рисунок 5, б).
Независимость действия обеих САУ температурным режимом возможна благодаря тому, что регулятор температуры в режиме вентиляции срабатывает при температуре на 2...4 °С выше, чем регулятор в режиме обогрева.
Регулятор температуры ТС1 (рисунок 5, а) действует по П-закону, поддерживая соотношение между температурой в теплице (преобразователь ТЕ2, рисунок 5, б) и степенью открытия форточек 4 (преобразователь НЕЗ). Диапазон срабатывания регулятора автоматически корректируется в зависимости от уровня естественной освещенности (преобразователь NE2), а предельная степень открытия форточек — в зависимости от текущего значения наружной температуры, контролируемой измерительным преобразователем ТЕЗ.
В зависимости от направления и силы ветра регулирующее воздействие с помощью переключателя HS может быть направлено к одному из двух рядов форточек или к обоим одновременно.
В современных САУ вентиляцией теплиц применяют устройства защиты, закрывающие форточки при аварийной скорости ветра. Соответствующая команда выдастся спустя 60 с после того, как чашечный анемометр зафиксировал аварийную ситуацию. Спустя 2500 с (время хода исполнительного механизма - ИМ) должен поступить сигнал, подтверждающий закрытие форточек. Запрет на открытие форточек снимается только через 300 с после того, как скорость ветра понизится до нормальною значения.
7. САУ МИКРОКЛИМАТОМ В АНГАРНЫХ ТЕПЛИЦАХ
В ангарных теплицах в основном используется комбинированный обогрев: водяной (почвы и воздуха) и калориферный (воздуха). Основной обогрев обеспечивают греющие регистры, а дополнительный - калориферы. От калориферов подогретый воздух подается по воздуховодам и распределяется вентиляционной системой по всей теплице. Благодаря малой инерционности калориферного обогрева можно с высокой точностью управлять температурой воздуха.
Вентиляция теплицы осуществляется через форточки, расположенные в боковых стенах и на кровле. Увлажнение воздуха происходит путем распыления воды через форсунки, закрепленные в подвешенных в теплице водопроводах на расстоянии примерно 3 м одна от другой. Для сбора и отвода воды, образующейся на конструкциях теплицы при распылении и конденсации влаги, устроены специальные желоба, по которым вода стекает в канализацию. Вода, необходимая для увлажнения воздуха и полива почвы, поступает из водоподогревателя под постоянным давлением, создаваемым насосной станцией. Для полива используют дождевальную установку или шланги. Температура воды должна быть 16...25°С.
В сельском хозяйстве применяют несколько комплектов оборудования для управления микроклиматом теплиц, например АМТ-600, СК-2, ОРМ-1, УТ-12 и др. В качестве примера рассмотрим принцип работы комплекта УТ-12.
Основная элементная база этого комплекта — микропроцессорные логические элементы. Оборудование комплекта УТ-12 размещено в отдельных шкафах и включает в себя САУ параметрами микроклимата: 1. температурой воздуха в теплицах, бытовых помещениях и коридоре; 2. температурой почвы; 3. температурой поливной воды; 4. влажностью почвы и воздуха; 5. концентрацией растворов минеральных удобрений; 6. подачей диоксида углерода и облучением растений.
Комплект рассчитан на управление указанными параметрами в 12 отделениях теплиц, а также температурой в соединительном коридоре и в бытовых помещениях. Он поддерживает температуру воздуха, почвы и поливной воды с точностью до ±1,5 °С в диапазоне заданных температур (0...40°С) и концентрацию растворов минеральных удобрений. Также комплект УТ-12 измеряет и регистрирует параметры микроклимата.
В первом шкафу управления ШУ1 (рисунок 6, а, б) размещены САУ температурой воздуха и почвы в 12 теплицах, температурой воздуха соединительного коридора и бытовых помещений, а также контрольно-регистрационная система температуры воздуха в 12 теплицах. Во втором шкафу управления ШУ2 размешены САУ влажностью почвы и воздуха, а также подачей диоксида углерода и облучением растений в 12 теплицах. В третьем шкафу ШУ3 расположены САУ температурой поливной воды, концентрацией растворов минеральных удобрений, система контроля температуры наружного и внутреннего (в 24 точках) воздуха, а также система контроля скорости ветра. В четвертом шкафу расположена пускозащитная аппаратура насосов поливной воды и насосов подачи концентрированного раствора минеральных удобрений, а также пускозащитная аппаратура технологических установок приготовления минеральных удобрений и управления температурой воздуха коридора и бытовых помещений. В пятом шкафу управления установлена промежуточная аппаратура, предназначенная для управления электромагнитными вентилями полива и другим оборудованием теплицы. В соединительном коридоре для каждой теплицы расположены местные шкафы управления оборудованием (ШУО).

Рисунок 6 - Схема размещения оборудования УТ-12 в теплице
(а - вид с торца; б - вид сверху) и последовательность его работы (в)
В теплице устанавливают панели датчиков температуры и влажности, а также датчики освещенности, скорости ветра, температуры поливной воды, концентрации растворов минеральных удобрений и др.
Электропитание шкафов осуществляется от специальных блоков, подключаемых к трехфазной сети 220/380 В.
САУ температурой воздействует на 16 исполнительных механизмов, охватывающих 12 отделений тепличного блока, соединительный коридор, бытовое помещение и две системы почвенного обогрева.
Управление температурой воздуха в теплице осуществляется при помощи двух групп водяных калориферов KBI и КВII, коньковой (верхней) ВФ и боковой БФ систем вентиляции (форточек). Греющая вода из котельной подается в теплицу через клапан отопления КО, а теплая вода для полива – через клапаны КП1 и КП2. Верхние и боковые форточки открываются и закрываются исполнительными механизмами верхней левой МВЛ и правой MBП, а также боковых левой МБЛ и правой МБП систем вентиляции.
Последовательность работы и состояние оборудования управления температурой в теплице зависят от значения и знака отклонения температуры от заданной (рисунок 6, в).
СУ включает соответствующие исполнительные механизмы в зависимости от отклонения температуры воздуха от заданной. Правая (левая) верхняя коньковая система вентиляции (ВФ) включается при повышении температуры в теплице на 2(3) °С, а правая (левая) боковая стенная система вентиляции БФ - при повышении температуры на 4(5)°С.
При отклонении фактической температуры от заданной па 1 °С открывается «шагами» клапан отопления КО (один «шаг» за один цикл опроса). При отклонении ее на 3°С включается первая отопительная группа калориферов KBI, а на 4 °С – вторая их группа КВII. При отклонении температуры от заданной на ±6 °С срабатывают пороговые элементы, включаются аварийные звуковая и световая сигнализации. О значениях отклонений температуры с указанием номера контролируемой теплицы сигнализирует индикатор, выполненный на сигнальных лампах. Заданное значение температуры в 16 объектах устанавливают с помощью задатчиков.
Блок освещения с 12 датчиками автоматически корректирует заданное значение температуры в зависимости от освещенности в 12 теплицах. При освещенности более 10 клк срабатывает реле, контакты которого включают сигнальную лампу и резистор, вызывающий температурную надбавку установки до 5 °С. При снижении освещенности до 10 клк срабатывает другое реле, которое включает сигнальную лампу «Пасмурно» и соответствующую температурную надбавку около 2,5 °С. При низкой освещенности, например в ночное время, срабатывает третье реле, которое включает сигнальную лампу и выдает своим контактом задание на управление температурой, соответствующей темному периоду суток. Перевод схемы с автоматического управления на ручное и обратно выполняют в соответствующем местном шкафу управления ШУО.
В случае необходимости экстренного закрытия форточек или изменения их положения одновременно во всех 12 теплицах используют соответствующую кнопку. Возможно также автоматическое полное закрытие форточек по команде от анемометра при предельно допустимой скорости ветра. Положения форточек, значения температур вне и внутри теплицы контролируют соответствующие приборы.
8. САУ ТЕМПЕРАТУРОЙ ПОЧВЫ И ТЕПЛОЗАЩИТНЫМ ЭКРАНОМ
Температура почвы мало отличается от температур окружающего воздуха и достаточно стабильна. Однако при понижении температуры замедляется поглощение растением питательных веществ и воды, а при повышении - чрезмерно развивается корневая система.
Температуру почвы в теплице поддерживают с помощью системы подпочвенного обогрева, монтируемой обычно только в теплицах для рассады. Стой обогреваемого грунта обладает громадной тепловой емкостью, и автоматизация осуществима только потому, что объект практически не подвержен действию внешних возмущений, поскольку температура воздуха в теплице достаточно стабильна, а солнечные лучи задерживаются растениями.
Наиболее значительное возмущение — изменение температуры греющей воды. Для автоматизации объектов этого класса рекомендуются каскадные автоматические САУ (рисунок 7). Система включает в себя два контура управления: внутренний (малоинерционный), обеспечивающий стабилизацию температуры воды, поступающей в систему обогрева (измерительный преобразователь ТЕ2), и внешний (инерционный), стабилизирующий температуру почвы на глуб. 15 см от поверхности (измерительный преобразователь ТЕ1).

Рисунок 7 – Функциональная схема САУ температурой почвы в теплице
Задача внешнего контура – компенсировать возмущения, вызванные изменением температуры воздуха, влажности и т. п. Во внутреннем контуре стабилизации температуры воды обычно действует ПИ-регулятор (ТС1), а во внешнем – П-регулятор (ТС2), выходной сигнал которого может быть ограничен, чтобы исключить опасность повышения температуры воды. Схему управления дополняют элементом зашиты, вырабатывающим запрет на дальнейшее открытие регулирующего клапана при аварийном повышении этого параметра.
Теплозащитные экраны экономят большое количество теплоты, но управление ими должно быть автоматизировано, поскольку возможны ситуации, когда экран рационально развернуть даже в дневное время, если уровень освещенности мал и фотосинтез слаб, а тепловые потери сооружения значительны.
Разворачивается экран быстро, а сворачивается с остановками, для того чтобы исключить попадание холодного воздуха из подэкранного пространства в зону размещения растений. В ночные часы возможно частичное сворачивание экрана, чтобы понизить относительную влажность и повысить температуру воздуха между экраном и ограждением. При снегопаде экран обязательно свертывают (или вырабатывают запрет на его развертывание), чтобы создать лучшие условия для таяния снега.
Регулирующее устройство должно иметь достаточную зону нечувствительности и выдержку времени, для того чтобы частота срабатывания привода экрана не была чрезвычайно большой. Развертывание экрана существенно изменяет динамику каналов управления температурным режимом теплицы и потому должно сопровождаться соответствующей перенастройкой СУ.
Дальнейшее совершенствование аппаратурной базы СУ температурным режимом предусматривает широкое внедрение микроЭВМ и микропроцессорных комплексов, в основу алгоритма функционирования которых могут быть положены принципы автоматизации управления температурным режимом, рассмотренным в настоящей главе.
9. САУ ВЛАЖНОСТЬЮ ВОЗДУХА И ПОЧВЫ, ТЕМП-РОЙ ПОЛИВНОЙ ВОДЫ
Автоматическое управление влажностью. Относительную влажность воздуха в теплице регулируют стационарной системой увлажнения (рисунок 8).

Рисунок 8 – Функциональные схемы разных САУ и технологическая схема
мембранного вентиля с электромагнитным приводом:
а – САУ влажностью воздуха; б – САУ влажностью почвы:
1 - обегающее устройство; 2 - переключатель набора программы полива;
3 - мембранный вентиль; 4 - насос поливной воды;
в – схема мембранного вентиля:
1 – мембрана; 2 - электромагнит; 3 - канал сброса воды из надмембранной полости.
Режим работы системы увлажнения выбирает оператор с помощью переключателя HS1 в зависимости от выращиваемой культуры: для огурца команда на включение форсунок подается при повышении температуры tВН, для томатов – при понижении φВН, причем заданное значение tВН корректируется в зависимости от уровня естественной освещенности. При снижении уровня освещенности до определенного предела налагается запрет на включение увлажнения.
Средство понижения влажности - «сухое отопление» также выполняется автоматически. В процессе выполнения этой операции сначала повышается температура воздуха и затем открываются форточки, в результате чего нагретый воздух покидает теплицу, унося с собой влагу. На время выполнения операции «сухое отопление» регулятор температуры воздуха блокируют.
Регулятор влажности воздуха NE работает с электролитическим измерительным преобразователем.
К СУ влажностью воздуха можно отнести систему управления туманообразова-нием, используемую в процессе черенкования. Измерителем влажности в таких системах служит модель листа или так называемый «электронный лист», изготовленный из неэлектропроводного материала с пленочным смачиванием. Электрическое сопротивление пленки влаги на поверхности «листа» характеризует степень увлажнения укореняемых растений.
Задача СУ поливом почвы - поддержание влажности почвы в определенных пределах. В некоторых случаях одну и ту же систему используют и для полива почвы, и для увлажнения воздуха.
Наиболее эффективны струйные и капельные системы полива, хотя широко распространены стационарные дождевальные системы с распылителями дефлекторного типа, вода к которым подается через мембранный вентиль с электромагнитным приводом (рисунок 8, в). При обесточенном электромагните 2 давление воды в камерах I и II вентиля одинаково и мембрана 1 прижата к седлу усилием, пропорциональным площади всей мембраны. При подаче питающего напряжения на электромагнит вода из надмембранной полости I сбрасывается в выходной патрубок III через трубку 3 и мембрана поднимается давлением воды во входном патрубке II. Путь воде в систему полива открыт. Преимущество конструкции мембранного вентиля — отсутствие сальникового уплотнителя штока, имеющего низкую эксплуатационную надежность.
В связи с ограниченной мощностью источника водоснабжения одновременный полив всех теплиц блока невозможен и автомат полива (рисунок 8, б) действует по заданной программе, запускаемой по команде оператора (Н5) от реле времени (К2) или от измерительных преобразователей влажности воздуха (ME2) и почвы (МЕЗ). Программа полива, набираемая оператором с помощью переключателя 2, реализуется обегающим устройством 1.
Одновременно с включением насоса поливной воды 4 обегающее устройство 1 начинает вырабатывать команды на поочередное открытие мембранных вентилей 3 на трубопроводах подачи воды к оросителям почвы. Экспозицию полива (увлажнения) также устанавливает оператор.
С технологической точки зрения требуемое количество воды нужно подать в несколько приемов. Заданную кратность полива устанавливают специальным переключателем HS4.
При необходимости программу полива можно прервать, повернув переключатель HS5. С помощью переключателя HS6 можно осуществить полив любого участка теплицы. В этом случае экспозиция полива не ограничена.
Некоторые конструкции автоматов полива несколько отличаются от рассмотренного. Так, при поступлении информации о снижении относительной влажности воздуха в одной из теплиц блока программа полива прерывается и система быстро переключается на увлажнение воздуха в той теплице, из которой поступил сигнал. По окончании цикла увлажнения автомат возвращается к выполнению прерванной программы полива. Команда на повторное увлажнение воздуха в теплице может выполняться как через заданный интервал времени, так и через интервал времени, зависящий от уровня освещенности (чем выше освещенность, тем интервал меньше).
Программа полива (увлажнения) автоматически прерывается при уменьшении расхода воды (импульс от реле протока), аварийном повышении температуры воды и снижении уровня естественной освещенности (обычно до 2 клк).
Главный недостаток всех рассмотренных систем управления поливом — ручное задание норм полива.
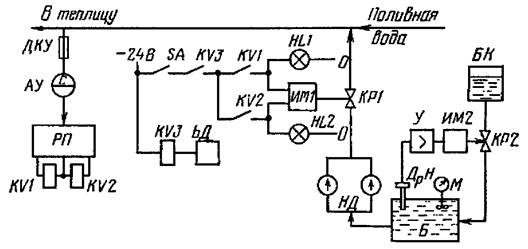
Автоматическое управление температурой поливной волы. В соответствии с агротехническими нормами температура поливной воды должна быть 22...25 °С. САУ температурой поливной воды работает следующим образом. Датчик температуры поливной воды ТС2 (рисунок 9) и задатчик R1 температуры подсоединяют к блоку регулирующего прибора БРП1.

рисунок 9) – Принципиальная схема управления температурой поливной воды
При отклонении температуры от заданной на ± 1 °С срабатывают соответствующие пороговые элементы в блоке БРП2 и включается реле KV1 или KV2. При снижении температуры на 1 °С включается реле КV1, которое вызывает срабатывание исполнительного механизма (ИМ), увеличивающего открытие регулирующего клапана КР, а следовательно, и количество горячей воды, поступающей в подогреватель ППВ. При повышении температуры на 1 °С включается реле KV2, которое подает ИМ сигнал на уменьшение количества греющей воды, проходящей через регулирующий клапан. Чтобы исключить перерегулирование при изменении открытия КР, применяют импульсный прерыватель БД1 (генератор импульсов) и реле KV3. На реле KV3 от БД1 через каждые 20 с поступают импульсы установленной при наладке длительности от 1 до 10 с. Изменение пропускаемого количества греющей воды происходит кратковременно только при замкнутом положении контактов реле KV3 и KV1 (или KV2), что исключает перерегулирование температуры из-за инерционности ППВ.
Логометр Р при помощи датчика ТС1 измеряет температуру поливной воды и ограничивает ее максимальное значение в случае возникновения аварийной ситуации. При достижении максимально допустимого значения температуры воды логометр размыкает контакты P1 и замыкает контакты Р2, что вызывает форсированное закрытие регулирующего клапана КР. Затем при снижении температуры воды до установленного значения контакты логометра возвращаются в исходное положение и вводят в работу систему регулирования температуры воды. Сигнальные лампы показывают следующее: НL1 — температуру воды меньше заданной, HL2 — больше заданной, HL3 — обрыв, HL4 — короткое замыкание в цепи датчиков.
10. САУ КОНЦЕНТРАЦИЕЙ РАСТВОРОВ МИНЕРАЛЬНЫХ УДОБРЕНИЙ
САУ концентрацией растворов минеральных удобрений (рисунок 10 –) позволяет измерять концентрацию растворов в диапазоне от 0 до 0,2 МПа осмотического давления с точностью до ±10 % и управлять ею. Концентрированный раствор минеральных удобрений готовят в специальном бассейне Б, откуда насосами-дозаторам и НД подают его через регулирующий клапан КР1 в поливную воду.

Рисунок 10 – Принципиальная электрическая схема управления
концентрацией растворов минеральных удобрений
Концентрацию удобрений в поливной воде измеряют датчиком ДКУ кондуктометрического типа (по электропроводности раствора). Он имеет встроенный терморезистор, предназначенный для компенсации температурой погрешности.
Датчик устанавливают в трубопровод за участком смешения концентрированного раствора и поливной воды. Его присоединяют через анализатор удобрений АУ к регулирующему прибору РП, который настраивают на двухпозиционное управление исполнительным механизмом ИМ1 при помощи реле KV1 «Концентрация больше» и KV2 «Концентрация меньше». Например, если концентрация минеральных удобрений в поливной воде больше заданной, то срабатывает реле KV1, которое включает исполнительный механизм на уменьшение пропуска клапаном КР1 концентрированного раствора. При этом загорается сигнальная лампа НL1. Если концентрация удобрений меньше заданной, то срабатывает реле KV2 и исполнительный механизм открывает регулирующий клапан KP1. При достижении концентрации заданного значения реле KV1 или KV2 отключает исполнительный механизм. Для улучшения качества двухпозиционного регулирования используется импульсный прерыватель, состоящий из реле KV3 и блока БД генератора импульсов с периодом 20 с. Его принцип действия приведен в описании системы регулирования температуры поливной воды (см. рис. 9).
Одной из основных характеристик растворов минеральных удобрений является показатель рН, который обеспечивает протекание кислотно-щелочной реакции в гидропонной теплице. Теоретически рН может изменяться от 0 до 14. При рН < 7 реакцию считают кислой, при рН > 7 — щелочной.
Характер реакции питательного раствора оказывает сложное и разностороннее влияние на рост и развитие растений. При этом в разные периоды роста растений требуется различное оптимальное значение рН. При рН < 4 рост большинства растений затормаживается из-за снижения усвоения растением катионов минеральных веществ из почвы. При рН > 8 также резко снижается рост растений из-за того, что многие минеральные вещества осаждаются на поверхности корней и затрудняют дыхание и питание растений.
Для большинства растений оптимальное значение рН находится в пределе от 5 до 7. В процессе роста растений рН тепличной почвы изменяется, поэтому необходимо управлять значением рН питательного раствора.
Значение рН определяют методами физико-химического анализа. Из экспрессных методов наиболее подходит электрометрический метод измерения рН, принцип действия которого основан на определении потенциалов на электродах, помещенных в исследуемый раствор. Такой электродный датчик измеряет концентрацию водородных ионов (рН) в растворе и выдает сигнал в виде гальванического напряжения. Датчик измеряет рН с точностью до 0,1 рН, а для растений допускаются отклонения до ±0,2рН, а иногда и до ± (0,3...0,5) рН.
Схема управления значением рН раствора минеральных удобрений показана в правой части рисунка 10.
При отклонении рН раствора от заданного значения на выходе датчика Д рН изменяется гальваническое напряжение, которое повышается усилителем У с большим входным сопротивлением. С усилителя сигнал поступает на исполнительный механизм ИМ2, который изменяет степень открытия регулирующего клапана КР2. Это приводит к изменению подачи из бака БК специального раствора, корректирующего значение рН раствора удобрений в бассейне Б. Мешалка с электроприводом М обеспечивает выравнивание концентрации минеральных удобрений и значения рН по всему объему раствора.
Значением рН обязательно надо управлять при выращивании растений в гидропонных теплицах.
11. САУ СОДЕРЖАНИЕМ ДИОКСИДА УГЛЕРОДА
И ДОСВЕЧИВАНИЕМ РАСТЕНИЙ
Интенсивность фотосинтеза в теплице зависит от концентрации СО2. В ночные часы концентрация его возрастает до 0,05 %, а в дневные падает до 0,01 %. В случае увеличения концентрации СО2 в воздухе теплицы с 0,03 до 0,15 % интенсивность фотосинтеза значительно возрастает, а урожайность повышается на 10…20 %. Очевидно, требуемая по агротехническим нормам концентрация СО2 может быть достигнута только в результате применения спецсистем подкормки (искусственной подачи СО2 в теплицу).
Содержание диоксида углерода поддерживают на определенном уровне, сжигая природный газ в специальных генераторах или подавая в теплицу дымовые газы из тепличных котельных (реже из специальных газовых баллонов, содержащих СО2).
Схема управления подкормкой СО2 работает по заданной временной программе с 24-часовым циклом.
В оптимальном режиме работы теплицы подача СО2 в расчете на 1 га составляет 50...70 кг/ч.
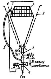
Генератор, вырабатывающий СО2, представляет собой дистанционно управляемую газовую горелку, заканчивающуюся керамическим насадком 1 (рисунок 11), в каналах которого происходит смешивание газа с воздухом, а на поверхности — сжигание смеси.

Рисунок 11 – Схема генератора, вырабатывающего СО2:
1 - керамический насадок; 2 - защитный экран; 3, 4 - магнитные клапаны;
5 - резиновый шланг; 6 - термопара; 7 – запальник
Для подготовки генератора к работе нажимают на кнопку клапана 4 и разжигают факел запальника 7, пламя которого «лижет» насадок и спай термопары 6. После 20...30 с прогрева вырабатываемой термопарой ЭДС достаточно для удержания клапана 4 в открытом состоянии. Генератор включают в работу, дистанционно открывая клапан 3. В случае погасания факела запальника термопара остывает и клапан 4 закрывается. Все генераторы (их 16 на 1 га) включаются в светлое время суток по команде реле времени или по импульсу от газоанализатора. Схема автоматического управления подкормкой СО2 блокируется при снижении уровня освещенности, а также при открытии форточек из-за повышения температуры или относительной влажности воздуха в теплице.
Продукты сгорания газообразного топлива в котельных содержат 8... 12 % СО2 и тоже могут быть использованы для подкормки растений (рисунок 12). Дымовые газы из котла 1 дымососом 2 направляются в дымовую трубу 3. Часть этих газов вентилятором 4 перекачивается в теплицу 5, где равномерно распределяется через перфорированный воздуховод. При необходимости допустимая температура газов перед теплицей может быть понижена за счет подмешивания наружного воздуха, подаваемого дополнительно установленным вентилятором 6. В этом случае желательна установка регулятора, стабилизирующего температуру дымовых газов на входе в теплицу.

Рисунок 12 - Функциональная схема автоматизации подкормки растений
дымовыми газами из котельной:
1 - котел; 2 - дымосос; 3 - дымовая труба; 4, 6 - вентиляторы;
5 - теплица; ТЕ - измерительный преобразователь; ТС - датчик
Подкормка уходящими дымовыми газами котельной экономически оправдана лишь при небольшом расстоянии между котельной и теплицами.
Автоматизация рассмотренных схем подкормки растений диоксидом углерода несложная, но наибольшего эффекта следует ожидать от системы авторегулирования, поддерживающей оптимальное соотношение между облученностью растений и концентрацией СО2 в теплице.
Следует иметь в виду, что оба рассмотренных вида подкормки приводят к увеличению концентрации оксидов аз