IАК= Ik. cosφK; IРК= Ik. sinφK.
Примечание. В качестве φK взять угол сдвига фаз φ между напряжением и током катушки (табл.2 вторая строка сверху).
Таблица 3
| № ваввварианта | ||||||
| F,гц | 200±10 180±10 200±10 150±10 180±10 200±10 | | |||||
| L* | LI | LI | LI | L2 | L2 | L2 I |
| С* | Cl-1,2,4 | Cl-1,2,4 | Cl-1,2,4 | Cl-1,4,5 | Cl-1,4, 5 | Cl-1,4, 5 |
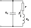
3.6. Исследовать влияние емкости С, включенной параллельно
индуктивному потребителю, на коэффициент мощности цепи cosφ и
величину тока I, потребляемого от источника питания. Для этого подключить параллельно катушке индуктивности батарею конденсаторов С*
(рис. 3). Переключатель батареи конденсаторов установить в первую заданную позицию С* =C1-1 (табл. 3)
3.7. После проверки схемы преподавателем включить источник питания ЕЗ. Установить напряжение источника 7 В с частотой, указанной в таблице вариантов (табл. 3) и измерить величины, указанные в табл. 2.
Последовательно устанавливая переключатель батареи конденсаторов в следующие заданные позиции (C2*, C3*табл. 3), измерить величины, указанные в табл. 2.
Установить частоту входного напряжения, при которой угол сдвига фаз между входным напряжением U и током I будет равен нулю (резонанс токов). При необходимости изменить величину емкости батареи конденсаторов. Произвести измерения указанных в табл. 2 величин.
|
|
|
3.8. Отключить ветвь с конденсатором (убрать проводник,соединяющий амперметр РА2 с конденсатором С *) и на резонансной частоте снять показания приборов для цепи с катушкой L*.
3.9. По опытным данным построить в масштабе векторные диаграммы для каждого опыта, определив для каждого случая по векторной диаграмме характер электрической цепи и коэффициент мощности цепи cos φ. Вектор тока IK целесообразно откладывать по проекциям IАК и IРК.
3.10.Сделать выводы
- о влиянии параллельно включенных потребителей друг на друга;
- о влиянии конденсатора, подключенного параллельно индуктивному потребителю, на величину тока, потребляемого из сети и коэффициент мощности цепи;
- о применении 1-го закона Кирхгофа в цепях переменного тока;
4. Содержание отчета
а) наименование работы и цель работы;
б) схемы экспериментов и таблица полученных результатов;
в) векторные диаграммы для всех проведенных опытов;
г) выводы по работе.
5. Контрольные вопросы
1. Как при параллельном включении потребителей определить величину тока, потребляемого из сети?
2. С какой целью повышают коэффициент мощности цепи?
3. Как можно определить коэффициент мощности цепи?
4. Как изменятся величина тока, потребляемого из сети, и активная мощность цепи, если параллельно активно-индуктивному потребителю включить конденсатор?
5. Почему уменьшается ток, потребляемый из сети, при подключении
параллельно индуктивной катушке конденсатора?
|
|
|
6. Как применяется 1-й закон Кирхгофа в цепях переменного тока?
7. Как построить векторную диаграмму цепи, которая содержит параллельно включенные индуктивную катушку и конденсатор?
8. Что такое «резонанс токов»? При каком условии он возникает?
9.Определить показания амперметра (рис. 4), если
Ом;
мГн;
Гц;
В.
| Рис. 4 |
10. Амперметры (рис. 5) соответственно показывают:
А;
А. Каково будет показание амперметра, включенного в ветвь с источником электрической энергии, если в цепи имеет место резонанс токов? Построить векторную диаграмму.
11. Какой элемент нужно включить в цепь (рис. 6) и какой величины должно быть его сопротивление, чтобы цепь носила чисто активный характер, если
Ом;
Ом?
Рис. 5 | Рис.6 |
12. Записать формулу для определения емкости конденсаторной батареи, подключаемой параллельно к активно-индуктивной нагрузке с активной мощностью
и коэффициентом мощности
с целью повышения коэффициента мощности до значения
. Напряжение переменного тока -
и частота тока -
.
Рис. 7 |
14. Коэффициент мощности установки (рис. 7), содержащей
и
, равен
. Напряжение сети
В, ток установки
А, частота
Гц. Определить емкость
батареи конденсаторов для повышения коэффициента мощности установки до
.
Работа № 5. ТРЕХФАЗНАЯ ЦЕПЬ ПРИ СОЕДИНЕНИИ ПОТРЕБИТЕЛЕЙ ПО СХЕМЕ «ЗВЕЗДА»
1. Цель работы. Ознакомиться с трехфазными системами, измерением фазных и линейных токов и напряжений. Проверить основные соотношения между токами и напряжениями симметричного и несимметричного трехфазного потребителя. Выяснить роль нейтрального провода в четырехпроводной трехфазной системе. Научиться строить векторные диаграммы напряжений и токов.
2. Предварительное домашнее задание
2.1. Изучить тему «Трехфазные электрические цепи при соединении по схеме
звезда»,- содержание данной лабораторной работы и быть готовым ответить на
все контрольные вопросы к ней. /Л1, с. 123-136; конспект лекционного курса/.
2.2. Начертить принципиальные схемы исследуемых цепей исследуемых
цепей с включенными измерительными приборами.

3.1. Ознакомиться с лабораторной установкой.
3.2. Включить электропитание стенда. Включить трехфазный источник
питания Е4 и измерить стрелочным вольтметром линейные и фазные
напряжения источника питания на холостом ходу. Результаты измерений занести
в табл. 1. Выключить источник электропитания. Проверить соотношение между
линейными и фазными напряжениями источника питания.
| Таблица 1 | ||||||||||
| Измерено на клеммах источника питания | Вычислено | |||||||||
| Линейные напряжения | Фазные напряжения | |||||||||
| UAB,B | UBC,B | UCa,B | UA,B | UВ,B | UC,B | UЛср,B | UФср,B | UЛср / UФср | ||
3.3. Исследовать различные режимы работы трехфазной цепи при
наличии и отсутствии нейтрального провода, а также влияние нейтрального
провода и обрыва линейного провода заданной фазы (табл.2) на режим работы
цепи. Режимы работы задавать в соответствии с табл.2 (столбец «режим»), руководствуясь указанными в нём пунктами.
Для этого включить электропитание стенда, источник трехфазного
напряжения Е4 и измерять линейные токи IА, Iв, Iс и ток в нейтральном проводе
IN, фазные напряжения источника UA, UB, Uc, фазные напряжения на потребителях
Uа, Ub, Uc и напряжение смещения нейтрали UnN Напряжения
измерять, подключая выводы вольтметра к соответствующим клеммам.
Результаты измерений занести в табл. 2. После проведения замеров выключить источник питания Е4.
| Таблица 2 | |||||||||||||
| Режим нагрузки | Токи, мА | Напряжения, В | | |||||||||||
| Iа, мА | Iв, мА | Iс, мА | IN, мА | Фазные напряжения источника, В | Фазные напряжения потребителей, В | ||||||||
| UA | UB | UC | Ua | Ub | Uc | UnN | |||||||
| Четырехпроводная цепь,нагрузка симметричная (п.3.4) | |||||||||||||
| Обрыв линейного провода в четырехпроводной симметричной цепи | |||||||||||||
| Трехпроводная цепь, нагрузка симметричная | |||||||||||||
| Обрыв линейного провода в трехпроводной симметричной цепи | |||||||||||||
| Четырехпроводная цепь, нагрузка несимметричная однородная (п.3.5) | |||||||||||||
| Трехпроводная цепь, нагрузка несимметричная однородная | |||||||||||||
| Обрыв линейного провода в трехпроводной несимметричной цепи | |||||||||||||
| Четырехпроводная цепь, нагрузка несимметричная неоднородная (п.3.6) | |||||||||||||
| Трехпроводная цепь, нагрузка несимметричная неоднородная | |||||||||||||
3.4. Собрать симметричную четырехпроводную трехфазную электрическую
цепь (рис. 1). В качестве амперметров использовать цифровые приборы в режиме
измерения переменного тока (тумблер режима работы приборов в позиции «~»).
В качестве потребителей RА, RВ, RС использовать резисторы R17, R18, R19,
установив соответствующие тумблеры в позицию «1». Представить схему для
проверки преподавателю.
|
|
|
| Таблица 3 | ||||||
| № варианта | ||||||
| Ra | R18 | R18 | R18 | R18 | R18 | R18 |
| Rb | R17-2 | R17-2 | R17-3 | R17-1 | R17-2 | R17-3 |
| Rс | R19-1 | R19-2 | R19-2 | R19-2 | R19-3 | R19-3 |
| Обрыв провода | A | В | С | А | В | С | |
3.5. Исследовать режимы работы несимметричной трехфазной цепи с активной нагрузкой при наличии и отсутствии нейтрального провода, а также влияние нейтрального провода и обрыва линейного провода заданной фазы на режим работы цепи. Для этого установить параметры цепи в соответствии с заданным вариантом (табл. 3), включить электропитание стенда, источник трехфазного напряжения Е4 и измерить токи, фазные напряжения источника, фазные напряжения на потребителях и напряжение смещения нейтрали UnN. Результаты измерений занести в табл. 2. Выключить источник питания Е4.
|
|
|
3.6. Исследовать режимы работы несимметричной четырех проводной и
трех проводной цепи при неоднородной нагрузке, Для этого подключить в фазе
«А» вместо резистора конденсатор СЗ, установить переключатели резисторов
R17 и R19 b позицию «1», включить источник питания Е4. Результаты измерений
занести в табл. 2. Выключить источник питания Е4.
3.7. Исследовать влияние сопротивления линии передачи на режим работы
трехфазной цепи. Для этого включить последовательно в каждую фазу
дополнительные резисторы R14, R15, R16, установить симметричную нагрузку,
включить электропитание и измерить напряжения и токи. Результаты измерений
занести в табл. 4.
| Таблица 4 | |||||||||
| UA, В | UB, В | Uc, В | Ua, В | Ub, В | Uc, В | IA, мА | Iв, мА | Ic, мА | IN, мА |
3.8. По результатам измерений вычислить:
- cреднее значение линейных напряжений UЛ ср источника питания;
- среднее значение фазных напряжений UФ ср источника питания;
- отношение UЛ ср/Uф ср;
- среднее значение тока при симметричной нагрузке Iф ср,.
Для всех проведенных опытов методом засечек построить в масштабе
векторные диаграммы.
Построение векторных диаграмм необходимо производить с использованием масштабов по напряжению и по току.
Порядок построения:
- находятся длины векторов напряжений и токов посредством деления величин линейных напряжений, фазных напряжений, фазных токов соответственно на масштаб напряжения и масштаб тока;
- строится равносторонний треугольник линейных напряжений
,
,
источника, который одновременно является треугольником линейных напряжений
,
,
приемника. В качестве сторон треугольника взять UЛсриз таблицы1.
- находится центр тяжести треугольника линейных напряжений, который на векторной диаграмме определяет место нейтрали N источника;
- строится трехлучевая "звезда" фазных напряжений
,
,
источника посредством соединения центра тяжести треугольника линейных напряжений с его вершинами;
Примечание: указанные выше построения являются общими и выполняются для всех исследованных режимов работы.
- определяется местоположение нейтрали n приемника. Для этого из вершин A, B, C треугольника линейных напряжений радиусами, равными соответственно длинам векторов фазных напряжений
,
,
приемника, делаются засечки. Точка пересечения засечек определяет местоположение нейтрали n приемника;
- строятся векторы фазных напряжений
,
,
приемника посредством соединения нейтрали n приемника с вершинами A, B, C треугольника линейных напряжений;
- из нейтрали n приемника по направлению векторов фазных напряжений
,
,
проводятся векторы токов фаз
,
,
приемника;
- осуществляется проверка правильности результатов проведенных лабораторных исследований и тщательности построения векторных диаграмм. При отсутствии нейтрального провода, т.е. в трехфазной трехпроводной системе, независимо от режима ее работы, геометрическая сумма токов фаз
должна быть равна нулю, а вектор напряжения
, соединяющий нейтраль приемника n и нейтраль источника N, должен получиться такой длины, чтобы при умножении ее на масштаб напряжения получилось значение, равное указанному в табл. 13 для данного режима работы.
При наличии нейтрального провода, т.е. в трехфазной четырехпроводной системе, длина вектора напряжения
равняется нулю и нейтрали приемника и источника совпадают и располагаются в центре тяжести треугольника линейных напряжений, а длина вектора, равного геометрической сумме векторов токов фаз, будучи умноженной на масштаб тока, должна дать величину, равную току
, указанному в табл. 2 для данного режима работы.
3.9. Сравнить режимы работы и сделать вывод о влиянии нейтрального
провода на работу трехфазной системы при симметричной и несимметричной
нагрузке.
4. Содержание отчета
Отчет по работе должен содержать:
а) наименование работы и цель работы;
б) схему эксперимента с включенными измерительными приборами;
в) таблицы с результатами эксперимента;
г) векторные диаграммы для всех проведенных опытов;
д) вывод о роли нейтрального провода в трехфазной цепи при соединении
потребителя по схеме звезда;
е) вывод о влиянии сопротивления линии передачи на работу трехфазной
цепи.
5. Контрольные вопросы
1. Какое соединение называется звездой?
2. Каково соотношение между фазным и линейным напряжениями трехфазного источника питания при соединении его обмоток по схеме звезда?
3. Какое соотношение между фазными и линейными токами при соединении в звезду?
4. Как определить величину тока в нейтральном проводе, если известны токи потребителя?
5. Для чего применяют нейтральный провод?
6. К каким зажимам следует подключить вольтметр, чтобы измерить
фазное и линейное напряжение?
7. Какая трехфазная нагрузка называется симметричной?
Почему при несимметричной нагрузке обрыв нейтрального провода является аварийным режимом?
8.Дать определение трехфазной электрической цепи.
9. Из каких элементов состоит реальная электрическая цепь трехфазного переменного напряжения?
10. Как устроен источник электрической энергии трехфазного переменного напряжения?
11. Каковы способы изображения трехфазной симметричной системы ЭДС, напряжений, токов?
12. Каковы способы соединения фаз трехфазных источников электрической энергии?
13. Какое напряжение называется фазным, какое линейным? Каково соотношение между линейным и фазным напряжениями источника при соединении его фаз в "звезду"?
14. Какой источник электрической энергии трехфазного переменного напряжения называется симметричным?
15. Какой трехфазный приемник электрической энергии называется симметричным, какой несимметричным?
16. Для питания каких приемников электрической энергии используются трехпроводные и четырехпроводные линии?
17. В каком режиме работы трехфазной четырехпроводной системы ток по нейтральному проводу не проходит и почему?
18. В каких режимах работы трехфазной системы возникает необходимость в использовании нейтрального провода?
19. Почему в цепь нейтрального провода не устанавливается предохранитель?
20. Построить векторную диаграмму напряжений и токов для симметричного трехфазного приемника, в фазы которого включены только емкостные сопротивления.
21. Построить векторную диаграмму напряжений и токов для симметричного трехфазного приемника, в фазы которого включены индуктивные сопротивления.
22. В фазе c-z симметричного трехфазного приемника, питаемого по трехпроводной линии, произошел обрыв. Как изменятся напряжения на фазах a-x, b-y по сравнению с нормальным режимом их работы?
Работа № 6. ТРЕХФАЗНАЯ ЦЕПЬ ПРИ СОЕДИНЕНИИ ПОТРЕБИТЕЛЕЙ ПО СХЕМЕ «ТРЕУГОЛЬНИК»
1. Цель работы
Исследовать особенности работы трехфазной цепи при соединении симметричного и несимметричного потребителей треугольником, усвоить построение векторных диаграмм по результатам эксперимента.
2. Предварительное домашнее задание
2.1. Изучить тему «Трехфазные электрические цепи при соединении по схеме
треугольник», содержание данной лабораторной работы и быть готовым
ответить на все контрольные вопросы к ней. /Л1, с. 138-144; конспект лекционного курса/.
2.2. Начертить принципиальные схемы исследуемых цепей исследуемых
цепей с включенными измерительными приборами.
3.1.Ознакомиться с лабораторной установкой.
3.2.Включить модуль питания стенда и источник трехфазного напряжения Е4. Измерить линейные напряжения источника питания на холостом ходу. Результаты измерений занести в табл. 1. Выключить электропитание. Вычислить среднее значение линейного напряжения UЛ ср.
| Таблица 1 | ||||
| Uab,B | Uвс,B | Uca,B | UЛср,В | |
3.3. В соответствии с рис. 1. собрать схему трехфазной цепи при соединении потребителей в треугольник. Установить симметричную нагрузку. Для этого установить тумблеры сопротивлений R20 и R21 в позицию «1». Предъявить схему для проверки
|
3.4. Включить электропитание и источник трехфазного напряжения.
Измерить фазные токи IАВ, Iвс, Iса и линейный ток IА, а также напряжения на
потребителях. Результаты занести в табл. 2. Выключить электропитание.
3.5. Разомкнуть линейный провод фазы «В» (убрать проводник) и измерить фазные токи IАВ, Iвс, Iса и линейный ток IА, а также напряжения на потребителях. Результаты занести в табл. 2.
3.6. Выключить нагрузку в фазе потребителя «СА», убрав проводник, и провести измерения. Результаты занести в табл. 2.
3.7. Разомкнуть линейный провод фазы «В» и нагрузку в фазе потребителя «СА». Измерить фазные токи IАВ, Iвс, Iса и линейный ток IА, а также напряжения на потребителях. Результаты занести в табл. 2.
Таблица 2
| Режим нагрузки | Ток нагрузки, мА | Напряжение на потребителях, В i | |||||||
| Iа | Iв | Iс | Iab | Ibc | Ica | Uab | Ubc | Uca | |
| Симметричная нагрузка | |||||||||
| Обрыв линейного провода «В» | |||||||||
| Обрыв фазы потребителя «СА» | |||||||||
| Обрыв фазы потребителя «СА» и обрыв линейного провода «В» | |||||||||
| Несимметричная нагрузка | |||||||||
| Симметричная нагрузка с учётом сопротивления проводов ЛЭП |
3.8. Установить в соответствии с заданным вариантом несимметричную нагрузку (табл. 3) и включив электропитание, провести измерения токов и напряжений.
| Таблица 3 | |||||||
| № варианта | |||||||
| RAB | R21-2 | R21-2 | R21-3 | R21-3 | R21-1 | R21-3 | |
| rbc | R22 | R22 | R22 | R22 | R22 | R22 | |
| RCA | R20-2 | R20-3 | R20-2 | R20-3 | R20-2 | R20-1 |
3.9. Исследовать влияние сопротивления линии передачи на режим работы
трехфазного потребителя. Для этого включить последовательно в каждую фазу
источника питания дополнительные резисторы R14, R15, R16, установить
симметричную нагрузку. Включить электропитание и измерить напряжения и
токи. Результаты измерений занести в табл. 2. Выключить источник питания Е4.
3.10. Для всех опытов построить в масштабе векторные диаграммы.
На основании данных табл. 2 произвести построение векторных диаграмм напряжений и токов. Построение выполнить с использованием масштабов по напряжению и по току. Порядок построения:
- находятся длины векторов напряжений, фазных и линейных токов посредством деления величин напряжений и токов, указанных в табл. 2, соответственно на масштаб напряжения и масштаб тока;
- строится равносторонний треугольник напряжений фаз (в опыте с обрывом линейного провода треугольник вырождается в три вектора, располагаемых на одной прямой);
- по направлению векторов напряжений фаз откладываются векторы соответствующих токов фаз;
строятся векторы токов в проводах линии электропередачи в соответствии с выражениями:
A =
ab -
са;
в =
вс -
ab;
c =
ca -
вс;
-
3.11.По векторным диаграммам определить для исследованных режимов линейные токи Iв и Iс.
3.12. Сравнить значения линейных и фазных токов при
соединении потребителя в треугольник для исследованных режимов.
3.13. Проанализировать влияние обрывов линейного и фазного проводов на
режимы работы потребителей.
4. Содержание отчета
Отчет по работе должен содержать:
а) наименование работы и цель работы;
б) схему эксперимента с включенными измерительными приборами;
в) таблицы с результатами эксперимента;
г) векторные диаграммы для всех проведенных опытов;
д) выводы по работе.
5. Контрольные вопросы
1. Каким образом три однофазных потребителя соединяют в треугольник?
2. Куда следует подключать вольтметр, чтобы измерить фазное и линейное напряжения трехфазного потребителя?
3. В каком соотношении находятся фазные и линейные напряжения
симметричного потребителя, соединенного в треугольник?
4. Какое соотношение между фазными и линейными токами симметричного
потребителя, соединенного в треугольник?
5.Всегда ли справедливы при соединении в треугольник соотношения
A =
ab -
са
в =
вс -
ab
c =
ca -
вс
6.Всегда ли при соединении в треугольник справедливо соотношение
А +
в+
с = 0?
7. Как отразится отключение одной фазы потребителя на режим работы других фаз и на режим работы всей трехфазной цепи, соединенной в треугольник?
8. Как повлияет обрыв линейного провода на режим работы потребителей при их соединении по схеме треугольник?
9. В чем заключается отличие соединения фаз потребителя по схеме "треугольник" от соединения фаз по схеме "звезда"?
10. В каком соотношении находятся фазные и линейные напряжения при соединении фаз потребителя электрической энергии по схеме "треугольник"?
11. В каком случае отношение
справедливо? В каком случае несправедливо?
12. По каким выражениям рассчитываются токи в проводах линии электропередачи при несимметричном режиме работы трехфазной цепи, в которой фазы потребителя соединены по схеме "треугольник"?
13. В фазе a-x симметричного трехфазного приемника активной энергии произошел обрыв. Как изменятся токи в фазах приемника и в проводах линии электропередачи в возникшем при этом несимметричном режиме по сравнению с симметричным режимом, имевшем место до обрыва? Построить векторную диаграмму для несимметричного режима.
14. В симметричной трехфазной цепи, в которой фазы потребителя соединены по схеме "треугольник", произошел обрыв провода B линии электропередачи. Построить векторную диаграмму токов и напряжений для несимметричного режима работы трехфазной цепи. Определить, в каком соотношении находятся напряжения на фазах a-x и b-y?
15. В электрической цепи (рис. 2)
Ом,
Ом,
Ом,
Ом,
Ом. Величина линейного напряжения
В. Рассчитать величины токов в фазах приемника и углы сдвига фаз между напряжениями фаз и токами фаз. Построить в масштабе векторную диаграмму, из которой определить токи в проводах линии электропередачи.
16. В электрической цепи (рис. 3)
Ом,
Ом,
Ом. Величина линейного напряжения 380 В. Рассчитать величины токов в фазах приемника. Построить в масштабе векторную диаграмму, из которой определить токи в проводах линии электропередачи.
17. В схеме (рис. 3) произошел обрыв в фазе c-z. Используя данные, приведенные в п. 8, рассчитать токи в фазах a-z, b-y и построить в масштабе векторную диаграмму напряжений, фазных и линейных токов. Найти величину тока в линейном проводе A-a.
Рис. 2 | Рис. 3 |
Рис. 5
Рис.6
Рис. 7
Рис. 2
Рис. 3 





