Рис.6.6
Пространственное изображение одинарной, схематическое и конструктивное изображение сдвоенной шарнирной муфты представлены на рис.6.6.
Ведущий вал 1 заканчивается вилкой, соединенной с крестовиной 2; вторая перекладина крестовины соединена с вилкой ведомого вала одинарной муфты или со спаренной вилкой 3, если муфта сдвоенная.
У одинарной муфты при равномерном вращении ведущего вала ведомый вал будет вращаться неравномерно. Если муфта сдвоенная, а ведущий вал 1 и ведомый вал 5 параллельны (или образуют равные углы со спаренной вилкой 3), то при равномерном вращении ведущего вала ведомый вал тоже вращяется равномерно.
Детали шарнирной муфты изготавливаются из термообработанных сталей марок 20Х и 40Х.
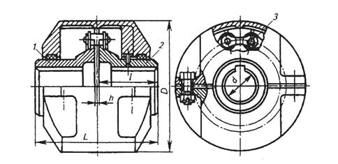
Цепная муфта. Упрощенной конструкцией зубчатых муфт являются цепные (рис.6.5), состоящие из двух полумуфт 1 и 2, замыкаемых бесконечной однорядной или двухрядной втулочно-роликовой цепью 3. Цепные муфты изготовляют по ГОСТ 20742—93 в диапазоне диаметров валов d = 20...100мм с номинальным вращающим моментом от 63 до 16000 Н.М. При использовании других материалов номинальный вращающий момент определяется расчетным путем.
В таблице 6.1 даны значения номинального вращающего момента для полумуфт, изготовленных из сталей марки 45 (ГОСТ 1050-88*) или 45Л (ГОСТ 977—88), с твердостью рабочих поверхностей зубьев HRC40...45.

Рис.6.5. Цепная муфта (ГОСТ 20742-93)
Таблица 6.1
![]() |
Компенсирующие упругие муфты. Практически все машины с активными рабочими органами характеризуются переменными нагрузками, т.е. значение вращающего момента Т меняется с большой частотой и в широком диапазоне
(6.1)
Частичное демпфирование пиковых значений момента возможно; при этом вводят в кинематическую схему упругие элементы — металлические или неметаллические. Упругие элементы входят в трансмиссию в виде самостоятельных или встроенных в муфту сборочных единиц. Для упругих муфт важное значение имеют характеристики упругих свойств: крутильная жесткость Скр или податливость λкр, а также демпфирующая способность φм.
Демпфирующая способность упругих муфт характеризуется величиной энергии, необратимо поглощаемой в процессе деформации упругих элементов и переходящей в конечном счете в теплоту.
Если при нагружении муфты зависимость между вращающим моментом Т и углом относительного смещения полумуфт φ изменяется по кривой Оаm (рис.6.7), а при разгрузке — по кривой mbО, то площадь Оаmφ1О определяет энергию, затраченную на деформацию упругих элементов муфты при нагружении, а площадь Оbmφ1О — энергию, возвращенную муфтой при разгрузке.


Рис.6.7 Рис.6.8
Разность указанных площадей, очерченная кривой, называется петлей гистерезиса, которая характеризует потерянную энергию, необратимо поглощенную муфтой за один цикл (нагружение — сжатие). Физически потери энергии за один цикл объясняются для неметаллических упругих элементов внутренним трением и соответственно тепловыделением. Потери энергии зависят от объема деформируемого упругого элемента. При металлических пружинах рассеивание энергии тоже определяется внутренним трением, а при наборных (типа рессор) — главным образом внешним трением пластин, но вместе с тем имеет место и внутреннее
трение, величина которого мала, так как толщина пластин небольшая. При небольших и средних нагрузках применяют преимущественно муфты с неметаллическими (чаще всего резиновыми) упругими элементами, работающими на сжатие, сдвиг или более сложную деформацию. Такие муфты относительно просты и характеризуются высокой демпфирующей способностью, но имеют меньшую нагрузочную способность по сравнению с пружинными муфтами, так как неметаллические упругие элементы недолговечны и с течением времени меняют свои механические характеристики.
Упругие муфты со звездочкой — разновидность кулачковых муфт, у которых рабочие поверхности кулачков разделены резиновой звездочкой (рис. 6.8). Муфта имеет небольшие размеры и относительно малый маховой момент, но при соединении валов требуется достаточно высокая соосность (е < 0,01)d.
Работоспособность муфты обусловлена прочностью звездочки, которая оценивается напряжениями смятия
(6.2)
где Tр — расчетный момент, Н.мм; z — число зубьев в звездочке; h — высота кулачков (ширина звездочки), мм; Dcp —средний диаметр, мм; Dcp = (D + d)/2
; D — наружный диаметр, мм; d—диаметр отверстия, мм: [σсм] —допустимое значение
напряжений смятия для резиновой звездочки; [σсм ] = 200...250H/мм2 = 200...250 МПа.
Упругая втулочно-пальцевая муфта (рис.6.9) широко распространена в приводах с электродвигателем. Полумуфты не имеют непосредственного металлического контакта. Вращающий момент передается пальцами, жестко закрепленными на одной полумуфте; на пальцы надеты резиновые втулки (или набор колец). Такие муфты допускают значительную осевую погрешность (до Δ = 15 мм), но относительно небольшое радиальное смещение (е = 0,3...0,5 мм) и угол перекоса валов (α < 1о). При больших монтажных погрешностях и наличии вибраций резиновые втулки быстро изнашиваются, поэтому втулочно-пальцевые муфты применяют в приводах, смонтированных на жестких литых или сварных рамах.
Поверхности площадок рамы, на которые установлены электродвигатель и редуктор, обрабатывают на строгальных или фрезерных станках. Обработке подлежат специально предусмотренные на точках крепления бобышки (на литой раме) или платики (на сварных рамах). Если механическую обработку рамы не проводят, то точность монтажа достигается прокладками.
На втулочно-пальцевые муфты распространяется ГОСТ 21424—93. Такие муфты можно использовать при значениях вращающего момента от 6,3 до
16 000 Н.м диаметрах соединяемых валов 9... 150 мм и при окружной скорости v ≤ 30 м/с.
Стандартом предусмотрено два исполнения: тип 1 — с цилиндрической расточкой отверстий, тип II —с конической.
В стандарте приведены значения передаваемого момента для полумуфт, изготовленных из чугуна СЧ-20. Материал пальцев — сталь 45. Упругие элементы изготовлены из резины со следующими механическими свойствами: предел прочности при разрыве —не менее 8 МПа; твердость (ГОСТ 263-93) 60...75 условных единиц.

Рис.6.9
Размеры элементов муфт, указанные в стандарте, определены при достаточно большом запасе прочности, поэтому проверочный расчет обычно выполняют в случае необходимости только для пальцев и втулок.
Размеры элементов муфт, указанные в стандарте, определены при достаточно большом запасе прочности, поэтому проверочный расчет обычно выполняют в случае необходимости только для пальцев и втулок.
Пальцы втулочно-пальцевой муфты проверяют на изгиб:
σи =
[σи], (6.3)
где Mи - изгибающий момент, действующий на консольно закрепленный палец; Н• мм; W— момент сопротивления, мм3; [σи] —допустимые напряжения изгиба для материала, из которого изготовлены пальцы, Н/мм2.
Втулки проверяют по удельному давлению (МПа)
p=
[p] (6.4)
где Ft — окружная сила, действующая на диаметр D расположения осей пальцев; D =(2,5...3)d. Здесь d — диаметр отверстия; dn — диаметр пальца; dn = (0,3...0,5)d ;lп — длина втулки, численно равная длине пальца: lп = (0,8...0,85) l2.
Упругие муфты с торообразной оболочкой (рис.6.7) характеризуются большей компенсирующей способностью: осевым разбегом Δ < 4мм, радиальным смещением е ≤ 2 мм и угловым смещением α ≤ 3°. Как видно из рис.6.7., муфты допускают два исполнения — с наружным (рис. 6.7, а) и внутренним (рис.6.7, б) исполнением частей тора. Муфта с внутренним исполнением части тора имеет меньшие габариты и маховой момент, в результате чего уменьшаются центробежные силы. Это позволяет применять муфту при большей окружной скорости. Муфты данного типа применяют в конструкциях, где трудно обеспечить соосность соединяемых валов при наличии переменных нагрузок. Радиальную нагрузку, действующую на вал, определяют из выражения:
Fr = 0,45T/D. (6.5)

Рис.6.7
Упругие муфты с металлическими пружинами характеризуются повышенной нагрузочной способностью. Стальные пружины (витые или пластинчатые) сохраняют свои упругие свойства более длительное время по сравнению с неметаллическими упругими элементами и могут иметь постоянную или переменную жесткость.
Постоянную жесткость обеспечивают витые пружины, работающие на растяжение
и сжатие, или пластинчатые пружины, работающие на изгиб, или стержневые пружины (торсионы), работающие на кручение.
1. Детали машин и основы конструирования./ Под ред. М.Н.Ерохина.- М.: КолосС,
2005. – 462с.: ил. – (Учебники и учеб. пособия для студентов высш. учеб. заведений).
2. Эрдеди А.А., Эрдеди Н.А. Детали машин: Учеб. для машиностр. спец. средних профессиональных учебных заведений. – 2-е изд., испр. и доп. – М.: Высш. шк.; Изд. центр «Академия». 2001. – 285 с.; ил.
3.Шелофаст В.В. Основы проектирования машин. М.: Изд-во АПМ. – 472с.
4.Дунаев П.Ф. Леликов О.П. Детали машин. Курсовое проектирование. – М.: Высшая школа, 1998.-447 с., ил.
5.
Формирование рыночной системы хозяйствования требует от хозяйствующих субъектов повышения эффективности производства, конкурентоспособности продукции и услуг на основе достижений научно-технического прогресса, эффективных форм хозяйствования и управления. Определяющая роль в реализации данных задач принадлежит анализу финансово-хозяйственной деятельности. С его помощью обосновываются планы и управленческие решения, осуществляется контроль за их выполнением, оцениваются результаты дёятельности, проводится диагностика и выявляются резервы повышения эффективности производства и роста экономического потенциала.
Современный специалист в области экономики: бухгалтер, менеджер, экономист — должен владеть новейшими методами экономических исследований, методикой системного, комплексного анализа.
Анализ (от греческого – analisis) означает разделение, разложение изучемого объекта на элементы, на внутренние составляющие.
Экономический анализ – это способ познания хозяйственных процессов экономического субъекта, основанный на разделении целого на составные элементы и изучении последних в их зависимости и взаимосвязи путем синтеза, т.е. объединении выделенных ранее частей объекта.
Объектами анализа на микроуровне являются хозяйствующие субъекты, а также основные экономические результаты хозяйственной деятельности:
· производство и реализации продукции;
· использование материальных, трудовых и финансовых ресурсов;
· финансовые результаты производства;
· финансовое состояние предприятия.
Предметом анализа хозяйственной деятельности являются причинно-следственные связи экономических явлений и процессов. Особенностью экономического анализа является то, что экономические процессы и показатели, характеризующие деятельность хозяйствующего субъекта изучаются во взаимосвязи и в динамике.
Экономический анализ является важным элементом системы управления производством. Он может быть использован как вариант предварительного прогноза при оценке инвестиционных проектов, при обосновании бизнес – планов, при исследовании возможностей производства и сбыта продукции, при выявление внутренних и внешних факторов, влияющих на производство и реализацию продукции, как инструмент прогнозирования различных сценариев развития и условий их реального осуществления, при исследовании эффективного использования средств производства, результатов деятельности предприятий, финансового состояния и т.д.
Таким образом, экономический анализ – прикладная наука. Она, опираясь на теорию познания, обеспечивает практическую полезность, повышает экономическую эффективность практической деятельности человека.
Задачи анализа хозяйственной деятельности:
1) изучение деятельности предприятий с помощью комплекса взаимосвязанных технико-экономических показателей, характеризующих работу организации как в целом, так и ее подразделений.
2) повышение научно-экономической обоснованности и всестороннее исследование выполнения бизнес-планов;
2) повышение эффективности производства и обеспечение выполнения планов при минимальных затратах;
3) определение экономической эффективности использования трудовых, материальных и финансовых ресурсов;
4) выявление и измерение внутренних резервов на всех стадиях производственного процесса;
5) определение оптимальности управленческих решений;
6) разработка мероприятий по использованию резервов и оценка их влияния на финансово-хозяйственную деятельность предприятий.
Анализ должен быть комплексным, то есть учитывать влияние внешних и внутренних факторов. Внешние факторы, влияющие на хозяйственную деятельность, в основном отражают действия экономических законов рыночной экономики. Закон спроса и предложения находит отражение в формировании цены. Изменение тарифов на энергию, цен на сырье, материалы, готовую продукцию, комплектующие влияет на производственные и финансовые результаты работы хозяйствующего субъекта, приводит к усложнению экономических расчетов в процессе анализа. Внутренние факторы связанны с конкретной деятельностью человека, они целиком и полностью зависят от его действий. Успешное результативное хозяйствование при правильной организации производства и труда, умелое использование ресурсов хозяйствующего субъекта можно определить как явление субъективного фактора.







