Релейная защита должна срабатывать при повреждениях в защищаемой зоне и не должна срабатывать при повреждениях вне защищаемой зоне, а также при отсутствии повреждений
К релейной защите предъявляют четыре требования:
1. Селективность(избирательность)-высшее свойство РЗ, обеспечивающее отключение при КЗ только поврежденного элемента системы с помощью выключателей. Селективность не исключает срабатывание резервной защиты при повреждении на смежном участке и отказе основной защиты.
2. Быстрота срабатывания.
3. Устойчивость функционирования(надежность).Основным элементом надежности является человеческий фактор.
4. Чувствительность - оценивается коэффициентом чувствительности Кч.
Для резервной защиты Кч ≥ 1.2÷1.5
Для основной защиты Кч ≥ 2.
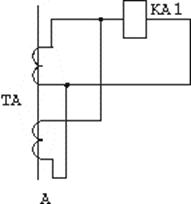
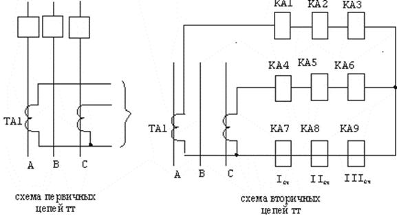
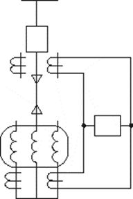
Датчики тока и напряжения.

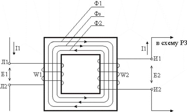
Трансформаторы тока.
Конструкция

Магнитопровод собирается из листов электротехнической стали (0,5÷0,3 мм) изолированные друг от друга.
Вторичный ток I2 обычно составляет 5или 1А, реже - *2,5; 2А.
Принцип действия
По первичной обмотке протекает ток I1, который создает в магнитопроводе магнитный поток Ф1. Поток Ф1 проходит сквозь обмотку W2 и наводит в ней ЭДС E2. Поскольку вторичные цепи ТТ всегда замкнуты (одно из условий работы трансформатора), то протекает ток I2 по цепи и через обмотку W2. Этот ток наводит в магнитопроводе магнитный поток Ф2, который направлен противоположно потоку Ф1. Результирующий поток Ф0=Ф1-Ф2, направленный как и Ф1, наводит в обмотке W1 противоЭДС Е1. Чем больше нагрузка ТТ, тем больше противоЭДС Е1.
Нормальный режим работы ТТ- закороченная вторичная обмотка. При размыкании вторичной обмотки результирующий магнитный поток Ф0 станет равным Ф1 и магнитопровод войдет в насыщение. Трансформатор будет нагреваться, на выводах вторичной обмотки будет повышенное напряжение, которое может достигать нескольких киловольт. Это может быть опасно для персонала обслуживающего вторичные цепи. Поэтому один из выводов во вторичных схемах обязательно заземляется.

Запишем F0 как:


- коэффициент трансформации ТТ
По закону сохранения энергии:

Иначе:

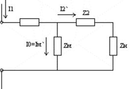
ТТ-это источник тока, его внутреннее сопротивление равно бесконечности.

Схема замещения ТТ

Схемы соединения ТТ
Схема „полная звезда”

Используется в сетях 110кВ и выше с заземленной нейтралью. Реже в сетях с изолированной нейтралью 6,10,35кВ. По обратному проводу протекает ток нулевой последовательности 3I0.
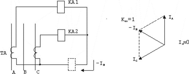
Схема „неполная звезда”

Коэффициент схемы равен kсх=1
Используется исключительно в сетях с изолированной нейтралью 6,10,35кВ. По обратному проводу протекает ток –Iв.
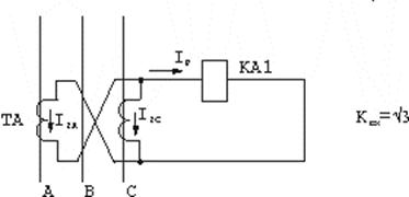
Схема „треугольник”

![]() | |||
|


Ксх показывает во сколько раз ток в реле больше тока во вторичной обмотке ТТ.
Эта схема используется специально для дифференциальной защиты трансформатора.
Схема „неполный треугольник”

Используется в сетях с изолированной нейтралью 6,10,35кВ. Ее преимущество- наличие одного реле.
Фильтр токов нулевой последовательности.

Используется в сетях с заземленной нейтралью 110кВ и выше.
Последовательное соединение ТТ.

Используется для повышения нагрузочной способности ТТ

Используется для понижения коэффициента трансформации ТТ
Основное назначение ТТ
1. Привести ток к стандартной величине (5А, 1А)
2. Обеспечить гальваническую (электрическую) развязку между первичной и вторичной цепью.
Построение векторной диаграммы ТТ.
Для этого необходимо иметь следующие данные:
1. число витков обмоток W1 и W2, активное и реактивное сопротивление вторичной обмотки r2 и x2 ;
2. нагрузка r2наг, x2наг(учтено суммарное сопротивление всех проводов и приборов;
3. средняя длина магнитного пути Lм, расчетное поперечное сечение магнитопровода Sм;
4. материал магнитопровода, его свойства и характеристики:Fуд=f(B)-удельная МДС как функция от индукции, ψ=f(B)-угол потерь в зависимости от индукции.



Погрешности трансформатора тока
Для схем РЗ допускается погрешность ТТ ε≤10%.

Полная погрешность:


При близких коротких замыканиях ток к.з. может достигать до 100*Iном, тогда ТТ насыщается и вторичный ток уже несинусоидален. Он будет как на рисунке.
Угловая погрешность:

угловая погрешность измеряется в минутах

Компенсация погрешности ТТ.
Её можно осуществлять несколькими способами:
1. Спрямление кривой намагничивания;
2. Подмагничивание магнитопровода;
3. Создание нулевого потока;
4. Перераспределение потоков рассеяния;
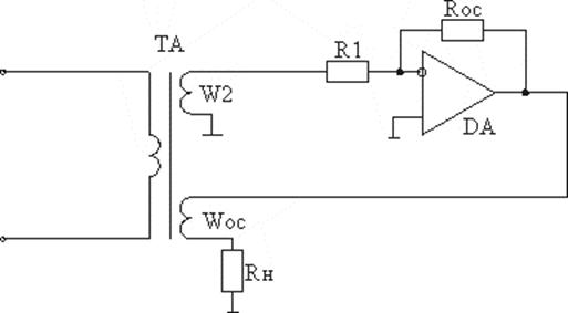
Активный ТТ.

На инвертирующий вход ОУ подаётся сигнал от обмотки W2.Выход ОУ подключен к обмотке обратной связи (ОС) Wос. Сигнал в противофазе трансформируется в магнитопровод. В результате результирующий поток Фрез=Фо-ФWос≈0. Таким образом не будет расхода энергии на перемагничивание ТТ, следовательно не будет возникать погрешностей.
Недостатком такого ТТ является маленький динамический диапазон работы.

Коэффициенты трансформации.
I2=5А, 1А.-ряд токов вторичной обмотки ТТ.
I1=1;5;10;15;20;30;40;50;75;80;100;150;200;300;400;500;600;750;800;1000;1200;1500;
2000;3000;4000;5000;6000;8000;10000;12000;14000;16000;18000;20000;25000;30000;
32000;40000А-ряд токов первичной обмотки ТТ.
ТТ на герконе.
Геркон-герметизированный контакт.

1. Стеклянная колба.
2. Пластины из магнитного материала (из пермолоя). На концах они позолочены или посеребрены.
3. Азот или другой инертный газ.
Принцип работы геркона:
Помещая его в магнитное поле, мы направляем силовые линии магнитного поля по пластинам геркона. Магнитный материал является концентратором магнитного поля.
Пластины намагничиваются и если МДС больше силы упругости прижимных контактов, то контакты замыкаются.

У геркона есть две характеристики:Fср[А·виток]; и Нср[А/м].
Fср- сила срабатывания
Нср- напряженность магнитного поля при которой срабатывает геркон

Меняя расстояние h от геркона до проводника и угол поворота α можно изменять чувствительность и ток срабатывания.
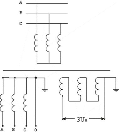
Трансформатор напряжения (ТН).
ТН имеет два назначения:
1. Электрическая развязка первичных цепей от вторичных;
2. Стандартизация напряжения (приведение напряжения к стандартному ряду).
На вторичной обмотке ТН напряжение 100В или 100/√3 если ТН однофазный.
ТН имеет две вторичные обмотки-звезда и разомкнутый треугольник. На выходе последнего мы получим 3U0 при авариях, когда выделяется нулевая последовательность.

ТН подключается параллельно к шинам сети.


ТН это источник ЭДС, поэтому его внутреннее сопротивление равно нулю. Благоприятный режим работы, когда сопротивление нагрузки бесконечно.
ТН имеет погрешность по напряжению (ΔU) и угловую погрешность(δ).


Погрешности вызваны перемагничиванием магнитопровода.
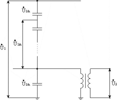
Ёмкостный ТН.

Операционные усилители (ОУ).
ОУ это усилитель постоянного тока. Все ОУ имеют на входе дифференциальный каскад, за счет чего на выходе получаем: Uвых=U2-U1

Характеристики ОУ:
Идеальный ОУ Реальный ОУ
Rвх=∞ Rвх≥1000 ом
Rвых=0 Rвых≈0,1ом
Ку=∞ Ку≈1000000
Сумматор на базе ОУ:

Отрицательная обратная связь (ООС)- это такая связь между входом и выходом, когда на входе сигнал вычитается выходной величиной. Это позволяет уменьшить погрешность или ошибку, но одновременно несколько уменьшается выходной сигнал.
Чем больше Rос, тем больше величины, передающиеся на выход.

Вычитатель на базе ОУ:


Дифференциатор


Интегратор


Фильтр высокой частоты

Фильтр низкой частоты

Полосовой фильтр

Режекторный фильтр

Полосовой фильтр с двойной Т-образной связью

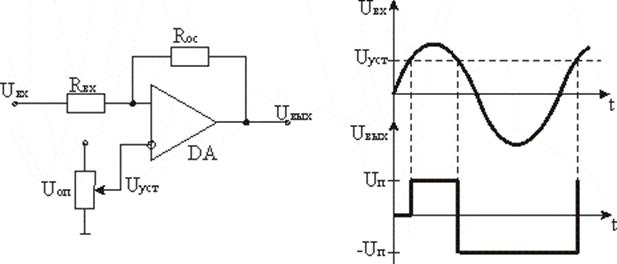
Компаратор

В компараторе ОУ работает в режиме насыщения за счет ПОС.
UОП-опорное напряжение
UУСТ-напряжение уставки
UП-напряжение питания
Элементы цифровой вычислительной техники.
Правила алгебры логики:
1. Логическое сложение ("или")

Y=x1+x2
2. Логическое умножение ("и")

Y=x1·x2
3. Логическое отрицание ("не")

Y= x
4. Штрих Шеффера ("или-не")

Y=x1+x2
5. Стрелка Пирса ("и-не")

Y=x1·x2
Правила де Моргана: x1·x2=x1+x2
x1+x2=x1·x2
6. Равнозначность ("исключающее или-не")

Y=x1+x2
Сумматор
Полусумматор

Одноразрядный сумматор

Таким образом, происходит арифметическое сложение в цифровом виде. Наращиванием количества сумматоров мы определяем разрядность результирующего сумматора.
Вычитание двоичных чисел идет также с помощью сумматора, только уменьшаемое суммируется с дополнительным кодом вычитаемого (дополнительный код это когда все разряды числа инвертируются, и добавляется единица).
Умножение (деление) производится методом сдвига и последовательным сложением (вычитанием).
Дешифраторы и шифраторы.
Это устройства, преобразовывающие код информации из одного вида в другой.

Двоично-десятичный дешифратор


Дешифраторы широко используются в организации памяти всевозможных устройств.
Мультиплексоры и демультиплексоры (коммутаторы).
Мультиплексор это устройство, пропускающее на выход сигнал от одного из входов, адрес которого запрашивается.

Демультиплексор это устройство, пропускающее на один из выходов сигнал, адрес которого выставлен от входа (запрашивается).

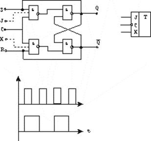
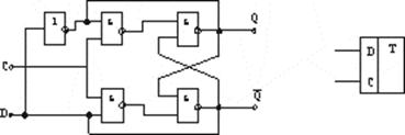
Триггер
Это устройство, хранящее один бит информации.
RS-асинхронный триггер.
| | | |
| x | x | ||

"Память"

R-S синхронизированный триггер

Делитель надвое (J-K триггер)

В ручных электрических часах частота кварцевого резонатора 32768 Гц делится пятнадцатью последовательными делителями.
D триггер

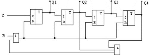
Счетчики
Двоично-десятичный счетчик

Регистры
Регистры используются для хранения многоразрядных двоичных чисел и представляют собой параллельное или последовательное соединение RS-триггеров.

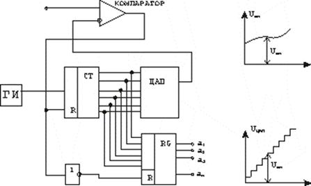
ЦАП и АЦП.
Цифро-аналоговый преобразователь:


Ек и qк – ЭДС и проводимости ветвей, подключенных к источнику опорного напряжения Е.
αк-соответствует разрядам двоичного кода.
Аналого-цифровой преобразователь.

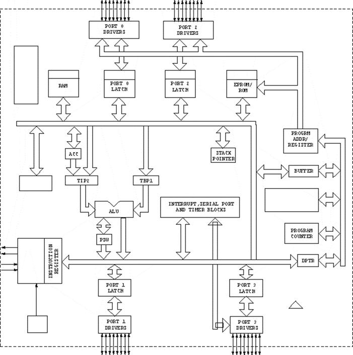
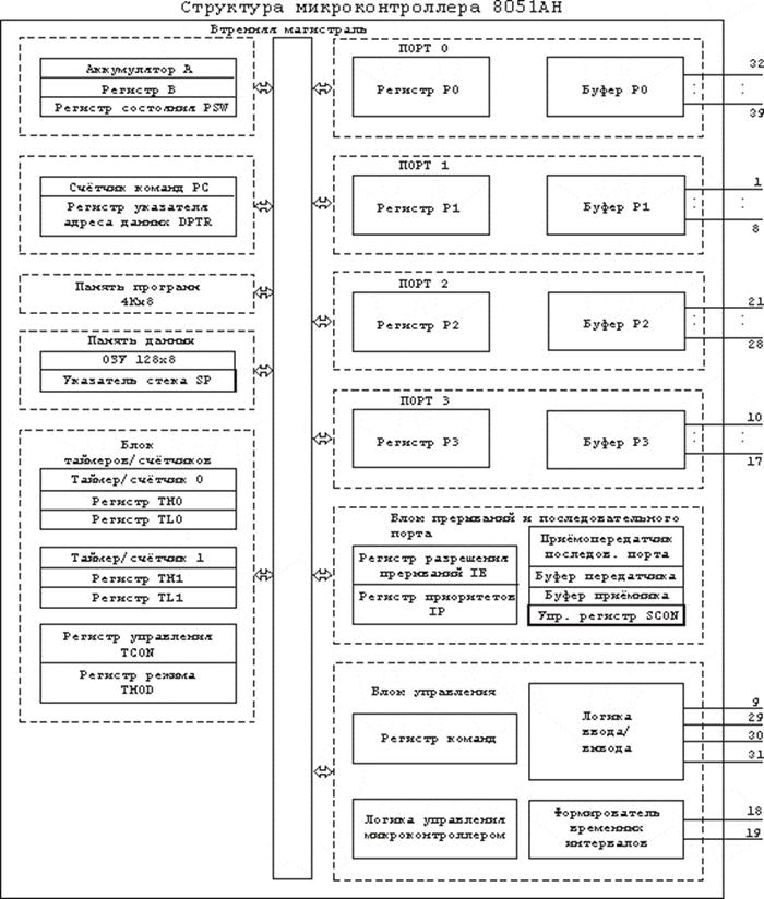
Архитектура процессора Intel 80c51.
Это ИМС, который имеет 40 выводов. Внутри ее имеется арифметико-логическое устройство. Оперативная память на 128 байт, память программ (ПЗУ) 4 кБ.
Процессор имеет 4 восьмиразрядных порта (8 бит). Каждый порт может быть как входом, так и выходом как побайтно, так и побитно. Благодаря тому, что порты имеют
третье состояние (с большим выходным сопротивлением отключен), то они могут подключаться к общей шине. Нулевой и второй порты используются для работы с внешним ПЗУ. Третий порт-альтернативный. Его функции:
1. организация последовательного порта приема и передачи данных
2. два вывода используются для передачи информации
3. два вывода используются для определения приоритетов (прерывания программ)
4. два входа используются для работы с таймерами.



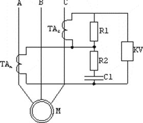
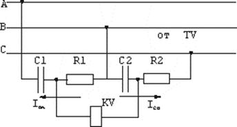
Фильтры симметричных составляющих.
Фильтр токов нулевой последовательности:


Трансформатор тока нулевой последовательности

Фильтр напряжения нулевой последовательности


Фильтр тока обратной последовательности

Такие схемы используются в сетях с изолированной нейтралью.
Нормальный режим работы (отсутствие обратной последовательности):


Нессиметричный режим работы (присутствие обратной последовательности):

Фильтр тока прямой последовательности можно получить, меняя местами две любые фазы.
Например, меняем местами фазы А и В
Нормальный режим работы:

Нессиметричный режим работы:

Фильтр напряжения обратной последовательности

Нормальный режим работы:

Нессиметричный режим работы:

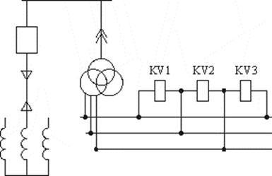
Токовая защита ЛЭП.
Защиты проектируются многоступенчатыми.
1 ступень: Токовая отсечка

IС,З>IК2,МАХ
где IС,З- ток срабатывания защиты первой ступени на подстанции А;
IК2,МАХ- максимальный ток короткого замыкания в точке К2;
| IС,З≥ Котс· IК2,МАХ |
Котс- коэффициент отстройки (надежность или запас);
Котс=1,2…..1,5
Смысл его в том, что мы отстраиваем защиту с достаточной степенью запаса от максимального тока короткого замыкания в конце защищаемой линии. Этот коэффициент включает погрешность ТТ, погрешности реле, ошибку персонала и некоторые другие факторы.
После расчета IС,З мы должны рассчитать ток срабатывания реле защиты:
|

КТ- коэффициент трансформации ТТ
Расчет релейной защиты идет всегда по первичному току ЛЭП и ток IС,З это первичный ток в ТТ при котором защита должна действовать.IС,Р вторичный ток ТТ при котором срабатывает реле.
Никаких специальных задержек для времени не делается.
При грозовых перенапряжениях срабатывает вентильный разрядник и происходит К.З на землю на короткое время. Если вентильный разрядник будет стоять в защищаемой зоне, то отсечка может сработать. Поэтому необходимо чтобы tС,З ≥0,06….0,08 с.-это время задержки срабатывания защиты. Он определяется по условию отстройки работы ВР. Это время выполняется благодаря собственной задержке токового или промежуточного реле.
Чувствительность защиты оценивается коэффициентом чувствительности:


Если защита защищает более 20% ЛЭП, то ее принимают как основную.
2ступень: Отсечка с выдержкой времени.
Здесь
|

Вторая ступень имеет большую зону защиты, которая захватывает соседнюю ЛЭП, включая незащищенный участок ОРУ на подстанции Б.
- для всех ЛЭП
Это сделано чтобы успела сработать 1 ступень на подстанции Б, а если она откажет, то идет резервирование.
Чувствительность защиты оценивается коэффициентом чувствительности:

Очень часто защиты проектируются без 2ступени, т.е. имеется 1 и 3 ступени.
3 ступень: Максимальная токовая защита (МТЗ)
МТЗ принципиально отстраивается от максимальных токов нагрузки (IР,МАХ).



При к.з на соседнем присоединении (К4) напряжение на подстанции А упадет до малого Uост (остаточное). Затем Q4 отключается и бестоковая пауза кончается. Происходит самозапуск останавливающихся двигателей нагрузки, что приводит к появлению повышенного тока IС,З,П. МТЗ отстраивается от этого тока до тока возврата
(IВЗ).

где IВЗ- ток возврата
IС,З,П- ток самозапуска.
Коэффициент возврата:



|

Для МТЗ:
|
Коэффициент чувствительности (для К2):

Если произошло К.З в точке К3:

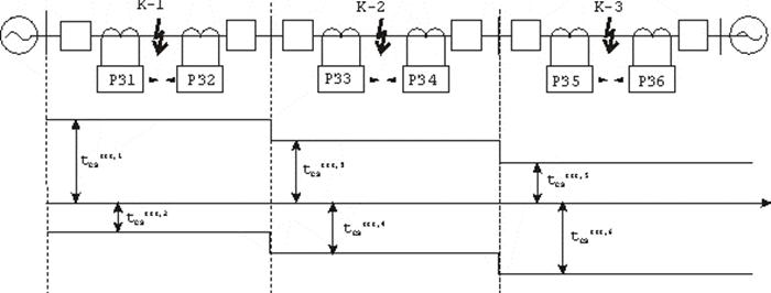
Карта селективности.

Δt- ступень селективности (обычно Δt=0,5 с.)
Схемотехника токовых защит.
Обычно такие токовые защиты используются в сетях 6;10;35кВ. Реже на 110 кВ и выше.
Пример для сети 35 кВ:

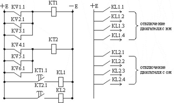
Схема оперативных цепей постоянного тока:

Отсечка отличается от МТЗ методами селективности: МТЗ-по времени задержки, отсечка - по зоне защиты.
Токовые направленные защиты.
В сетях с двухсторонним питанием или кольцевых с односторонним питанием невозможно согласовать между собой защиты по традиционной схеме. Чтобы защиты действовали селективно, надо знать направление мощности. Для этого используется реле направления мощности. Защиты должны срабатывать при протекании мощности от шин в ЛЭП.


Таким образом, две из шести защит должны иметь направленность.
Токовые направленные защиты используются преимущественно в сетях с напряжением до 35кВ. Редко на 110кВ. В основном на тупиковых ЛЭП с односторонним питанием.
Схема оперативных цепей постоянного тока:

Токовые и токовые направленные защиты нулевой последовательности.
В сетях с заземленной нейтралью (110кВ и выше) присутствует при однофазном и двухфазном К.З на землю составляющие нулевой последовательности тока и напряжения. Причем так как такие К.З сопровождаются большими токами, то эти составляющие пропорциональны им. Использование этого принципа лежит в основе построения защиты нулевой последовательности. Достоинство такой защиты это то, что токи К.З более резко спадают у нулевой последовательности, чем у прямой последовательности. Это связано с тем, что сопротивление нулевой последовательности для ЛЭП в три раза больше чем сопротивление прямой последовательности (X0≈3X1). Еще одно достоинство такой защиты в том, что не надо отстраивать третью ступень РЗ от рабочих токов.

Благодаря тому, что большие токи однофазного К.З могут возникнуть только в сетях с заземленной нейтралью, то третья ступень по времени отстраивается не от нагрузки 0,4кВ, а от разделительного трансформатора 110/35кВ или 110/36кВ, из-за чего времена значительно уменьшаются.

Основной недостаток этой защиты в том, что она не чувствует трехфазного и двухфазного К.З если оно не на землю. Другой недостаток в том, что защиту надо отстраивать от бросков тока намагничивания силового трансформатора.
Необходимо далее отстраивать РЗ при неполнофазных режимах работы сети.
Принцип построения такой защиты:
Так как эта защита с относительной селективностью, как и традиционная токовая РЗ, то и принципы построения похожи.

ОНМ – орган направления мощности нулевой последовательности.

Дистанционные защиты.
Используется в сетях 110кВ и выше, но в случаях, когда традиционная токовая РЗ не обладает требуемой чувствительностью, то могут применятся дистанционные РЗ в сетях 6;10;35кВ.
Принцип действия:
Дистанционная защита вычисляет сопротивление до места К.З
сопротивление на зажимах реле (приведенная величина)
Характеристики срабатывания дистанционной защиты:
1. Реле сопротивления полного тока с круговой характеристикой срабатывания с центром в начале координат комплексной плоскости.

Это ненаправленная защита, но она лучше традиционной РЗ потому, что имеет повышенную чувствительность при падении напряжения при К.З
2. Направленные дистанционные РЗ со специальными характеристиками срабатывания.

Zy- сопротивление уставки
Φмч- угол максимальной чувствительности.
Специальная характеристика:

Эллиптическая характеристика:

Трапециидальная характеристика:

Треугольная характеристика:

Характеристика "замочная скважина".

Реле на балансе токов.

Uр,Iр – напряжения и токи подводимые к реле.

Здесь К2=К3=0

Реле срабатывает, когда
, значит

Эта схема для круговой характеристики с центром в начале координат. Это ненаправленное реле.
Схема реле с круговой характеристикой проходящей через начало координат:



UП- внешний источник с частотой 50 Гц.(напряжение памяти)
Сопротивления срабатывания дистанционной защиты.
1 ступень дистанционной защиты:
Принципы отстройки дистанционной защиты подобны принципам отстройки токовых защит.


Первая ступень защищает до 90% линии.
Время срабатывания первой ступени не ставится, но за счет собственного времени срабатывания идет отстройка от работы вентильного разрядника.
2 ступень дистанционной защиты:
Отстраивается от первой ступени предыдущей защиты на подстанции Б или от К.З за трансформатором.
а)
- при первом способе
б)
- при втором способе
КТОК,Б и КТОК,Т – коэффициенты распределения, которые учитывают неравенство токов в дистанционной защите подстанции А и соответственно в линиях и трансформаторе подстанции Б при расчетных точках К.З

Коэффициент чувствительности:

3 ступень дистанционной защиты:
Отстраивается от нагрузочных режимов.

- наименьшее рабочее сопротивление (в режиме самозапуска двигателей)
- коэффициент запуска
|


Дифференциальные защиты.(ДЗ)
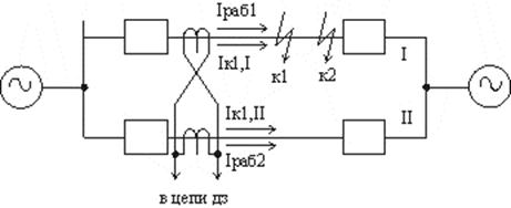
1. Поперечная ДЗ двухцепной ЛЭП
ДЗ включается на разность одноименных фаз соседних ЛЭП.

а)
-нормальный режим
б)
- режим К.З в точке К1
в)
- режим К.З в точке К2
Таким образом у поперечной ДЗ есть мертвая зона в конце ЛЭП (режим К2). Другой недостаток в том, что при отключении одной из ЛЭП ДЗ может ложно сработать и отключить вторую ЛЭП. Поэтому ДЗ надо сначала вывести.
2 Продольная ДЗ ЛЭП.
Эта защита с абсолютной селективностью.

а)
- нормальный режим
б)
- режим К1(внешнее К.З)
в)
- режим К2 (К.З на ЛЭП)
г) Если присутствует второй источник питания или двигатель, тогда ток I|| меняет направление.

Если ЛЭП длинная, то трансформаторы могут оказаться перегруженными большим сопротивлением контрольных кабелей, соединяющих оба трансформатора тока. ТТ будут иметь большую погрешность.
Для длинных ЛЭП (больше 1 км) используют промежуточные ТТ.

2. Продольная дифференциально- фазная высокочастотная защита.

ЗФ- заградительный фильтр;
Ссв- конденсатор связи
П/П- приемник передатчик

Режим К.З. в точке К2

Защита состоит из двух полукомплектов. При положительной полуволне тока полукомплекты формируют высокочастотный (ВЧ) импульс. Положительное направление это направление от шин в ЛЭП. Частота модуляции составляет десятки сотни кГц (10-200 кГц). Этот ВЧ передатчиком передается в противоположный полукомплект защиты. В нем тоже формируется ВЧ сигнал, но так как там мощность направлена от ЛЭП в шину, то сигнал начинается с отрицательной полуволны. Через Ссв сигналы складываются. При этом сигнал самого полукомплекта больше, чем принятый, так как он затухает. ИО- исполнительный орган. При внешнем К1 картина будет такая же и ДЗ не сработает.
При К2 направление мощности в полукомплекте совпадает: от шин в ЛЭП. Поэтому положительные полуволны совпадают по времени. ВЧ сигналы складываются и ИО срабатывает на обеих полукомплектах.
ЗФ нужен для того, чтобы ВЧ сигнал не влиял на работу аналогичных защит смежных линий.
Недостатки ДЗ:
При оледенении проводов сигнал значительно затухает, и защита может ложно сработать. Стоимость ДЗ высока. Такие защиты используются на ЛЭП 110кВ и выше.
Защита от замыканий на землю в сетях с изолированной нейтралью.
При однофазных замыканиях в таких сетях (6;10;35кВ) ток не должен быть больше 20….30А. Этот ток обычно больше нагрузочного тока, следовательно выявить такое
повреждение не всегда просто.
При возникновении однофазного замыкания потенциал земли перемещается в точку А. При этом сам треугольник не меняется и, в целом, такое повреждение на работу электрической установки не влияет.

Здесь опасно:
1. При замыкании на корпус двигателя или на землю одной из фаз возникает большое напряжение на расстоянии 0,8м т.е большое шаговое напряжение. Это приводит к несчастным случаям.
2. Однофазное замыкание на землю обычно сопровождается дугой, что не допустимо во взрывоопасных и пожароопасных производствах.
3. Из-за смещения потенциала земли в поврежденную фазу к фазной изоляции прикладывается линейное напряжение. Хотя изоляция рассчитана на такое перенапряжение, но для двигателя со старой изоляцией это опасно.
В связи с этим ПУЭ допускает работу поврежденной сети до двух часов.
Требования к защите от замыканий на землю:
1. Допускается действие защиты на сигнал в сетях, где допускается работа с повреждением до двух часов.
2. Защита должна действовать без выдержки времени во взрывоопасных и пожароопасных производствах, строительных и некоторых других видах производства.
3. Защита должна удовлетворять требованиям селективности при внешних К.З.
4. В целях упрощения допустимо не устанавливать защиту на электроустановках, удаленных от источников питания или когда вероятность однофазного К.З мала.
5. Защита должна чувствовать однофазное К.З через перемежающуюся дугу.
6. Желательно иметь непрерывность действия защиты.

Общие положения. Повреждения и ненормальные режимы работы.
Повреждения бывают:
1. в баке трансформатора
2. вне бака трансформатора
Первые делятся на:
· однофазные К.З (для сети с заземленной нейтралью)
· однофазные замыкания на корпус или на землю (для сети с изолированной нейтралью)
· витковое замыкание одной фазы
· двойные однофазные замыкания
· междуфазное К.З (для трехобмоточного трансформатора)
Вторые бывают:
Все вышеперечисленные повреждения, кроме витковых, плюс особое повреждение втулок трансформатора.
Ненормальные режимы работы:
1. Внешние К.З

2. Перегрузка.

Различают плановые и аварийные перегрузки. Плановая протекает в соответствии с графиком нагрузки.
Аварийные перегрузки планируются:
30% перегрузки трансформатор выдерживает 3 часа.
60% перегрузки трансформатор выдерживает 45мин.
100%- 10мин.
Обычно рассчитывают на 40% перегрузки (2 часа)
3. Понижение уровня масла (при понижении температуры или при порче бака). Может попасть воздух в трансформатор и произойдет повреждение изоляции от влаги.
4. Повышение напряжений. Происходит обычно из-за молнии, обрыва нейтрали (0,4кВ 0,69кВ), феррорезонансных явлений (6;10;35кВ).
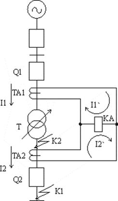
Дифференциальные защиты (ДЗ).

При внешнем К.З в точке К1:

Если случилось К.З в точке К2:

ДЗ отстраивается от токов небаланса, которые протекают в реле. Они максимальны при максимальном токе К.З в точке К1.
- обусловлена погрешностями ТТ
- первая составляющая тока небаланса
=1 – коэффициент апериодической составляющей
=0,1 – дополнительная погрешность ТТ
- коэффициент однотипности ТТ =1 (если бы ТТ были одинаковые, то Кодн=0,5)
- ток внешнего К.З в точке К1.
При регулировании напряжения трансформатором с помощью РПН, который находится на высокой стороне, изменяется коэффициент трансформации силового трансформатора. Поэтому возникает 

ΔUрпн – относительное изменение напряжения силового трансформатора
- учитывает разницу в расчетных витках и выставленных
а)
б)
- отстройка от броска тока намагничивания силового трансформатора.
Из этих двух условий выбирается наибольшее.
|
Чтобы компенсировать фазовый сдвиг группы соединения обмоток силового трансформатора, то ТТ соединяются в Δ/Y (если трансформатор был Y/Δ, т.е наоборот)
Находим число витков:
, где F магнитодвижущая сила срабатывания реле (100А·виток)
Бросок тока намагничивания –это увеличение тока, которое возникает при включении трансформатора на холостой ход в результате насыщения магнитопровода.
ГРАФИК
, где Uк=4,5….10,5
В реле РНТ-565 для отстройки от броска тока намагничивания используется промежуточный трансформатор с быстронасыщенным магнитопроводом. При появлении постоянной (периодической) составляющей этот трансформатор
насыщается и не трансформирует ток в реле. В связи с этим ток срабатывания ДЗ отстраивается не от IБНТ, а от номинала.


ДЗ работает всегда без выдержки времени.
Современные защиты (ДЗТ-21) для отстройки от IБНТ используют:
1. Время бестоковой паузы (длится почти полпериода)
2. Апериодическую составляющую.
3. Наличие второй гармоники.
ДЗ устанавливается на трансформатор мощностью более 4 МВ·А, но может быть и установлена на трансформатор меньшей мощности. Современные ДЗ имеют тормозную обмотку, которая при протекании сквозного внешнего тока К.З уменьшает в магнитопроводе результирующий магнитный поток.
ДЗ защищает трансформатор от К.З в зоне между двумя ТТ. Поэтому эта защита с абсолютной селективностью. Кроме того, она защищает трансформатор и от витковых замыканий. На трансформаторе мощностью менее 4 МВ·А для защиты от К.З устанавливается токовая отсечка.


Защита от перегрузки трансформатора:

Защита от перегрузки может устанавливаться только в одной фазе, т.к перегрузки обычно симметричны. Несимметричные перегрузки трансформатор переносит легко. На необслуживаемых подстанциях защита от перегрузки действует на отключение неответственных потребителей. И лишь после этого отключается защищаемый трансформатор, если перегрузка не устранилась.
На обслуживаемых подстанциях защита от перегрузки действует на сигнал.
tС,З≈1мин.
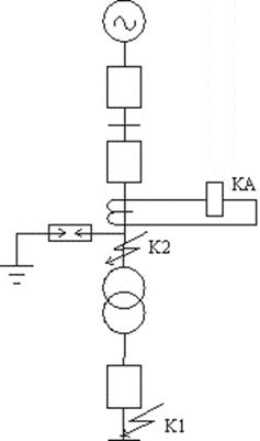
Газовая защита трансформаторов.
Используется для масляных трансформаторов. Устанавливается между баком трансформатора и расширительным баком.

РИСУНКА
При витковом замыкании в трансформаторе протекает большой ток, из-за чего греется виток и масло начинает разлагаться. Увеличивается давление в баке, и газомаслянные пузыри текут в расширительный бак. Если интенсивность потока невелика, то поднимается большой чувствительный поплавок. На нем магнит, который совмещается с герконом и он срабатывает на сигнал.
Если поток более интенсивный, то поднимается маленький грубый поплавок и подает сигнал на отключение.
Газовая защита не является основной. Из-за инерционности масла она имеет задержку
0,3…0,5с.
Ложное срабатывание защиты возможно:
1. после замены масла
2. при землетрясениях
3. при взрывных работах
В этих случаях защиту выводят на сигнал.
Схемотехника РЗ трансформатора 6/0,4кВ.
Схема первичных цепей:

Схема вторичных цепей:

Схема вторичных цепей постоянного оперативного тока:

Защита электродвигателей.
Повреждения двигателей:
1. Междуфазное К.З (К2 и К3)
2. Однофазное замыкание обмотки статора на землю или на корпус. Относится к мощным двигателям, работающим в сетях с изолированной нейтралью или заземленной через дугогасящий реактор. Т.к электрическая машина вращается и создает вибрацию, то возможно разрушение изоляции в некоторых местах. При таком повреждении к изоляции прикладывается линейное напряжение. При этом возможно перерастание в двойное замыкание на землю, которое может перерасти в междуфазное К.З. Из-за горения дуги возможно сваривание магнитопровода и при устранении дефекта сваренные пластины будут греться и эта область будет расширяться.
3. Однофазное К.З в сети с заземленной нейтралью (К1)
4. Витковое замыкание.
5. Для синхронных машин – потеря возбуждения.
6. Асинхронный ход (вращение) для синхронной машины, т.е когда ротор вращается медленнее поля. Возникают пульсирующие токи, сравнимые с пусковыми токами К.З.
Ненормальные режимы работы:
1. Сверхтоки при перегрузке.
В соответствии с МЭК допустимое время перегрузки:
, где 

Для мощных машин А=250, для остальных А=150.
2. Сверхтоки при понижениях и последующих восстановлениях напряжения.
Для ответственных потребителей допускается снижение напряжения до 0,5Uном, а при дальнейшем снижении надо отключить асинхронный двигатель.

3. Сверхтоки при обрыве фазы.

50% I2
50% I1 соотношение последовательностей при обрыве.
ω2 по отношению к ротору имеет частоту приблизительно равную 2ω0, что нагревает ротор и может быть тепловой пробой изоляции.
Если I2=0.1Iн, то двигатель надо отключать.
Двигатели высокого напряжения работают в сетях с изолированной нейтралью.
Однорелейная схема на разность фаз (
)

Неполная звезда (
)


К0 – коэффициент отстройки
Кв – коэффициент возврата

Ксх используется т.к ток в реле отличается от тока в ТТ.

Отсечка
Однорелейная схема на разность фаз (
)

Неполная звезда (
)




Обычно в качестве реле используют РТ-40 или РНТ-565.
У ДЗ ток небаланса состоит из трех составляющих. А у ДЗ двигателей только одна – погрешность ТТ.

К0≈1,3
Ка=1- коэффициент апериодической составляющей;
Кодн=0,5 – коэффициент однотипности ТТ;
=0,1
Защита минимального напряжения.

Она действует сразу на группу потребителей и может иметь две ступени.
1ступень:

Обычно 
Когда срабатывает первая ступень, то отключаются неответственные механизмы.
2 ступень:


Защита от замыканий на землю обмотки статора.


Сд - емкость двигателя
Для неявнополюсных синхронных и асинхронных двигателей с короткозамкнутым ротором:

Sд.ном- мощность двигателя в МВ·А.
Uном- линейное напряжение в кВ.
Для всех остальных двигателей:
, здесь мощность в кВ·А, напряжение в В., частота вращения ротора (n) об/мин.

КБР- коэффициент броска тока (3-4)
К0- 1,2…1,3
Для двигателей до 2000 кВт используется реле РТ-40/2 или РТЗ-51. Иногда используется реле ЗЗП-1.
Незащищаемые повреждения:
1. Разрыв стержня ротора (при короткозамкнутом роторе). Возникает перерасход электрической энергии на 3-5%.
2. Эксцентриситет. В основном для высоковольтных двигателей, когда смещаются подшипники на валу и ротор может задеть статор
Автоматическое повторное включение (АПВ)
Назначение АПВ.
Короткие замыкания в электроустановках бывают устойчивые и неустойчивые. Если мы производим повторное включение на устойчивое К.З., то такое повторное включение называется неустойчивым. А если К.З. было неустойчивым, то такое повторное включение называется успешным.
Из практики для ВЛЭП 110-220кВ количество успешных ПВ составляет 75-80%, для ЛЭП 330кВ 65-70%, для ЛЭП 500-750кВ 50%. Для КЛЭП 40-60%.
ПУЭ требует установку АПВ на всех ВЛЭП.
АПВ бывают однофазные и трехфазные. Бывают однократные, двукратные, трехкратные АПВ.
По типам выключателей, на которые устанавливается АПВ, они делятся на воздушные, масляные и т.д.
Трехфазные АПВ бывают простые, быстродействующие, с проверкой наличия напряжения, с ожиданием синхронизма, с улавливанием синхронизма.
Требования к АПВ:
1. Должно срабатывать при аварийном отключении выключателя, находившегося в работе.
2. АПВ не должно приходить в действие при отключении выключателя оперативным персоналом.
3. АПВ не должно приходить в действие при срабатывании защиты сразу после включения выключателя оперативным персоналом.
4. Должна быть блокировка АПВ при действии определенной защиты (газовой защиты и т.д.).
5. Схемы АПВ должны обеспечивать определенное количество повторных включений.
6. Время действия АПВ должно быть минимально возможным, чтобы обеспечить быструю подачу напряжения потребителям. Минимальное время действия АПВ составляет 0,3…0,5с.
7. Схемы АПВ должны обеспечивать автоматический возврат в исходное положение готовности к новому действию после включения в работу выключателя, на которое действует АПВ.
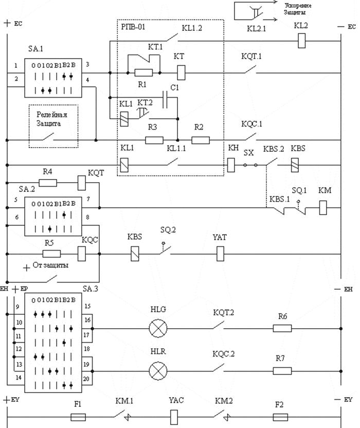
Устройство однократного АПВ (с масляным выключателем):

По стандарту схемы показывают для отключенного состояния выключателя и при отсутствии всех напряжений. Подаем напряжение оперативного питания на цепь.
1. Включение выключателя от ключа управления.
Ключ управления на схеме: SA.1;SA.2;SA.3;
В- команда включить
В1- предварительно включено
В2-включено
О- отключено
В положении В2 замкнуты контакты: 1-3;5-7;11-17;14-20;
При этом по цепи "+ЕС"- (5-7)SA.2- KBS.1- SQ.1- KM- "-EC" - (1) протекает ток и срабатывает контактор КМ, замыкается контактор КМ1 и КМ2 и электромагнит включения выключателя YAC включает выключатель. Вспомогательный контакт выключателя SQ1 разомкнулся, а SQ2 замкнулся и подготовил цепь отключения к работе. Сработало рел
