1.1. Лабораторная работа №1 «Ознакомительная»
В ходе ознакомительной лабораторной работы студент должен усвоить требования по выполнению и оформлению отчетов по последующим лабораторным работам. Отчет по ознакомительной лабораторной работе не оформляется. Ниже в табл. 1.1 приведен весь перечень лабораторных работ.
Таблица 1.1.
| № | Наименование лабораторной работы |
| Ознакомительная | |
| Вычисление выражений и массивов | |
| Функции и графики | |
| Уравнения и системы | |
| Расчет цепей постоянного тока | |
| Модели источников сигнала | |
| Моделирование цепи постоянного тока | |
| Моделирование цепей с переменными сигналами | |
| Моделирование простых электронных устройств |
Отчеты по лабораторным работам 2-9 оформляются на отдельных скрепленных между собой листах формата А4 с указанием Ф.И.О. и группы студента, названия лабораторной работы. Затем следуют разделы, в которых описываются результаты проведенных расчетов, приводятся формулы, таблицы, графики, схемы электрических цепей. После каждого пункта лабораторного задания делаются выводы. Отчет оформляется в соответствии с требованиями стандарта ВГТУ.
Ниже показан пример оформления отчета.
![]() |
Группа РТ___
ИВАНОВ И.И.
ЛАБОРАТОРНАЯ РАБОТА 2
«ВЫЧИСЛЕНИЕ ВЫРАЖЕНИЙ И МАССИВОВ»
ВВЕДЕНИЕ (цель работы, постановка задачи, методика выполнения)
1. РАСЧЕТ ВЫРАЖЕНИЙ (название раздела)
Вычислим величину

результат запишем в табл. 1. Найдем …. Определим …
Таблица 1. Результаты вычислений (название)
| a | |||
| 102,927 |
График функции ….. показан на рис. 1.
![]() |
Рисунок
Рисунок 1.- График функции …. (название)
Разбиение материала на разделы производится студентом самостоятельно. Один раздел может охватывать один или несколько близких по смыслу пунктов задания. Раздел может разбиваться на подразделы, каждый из которых соответствует пункту лабораторного задания или его части. В конце отчета
оставляется место для заключения (общих выводов) по работе. Результаты всех расчетов необходимо проанализировать и сделать соответствующие выводы, начиная с наиболее значимых.
Заключение содержит краткие общие выводы по лабораторной работе, объединяющие выводы, сделанные ранее по каждому пункту лабораторного задания.
Приведенные рисунки и таблицы сопровождаются названиями. В тексте ссылки на рисунки и таблицы записываются сокращенно (рис.1, табл.2). Другие сокращения слов стандарт запрещает.
По окончании работы студент оформляет отчет, делает выводы, пишет заключение и предъявляет отчет преподавателю для проверки и сдачи зачета. Зачет предполагает объяснение полученных результатов, ответы на теоретические вопросы и выполнение заданий, связанных с тематикой проведенных исследований.
При выполнении лабораторных работ 2-9 указанные результаты вычислений проверяются студентами самостоятельно и индивидуально с помощью автоматизированной контролирующей системы АКОС-МВ.
Для проведения зачетов по темам и проверки качества обучения используется автоматизированная тестирующая система ТЕСТ-МВ.
В ходе ознакомительной лабораторной работы необходимо провести общее (первоначальное) ознакомление с программой MathCAD, ее простейшими возможностями и основными элементами меню.
1.2. Лабораторная работа №2 «Вычисление выражений и массивов»
1.2.1. Вычисление выражений
Полученные результаты проверяются автоматизированной контролирующей системой АКОС-МВ как «Тема 1».
Для заданных значений номера группы G и номера студента в списке группы N вычислите в программе MathCAD величину

и введите ее для проверки в АКОС-МВ: тема 1, ответ 1.
Проведите суммирование в выражении
,
результат внесите в АКОС-МВ: тема 1, ответ 2.
Определите произведение

результат введите в АКОС-МВ: тема 1, ответ 3.
Вычислите величину
,
где
градусов, результат занесите для проверки
в АКОС-МВ: тема 1, ответ 4.
Определите экспоненту

и введите ее для проверки в АКОС-МВ: тема 1, ответ 6.
Вычислите логарифм
,
результат внесите в АКОС-МВ: тема 1, ответ 6.
Проведите вычисление любой из заданных величин с помощью калькулятора, запишите результаты расчета, сравните трудоемкость вычислений, сделайте выводы.
1.2.2. Комплексные числа
Результаты проверяются автоматизированной контролирующей системой АКОС-МВ как «Тема 2».
Для заданных значений номера группы G и номера студента в списке группы N вычислите в программе MathCAD величины
,
,
,
.
Определите комплексные числа
и
,
где
- мнимая единица.
Рассчитайте произведение комплексных чисел
и
,
и представьте его в виде
(
- действительная, а
- мнимая части произведения). Результаты введите в АКОС-МВ:
- тема 2, ответ 1,
- тема 2, ответ 2.
Вычислите частное
,
запишите его в виде
(
- действительная, а
- мнимая части) и введите результаты в АКОС-МВ:
- тема 2, ответ 3,
- тема 2, ответ 4.
Определите модуль величины
,
,
полученную величину внесите в АКОС-МВ: тема 2, ответ 6.
Найдите аргумент величины
,
,
и результат расчета в градусах внесите в АКОС-МВ: тема 2, ответ 6.
Вычислите частное
с помощью калькулятора, опишите промежуточные вычисления, сделайте выводы.
1.2.3 Массивы
Вычислите элементы одномерного массива (вектора, матрицы) из четырех элементов

где
,
.
Запишите полученный массив в виде матрицы – столбца
.
Аналогично сформируйте массив

и запишите его в виде матрицы – столбца

Средствами программы MathCAD получите суммарную матрицу

и введите в АКОС-МВ (Тема 3) ее последний элемент:
- тема 3, ответ 1.
Аналогично сформируйте разностную матрицу

и внесите в АКОС-МВ (Тема 3) ее элемент:
- тема 3, ответ 2.
Определите модуль вектора (массива)
, по определению равный квадратному корню из суммы квадратов элементов,
,
величину
проверьте в АКОС-МВ (Тема 3):
- тема 3, ответ 3. Вычислитеэту величину в соответствии с определением, сравните результаты, сделайте выводы.
В MathCAD функция
от массива
равна массиву функций от элементов исходного массива. Вычислите массив (вектор – столбец)

и введите значение
в АКОС-МВ (Тема 3):
- тема 3, ответ 4.
Вычислите массив (вектор – столбец)

Элемент массива
внесите в АКОС-МВ (Тема 3):
- тема 3, ответ 6.
Определите произведение двух матриц (транспонированной матрицы
и матрицы
),
,
величину
введите в АКОС-МВ (Тема 3):
- тема 3, ответ 6. Проведите перемножение матриц с помощью калькулятора, приведите в отчете промежуточные вычисления, сравните результаты, сделайте выводы.
1.3. Лабораторная работа №3 «Функции и графики»
1.3.1. Функции одной переменной
Постройте график функции

при
на интервале двух - четырех периодов. Значение
введите в АКОС-МВ (Тема 4):
- тема 4, ответ 1.
Получите график экспоненциальной функции

при
(аргумент в радианах), подберите целесообразный интервал изменения аргумента
, проанализируйте и объясните полученные результаты (можно привести несколько графиков). Величину
введите в АКОС-МВ (Тема 4):
- тема 4, ответ 2.
1.3.2. Функции, заданные параметрически
При параметрическом определении функция
задается двумя выражениями

то есть обе координаты зависят от общей переменной
.
Постройте график функции

при значениях
и
, заданных в пункте 1.3.1. Как называется такая кривая, на что влияют величины
и
? Приведите несколько вариантов графиков.
Величину
введите в АКОС-МВ (Тема 4):
- тема 4, ответ 3.
1.3.3. Годограф
Годографом называют отображение на комплексной декартовой плоскости комплексной функции
действительной переменной
. Для его построения задается интервал и шаг
изменения
, для каждой точки вычисляются комплексные значения
и на комплексной плоскости на оси абсцисс отмечаются значении действительной части
, а на оси ординат – мнимой части
функции
.
Постройте годограф комплексной функции действительной переменной

при
.
Значение
введите в АКОС-МВ (Тема 4):
- тема 4, ответ 4.
1.3.4. Функции двух переменных
Рассмотрите функцию двух переменных
.
при значениях
и
, заданных в пункте 1.3.1. Постройте график этой функции в трехмерной декартовой системе координат. Как на него влияют параметры
и
? Приведите несколько таких графиков, объясните причины наблюдаемых изменений.
Величину
введите в АКОС-МВ (Тема 4):
- тема 4, ответ 5.
Постройте график функции
,
проанализируйте влияние параметров.
Значение
введите в АКОС-МВ (Тема 4):
- тема 4, ответ 6.
1.4. Лабораторная работа №4 «Уравнения и системы»
1.4.1. Решите квадратное уравнение

при
и
,
запишите формулы для двух корней
и
, вычислите их значения. Решите это же уравнение, используя функцию Root[f(x),x] в программе MathCAD, подберите начальные значения переменной
, при которых поочередно определяются оба корня уравнения.
Меньшее и большее значения корней, умножив их на 1000, введите в АКОС-МВ (Тема 5): тема 5, ответы 1 и 2 соответственно.
1.4.2. Определите корни системы двух уравнений

при
и
,
получите для них аналитические выражения и численные значения. Решите эту задачу с помощью программы MathCAD, используя процедуру Given … Find(x,y), сравните полученные результаты.
Меньшие (из двух возможных) значения корней
и
, умножив их на 1000, введите в АКОС-МВ (Тема 5): тема 5, ответы 3 и 4 соответственно.
Повторите расчет в программе MathCAD, используя функцию Minerr(x,y), сравните результаты.
1.4.3. Определите максимум функции

двух переменных при
и
,
найдите формулы для его координат
и
, вычислите их значения. Получите эти результаты с помощью функции Maximize(f,x,y) программы MathCAD и сравните их с аналитическими расчетами, сделайте выводы.
Значения корней
и
введите в АКОС-МВ (Тема 5): тема 5, ответы 5 и 6 соответственно.
1.5. Лабораторная работа №5 «Расчет цепи
постоянного тока»
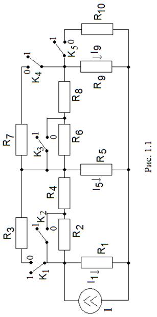
1.5.1. В схеме цепи, показанной на рис. 1.1 установите ключи
в положение, соответствующее двоичному коду Вашего номера
по модулю 32 в списке группы (таблица кодов в приложении 1), кодовая запись имеет вид
, значения
,
. Зарисуйте полученный вариант электрической цепи. Значения сопротивлений элементов цепи в Омах определяются выражением
,
где
- номер группы,
- номер студента в списке группы,
-номер сопротивления в схеме на рис. 1.1. Значение тока
источника примите равным 1 А.

Запишите полную систему уравнений для токов и напряжений в полученной цепи в соответствии с общим методом расчета на основе законов Ома и Кирхгофа. Преобразуйте ее в систему уравнений для токов ветвей.
Решите систему уравнений токов ветвей аналитически, получите выражения для токов
. Вычислите значения этих токов, проведите проверку правильности полученных решений.
Получите численное решение полной системы уравнений для токов и напряжений в программе MathCAD, Проведите проверку выполнимости всех законов Кирхгофа для Вашего варианта цепи. Вычислите значения токов
, сравните с результатами аналитических расчетов.
Значения токов
в миллиамперах введите в АКОС-МВ (Тема 6): тема 6, ответы 1, 2 и 3 соответственно.
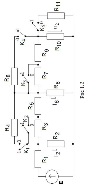
1.5.2. В схеме цепи, показанной на рис. 1.2 установите ключи
в положение, соответствующее двоичному коду Вашего номера
по модулю 32 в списке группы
, значения
,
. Зарисуйте полученный вариант электрической цепи. Значения сопротивлений элементов цепи в Омах определяются выражением
,
где
- номер группы,
- номер студента в списке группы,
-номер сопротивления в схеме на рис. 1.2 (обратите внимание на изменение номеров сопротивлений). Значение ЭДС источника
примете равной 10 В.
Запишите полную систему уравнений для токов и напряжений в полученной цепи в соответствии с общим методом расчета на основе законов Ома и Кирхгофа. Преобразуйте ее в систему уравнений для токов ветвей.

Решите систему уравнений токов ветвей аналитически, получите выражения для токов
. Вычислите значения этих токов, проведите проверку правильности полученных решений.
Получите численное решение полной системы уравнений для токов и напряжений в программе MathCAD, Проведите проверку выполнимости всех законов Кирхгофа для Вашего варианта цепи. Вычислите значения токов
, сравните с результатами аналитических расчетов.
Значения токов
в миллиамперах введите в АКОС-МВ (Тема 6): тема 6, ответы 4 и 5 соответственно.
1.5.3. Из полученной в пункте 1.5.2 системы уравнений получите выражение для выходного напряжения
(рис. 1.2), приведите его к виду
,
где величину
называют коэффициентом передачи цепи по постоянному току. Вычислите
и значение
введите для проверки в АКОС-МВ (Тема 6): тема 6, ответ 6.
1.6. Лабораторная работа №6 «Модели источников
сигнала»
1.6.1. Запустите программу MicroCAP и «соберите» на экране монитора модель цепи постоянного тока, показанную на рис 1.3, с источником постоянного напряжения (Battery) V1 и двумя сопротивлениями R1 и R2,
,
и 

Рис. 1.3
В меню «Анализ» выберите режим «Расчет по постоянному току», нажмите «ОК» и определите напряжения в узлах 1 и 2 (на выходе и входе цепи соответственно), запишите их в табл. 1.1. Проведите расчет этих напряжений, используя закон Ома, запишите их в табл. 1.1, сравните результаты.
Соберите схему рис. 1.3 в программе WorkBench (рис. 1.4), проведите моделирование, результаты внесите в табл. 1.2.

Рис. 1.4
Таблица 1.2
| Напряжения в узлах: | ||
| моделирование в MicroCAP | ||
| моделирование в WorkBench | ||
| расчет |
Значение напряжения
в узле 1 в милливольтах введите в АКОС-МВ (Тема 7): тема 7, ответ 1.
В программе MicroCAP для цепи на рис. 1.3 в меню «Анализ» в режиме «Расчет по постоянному току» нажмите кнопку вывода значений мощности «Powers» в элементах цепи, внесите полученные результаты в табл. 1.2.
В программе WorkBench «соберите» цепь, показанную на рис. 1.5, и по результатам моделирования тока и напряжений определите мощности, потребляемые от источника в сопротивлениях, результаты внесите в табл. 1.2..

Рис. 1.5
Рассчитайте эти мощности, используя закон Ома, занесите результаты в табл. 1.3, сделайте выводы.
Таблица 1.3
| Мощность в | V1 | R1 | R2 |
| моделирование в MicroCAP | |||
| моделирование в WorkBench | |||
| расчет |
Величину мощности в сопротивлении R1 в милливаттах внесите в АКОС-МВ (Тема 7): тема 7, ответ 2.
В программе MicroCAP для цепи на рис. 1.3 в меню «Анализ» выберите режим «Передаточные характеристики по постоянному току», задайте имя изменяемой переменной V1 и получите на одном графике зависимости входного V(2) и выходного V(1) напряжения от напряжения источника V1, приведите в отчете соответствующий график. Проанализируйте результаты, сделайте выводы.
1.6.2. В программе MicroCAP «соберите» на экране монитора модель цепи с источником гармонического напряжения (Sine Source, модель 1 MHZ), показанную на рис 1.6. Задайте
и
.

Рис. 1.6
Установите частоту
источника V1, равную

и амплитуду
колебаний
.
В меню «Анализ» выберите режим «Переходные процессы» и получите временные диаграммы напряжений в узлах 1 и 2 и тока между узлами 1 и 2 (в сопротивлении R2), их амплитуды запишите в табл. 1.4. Приведите в отчете полученные временные диаграммы.
Таблица 1.4.
| Величина | V(1) В | V(2) В | I(2,1) мкА |
| моделирование в MicroCAP | |||
| моделирование в WorkBench | |||
| расчет |
В программе WorkBench постройте цепь, показанную на рис. 1.7, задайте те же параметры, что и для модели в MicroCAP. В измерительных приборах установите режим измерения переменного сигнала (АС). Определите действующие значения напряжений в узлах и тока цепи, запишите результаты в табл. 1.4, проанализируйте, чем они отличаются от предыдущих, сделайте выводы.

Рис. 1.7
.
Рассчитайте амплитуды напряжения в узлах и тока в сопротивлении R2, результаты занесите в таблицу 1.3.
Значение амплитуды напряжения
на сопротивлении R1 в милливольтах внесите в АКОС-МВ (Тема 7): тема 7, ответ 3.
Величину амплитуды тока
в микроамперах введите в АКОС-МВ (Тема 7): тема 7, ответ 4.
В программе MicroCAP в режиме «Переходные процессы» сформируйте временные диаграммы гармонических напряжений в узлах цепи рис. 1.6 и тока цепи на интервале нескольких периодов. По временным диаграммам напряжений и тока определите период
гармонического сигнала, вычислите ту же величину, используя частоту
, сравните результаты, сделайте выводы.
Постройте цепь рис. 1.6 в программе WorkBench (рис. 1.8) с подключенным осциллографом.

Рис. 1.8
По временным диаграммам напряжений и тока определите амплитуды напряжений и период
гармонического сигнала, сравните с результатами предыдущих измерений.
Величину периода
в наносекундах внесите в АКОС-МВ (Тема 7): тема 7, ответ 6.
1.6.3. В программе MicroCAP постройте модель цепи с источником импульсного напряжения (Pulse Source, модель Pulse), показанную на рис 1.9. Задайте
и
.

Рис. 1.9
Для источника установите низкий уровень напряжения (VZERO) равным 0 и высокий уровень импульса (VONE) равным
. Параметры импульсного сигнала показаны на рис. 1.10.

Рис. 1.10
Частоту повторения импульсов примите равной
.
Определите период повторения импульсов
(пункт 1.6.2).
Установите параметры последовательности прямоугольных импульсов с длительностью, равной половине периода - меандра (рис. 1.10) в соответствии с табл. 1.5 (вариант 1). Получите временные диаграммы напряжений в узлах 1 и 2, приведите в отчете соответствующий графики.
Таблица 1.5
| Вариант | Параметр | ||||
| P1 | P2 | P3 | P4 | P5 | |
| | | |||
| | | |||
| | | |
Сформируйте сигнал в виде последовательности коротких импульсов (вариант 2 в табл. 1.5), опишите полученные временные диаграммы. Создайте сигнал в виде последовательности трапециевидных импульсов (вариант 3 в табл. 1.5), приведите в отчете соответствующие временные диаграммы.
По временной диаграмме определите амплитуду напряжения V(1) на сопротивлении R1, вычислите ту же величину на основе закона Ома, сравните результаты, сделайте выводы.
Величину напряжения V(1) в милливольтах внесите в АКОС-МВ (Тема 7): тема 7, ответ 6.
Проведите моделирование цепи вида рис. 1.7 в программе WorkBench, как показано на рис. 1.11. Для функционального генератора установите импульсный сигнал – меандр.с той же частотой, что и в программе MicroCAP. Проведите моделирование, сравните результаты.
Установите пилообразный сигнал генератора, получите временные диаграммы наблюдавемых на рис 1.11 напряжений.

Рис. 1.11
1.7. Лабораторная работа №7 «Моделирование цепи
постоянного тока»
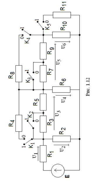
1.7.1. В схеме цепи, показанной на рис. 1.12 установите ключи
в положение, соответствующее двоичному коду Вашего номера
по модулю 32 в списке группы
, значения
,
. Зарисуйте полученный вариант электрической цепи. Значения сопротивлений элементов цепи в Омах определяются выражением
,
где
- номер группы,
- номер студента в списке группы,
-номер сопротивления в схеме на рис. 1.12. Значение ЭДС источника
примете равной 10 В. Эта же схема рассматривалась в пункте 1.6.2 лабораторной работы №5 (рис. 1.2).
Рассчитайте значения напряжений
, показанных на рис. 1.12 для Вашего варианта цепи, проверьте правильность полученных решений с помощью второго закона Кирхгофа, используя для вычислений программу MathCAD. Результаты расчета занесите в табл. 1.6.
Проведите схемотехническое моделирование Вашего варианта цепи в программе MicroCAP, в режиме «Расчет по постоянному току» получите значения напряжений
, результаты запишите в табл. 1.6, проведите сравнительный анализ.
Таблица 1.6.
| Напряжение | , В | , В | , В | , В | , В | , В |
| Расчет | ||||||
| моделирование в MicroCAP | ||||||
| моделирование в WorkBench | ||||||
| Номер ответа в АКОС-МВ (Тема 8) |
Проведите моделирование цепи в программе WorBench, с помощью вольтметра «измерьте» напряжения на элементах цепи, результаты внесите в табл. 1.6.
Значения напряжений в милливольтах введите в АКОС-МВ (Тема 8): тема 8, ответы 1-6 в соответствии с табл. 1.6.

1.7.2. В режиме «Передаточные характеристики по постоянному току» для заданного варианте цепи получите зависимость выходного напряжения V6 от входной ЭДС E, приведите в отчете полученный график.
Представив передаточную характеристику в виде
,
определите величину
(коэффициента передачи цепи по постоянному току), сравните с результатом лабораторной работы №6.
Значение
введите для проверки в АКОС-МВ (Тема 9): тема 9, ответ 1.
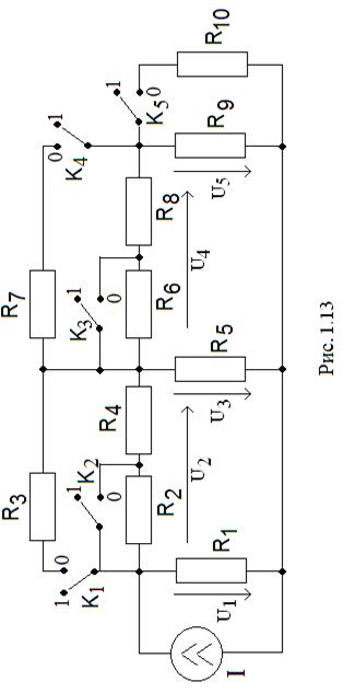
1.7.3. В схеме цепи, показанной на рис. 1.13, установите ключи
в положение, соответствующее двоичному коду Вашего номера
по модулю 32 в списке группы (таблица кодов в приложении 1), кодовая запись имеет вид
, значения
,
. Зарисуйте полученный вариант электрической цепи. Значения сопротивлений элементов цепи в Омах определяются выражением
,
где
- номер группы,
- номер студента в списке группы,
-номер сопротивления в схеме на рис. 1.8. Значение тока
источника примите равным 1 А.
Полученная схема рассматривалась в пункте 1.6.1 лабораторной работы №6.
Рассчитайте значения напряжений
, показанных на рис. 1.13 для Вашего варианта цепи, проверьте правильность полученных решений с помощью второго закона Кирхгофа, используя для вычислений программу MathCAD. Результаты расчета занесите в табл. 1.7.

Таблица 1.7.
| Напряжение | , В | , В | , В | , В | , В |
| Расчет | |||||
| моделирование в WorkBench | |||||
| Номер ответа в АКОС-МВ (Тема 9) |
Проведите схемотехническое моделирование Вашего варианта цепи в программе WorkBench (пример упрощенной модели показан на рис. 1.14), получите значения напряжений
, результаты запишите в табл. 1.7, проведите сравнительный анализ.
Значения напряжений в вольтах введите в АКОС-МВ (Тема 9): тема 9, ответы 2-6 в соответствии с табл. 1.7.

Рис. 1.14
1.8. Лабораторная работа №8 «Моделирование цепей с
переменными сигналами»
1.8.1. В программе MicroCAP постройте модель цепи с источником гармонического напряжения (Sine Source, модель 1 MHZ), показанную на рис 1.15. Задайте
,
и
.

Рис. 1.15
Установите частоту
источника V1, равную

и амплитуду
колебаний
.
В меню «Анализ» выберите режим «Переходные процессы» и получите временные диаграммы напряжений в узлах 1 и 2 и токов в сопротивлениях R1, R2 и емкости C, их амплитуды запишите в табл. 1.8. Приведите в отчете полученные временные диаграммы. Проведите анализ амплитудных и фазовых соотношений между напряжениями и токами.
Таблица 1.8.
| Величина | V(1) В | V(2) В | I (R1) мА | I (R2) мА | I (С1) мА |
| моделирование в MicroCAP | |||||
| моделирование в WorkBench | |||||
| расчет |
Рассчитайте амплитуды и начальные фазы напряжений в узлах 1 и 2 и токов в сопротивлениях R1, R2 и емкости C, полученные амплитуды запишите в табл. 1.8, сравните результаты
Амплитуды токов I(R1) и I(С1) в микроамперах внесите в АКОС-МВ (Тема 10): тема 10, ответы 1 и 2 соответственно.
1.8.2. Вычислите сдвиги фаз
между напряжением V(2), а также токами в сопротивлениях R1, R2 и емкости C и напряжением источника u(1), выбранным в качестве опорного, соответственно,
,
где
- начальная фаза выбранного сигнала, а
- начальная фаза опорного напряжения источника V(1), результаты занесите в табл. 1.9.
Таблица 1.9.
| Сигнал | u(2) | i (R1) | i (R2) | i (С1) |
Сдвиг фаз , рад | ||||
Сдвиг по времени (расчет), мкс | ||||
Сдвиг по времени (моделирование), мкс |
Рассчитайте сдвиги по времени
между соответствующими сигналами и V(1)
,
результаты запишите в табл. 1.9.
В программе MicroCAP измерьте сдвиги по времени
между соответствующими сигналами и V(1) по временным диаграммам, полученным в результате моделирования, результаты представьте в табл. 1.8, сделайте выводы.
Связь между временными диаграммами гармонических сигналов, сдвигами фаз и временными сдвигами между ними показана на рис. 1.16, где показаны три гармонических колебания.

Рис. 1.16
Опорный сигнал
отмечен жирной линией, имеет наибольшую амплитуду и записывается в виде
.
Это колебание на рис. 1.10 имеет начальную фазу
.
Колебание
в пределах половины периода смещено вправо (позже по времени) на интервал
и имеет вид
.
Тогда для начальной фазы получим
,
а для сдвига фаз
между сигналом
и опорным колебанием 
.
Как видно, для сигнала
сдвиг фаз
, то есть он отстает по фазе от опорного сигнала.
Аналогично сигнал
в пределах половины периода смещен влево (раньш е по времени) на интервал
, при этом сдвиг фаз
, то есть
опережает по фазе опорное напряжение
.
Величины
для токов I(R1) и I(С1) в наносекундах внесите в АКОС-МВ (Тема 10): тема 10, ответы 3 и 4 соответственно.
Проведите схемотехническое моделирование цепи в программе WorkBench (пример показан на рис. 1.17). Подключите к цепи осциллограф и получите временные диаграммы напряжений генератора и на емкости, измерьте сдвиг во времени между напряжением на емкости и сигналом генератора и определите сдвиг фаз между ними. Сравните результаты с полученными ранее.
1.8.3. В программе MicroCAP соберите схему с источником импульсного сигнала, показанную на рис. 1.18.
Задайте
,
и
. Частоту повторения импульсов примите равной
.

Рис. 1.17

Рис. 1.18
Установите параметры последовательности прямоугольных импульсов с длительностью, равной половине периода - меандра (рис. 1.6) в соответствии с табл. 1.10 (вариант 1). Примите низкий уровень напряжения (VZERO) равным 0 и высокий уровень импульса (VONE) равным
. Получите временные диаграммы напряжений в узлах 1 и 2, и токов в сопротивлениях R1, R2 и емкости C, приведите в отчете соответствующий графики.
Таблица 1.10
| Вариант | Параметр | ||||
| P1 | P2 | P3 | P4 | P5 | |
| | | |||
| | |
Период
повторения импульсов напряжения на емкости
для варианта 1 в наносекундах внесите в АКОС-МВ (Тема 10): тема 10, ответ 6.
Установите параметры импульса в соответствии с вариантом 2 в табл. 1.10, получите временные диаграммы напряжений в узлах 1 и 2, и токов в сопротивлениях R1, R2 и емкости C, приведите в отчете соответствующие графики. Проведите анализ изменений в полученных временных диаграммах.
Период
повторения импульсов напряжения на емкости
для варианта 2 в наносекундах внесите в АКОС-МВ (Тема 10): тема 10, ответ 6.
Проведите схемотехническое моделирование цепи в программе WorkBench (пример показан на рис. 1.19). Рассмотрите оба импульсных сигнала из табл. 1.10, сравните с результатами, полученными в программе MicroCAP, сделайте выводы.

Рис. 1.19
1.9. Лабораторная работа №9 «Моделирование
простых электронных устройств»
1.9.1. В программе MicroCAP соберите модель электронного усилителя сигнала на базе операционного усилителя (ОУ), показанную на рис. 1.20.

Рис. 1.20
Операционный усилитель, схема которого отдельно показана на рис. 1.21, обеспечивает выполнение операции вида
,
где
- выходное напряжение ОУ,
- напряжение на его инвертирующем, а
- на не инвертирующем входах,
- коэффициент усиления ОУ,
- двухполярное напряжение питания ОУ (обычно от
В до
В).
.

Рис. 1.21
Для ОУ характерно высокое (для идеального ОУ - бесконечное) значение коэффициента усиления
, высокое входное и очень низкое выходное сопротивления.
В схеме на рис. 1.20 использовано неинвертирующее включение ОУ, при котором коэффициент усиления
устройства равен
,
а сдвиг фаз между выходным и входным гармоническими напряжениями равен нулю,
и
- амплитуды входного и выходного сигналов.
В модели на рис. 1.20 выберите тип ОУ (например, GENERIC), установите уровень модели LEVEL=1, задайте
,
, частоту источника гармонического сигнала примите равной

с амплитудой 1 мВ.
В режиме анализа переходных процессов проведите моделирование, получите временные диаграммы входного V(5) и выходного V(4) напряжений, напряжений питания V(1) и V(2), приведите их в отчете.
Измерьте по временным диаграммам период
колебаний выходного напряжения и внесите его значение в микросекундах в АКОС-МВ (Тема 11): тема 11, ответ 1.
Определите амплитуды


, В
, В
, В
, В
, В