Контрольные вопросы к лекции 2
Системы вентиляции. Вентиляционные системы предназначены для обеспечения нормальных санитарно - гигиенических условий воздушной среды в производственных помещениях. В зависимости от выполнения функций приточные и вытяжные системы, а также системы воздушно-тепловых завес.
Рис.5.11.Схема автоматизации технологического агрегата
Раздел 5. Лекция 2. Традиционные методы синтеза систем автоматического управления
Беспалов А.В., Харитонов Н.И. Системы управления химико-технологическими процессами. – М.: ИКЦ «Академкнига, 2007. – 690 с.
Филипс Ч., Харбор Р. Системы управления с обратной связью. – М.: ЛБЗ, 2001. – 616 с.
Дорф Р., Бишов Р. Современные системы управления. – М.: ЛБЗ, 2002. – 832 с.
Бесекерский В.А., Попов Е.П. Теория систем автоматического управления. – СПб: Профессия, 2003. – 752 с.
Гальперин М.В. Автоматическое управление. – М.: ФОРУМ: ИНФРА-М, 2004.-224 с.
Теория автоматического управления/С.Е. Душин, Н.С. Зотов, Д.Х. Имаев и др.- М.: Высшая школа, 2005.- 567 с.
Теория автоматического управления/В.Н. Брюханов, М.Г. Косов, С.П. Протопопов и др. – М. Высшая школа, 2000. – 268 с.
|
|
|
Библиография
Когда оправдано включение микропроцессорной системы в состав измерительной системы?
Что решает микропроцессорная система в составе измерительных систем?
Что такое микроконтроллер?
Что такое микропроцессорный комплект?
Что такое микроЭВМ?
Что такое микропроцессорная система?
8.В чём состоит основная задача супервизорного управления?
9.В чём состоит основная задача непосредственно цифрового управления?
3.Методы классической и современной теории автоматического управления. Т.3. Методы современной теории автоматического управления /Под ред. Н.Д. Егупова. – М.: МВТУ, 2000. – 748 с.
8.Ульянов В.А., Леушин И.О., Гущин В.Н. Технологические измерения, автоматика и управление в технических системах. Ч.1.- Н.Новгород: НГТУ, 2000. – 336 с.
9.Ульянов В.А., Леушин И.О., Гущин В.Н. Технологические измерения, автоматика и управление в технических системах. Ч.2.- Н.Новгород: НГТУ, 2002. – 417 с.
Под синтезом САУ понимается направленный расчёт, имеющий конечной целью отыскание рациональной структуры системы и установление оптимальных величин параметров её отдельных звеньев. По отношению к основе синтеза в настоящее время имеются разные точки зрения.
Синтез можно трактовать как пример вариационной задачи и рассматривать такое построение системы, при котором для данных условий работы (управляющие и возмущающие воздействия, помехи, ограничения по времени работы и т.п.) обеспечивается теоретический минимум ошибки.
Синтез также можно трактовать как инженерную задачу, сводящуюся к такому построению системы, при котором обеспечивается выполнение технических требований к ней. Подразумевается, что из многих возможных решений инженер, проектирующий систему, будет выбирать те, которые являются оптимальными с точки зрения существующих конкретных условий и требований к габаритам, массе, простоте, надёжности и т.п.
|
|
|
Иногда в понятие инженерного синтеза вкладывается ещё более узкий смысл, рассматривается синтез, имеющий целью определения вида и параметров корректирующих средств, которые необходимо добавить к некоторой неизменной части системы (объект с управляющим устройством), чтобы обеспечить требуемые динамические свойства.
При инженерном синтезе САУ необходимо обеспечить, во-первых, требуемую точность и, во-вторых, приемлемый характер переходных процессов.
Решение первой задачи в большинстве случаев сводится к определению требуемого коэффициента передачи разомкнутой системы, и в случае необходимости, - вида корректирующих средств, повышающих точность системы (комбинированное управление, изодромные механизмы и т.п.) Эта задача может решаться при помощи определения ошибок в типовых режимах на основе критериев точности.
Решение второй задачи – обеспечение приемлемых переходных процессов – оказывается почти всегда более трудным вследствие большого числа варьируемых параметров и многозначности решения задачи демпфирования системы.
Корневой метод. Имеется характеристическое уравнение системы
.
С точки зрения скорейшего затухания переходного процесса важно, чтобы вещественные части корней характеристического уравнения были наибольшими. Сумма вещественных частей всех корней численно равная первому коэффициенту характеристического уравнения. Поэтому при заданной величине этого коэффициента наивыгоднейшие результаты получаются при равенстве вещественных частей всех корней, но это не реально. Расчёты показывают, что из общего числа корней характеристического уравнения всегда выделить два или три корня с меньшей по абсолютному значению вещественной частью, которые и определяют ход основного процесса. Остальные же корни характеризуют быстро затухающие составляющие, оказывающие влияние только начальной стадии переходного процесса.
Предыдущее уравнение удобно представить в виде

Второй сомножитель и будет определять основной характер процесса. Для уменьшения погрешностей проектируемой системы важно, чтобы коэффициент
в основном множителе имел возможно большую величину. Однако чрезмерное увеличение
приводит к колебательному характеру переходного процесса. Оптимальное соотношение между коэффициентами
и
определяется из условия получения затухания за один период ξ=98%, которому соответствует выражение
, где
и
вещественная и мнимая части комплексного корня, характеризующего основной процесс. Отсюда можно получить
.
Множитель
определяющий соотношение между коэффициентами основного множителя характеризующего уравнения, является критерием переходного режима, зависящим от выбранной степени затухания.
Синтез системы управления начинается с того, что для выбранной структурной схемы и введением корректирующих средств находится характеристическое уравнение. Затем варьируются параметры основного канала и корректирующих средств таким образом, чтобы получить требуемое значение коэффициентов характеристического уравнения.
Этот метод оказывается достаточно эффективным в случае сравнительно невысокой степени характеристического уравнения (
=2-4). Недостатком этого метода является также то, что необходимо задаваться видом корректирующих средств.
Метод корневых годографов. Качество системы управления с точки зрения быстродействия и запаса устойчивости может характеризоваться расположением корней числителя и знаменателя передаточной функции замкнутой системы, т.е. расположением нулей и полюсов передаточной функции.
|
|
|
Зная, эти корни, можно избежать их расположения на комплексной плоскости корней. При расчёте системы целесообразно проследить, как меняется общая картина расположения корней при изменении отдельных параметров, например коэффициента передачи разомкнутой системы, постоянных времени корректирующих цепей и т.п., с целью установления оптимальных значений этих параметров.
При плавном изменении значения какого – либо параметра корни будут перемежаться на плоскости корней, прочерчивая некоторую кривую, которую будем называть корневым годографом или траекторией корней. Построив траектории всех корней, можно выбрать такое значение варьируемого параметра, которое соответствует наилучшему расположению корней.
Вычисление корней при этом можно производить при помощи стандартных программ для цифровых машин с выводом траектории корней на экран дисплея.
Метод стандартных переходных характеристик. Для получения необходимых значений коэффициентов передаточной функции разомкнутой системы можно воспользоваться стандартными переходными характеристиками. Для большей общности эти характеристики строятся в нормированном виде. В этом случае по оси времени откладывается относительное время
, где
- среднегеометрический корень характеристического уравнения, определяющий быстродействие системы.
При построении стандартных переходных характеристик необходимо задаться определённым распределением корней характеристического уравнения.
Метод логарифмических амплитудных характеристик. Наиболее приемлемы для целей синтеза логарифмические амплитудные характеристики, так как построение ЛАХ, как правило, может делаться почти без вычислительной работы. Особенно удобно использовать асимптотические ЛАХ.
Процесс синтеза обычно включает в себя следующие операции:
o построение желаемой ЛАХ;
o построение располагаемой ЛАХ;
|
|
|
o определение вида и параметров корректирующего устройства;
o техническая реализация корректирующих устройств;
o поверочный расчёт и построение переходного процесса.
В основу синтеза положены следующие показатели качества:
¨ перерегулирование при единичном ступенчатом воздействии на входе;
¨ время переходного процесса;
¨ коэффициенты ошибок.
Синтез САУ методом логарифмических амплитудных характеристик является в настоящее время одним из самых удобных и наглядных. Наиболее трудным моментом при расчёте методом логарифмических амплитудных характеристик является установление связи показателей качества переходного процесса с параметрами желаемых ЛАХ, что объясняется сравнительно сложной зависимостью между переходной линейной системы и её частотными свойствами Задача построения желаемой ЛАХ значительно облегчается, если вместо оценки качества работы системы по её переходной характеристике перейти к оценке качества непосредственной по её частотным свойствам.
Синтез САУ на основе частотных критериев качества. Для оценки качества любой системы управления, в том числе и следящей системы, необходимо знать её точность, характеризуемую ошибками в некоторых типовых режимах, быстродействие, определяемое по способности системы работать при больших скоростях и ускорениях входного воздействия или по быстроте протекания переходных процессов, и запас устойчивости, показывающий склонность системы к колебаниям. В соответствии с этим можно говорить о критериях точности, критериях быстродействия и критериях запаса устойчивости. При использовании частотных критериев необходимо основываться на тех или иных частотных свойствах системы.
При оценке точности по ошибкам при воспроизведении гармонического входного воздействия одновременно можно оценить и быстродействие сливаются в один критерий динамической точности системы управления. Под ошибкой следящей системы понимается не действительное рассогласование ме6жду задающей и исполнительной осями, а только сигнал рассогласования выявленный чувствительным элементом.
Аппаратный синтез систем автоматического и автоматизированного управления традиционными методами включает следующий комплект средств: датчики, преобразователи, задатчики, регуляторы, усилители, исполнительные механизмы и регулирующие органы.
В хозяйстве цехов имеющих нагревательные и плавильные агрегаты часто используются различного рода котлы для утилизации тепла. Безопасность котла и выполнение требований технонадзора осуществляется путём решения следующих задач:
· автоматическая блокировка слива воды из котла при понижении уровня жидкости и давления воды до допустимого предела;
· дублирование контроля уровня воды в котле с использованием надёжных средств автоматизации;
· использование регулирующей аппаратуры, позволяющей при необходимости переходить на ручное дистанционное управление агрегатом;
· подача аварийного звукового сигнала при срабатывании отсечного клапана;
· световая сигнализация отклонений от нормы отдельных контролируемых величин.
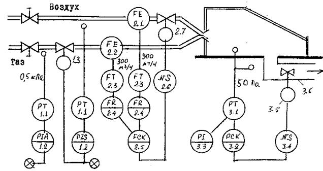
Автоматического регулирование уровня воды, в предлагаемой АСУ, осуществляется с использованием современной аппаратуры комплекса «Контур – 2», выпускаемого ОАО «МЗТА» (г.Москва).
Для автоматического контроля давления и уровня применены измерительные преобразователи типа «Сапфир -22 М» разных модификаций и двухканальные вторичные приборы типа ТРМО-PIC серии «евро», выпускаемые фирмой «ОВЕН» (г.Москва). Такие приборы могут работать с датчиками унифицированных электрических сигналов, оснащены цифровыми индикаторами и имеют встроенные блоки питания измерительных преобразователей.
Использование восьмиканального адаптера сети АС2 обеспечивает сопряжение приборов типа ТРМО-PIC с последовательным СОМ - портом IBM – совместимого компьютера. Для передачи информационных сигналов применён интерфейс связи RS-232 (рис. 5.11).
Спецификация используемых средств автоматизации приведён в табл. 5.1.
Вопросам автоматизации водогрейных котлов, тепловых пунктов и систем теплофикации в последнее время уделяется серьёзное внимание. Без этого невозможно бесперебойное и качественное теплоснабжение промышленных предприятий и потребителей жилищно – коммунального сектора.

Таблица 5.1.Спецификация используемой аппаратуры
| Позиция | Аппаратуры | Тип |
| 1.1 1.2 1.3 1.4 2.1 3.1 3.2 3.3 4.1 4.2 4.3 4.4 | Преобразователь избыточного давления Двухканальный вторичный прибор Сирена сигнальная Электромагнитный отсечной клапан Преобразователь избыточного давления Преобразователь разности давлений Двухканальный вторичный прибор Адаптер сети Преобразователь разности давлений Регулятор комплекса «Конту -2» Тиристорный пускатель комплекса «Контур – 2» Клапан регулирующий с электроприводом | Сапфир–22М-ДИ ТРМО-PIC-евро СС-1 ПКМ-100 Сапфир-22М-ДИ Сапфир-22М-ДГ ТРМО-PIC-евро АС2 Сапфир-22М-ДГ РС29.0.М У29.3М 25ч939нж |
Для учёта и регулирования теплоэнергоносителей концерн «МЕТРАН» (г. Челябинск) поставляет вихреакустические и корреляционно - ультразвуковые преобразователи расхода природного газа (типа СРГ) и счётчики тепла (типа СРГ) и счётчики тепла (типа СВТ), а также теплоэнергоконтроллеры типа ТЭКОН-10 и программно – технический комплекс МЕТРАН – СКАУТ.
Для построения локальных систем регулирования преимущественно используется аппаратура агрегатного комплекса «Контур-2» (регуляторы типа РС29…М), микропроцессорные регуляторы «МИНИТЕРМ», «ПРОТАР» и другие приборы, выпускаемые МЗТА.
Системы приточной вентиляции. Эта система обеспечивает подачу свежего воздуха определённой температуры в производственные помещения с помощью калорифера и вентилятора (рис.5.12, а). Основным параметром регулирования этих систем является температура воздуха после вентилятора. Регулирование осуществляется путем изменения расхода горячей воды, подаваемой из теплосети. Одной из серьёзных проблем при автоматизации плиточных систем является защита калорифера от замерзания в зимнее время. Для этой цели предусматриваются два термометра сопротивления с позиционными регуляторами температуры. Один из термометров устанавливается на начальном участке воздуховода, другой - на трубопроводе воды после калорифера. Если температура воздуха ниже 3 - 4° С, a температура воды ниже 20-30°С, позиционные регуляторы срабатывают, включают вентилятор, закрывают заслонку на воздуховоде и открывают клапан на трубопроводе воды. При рабочем отключении вентилятора система защиты осуществляет периодическое прогревание калорифера пропусканием горячей воды.
Если в качестве теплоносителя используют пар то в калорифере нагревается только часть воздуха. Другая часть направляется непосредственно во всасывающую магистраль вентилятора. Регулирующие воздействия в этом случае будут вноситься изменением соотношения расходов основного и байпасируемого потоков воздуха. Система защиты при таком регулировании должна обеспечить закрывание клапана на магистрали пара при полном закрывании заслонки основного потока воздуха (или предотвращения перегрева незначительной части воздуха, который будет проникать через закрытую заслонку).
На рис.5.12, б показана схема регулирования электрокалорифера с четырьмя секциями равной мощности. Два позиционных регулятора осуществляют включение и выключение секций в зависимости от температуры воздуха за вентилятором. Точность такого регулирования 6оC. Достоинство систем с электрокалорифером отсутствие необходимости в устройствах защиты от замерзания.
В отдельных случаях приточная вентиляция обеспечивает воздушное отопление производственных помещений за счёт нагревания воздуха в нескольких последовательно установленных калориферах до 40-50 С. Заданная температура воздуха в помещении поддерживается регулятором температуры, изменяющим расход горячей воды в калориферы, Регулирующие клапаны на трубопроводах горячей вода настроены таким образом, чтобы при повышении температуры воздуха в помещении сначала закрывался регулирующий клапан в помещении сначала закрывался регулирующий клапан последнего калорифера, и только в том случае, если этого недостаточно, в работу включались бы клапаны предыдущих калориферов.
В промышленности применяют и более сложную систему управления приточной вентиляцией - путём изменения производительности вентилятора в зависимости от температуры наружного воздуха. Если температура наружного воздуха уменьшиться ниже того значения, которое было принято при отсчёте калорифера, то регулятор температуры пропорциональности уменьшит расход воздуха, и наоборот.
Для экономии тепла в отдельных случаях воздуха после помещения частично возвращают в воздуховод перед калорифером. Температура воздуха после вентилятора при наличии рецикла стабилизируется путем изменения соотношения расходов наружного и рециркулирующего воздуха

Рис.5.12. Схема управления системой приточной вентиляции а) - с калорифером обогреваемым горячей водой б) - с электро калорифером: 1 - воздушный фильтр, 2 - калорифер, 3 – вентилятор
Системы вытяжной вентиляции. При автоматизации вытяжных систем решается задача защиты вентилятора от "опрокидывания" при его остановке. В момент "опрокидывания" вытяжная, система начинает работать на приток за счёт разрежения в помещении. Это тем более нежелательно в случае общего (на несколько вытяжных систем) выходного воздухопровода, так как в момент "опрокидывания" в помещение могут проникать вредные газы. Для исключения "опрокидывания" на воздухопроводе вытяжной системы устанавливают заслонку, которая блокируется с электродвигателем вентилятора. При установке вентилятора заслонка закрывается и перекрывает вытяжной воздухопровод.
Если вытяжная система обслуживает помещения, в которых могут находиться особо опасных вещества, необходима установка резервного вентилятора. В автоматическом режиме при непредусмотренной остановке рабочего вентилятора срабатывает реле потока воздуха, установленное на его воздухопроводе; оно дает сигнал на включение резервного вентилятора и открытие его заслонки.
Если помещение, обслуживаемое вытяжной системой, оборудовано и приточной вентиляцией с регулируемой производительностью, одновременно должна изменяться производительность и вытяжной системы. С этой целью на вытяжном воздухопроводе устанавливают заслонку, на которую подаётся регулирующее воздействие от регулятора, изменяющего расход воздуха приточной системы.
Системы воздушно-тепловых завес. Эти системы предназначены для стабилизации температуры в производственных помещениях с часто открываемыми грузовыми воротами (рис.5.13). Работает система управления завесой следующим образом. При открывании ворот срабатывает конечный выключатель, который даёт сигнал на включение вентилятора завесы и открытие трубопровода теплоносителя. Воздух, нагретый в калорифере, поступает в определённом направлении в зону ворот и преграждает путь холодному атмосферному воздуху в помещение. Расход воздуха, подаваемого в завесу, регулируется в зависимости от температуры наружного воздуха, Это значительно сокращает потери тепла в летнее время. Отключение тепловой завесы производится по сигналу того же конечного выключателя при закрытии ворот.
Рис.5.13. Схема управления воздушно-тепловой завесой: 1 - калорифер; 2 - вентилятор; 3 - направляющие сопла
При проектировании систем автоматизации несложных печных агрегатов предпочтение до последнего времени отдавался тому же набору аппаратных средств, что и приведённых выше.
При этом обращается серьёзное внимание на решение задач защиты, блокировки и аварийной сигнализации, а также на возможность осуществления при необходимости ручного управления технологическим процессом. При автоматизации взрыво- и пожароопасных объектов используется аппаратура со специальными мерами защиты или средства пневмоавтоматики.
Описание САУ в виде структурных схем, к которым в частности относятся функциональные схемы даёт полное представление о структуре систем, используемых средствах автоматизации и информационных связях между ними. Правила изображения функциональных схем определяет ГОСТ 21.404-85 «Автоматизация технологических процессов».
В верхней части чертежа, как это показано на рис.5.14 даётся упрощенное изображение технологического объекта и тех устройств, которые необходимы для осуществления технологического процесса (основные трубопроводы, топливосжигающие устройства, вентиляторы, подвижные механизмы, преобразователи электрической энергии, регулирующие клапаны, газоочистные аппараты и другое вспомогательное оборудование), а также встраиваемые в трубопроводы диафрагмы или другие измерительные устройства расходомеров. На вертикальных линиях, которые идут от точек отбора импульса или первичного преобразователя, с помощью принятых условных графических обозначений указываются в нужной последовательности используемые средства автоматизации. Часть локальных приборов и средств автоматизации, приборов на операторском щите могут также размещаться на специально расчерченном поле чертежа с указанием их принадлежности, в отдельной части этого поля указываются вычислительные устройства и контроллеры (рис.5.14). Следует указывать верхние пределы контролируемых параметров, которые обычно на 20 – 30% выше заданных или допустимых значений. Обычно эти пределы и остальные необходимые сведения сводятся в спецификацию (табл.5.2).
Прежде всего решаются вопросы информационного обеспечения, связанные с уточнением контролируемых величин, способов и пределов их измерений. Исходя из этого выбираются нужные измерительные преобразователи, тип передаваемых сигналов, вторичные и другие приборы, включая блоки питания, корнеизвлечения и других функциональных преобразований.
Рис.5.14.Функциональная схема автоматизации газовой нагревательной печи выполненная по первой методике (регулирование температуры при использовании аппаратуры комплекса АКЭСР-2) (функциональная схема по первому варианту)
Таблица 5.2.Спецификация используемой аппаратуры (к рис.5.14)
| Позиция | Наименование аппаратуры | Тип | Количество |
| 1.1 1.2 1.3 2.1 2.2 2.3 2.4 3.1 3.2 3.3 3.5 3.4 3.6 3.7 4.1 4.2 | Преобразователь избыточного давления Вторичный показывающий прибор Сирена сигнальная Преобразователь избыточного давления Вторичный показывающий прибор Световое табло Электромагнитный отсечной клапан Термоэлектрические преобразователи Регулятор комплекса АКЭСР-2 Ручной задатчик комплекса АКЭСР-2 Пускатель бесконтактный реверсивный Блок ручного управления Регулирующий клапан с электроприводом Вторичный прибор Регулирующая заслонка системы регулирования соотношения «топливо – воздух» Блок питания преобразователей давления | Сапфир-22М-Ех-ДИ А 100 СС-1 Сапфир-22М-ДИ А 100 ТСБ-III-У3-01 ПКН-30 ТПР-0192 РП4-Т-М1 РЗД-22 БРУ-32 ПБР-2М 25ч939нж А 100Н 25ч 938нж ПБД-40 |
Для автоматизации электротермических агрегатов, в зависимости от их сложности применяются релейные Рп – регуляторы и аналоговые типа РТ, ТП, ПРОТЕРМ. Для управления процессами термообработки и нагрева металла рекомендуется использовать из отечественных аналогов программные регуляторы ТП-303 и ТП-403, выпускаемых НПК «Варта» (г. С.-Петербург) или их зарубежные аналоги. Такие регуляторы просты в наладке, надёжно работают в условиях металлургического производства. При автоматизации более сложных объектов используются микропроцессорные регуляторы и программируемые контроллеры типа РЕМИКОНТ, ЛОМИКОНТ и т.д.
Рис.5.15.Схема автоматизации нагревательной печи (регулирование процесса горения и давления в рабочем пространстве печи) при использовании аппаратуры комплекса Контур-2 (функциональная схема по первому варианту)
Таблица 5.3.Спецификация используемых аппаратуры к рис.5.15
| Позиция | Наименование аппаратуры | Тип | Количество |
| 1.1 1.2 1.3 2.1 2.2 2.3 2.4 2.5 2.6 2.7 3.1 3.2 3.3 3.4 3.5 3.6 3.7 | Преобразователь избыточного давления Вторичный показывающий прибор Электромагнитный отсечной клапан Диафрагма камерная стандартная Диафрагма камерная стандартная Преобразователь разности давления Вторичный регистрирующий прибор Регулятор комплекса Контур – 2 Тиристорный реверсивный пускатель Регулирующий клапан с электроприводом Преобразователь давления – разрежения Регулятор комплекса Контур – 2 Вторичный показывающий прибор Тиристорный реверсивный пускатель Механизм электрический однооборотный Регулирующий дымовой шибер (технологическое оборудование) Блок питания датчиков четырёхканальный | Сапфир-22М-ДИ А 100 ПКН – 200 ДКС-0,6-200 ДСК-0,5-50 Сапфир МТ ДИСК-250ДД РС29.0.М У29.3М 25ч939нж Метран-45-ДИВ РС29.0.М А 100 У29.3М МЭО-630/160 - 4БП36 |
Варианты комплектования систем автоматизации пламенной нагревательной печи при использовании аппаратуры комплекса Контур-2 и средств пневмоавтоматики представлены на рис.5.15 и 5.16 (табл.5.3 и 5.4).
Рис.5.16.Схема автоматизации нагревательной печи при использовании средств пневмоавтоматики (функциональная схема по первому варианту)
Таблица 5.4.Спецификация используемой аппаратуры к рис.5.16
| Позиция | Наименование аппаратуры | Тип | Количество |
| 1.1 1.2 1.3 1.4 1.5 1.6 1.7 2.1 2.2 2.3 2.4 2.5 3.1 3.2 3.3 3.4 3.5 | Диафрагма камерная стандартная Диафрагма камерная стандартная Преобразователь разности давлений Функциональный преобразователь Пневматический регулятор соотношения Регистрирующий прибор со станцией управления Регулирующий клапан с позиционером Термоэлектрический преобразователь Нормирующий преобразователь Пневматический ПИ-регулятор Регистрирующий прибор со станцией управления Регулирующий клапан с позиционером Преобразователь давления – разрежения Показывающий прибор со станцией управления Пневматический ПИ – регулятор Мембранный исполнительный механизм Поворотный регулирующий шибер | ДКС-0,6-200 ДКС-0,6-50 13ДД30 ПФ1.17-К1 ПР3.33-К1 ПВ10-23 25ч35эм ТХА-0192 ПЭП-ТП ПР3.31-М1 ПВ10-2Э 25ч35эм 13ДИВ30 ПВ3.2 ПВ3.31-М1 МИМ-200/25-ППХ Техн. оборудов. |
Следует обратить внимание на то, что обязательно контролируется давление во всех трубопроводах и агрегатах, которые находятся под давлением или разрежением, а на входах трубопроводов устанавливаются отсечные заслонки, используемые проведении ремонтов. Надо иметь в виду, что блоки питания датчиков и некоторых регуляторов, как вспомогательные устройства, на схемах автоматизации по ГОСТ 21.404-85 не изображают, но их в указывают в таблицах «Спецификация используемой аппаратуры».
Современные электропечи характеризуются высоким техническим уровнем. Они оснащены механизмами электромагнитного перемешивания металла, сводовыми водоохлаждаемыми кислородными фурмами, установками для очистки отходящих газов, современными средствами контроля и автоматизации управления электрического и теплового режимов работы агрегатов, поддержания заданного давления газа под сводом печи, регулирования расхода кислорода.
При выплавке стали в электропечах необходимо выполнять измерения характеристик входных параметров (скрапа, металлизованного железорудного сырья, присадок, шлакообразующих, кислорода и электроэнергии), выходных (стали, шлака, газа и пыли), параметров процесса электроплавки и оборудования печи включая и ряд параметров вспомогательного оборудования. Контроль входных параметров включает измерение массы, химсостава, расхода, давления, чистоты кислорода, линейные, движения, температур, электрические и магнитные. Для контроля выходных параметров процесса электроплавки и оборудование печи включает измерения линейные и угловые, движения, давления, температур, теплофизические, электрические, магнитные, химического состава газового анализа.
Уровень и объём измерений для групп различного тоннажа печей и следовательно технологий ведения плавок несколько различаются. Для цехов с печами малой вместимости (6 – 12 т), не имеющих средств внепечной обработки, требования к необходимой точности измерения по сравнению с цехами высокой производительности, в которых печи оснащены водоохлаждаемыми элементами футеровки, трактами механизированной подачи материалов, системами пневмотранспорта несколько ниже.
При управлении процессом выплавки стали управляющие воздействия обычно соотносят с массой металла в печи (добавки легирующих, шлакообразующих, расход энергоносителей), поэтому требования к качеству измерений параметров плавки в значительной мере определяются потребностью информации о массе жидкого металла. При формировании технологических требований к уровню измерений исходили из положения, что погрешности измерения параметров плавки в печи (массы добавок, расхода шлакообразующих и т.п.) должны быть одного порядка с погрешностью измерения массы жидкого металла в печи при отклонениях порядка + 1%. Это относится и к измерениям, связанным с управлением энергетическим режимом плавки, основанным на моделях с применением информации о массе металла и добавок.
Функциональная схема АСУ ДСП приведена на рис. 5.17, а характеристика входов и выходов дуговой печи как объекта управления показана в табл. 5.5.
Рис.5.17.Автоматизация дуговой печи: а – функциональная схема; б – схема расположения приборов
В период плавки дуги проплавляют «колодцы» в металлошихте, куда погружаются электроды, и ещё нерасплавленная шихта экранирует футеровку стен и свода печи от интенсивного теплового излучения дуг.
После расплавления дуги становятся длиннее, поэтому для защиты футеровки от преждевременного разрушения их приходится укорачивать, переходя на пониженное напряжение и по мере нагрева металла в ванне печи, сокращать заданное значение мощности вплоть до 50-60% от номинальной.
Оптимальное управление процессом плавки в дуговой печи в зависимости от принятой целевой функции может быть направлено на решение одной из следующих задач:
· поддержание максимального термического КПД печи (при решении задачи на энергетическом уровне);
· поддержание максимального электрического КПД печной установки (при решении задачи на электрическом уровне);
Таблица 5.5.Характеристика входов и выходов ДСП

Таблица 5.6. Характеристика средств автоматического контроля ДСП
Продолжение таблицы 5.6
·
поддержание минимальной дисперсии продолжительности отдельных периодов плавки и температуры металла (при решении на технологическом уровне).
В таблице 5.6 приведена характеристика средств автоматического контроля ДСП.
В качестве объекта управления при автоматизации процесса сушки может применяться барабанная прямоточная сушилка (рис.5.18), в которой сушильным агентом служат дымовые газы.

Рис,5.18.Типовая схема автоматизации процесса сушки в барабанном сушиле: 1-топка; 2-смесительная камера; 3-барабан; 4-бункер; 5-циклон; 6-вентилятор; 7-автоматический дозатор; 8-электродвигатель барабана
Показателем эффективности данного процесса является влажность материала, выходящего из сушилки, а целью управления – поддержание этого параметра на определённом значении. В качестве влагомеров используются кондуктометрические, оптические, радиационные, электрометрмические, комбинированные.
Температура сушильного агента на входе в барабан стабилизируется путём изменения расхода вторичного воздуха. При управлении процессом сушки следует контролировать расход топлива, первичного и вторичного воздуха, влажного и сухого материала, температуру сушильного агента на входе в сушилку и на выходе из неё, температуру в сушилке, разрежение в смесительной камере.
При значительном отклонении показателя эффективности от заданного значения, опасном повышении температуры сушильного агента на входе в сушилку и остановке электродвигателя барабана должен быть подан сигнал обслуживающему персоналу. Кроме того, при остановке электродвигателя должна быть прекращена подача материала в сушилку.
При отсутствии надёжного прибора для непрерывного измерения влажности материала, а также при больших запаздываниях в сушилке в качестве основного регулируемого параметра следует брать температуру сушильного агента в барабане. Датчик регулятора температуры следует ставить на расстоянии одной трети длины сушилки от места ввода материала, где запаздывание мало и уже испарилась значительная часть влаги.

Рис.5.19.Схема управления противоточной барабанной сушилкой: 1-транспортёр влажного материала; 2-барабан; 3-воздухонагреватель
В противоточных сушилках (рис.5.19) для предотвращения разложения материала под действием высоки температур в качестве основной регулируемой величины нужно использовать температуру материала на выходе из сушилки и вносить регулирующее воздействия изменением расхода сушильного агента. Температура воздуха на барабан регулируется изменением расхода теплоносителя, подаваемого в воздухонагреватель, а влажность – изменением расхода рециркулирующего воздуха. Узлы регулирования расхода влажного материала и разрежения остаются такими же, как и в прямоточных сушилках.

Рис.5.20.Схема управления конвейерной сушилкой: 1- калорифер; 2-сушилка; 3-дополнительный подогреватель; 4-вентилятор; 5-питатель
Управление конвейерными и ленточными сушилками подобно барабанным. При использовании такого рода сушилок появляется возможность регулирование влажности за счёт изменения скорости движения конвейера (ленты). При наличии дополнительного подогревателя под транспортёром расход теплоносителя в подогреватель стабилизируется, а при рецикле части сушильного агента его расход изменяется в зависимости от влажности (на схеме этот узел не показана).

Рис.5.21.Схема управления струйной сушилкой: 1-топка; 2-сушилка; 3-теплообменник суспензии; 4-сепаратор; G – размеры частиц
В струйных распылительных сушилках (рис.5.21) осуществляется сушка суспензий неорганических соединений (предварительно нагретых в теплообменнике) за счёт распыливания их сушильным агентом. В струйных распылительных сушилках, как правило, требуется получить продукт не только заданной влажности, но и постоянного гранулометрического состава.

Рис.5.22.Схема управления процесса в сушилках с кипящим слоем: 1-сушилка; 2-кипящмий слой; 3-решётка; 4-топка; 5-промежуточный бункер; 6 питатели; 7-вариаторы; 8-электродвигатели; 9-циклон
При автоматизации сушки в кипящем слое основным показателем процесса является температура в слое, и только в случае крупных установок, когда температура по высоте слоя меняется, лучше брать в качестве такого показателя температуру сушильного агента.
Нормальная работа сушилок такого типа возможна только при определённой высоте кипящего слоя. С целью поддержания заданного значения этого параметра стабилизируется гидродинамическое сопротивление слоя, т.е. перепад давления до и после решётки, воздействием на вариатор электродвигателя питателя сухого материала.