Цель работы: исследовать переходные процессы в линейных одноконтурных системах.
Общие положения
САУ (САР) называют систему, включающую в себя управляющее устройство (регулятор) и управляемый объект. Принцип построения систем автоматического управления могут быть разные: по возмущающему воздействию – разомкнутые системы; по отклонению (принцип обратной связи) – замкнутые системы; комбинированные – совмещающие оба этих принципа. В зависимости от цели управления их делят на:
- системы стабилизации – задающее воздействие постоянно
;
- системы программного управления – задающее воздействие изменяется по программе
;
- следящие системы – задающее воздействие изменяется по неизвестному закону
.
Системы стабилизации и программного управления могут быть как замкнутыми, так и разомкнутыми. Следящие системы используют в основном принцип обратной связи.
Задача системы автоматического управления сводится к обеспечению соотношения
, т.е. воспроизвести с требуемой точностью задающее воздействие.
САР должна вести себя по отношению к задающим и возмущающим воздействиям различным образом. Если g(t) должна определять изменение регулируемой переменной, то f(t) должна наименьшим образом влиять на изменение регулируемых переменных.
Внешние воздействия, приложенные к системе, приводят к тому, что требуемые и действительные значения регулируемой величины отличаются, что и называют ошибкой системы автоматического регулирования.
Отклонением регулируемой величины называют разность между значением регулируемой величины в данный момент времени и заданным ее значением:
,
где
– задающее воздействие;
Y(t) – регулируемая величина;
E(t) – сигнал ошибки.
Воздействие, приложенное к сравнивающему элементу системы регулирования, называют входным сигналом системы. Регулируемой величиной называют сигнал на выходе системы.
САР часто называют системами с обратной связью. Это объясняется тем, что в них имеется не только прямая связь между входом (задающим воздействием) и выходом (регулируемой переменной), но и обратная связь между выходом и входом, служащая для сравнения этих величин.
Сигнал, который поступает с выхода системы на ее вход, называют сигналом главной обратной связи. Главная обратная связь всегда отрицательна.
Введение обратной связи создает систему, которая слабо реагирует на возмущающее воздействие и подчиняется, главным образом, задающему воздействию, т.е. замкнутая система регулирования по существу представляет собой фильтр, который достаточно точно передает g(t) и подавляет f(t) – возмущающее воздействие.
САР с одной регулируемой величиной, имеющие только одну главную обратную связь, и не имеющие местных обратных связей, называют одноконтурными.
САР подразделяют на статические и астатические в зависимости от того, имеют они или нет ошибку в установившемся состоянии при определенного рода воздействиях.
Статическое регулирование – при котором регулируемая величина при разных, но постоянных внешних воздействиях на объект по окончании переходного процесса принимает различные значения, зависящие от величины внешнего воздействия. Контур регулирования должен состоять из статических звеньев, осуществляющих зависимость y=f(x).
Астатическое регулирование – когда при различных постоянных значениях внешнего воздействия на объект отклонение регулируемой величины от требуемого значения по окончании переходного процесса становится равным нулю. В контур регулирования должно быть введено астатическое звено (интегрирующее звено
), которое находится в состоянии безразличного равновесия при отсутствии на него внешнего воздействия и выходит из равновесия при наличии воздействия.
В системах, статических по отношению к задающему воздействию, постоянным значениям этого воздействия соответствует постоянная ошибка системы, величина которой зависит от величины g(t). В астатических системах после окончания переходного процесса ошибка равна нулю.
В теории автоматического регулирования широкое применение получил способ математического описания, основанный на использовании передаточных функций.
По структурным схемам определяют передаточную функцию замкнутых систем относительно входного сигнала, ошибки и возмущения.
Передаточной функцией линейной стационарной динамической системы называют отношение преобразования Лапласа Y(p) величины y(t) на выходе системы к преобразованию Лапласа X(p) воздействия x(t) на её входе при нулевых начальных условиях. Передаточная функция полностью характеризует динамические свойства системы. Зная передаточную функцию и вид воздействия, можно определить переходной процесс на выходе системы.
Поведение САР существенно зависит от величины и характера воздействий на систему. В виде типового воздействия при анализе динамики САР часто выбирают ступенчатое воздействие или единичный скачок. Такого рода воздействию соответствует, например, сброс или увеличение нагрузки в системах регулирования скорости электродвигателей.
Переходные процессы в системах при скачкообразном входном сигнале можно разделить на следующие типы:
1) колебательный процесс, который характеризуется несколькими значениями перерегулирования;
2) малоколебательный процесс, который характеризуется одним перерегулированием;
3) монотонный процесс, который характеризуется тем, что скорость изменения регулируемой величины не меняет знака в течении всего переходного процесса;
4) апериодический процесс (процесс без перерегулирования), который характеризуется тем, что отклонение регулируемой величины остается в переходном процессе меньше установившегося значения (не меняет знака).
Рассмотрим основные показатели качества системы автоматического регулирования, которые определяются по переходной характеристике (рисунок 5.2).
В точке
переходного процесса, соответствующей времени
, имеет место максимальное отклонение регулируемой величины
.
Под максимальным перерегулированием
понимается величина максимального отклонения регулируемой величины от установившегося значения, выраженное в процентах:
,
где
соответствует установившемуся значению регулируемой величины, т.е.
.
Второй показатель качества позволяет оценить быстродействие системы автоматического регулирования и называется временем регулирования (протекания переходного процесса)
.
– время за которое от начала переходного процесса отклонение регулируемой величины не превышает 2-5% от установившегося значения.

Рисунок 5.1 – Типы переходных процессов

Рисунок 5.2 – Определение показателей качества по переходной характеристике
Третий показатель качества характеризует число колебаний
регулируемой величины
в течение времени переходного процесса
.
Наряду с этими основными показателями качества существуют и другие характеристики:
Собственная частота колебаний системы:
,
где
– период собственных колебаний системы.
Логарифмический декремент затухания системы
, характеризующий быстроту затухания колебательного процесса:
,
где
и
– две амплитуды для рядом расположенных экстремумов кривой переходного процесса. Чем больше
, тем быстрее происходит затухание переходного процесса.
Максимальная скорость отработки регулируемой величины
.
Порядок выполнения лабораторной работы
1.1 Для системы, структурная схема которой представлена на рисунке 5.3, определить характеристики системы (порядок системы, структурно устойчива или нет, статическая или астатическая), записать передаточные функции
и
, характеристическое уравнение, выражения для коэффициентов характеристического уравнения, записать условие устойчивости.
1.2 При выборе постоянных времени и коэффициентов передачи учитывать следующие рекомендации:
,
. Выбрав параметры звеньев, проверить, выполняется ли условие устойчивости; если нет – требуется изменить коэффициент усиления системы или увеличить кратность постоянных времени.

Рисунок 5.3
1.3 Собрать схему в программе VisSim, исследовать переходной процесс в системе, подавая на вход ступенчатый сигнал.
1.4 По полученным графикам произвести измерение
,
,
,
,
,
. Рассчитать, используя теорему о пределах
.
1.5 Сделать выводы о влиянии коэффициентов схемы на характер переходного процесса.
2.1 Для системы, структурная схема которой представлена на рисунке 5.4, выполнить исследование по п.1.1-1.5.

Рисунок 5.4
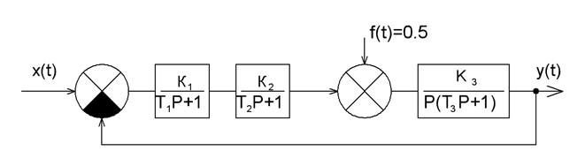
3.1 Для системы, структурная схема которой представлена на рисунке 5.5, определить характеристики системы (порядок системы, структурно устойчива или нет, статическая или астатическая по задающему воздействию и по возмущению), записать передаточные функции
,
и
. Значения коэффициентов и постоянных времени принять такими же, как в предыдущей схеме.
3.2 Записать выражение для вычисления ошибки (по задающему воздействию и по возмущению) и вычислить ошибку, используя теорему о предельных переходах.
3.3 Собрать схему в программе VisSim, исследовать переходной процесс в системе, подавая на вход системы и вход возмущения ступенчатый сигнал.

Рисунок 5.5
3.4 Сравнить значения установившейся ошибки
при одинаковых параметрах системы при отсутствии (рисунок 5.4) и наличии возмущающего воздействия (рисунок 5.5), объяснить получившийся результат.
3.5 Изменяя величину
и коэффициент усиления системы
, сделать выводы.
4.1 Для системы, структурная схема которой представлена на рисунке 5.6, выполнить исследование по п.3.1-3.5.

Рисунок 5.6
5.1 Для системы, представленной на рисунке 5.7 записать передаточные функции
,
, характеристическое уравнение, условие устойчивости, определить характеристики системы (порядок системы, структурно устойчива или нет, статическая или астатическая).

Рисунок 5.7
5.2 Собрать схему в программе VisSim, исследовать переходной процесс в системе, подавая на вход ступенчатый сигнал. Установить, возможно ли изменением параметров добиться устойчивости системы.
Содержание отчёта
1. Схемы исследования и результаты исследования.
2. Передаточные функции, характеристическое уравнение, условие устойчивости, характеристики систем.
Контрольные вопросы
1. Что такое передаточные функции системы: разомкнутой по главной обратной связи, замкнутой, по ошибке, по возмущению. Как их записать по структуре системы?
2. Что такое устойчивость системы?
3. Что такое структурная устойчивость системы? Как ее определить?
4. Что такое статическое и астатическое регулирование? Как определить астатизм системы по задающему воздействию и по возмущению?
5. Что такое время регулирования, перерегулирование, статическая ошибка, как они определяются?